资料中心 > 注册安全工程师 > 化工安全 > 2025年《化工安全》规范提高班--规范合集.pdf

推荐 2025年《化工安全》规范提高班--规范合集.pdf

购课专享: 【签约特训班】 【决胜班】 【重学套餐班】 【VIP制胜班】 【精英集训班】 【智学魔方Pro】 【面授班升级包】

32.88MB 下载数:4357 更新时间:2026-02-02

简介:

2025年《化工安全》规范提高班--规范合集

  • 2025年《化工安全》规范提高班--规范合集.pdf-图片1

    ICS 13.100 CCS C 66

    AQ 中华人民共和国安全生产行业标准

    AQ 3058—2023

    内浮顶储罐检修安全规范

    Safety specification for maintenance of internal floating roof tank

    2023-12-20发布 2024-07-01 实施

    中华人民共和国应急管理部 发 布

  • 2025年《化工安全》规范提高班--规范合集.pdf-图片2

    ICS 13.100 CCS C 66

    AQ 中华人民共和国安全生产行业标准

    AQ 3058—2023

    内浮顶储罐检修安全规范

    Safety specification for maintenance of internal floating roof tank

    2023-12-20发布 2024-07-01 实施

    中华人民共和国应急管理部 发 布

    AQ 3058—2023

    目 次

    前言 ⋯⋯⋯⋯⋯⋯⋯⋯⋯⋯⋯⋯⋯⋯⋯⋯⋯⋯⋯⋯⋯⋯⋯⋯⋯⋯⋯⋯⋯⋯⋯⋯⋯⋯⋯⋯⋯⋯⋯⋯ Ⅱ

    引言 ⋯⋯⋯⋯⋯⋯⋯⋯⋯⋯⋯⋯⋯⋯⋯⋯⋯⋯⋯⋯⋯⋯⋯⋯⋯⋯⋯⋯⋯⋯⋯⋯⋯⋯⋯⋯⋯⋯⋯⋯Ⅲ

    1 范围 ⋯⋯⋯⋯⋯⋯⋯⋯⋯⋯⋯⋯⋯⋯⋯⋯⋯⋯⋯⋯⋯⋯⋯⋯⋯⋯⋯⋯⋯⋯⋯⋯⋯⋯⋯⋯⋯⋯ 1

    2 规范性引用文件⋯⋯⋯⋯⋯⋯⋯⋯⋯⋯⋯⋯⋯⋯⋯⋯⋯⋯⋯⋯⋯⋯⋯⋯⋯⋯⋯⋯⋯⋯⋯⋯⋯⋯ 1

    3 术语和定义 ⋯⋯⋯⋯⋯⋯⋯⋯⋯⋯⋯⋯⋯⋯⋯⋯⋯⋯⋯⋯⋯⋯⋯⋯⋯⋯⋯⋯⋯⋯⋯⋯⋯⋯⋯⋯ 1

    4 一般要求 ⋯⋯⋯⋯⋯⋯⋯⋯⋯⋯⋯⋯⋯⋯⋯⋯⋯⋯⋯⋯⋯⋯⋯⋯⋯⋯⋯⋯⋯⋯⋯⋯⋯⋯⋯⋯ 2

    5 检修前准备⋯⋯⋯⋯⋯⋯⋯⋯⋯⋯⋯⋯⋯⋯⋯⋯⋯⋯⋯⋯⋯⋯⋯⋯⋯⋯⋯⋯⋯⋯⋯⋯⋯⋯⋯⋯ 4

    6 清罐作业 ⋯⋯⋯⋯⋯⋯⋯⋯⋯⋯⋯⋯⋯⋯⋯⋯⋯⋯⋯⋯⋯⋯⋯⋯⋯⋯⋯⋯⋯⋯⋯⋯⋯⋯ 5

    7 本体及附属设施检修作业⋯⋯⋯⋯⋯⋯⋯⋯⋯⋯⋯⋯⋯⋯⋯⋯⋯⋯⋯⋯⋯⋯⋯⋯⋯⋯ 5

    8 内浮顶检修作业 ⋯⋯⋯⋯⋯⋯⋯⋯⋯⋯⋯⋯⋯⋯⋯⋯⋯⋯⋯⋯⋯⋯⋯⋯⋯⋯⋯⋯ 6 9 储罐检修验收及检查 ⋯⋯⋯⋯⋯⋯⋯⋯⋯⋯⋯⋯⋯⋯⋯⋯⋯⋯⋯⋯⋯⋯⋯⋯⋯⋯⋯⋯⋯ 8

    10 应急处置⋯⋯⋯⋯⋯⋯⋯⋯⋯⋯⋯⋯⋯⋯⋯⋯⋯⋯⋯⋯⋯⋯⋯⋯⋯⋯⋯⋯⋯⋯⋯⋯ 8

    附录 A(规范性)装配式全接液内浮顶罐浮箱拆除方式⋯⋯⋯⋯⋯⋯⋯⋯⋯⋯⋯⋯⋯⋯⋯⋯⋯ 9

    参考文献 ⋯⋯⋯⋯⋯.⋯⋯⋯⋯⋯⋯⋯⋯⋯⋯⋯⋯⋯⋯⋯⋯⋯⋯⋯⋯⋯⋯⋯⋯⋯⋯⋯⋯⋯⋯⋯ 10

    I

  • 2025年《化工安全》规范提高班--规范合集.pdf-图片3

    AQ 3058—2023

    目 次

    前言 ⋯⋯⋯⋯⋯⋯⋯⋯⋯⋯⋯⋯⋯⋯⋯⋯⋯⋯⋯⋯⋯⋯⋯⋯⋯⋯⋯⋯⋯⋯⋯⋯⋯⋯⋯⋯⋯⋯⋯⋯ Ⅱ

    引言 ⋯⋯⋯⋯⋯⋯⋯⋯⋯⋯⋯⋯⋯⋯⋯⋯⋯⋯⋯⋯⋯⋯⋯⋯⋯⋯⋯⋯⋯⋯⋯⋯⋯⋯⋯⋯⋯⋯⋯⋯Ⅲ

    1 范围 ⋯⋯⋯⋯⋯⋯⋯⋯⋯⋯⋯⋯⋯⋯⋯⋯⋯⋯⋯⋯⋯⋯⋯⋯⋯⋯⋯⋯⋯⋯⋯⋯⋯⋯⋯⋯⋯⋯ 1

    2 规范性引用文件⋯⋯⋯⋯⋯⋯⋯⋯⋯⋯⋯⋯⋯⋯⋯⋯⋯⋯⋯⋯⋯⋯⋯⋯⋯⋯⋯⋯⋯⋯⋯⋯⋯⋯ 1

    3 术语和定义 ⋯⋯⋯⋯⋯⋯⋯⋯⋯⋯⋯⋯⋯⋯⋯⋯⋯⋯⋯⋯⋯⋯⋯⋯⋯⋯⋯⋯⋯⋯⋯⋯⋯⋯⋯⋯ 1

    4 一般要求 ⋯⋯⋯⋯⋯⋯⋯⋯⋯⋯⋯⋯⋯⋯⋯⋯⋯⋯⋯⋯⋯⋯⋯⋯⋯⋯⋯⋯⋯⋯⋯⋯⋯⋯⋯⋯ 2

    5 检修前准备⋯⋯⋯⋯⋯⋯⋯⋯⋯⋯⋯⋯⋯⋯⋯⋯⋯⋯⋯⋯⋯⋯⋯⋯⋯⋯⋯⋯⋯⋯⋯⋯⋯⋯⋯⋯ 4

    6 清罐作业 ⋯⋯⋯⋯⋯⋯⋯⋯⋯⋯⋯⋯⋯⋯⋯⋯⋯⋯⋯⋯⋯⋯⋯⋯⋯⋯⋯⋯⋯⋯⋯⋯⋯⋯ 5

    7 本体及附属设施检修作业⋯⋯⋯⋯⋯⋯⋯⋯⋯⋯⋯⋯⋯⋯⋯⋯⋯⋯⋯⋯⋯⋯⋯⋯⋯⋯ 5

    8 内浮顶检修作业 ⋯⋯⋯⋯⋯⋯⋯⋯⋯⋯⋯⋯⋯⋯⋯⋯⋯⋯⋯⋯⋯⋯⋯⋯⋯⋯⋯⋯ 6 9 储罐检修验收及检查 ⋯⋯⋯⋯⋯⋯⋯⋯⋯⋯⋯⋯⋯⋯⋯⋯⋯⋯⋯⋯⋯⋯⋯⋯⋯⋯⋯⋯⋯ 8

    10 应急处置⋯⋯⋯⋯⋯⋯⋯⋯⋯⋯⋯⋯⋯⋯⋯⋯⋯⋯⋯⋯⋯⋯⋯⋯⋯⋯⋯⋯⋯⋯⋯⋯ 8

    附录 A(规范性)装配式全接液内浮顶罐浮箱拆除方式⋯⋯⋯⋯⋯⋯⋯⋯⋯⋯⋯⋯⋯⋯⋯⋯⋯ 9

    参考文献 ⋯⋯⋯⋯⋯.⋯⋯⋯⋯⋯⋯⋯⋯⋯⋯⋯⋯⋯⋯⋯⋯⋯⋯⋯⋯⋯⋯⋯⋯⋯⋯⋯⋯⋯⋯⋯ 10

    I

    AQ 3058—2023

    前 言

    本文件的全部技术内容为强制性。

    本文件按照GB/T 1.1-2020《标准化工作导则 第1部分:标准化文件的结构和起草规则》的规定

    起草。 请注意本文件的某些内容可能涉及专利。本文件的发布机构不承担识别专利的责任。

    本文件由中华人民共和国应急管理部提出,危险化学品安全监督管理一司业务管理、政策法规司统

    筹管理。

    本文件由全国安全生产标准化技术委员会化学品安全分技术委员会(TC 288/SC 3)技术归口及

    咨询。

    本文件主要起草单位:中国石油天然气股份有限公司独山子石化分公司、中国石油天然气股份有限

    公司、中国石油天然气股份有限公司炼油化工和新材料分公司、中国安全生产科学研究院、中国石化工

    程建设有限公司、上海作本化工科技有限公司。

    本文件主要起草人:何超、绪军、罗铭、王艳雄、张旭旭、李素勇、于国鹏、李世军、赵勇、洪胜、张啸、

    闫子健、葛安卡、车小军、宋宝宗、刘鹏。

    本文件为首次发布。

  • 2025年《化工安全》规范提高班--规范合集.pdf-图片4

    AQ 3058—2023

    前 言

    本文件的全部技术内容为强制性。

    本文件按照GB/T 1.1-2020《标准化工作导则 第1部分:标准化文件的结构和起草规则》的规定

    起草。 请注意本文件的某些内容可能涉及专利。本文件的发布机构不承担识别专利的责任。

    本文件由中华人民共和国应急管理部提出,危险化学品安全监督管理一司业务管理、政策法规司统

    筹管理。

    本文件由全国安全生产标准化技术委员会化学品安全分技术委员会(TC 288/SC 3)技术归口及

    咨询。

    本文件主要起草单位:中国石油天然气股份有限公司独山子石化分公司、中国石油天然气股份有限

    公司、中国石油天然气股份有限公司炼油化工和新材料分公司、中国安全生产科学研究院、中国石化工

    程建设有限公司、上海作本化工科技有限公司。

    本文件主要起草人:何超、绪军、罗铭、王艳雄、张旭旭、李素勇、于国鹏、李世军、赵勇、洪胜、张啸、

    闫子健、葛安卡、车小军、宋宝宗、刘鹏。

    本文件为首次发布。

    AQ 3058—2023

    引 言

    内浮顶储罐是在固定顶储罐内部增设浮顶而成,罐内增设浮顶可减少储存介质的挥发损耗,外部的

    拱顶又可以防止雨水、积雪及灰尘等进入罐内,保证罐内介质清洁。但是,内浮顶储罐较固定顶储罐和

    外浮顶储罐检修难度大、风险高,需要规范检修安全管理。

    本文件依据国家安全生产相关法规、标准的内容和要求,吸取事故教训,结合我国化工领域内浮顶

    储罐检修现状进行编写,旨在规范和指导内浮顶储罐检修工作,降低内浮顶储罐检修风险,从源头上预

    防和减少生产安全事故发生。

  • 2025年《化工安全》规范提高班--规范合集.pdf-图片5

    AQ 3058—2023

    引 言

    内浮顶储罐是在固定顶储罐内部增设浮顶而成,罐内增设浮顶可减少储存介质的挥发损耗,外部的

    拱顶又可以防止雨水、积雪及灰尘等进入罐内,保证罐内介质清洁。但是,内浮顶储罐较固定顶储罐和

    外浮顶储罐检修难度大、风险高,需要规范检修安全管理。

    本文件依据国家安全生产相关法规、标准的内容和要求,吸取事故教训,结合我国化工领域内浮顶

    储罐检修现状进行编写,旨在规范和指导内浮顶储罐检修工作,降低内浮顶储罐检修风险,从源头上预

    防和减少生产安全事故发生。

    AQ 3058—2023

    内浮顶储罐检修安全规范

    1 范围

    本文件规定了内浮顶储罐的清罐、浮顶、本体及附属设施检修作业、储罐检修验收及检查、应急管理

    的安全要求。

    本文件适用于危险化学品生产、经营(带储存)企业的内浮顶储罐检修作业,化工及医药企业参照

    执行。

    2 规范性引用文件

    下列文件中的内容通过文中的规范性引用而构成本文件必不可少的条款。其中,注日期的引用文

    件,仅该日期对应的版本适用于本文件;不注日期的引用文件,其最新版本(包括所有的修改单)适用于

    本文件。

    GB 30077 危险化学品单位应急救援物资配备要求

    GB 30871 危险化学品企业特殊作业安全规范

    GB 39800.1 个体防护装备配备规范 第1 部分:总则

    GB 39800.2 个体防护装备配备规范 第2 部分:石油、化工、天然气

    GB/T 50393 钢质石油储罐防腐蚀工程技术标准

    GB 55023 施工脚手架通用规范

    GBZ 2.1 工作场所有害因素职业接触限值 第1部分:化学有害因素

    GBZ/T 260 职业禁忌证界定导则

    AQ 3053 立式圆筒形钢制焊接储罐安全技术规程

    SY/T 5921—2017 立式圆筒形钢制焊接油罐操作维护修理规范

    3 术语和定义

    下列术语和定义适用于本文件。

    3.1 内浮顶储罐 internal floating roof tank

    在固定顶内设置有浮顶的储罐。

    3.2 浮筒式内浮顶 internal floating roof of pontoon type 由浮筒和处于浮筒上方的金属密封盘板组成的内浮顶。

    注:浮简式内浮顶由浮简提供浮力,金属密封盘板与液体不接触,根据浮简材质差别,包括铝制浮简式内浮顶和不

    锈钢制浮筒式内浮顶。

    3.3 单盘式内浮顶 single-deck internal floating roof

    浮顶周圈设环形密封浮舱,中间为单层密封盘板的内浮顶。

    注:单盘式内浮顶一般采用钢制焊接结构,为全接液接触设计结构。

    1

  • 2025年《化工安全》规范提高班--规范合集.pdf-图片6

    AQ 3058—2023

    内浮顶储罐检修安全规范

    1 范围

    本文件规定了内浮顶储罐的清罐、浮顶、本体及附属设施检修作业、储罐检修验收及检查、应急管理

    的安全要求。

    本文件适用于危险化学品生产、经营(带储存)企业的内浮顶储罐检修作业,化工及医药企业参照

    执行。

    2 规范性引用文件

    下列文件中的内容通过文中的规范性引用而构成本文件必不可少的条款。其中,注日期的引用文

    件,仅该日期对应的版本适用于本文件;不注日期的引用文件,其最新版本(包括所有的修改单)适用于

    本文件。

    GB 30077 危险化学品单位应急救援物资配备要求

    GB 30871 危险化学品企业特殊作业安全规范

    GB 39800.1 个体防护装备配备规范 第1 部分:总则

    GB 39800.2 个体防护装备配备规范 第2 部分:石油、化工、天然气

    GB/T 50393 钢质石油储罐防腐蚀工程技术标准

    GB 55023 施工脚手架通用规范

    GBZ 2.1 工作场所有害因素职业接触限值 第1部分:化学有害因素

    GBZ/T 260 职业禁忌证界定导则

    AQ 3053 立式圆筒形钢制焊接储罐安全技术规程

    SY/T 5921—2017 立式圆筒形钢制焊接油罐操作维护修理规范

    3 术语和定义

    下列术语和定义适用于本文件。

    3.1 内浮顶储罐 internal floating roof tank

    在固定顶内设置有浮顶的储罐。

    3.2 浮筒式内浮顶 internal floating roof of pontoon type 由浮筒和处于浮筒上方的金属密封盘板组成的内浮顶。

    注:浮简式内浮顶由浮简提供浮力,金属密封盘板与液体不接触,根据浮简材质差别,包括铝制浮简式内浮顶和不

    锈钢制浮筒式内浮顶。

    3.3 单盘式内浮顶 single-deck internal floating roof

    浮顶周圈设环形密封浮舱,中间为单层密封盘板的内浮顶。

    注:单盘式内浮顶一般采用钢制焊接结构,为全接液接触设计结构。

    1

    AQ 3058—2023

    3.4 双盘式内浮顶 double-deck internal floating roof

    整个内浮顶均由隔舱构成,且最外圈浮舱为密封浮舱的内浮顶。

    注:双盘式内浮顶一般采用钢制焊接结构,为全接液接触设计结构。

    3.5 装配式全接液内浮顶 assembly full-contact liquid internal floating roof

    由工厂预制的模块单元在现场装配而成或采用粘接工艺现场制作的全接液内浮顶。

    注:浮箱式内浮顶、金属蜂巢式内浮顶、整体加强模块式内浮顶和玻璃钢内浮顶属于装配式全接液内浮顶。

    3.6 浮箱式内浮顶 internal floating roof of full-contact buoyant box type

    由既提供浮力又连续覆盖储液表面的箱式浮力元件和加强梁构成的内浮顶。

    注:浮箱式内浮顶应符合全液面接触内浮顶的结构特征,浮力元件内部设有筋板加强件,材质一般为铝合金或不锈

    钢。

    3.7 整体加强模块式内浮顶 integral reinforcement module type internal floating roof

    由连续覆盖储液表面的内部有加强芯浮力元件的模块构成的内浮顶。

    注:整体加强模块式内浮顶应符合全液面接触内浮顶的结构特征,浮力模块内部布满起加强作用、相通的蜂巢芯等

    加强件,外部由不锈钢板箱体包覆密封,浮力模块内部设置的加强芯仅起结构加强作用,其加强芯单个腔体不

    具有气密性和液密性。

    3.8 金属蜂巢式内浮顶 metal honeycomb internal floating roof

    由连续覆盖储液表面的蜂巢芯浮力元件和加强梁构成的内浮顶。

    注:金属蜂巢式内浮顶应符合全液面接触内浮顶的结构特征,浮力元件由上下层壳体和蜂巢芯共同组成,上下层壳

    体和蜂巢芯构成大量密集连续且相互密闭的蜂巢浮力单元,每个蜂巢浮力单元都具有气密性和液密性,材质一

    般为铝合金或不锈钢。

    3.9 玻璃钢内浮顶 glass fiber reinforced plastic internal floating roof

    由连续覆盖液面的蜂巢芯浮力元件和加强件构成的内浮顶。

    注:应符合全液面接触内浮顶的结构特征,浮力元件由上下玻璃纤维加强树脂表面层和蜂巢芯组成,上下层壳体和

    蜂巢芯构成大量密集连续且相互密闭的蜂巢浮力单元,每个蜂巢浮力单元都具有气密性和液密性,材质为玻璃

    钢复合材料。

    4 一般要求

    4.1 从事内浮顶储罐检修作业的单位和人员资质应符合下列要求:

    a) 检修作业的单位应具有石油化工工程施工总承包资质;

    b) 特种作业、无损检测人员应持有相关资格证方可进行检修作业;

    c) 界定为GBZ/T 260中规定的职业禁忌症者不应参与相应作业;

    d) 作业人员应安全教育合格。

    4.2 作业人员个体防护应符合下列要求:

    a) 检修人员应正确选用个体防护用品,储罐内作业人员应穿防静电阻燃工作服、防静电防砸工

    作鞋,不应穿化纤等易产生静电的服装,不应使用化纤抹布等,个体防护应满足GB 39800.1

    和GB 39800.2的要求;

    b) 在内浮顶拆除过程中,存在易燃、易爆、有毒、有害介质泄漏风险时,应根据实际情况选取适用

    2

  • 2025年《化工安全》规范提高班--规范合集.pdf-图片7

    AQ 3058—2023

    3.4 双盘式内浮顶 double-deck internal floating roof

    整个内浮顶均由隔舱构成,且最外圈浮舱为密封浮舱的内浮顶。

    注:双盘式内浮顶一般采用钢制焊接结构,为全接液接触设计结构。

    3.5 装配式全接液内浮顶 assembly full-contact liquid internal floating roof

    由工厂预制的模块单元在现场装配而成或采用粘接工艺现场制作的全接液内浮顶。

    注:浮箱式内浮顶、金属蜂巢式内浮顶、整体加强模块式内浮顶和玻璃钢内浮顶属于装配式全接液内浮顶。

    3.6 浮箱式内浮顶 internal floating roof of full-contact buoyant box type

    由既提供浮力又连续覆盖储液表面的箱式浮力元件和加强梁构成的内浮顶。

    注:浮箱式内浮顶应符合全液面接触内浮顶的结构特征,浮力元件内部设有筋板加强件,材质一般为铝合金或不锈

    钢。

    3.7 整体加强模块式内浮顶 integral reinforcement module type internal floating roof

    由连续覆盖储液表面的内部有加强芯浮力元件的模块构成的内浮顶。

    注:整体加强模块式内浮顶应符合全液面接触内浮顶的结构特征,浮力模块内部布满起加强作用、相通的蜂巢芯等

    加强件,外部由不锈钢板箱体包覆密封,浮力模块内部设置的加强芯仅起结构加强作用,其加强芯单个腔体不

    具有气密性和液密性。

    3.8 金属蜂巢式内浮顶 metal honeycomb internal floating roof

    由连续覆盖储液表面的蜂巢芯浮力元件和加强梁构成的内浮顶。

    注:金属蜂巢式内浮顶应符合全液面接触内浮顶的结构特征,浮力元件由上下层壳体和蜂巢芯共同组成,上下层壳

    体和蜂巢芯构成大量密集连续且相互密闭的蜂巢浮力单元,每个蜂巢浮力单元都具有气密性和液密性,材质一

    般为铝合金或不锈钢。

    3.9 玻璃钢内浮顶 glass fiber reinforced plastic internal floating roof

    由连续覆盖液面的蜂巢芯浮力元件和加强件构成的内浮顶。

    注:应符合全液面接触内浮顶的结构特征,浮力元件由上下玻璃纤维加强树脂表面层和蜂巢芯组成,上下层壳体和

    蜂巢芯构成大量密集连续且相互密闭的蜂巢浮力单元,每个蜂巢浮力单元都具有气密性和液密性,材质为玻璃

    钢复合材料。

    4 一般要求

    4.1 从事内浮顶储罐检修作业的单位和人员资质应符合下列要求:

    a) 检修作业的单位应具有石油化工工程施工总承包资质;

    b) 特种作业、无损检测人员应持有相关资格证方可进行检修作业;

    c) 界定为GBZ/T 260中规定的职业禁忌症者不应参与相应作业;

    d) 作业人员应安全教育合格。

    4.2 作业人员个体防护应符合下列要求:

    a) 检修人员应正确选用个体防护用品,储罐内作业人员应穿防静电阻燃工作服、防静电防砸工

    作鞋,不应穿化纤等易产生静电的服装,不应使用化纤抹布等,个体防护应满足GB 39800.1

    和GB 39800.2的要求;

    b) 在内浮顶拆除过程中,存在易燃、易爆、有毒、有害介质泄漏风险时,应根据实际情况选取适用

    2

    AQ 3058—2023

    的呼吸防护用品、安全带、安全绳等个体防护装备,作业现场存放的防护装备应由专人保管,

    定期检查;

    c) 在储罐内作业时,应配备相应的防爆通信工具。

    4.3 作业过程中的人员管控应符合下列要求:

    a) 储罐经过置换且气体检测合格后方可进入储罐作业,作业过程中应使用便携式气体检测报警

    仪或移动式气体检测报警仪进行连续检测,当检测仪报警时,应立即停止作业并撤出储罐,当

    确认储罐内气体含量超标导致检测仪报警时,应重新对罐内进行通风置换或蒸煮,气体检测

    合格后,方可再次进罐作业;

    b) 进入储罐前,作业人员应使用静电消除器等方式消除人体静电;

    c) 严格控制储罐内作业人数,在进行拆除密封带、浮顶扎孔、涂装等有可能释放易燃、易爆、有

    毒、有害介质的罐内作业时,作业人员不应超过3人,其他情况不应超过9人;

    d) 储罐内作业人员应定时进行轮换,进出储罐时应做好人员、设备及工器具的登记、清点和核对

    工作;

    e) 高温天气或高温环境应采取防暑降温措施;

    f)在极端天气条件下,不应进行动火、受限空间、高处、吊装等危险作业;

    g)作业现场应避免垂直交叉作业,同一位置的浮顶上、下层不应同时作业。

    4.4 检修设备、工器具、照明及通信设施应符合下列要求:

    a) 应对检修设备、工器具进行检查和验收,合格后方可使用;

    b) 在储存易燃易爆介质的储罐进行作业时,应采用防爆工器具、照明设施和通信器材,进入储罐

    作业的防爆照明电压不应超过12 V;

    c) 电气设备应满足作业现场防爆等级要求,临时用电线路及设备应绝缘良好,临时用电设施应

    安装漏电保护器。

    4.5 罐内检修通风应符合下列要求:

    a) 应采用防爆风机进行强制通风;

    b)通风应采取上抽下进等方式,通凤前应打开人孔或通气孔,保证内浮顶上下空间形成对流通道;

    c)作业期间应连续进行通风,通风量应满足储罐气相空间换气量的需求,且不低于SY/T 5921—

    2017 附录B中B.2.7的要求;

    d)强制通风设备的电源处应悬挂警示告知牌以防止误断电。

    4.6 防硫铁化合物自燃应符合下列要求:

    a) 涉及硫铁化合物自燃风险时,应采用钝化法、隔离法、清洗法进行防控,首选钝化法;

    b) 涉及硫铁化合物自燃风险的储罐,罐内应持续保持湿润;

    c) 涉及硫铁化合物自燃风险且未进行钝化的储罐,在打开人孔、透光孔、呼吸阀等附件前罐内温

    度应控制在40℃以下,并对储罐采取氮气置换、注水等措施,以防止附件打开时储罐发生

    自燃;

    d) 清理的残渣应装袋或装桶并始终保持湿润,拆除的含油部件应及时移出罐区进行集中处置,

    防止自燃。

    4.7 气体检测分析要求及合格判定标准应符合下列规定。

    a) 气体检测分析要求如下:

    1) 作业前30 min内,应对储罐内气体进行取样、检测,氧含量、可燃气体浓度、有毒有害气体

    浓度分析合格后方可进入,超过30 min仍未进行作业时,应重新进行检测;

    2) 取样和检测工作应由经过培训合格的人员完成,检测仪器应完好并在校验有效期内;

    3) 取样时应停止任何气体吹扫操作;

    4) 取样应有代表性,容积较大的内浮顶储罐,应对其上、中、下(左、中、右)各部位进行气体

    3

  • 2025年《化工安全》规范提高班--规范合集.pdf-图片8

    AQ 3058—2023

    的呼吸防护用品、安全带、安全绳等个体防护装备,作业现场存放的防护装备应由专人保管,

    定期检查;

    c) 在储罐内作业时,应配备相应的防爆通信工具。

    4.3 作业过程中的人员管控应符合下列要求:

    a) 储罐经过置换且气体检测合格后方可进入储罐作业,作业过程中应使用便携式气体检测报警

    仪或移动式气体检测报警仪进行连续检测,当检测仪报警时,应立即停止作业并撤出储罐,当

    确认储罐内气体含量超标导致检测仪报警时,应重新对罐内进行通风置换或蒸煮,气体检测

    合格后,方可再次进罐作业;

    b) 进入储罐前,作业人员应使用静电消除器等方式消除人体静电;

    c) 严格控制储罐内作业人数,在进行拆除密封带、浮顶扎孔、涂装等有可能释放易燃、易爆、有

    毒、有害介质的罐内作业时,作业人员不应超过3人,其他情况不应超过9人;

    d) 储罐内作业人员应定时进行轮换,进出储罐时应做好人员、设备及工器具的登记、清点和核对

    工作;

    e) 高温天气或高温环境应采取防暑降温措施;

    f)在极端天气条件下,不应进行动火、受限空间、高处、吊装等危险作业;

    g)作业现场应避免垂直交叉作业,同一位置的浮顶上、下层不应同时作业。

    4.4 检修设备、工器具、照明及通信设施应符合下列要求:

    a) 应对检修设备、工器具进行检查和验收,合格后方可使用;

    b) 在储存易燃易爆介质的储罐进行作业时,应采用防爆工器具、照明设施和通信器材,进入储罐

    作业的防爆照明电压不应超过12 V;

    c) 电气设备应满足作业现场防爆等级要求,临时用电线路及设备应绝缘良好,临时用电设施应

    安装漏电保护器。

    4.5 罐内检修通风应符合下列要求:

    a) 应采用防爆风机进行强制通风;

    b)通风应采取上抽下进等方式,通凤前应打开人孔或通气孔,保证内浮顶上下空间形成对流通道;

    c)作业期间应连续进行通风,通风量应满足储罐气相空间换气量的需求,且不低于SY/T 5921—

    2017 附录B中B.2.7的要求;

    d)强制通风设备的电源处应悬挂警示告知牌以防止误断电。

    4.6 防硫铁化合物自燃应符合下列要求:

    a) 涉及硫铁化合物自燃风险时,应采用钝化法、隔离法、清洗法进行防控,首选钝化法;

    b) 涉及硫铁化合物自燃风险的储罐,罐内应持续保持湿润;

    c) 涉及硫铁化合物自燃风险且未进行钝化的储罐,在打开人孔、透光孔、呼吸阀等附件前罐内温

    度应控制在40℃以下,并对储罐采取氮气置换、注水等措施,以防止附件打开时储罐发生

    自燃;

    d) 清理的残渣应装袋或装桶并始终保持湿润,拆除的含油部件应及时移出罐区进行集中处置,

    防止自燃。

    4.7 气体检测分析要求及合格判定标准应符合下列规定。

    a) 气体检测分析要求如下:

    1) 作业前30 min内,应对储罐内气体进行取样、检测,氧含量、可燃气体浓度、有毒有害气体

    浓度分析合格后方可进入,超过30 min仍未进行作业时,应重新进行检测;

    2) 取样和检测工作应由经过培训合格的人员完成,检测仪器应完好并在校验有效期内;

    3) 取样时应停止任何气体吹扫操作;

    4) 取样应有代表性,容积较大的内浮顶储罐,应对其上、中、下(左、中、右)各部位进行气体

    3

    AQ 3058—2023

    检测分析,取样长杆应为防爆材质;

    5) 作业中断时间超过60 min及气体环境可能发生变化时,应重新进行气体检测;

    6) 进入内浮顶储罐作业,应至少携带两台便携式气体检测报警仪或移动式气体检测报警仪

    连续气体检测,每2 h记录一次,不应将报警仪放入衣服口袋内使用或关机;

    7) 储罐外壁或外部环境进行动火作业时,应在动火点10m范围内进行气体检测,并应检测

    储罐内气体含量,同时应满足GB 30871的相关要求。

    b) 气体检测分析合格判定标准如下:

    1) 氧浓度应保持在19.5??21体积分数);

    2) 在任何条件下,储罐内易燃、易爆气体或液体挥发物的浓度均应满足的条件为当爆炸下

    限≥4??,浓度≤0.5体积分数),当爆炸下限<4??,浓度≤0.2体积分数);

    3) 储罐内有毒有害物质浓度应符合GBZ 2.1的规定,硫化氢浓度小于10 mg/m2。

    4.8 其他要求如下:

    a) 内浮顶储罐检修应编制检修方案并审核批准;

    b) 检修作业应按照GB 30871 的要求办理安全作业票;

    c)检修作业内容、作业人员、作业设备、作业工序、工艺条件、作业环境等发生变更时,应履行变

    更程序,重新进行作业危害分析,核对风险管控措施,重新办理安全作业票;

    d)检修作业期间应设监护人,拆除含有残留物料的储罐浮顶及密封带作业时应安排消防车现场

    值守,无监护人或监护人不在现场时应停止作业;

    e) 检修停工期间,人孔应设置“受限空间禁止进入”安全警示标识并有防止人员误入的安全措施。

    5 检修前准备

    5.1 内浮顶储罐检修方案应包含但不限于以下内容:

    a) 检修目的;

    b) 检修内容;

    c)检修作业步骤及作业方法:

    d) 检修项目指挥和作业组织机构;

    e) 作业危害分析;

    f) 安全风险管控措施;

    g) 应急处置。 5.2 作业危害分析应包含但不限于以下内容:

    a) 浮箱(浮舱、浮筒)、密封囊带、采样管、切水器等处可能存在残留物料,泄漏后挥发形成爆炸性

    气体; b) 硫铁化合物自燃;

    c) 静电引起燃爆;

    d) 使用非防爆工具引起火灾爆炸;

    e) 内浮顶结构不稳固可能造成坍塌;

    f) 触电;

    g) 动火或拆装作业过程中火花引燃周围可燃物;

    h) 中毒、窒息;

    i) 高处坠落。

    5.3 作业开始前组织现场安全交底,应包含但不限于以下内容:

    a) 检修方案、主要安全技术措施、季节性施工措施;

    4

  • 2025年《化工安全》规范提高班--规范合集.pdf-图片9

    AQ 3058—2023

    检测分析,取样长杆应为防爆材质;

    5) 作业中断时间超过60 min及气体环境可能发生变化时,应重新进行气体检测;

    6) 进入内浮顶储罐作业,应至少携带两台便携式气体检测报警仪或移动式气体检测报警仪

    连续气体检测,每2 h记录一次,不应将报警仪放入衣服口袋内使用或关机;

    7) 储罐外壁或外部环境进行动火作业时,应在动火点10m范围内进行气体检测,并应检测

    储罐内气体含量,同时应满足GB 30871的相关要求。

    b) 气体检测分析合格判定标准如下:

    1) 氧浓度应保持在19.5??21体积分数);

    2) 在任何条件下,储罐内易燃、易爆气体或液体挥发物的浓度均应满足的条件为当爆炸下

    限≥4??,浓度≤0.5体积分数),当爆炸下限<4??,浓度≤0.2体积分数);

    3) 储罐内有毒有害物质浓度应符合GBZ 2.1的规定,硫化氢浓度小于10 mg/m2。

    4.8 其他要求如下:

    a) 内浮顶储罐检修应编制检修方案并审核批准;

    b) 检修作业应按照GB 30871 的要求办理安全作业票;

    c)检修作业内容、作业人员、作业设备、作业工序、工艺条件、作业环境等发生变更时,应履行变

    更程序,重新进行作业危害分析,核对风险管控措施,重新办理安全作业票;

    d)检修作业期间应设监护人,拆除含有残留物料的储罐浮顶及密封带作业时应安排消防车现场

    值守,无监护人或监护人不在现场时应停止作业;

    e) 检修停工期间,人孔应设置“受限空间禁止进入”安全警示标识并有防止人员误入的安全措施。

    5 检修前准备

    5.1 内浮顶储罐检修方案应包含但不限于以下内容:

    a) 检修目的;

    b) 检修内容;

    c)检修作业步骤及作业方法:

    d) 检修项目指挥和作业组织机构;

    e) 作业危害分析;

    f) 安全风险管控措施;

    g) 应急处置。 5.2 作业危害分析应包含但不限于以下内容:

    a) 浮箱(浮舱、浮筒)、密封囊带、采样管、切水器等处可能存在残留物料,泄漏后挥发形成爆炸性

    气体; b) 硫铁化合物自燃;

    c) 静电引起燃爆;

    d) 使用非防爆工具引起火灾爆炸;

    e) 内浮顶结构不稳固可能造成坍塌;

    f) 触电;

    g) 动火或拆装作业过程中火花引燃周围可燃物;

    h) 中毒、窒息;

    i) 高处坠落。

    5.3 作业开始前组织现场安全交底,应包含但不限于以下内容:

    a) 检修方案、主要安全技术措施、季节性施工措施;

    4

    AQ 3058—2023

    b) 作业现场存在的危险源,作业涉及危险化学品理化性质及危险特性,作业过程中可能存在的

    危险有害因素及采取的安全措施和应急措施;

    c) 作业现场环境,应急救援器材的位置及分布、应急疏散路线、采取的安全措施和应急措施等;

    d) 个体防护用品正确佩戴和使用方法;

    e) 作业许可的要求。

    5.4 检修前能量隔离要求如下:

    a) 与储罐连接的工艺、公用工程(氮气系统、水系统、蒸汽系统等)、罐顶油气收集等管道,应采取

    加装盲板或拆除一段管道,并在储罐管道侧加装盲板的方式进行隔离;

    b) 储罐的仪表电源、搅拌器等电气设备应断电隔离,上锁挂签;

    c)半固定消防泡沫系统应与储罐保持连通,确保紧急情况时储罐消防设施及时投用;

    d) 与储罐连接的固定泡沫系统应采取可靠隔离措施,防止发生消防泡沫系统与可燃介质互窜。

    6 清罐作业

    6.1 清罐作业基本要求如下:

    a)储罐清理应优先选择机械清罐方式,不具备条件的采用人工清罐方式;

    b) 罐底表面、罐内各管线管口、附件管口内介质应清理干净。

    6.2 清罐作业应辨识及管控的风险包含但不限于以下内容:

    a)火灾和爆炸(爆燃);

    b) 静电燃爆;

    c) 中毒、窒息;

    d) 触电; e) 滑跌、磕碰、撞伤、烫伤等。

    6.3 机械清罐的安全要求如下:

    a) 在罐内物料移送的过程中,当内浮顶和液面间出现气层时,应暂时停止移送,开始注入惰性气

    体保护;

    b)惰性气体应连续注入,氧气浓度达到8??处于上升倾向时,应增加注入量,氧气浓度处于下

    降倾向时,应减少注入量,氧气浓度应保持在8??下;

    c) 清洗设备应配备在线检测仪,能够连续动态监测罐内氧气浓度和可燃气体浓度;

    d) 清洗设备、电气设备、临时设置管线的连接部位应安装铜质接地线,其端部应连接在储罐接地

    线上,每个法兰连接口应采用铜制导线进行跨接。

    6.4 人工清罐的安全要求如下:

    a)清罐应采用水漂洗、蒸汽蒸煮进行清洗;

    b) 通过切水管道或人孔向罐内注入清水,水流应保持缓慢、不应呈喷射状态;

    c) 水漂洗应至罐底水面没有浮油为止;

    d) 采用蒸汽蒸煮时,应使用低压蒸汽,并应防止储罐冷却造成负压损坏设备;

    e) 内浮顶部件为橡胶纤维织物等不耐热材质时,不应长时间蒸煮,蒸煮温度不应高于 80℃,且

    不应超过储罐设计的最高工作温度。

    7 本体及附属设施检修作业

    7.1 本体检修主要包括以下内容:

    a) 内浮顶储罐本体的变形、泄漏以及板材严重减薄等缺陷的检修;

    5

  • 2025年《化工安全》规范提高班--规范合集.pdf-图片10

    AQ 3058—2023

    b) 作业现场存在的危险源,作业涉及危险化学品理化性质及危险特性,作业过程中可能存在的

    危险有害因素及采取的安全措施和应急措施;

    c) 作业现场环境,应急救援器材的位置及分布、应急疏散路线、采取的安全措施和应急措施等;

    d) 个体防护用品正确佩戴和使用方法;

    e) 作业许可的要求。

    5.4 检修前能量隔离要求如下:

    a) 与储罐连接的工艺、公用工程(氮气系统、水系统、蒸汽系统等)、罐顶油气收集等管道,应采取

    加装盲板或拆除一段管道,并在储罐管道侧加装盲板的方式进行隔离;

    b) 储罐的仪表电源、搅拌器等电气设备应断电隔离,上锁挂签;

    c)半固定消防泡沫系统应与储罐保持连通,确保紧急情况时储罐消防设施及时投用;

    d) 与储罐连接的固定泡沫系统应采取可靠隔离措施,防止发生消防泡沫系统与可燃介质互窜。

    6 清罐作业

    6.1 清罐作业基本要求如下:

    a)储罐清理应优先选择机械清罐方式,不具备条件的采用人工清罐方式;

    b) 罐底表面、罐内各管线管口、附件管口内介质应清理干净。

    6.2 清罐作业应辨识及管控的风险包含但不限于以下内容:

    a)火灾和爆炸(爆燃);

    b) 静电燃爆;

    c) 中毒、窒息;

    d) 触电; e) 滑跌、磕碰、撞伤、烫伤等。

    6.3 机械清罐的安全要求如下:

    a) 在罐内物料移送的过程中,当内浮顶和液面间出现气层时,应暂时停止移送,开始注入惰性气

    体保护;

    b)惰性气体应连续注入,氧气浓度达到8??处于上升倾向时,应增加注入量,氧气浓度处于下

    降倾向时,应减少注入量,氧气浓度应保持在8??下;

    c) 清洗设备应配备在线检测仪,能够连续动态监测罐内氧气浓度和可燃气体浓度;

    d) 清洗设备、电气设备、临时设置管线的连接部位应安装铜质接地线,其端部应连接在储罐接地

    线上,每个法兰连接口应采用铜制导线进行跨接。

    6.4 人工清罐的安全要求如下:

    a)清罐应采用水漂洗、蒸汽蒸煮进行清洗;

    b) 通过切水管道或人孔向罐内注入清水,水流应保持缓慢、不应呈喷射状态;

    c) 水漂洗应至罐底水面没有浮油为止;

    d) 采用蒸汽蒸煮时,应使用低压蒸汽,并应防止储罐冷却造成负压损坏设备;

    e) 内浮顶部件为橡胶纤维织物等不耐热材质时,不应长时间蒸煮,蒸煮温度不应高于 80℃,且

    不应超过储罐设计的最高工作温度。

    7 本体及附属设施检修作业

    7.1 本体检修主要包括以下内容:

    a) 内浮顶储罐本体的变形、泄漏以及板材严重减薄等缺陷的检修;

    5

    AQ 3058—2023

    b) 内浮顶储罐本体以及各接管连接焊缝的裂纹、气孔等缺陷的检修;

    c) 内浮顶储罐浮顶系统、密封系统及升降导向系统的检修;

    d) 内浮顶储罐的防腐;

    e) 内浮顶储罐与无损检测相关的作业。

    7.2 附属设施检修主要包括以下内容:

    a) 内浮顶储罐的搅拌器、加热器、采样器、喷嘴等内部附属设施的检查及检修;

    b) 内浮顶储罐仪表设施的检查及检修;

    c)内浮顶储罐基础缺陷的检测及处理;

    d) 内浮顶储罐本体内外部其他部件、零件的维护与检修。

    7.3 本体及附属设施检修应辨识及管控的风险包含但不限于以下内容:

    a) 火灾和爆炸(爆燃);

    b) 静电燃爆;

    c) 中毒、窒息;

    d) 物体打击、坍塌、高处坠落;

    e) 触电;

    f)起重伤害。

    7.4 本体及附件检修安全要求如下:

    a) 本体及附件检修前应检查确认能量隔离;

    b) 储罐顶板、底板、壁板拆除,预制组装、附件拆除安装作业过程应确认结构稳固,工序正确,执

    行 AQ 3053、SYT 5921—2017 要求;

    c)防腐应优先选用水性涂料或无溶剂涂料,使用的喷枪应进行等电位连接,防腐作业应单独实

    施,不应与其他作业交叉进行,执行GB/T 50393 要求;

    d) 作业现场脚手架的搭设和拆除,执行GB 55023 要求;

    e) 射线作业应在作业现场划定警戒区域,设专人警戒,现场设置警告标志。

    8 内浮顶检修作业

    8.1 内浮顶检修作业包括检查、拆除、安装等内容。

    8.2 内浮顶检修作业应辨识及管控的风险包含但不限于以下内容:

    a) 火灾和爆炸(爆燃);

    b) 静电燃爆;

    c) 中毒、窒息;

    d) 坍塌、物体打击;

    e) 触电;

    f) 高处坠落。

    8.3 内浮顶拆除检修基本要求如下:

    a) 检查内浮顶时,应将内浮顶外表面残留物料清理干净;

    b) 作业前,应评估内浮顶结构稳定性,采取防止浮顶失稳的保护措施,全接液内浮顶拆除前应联

    系制造商或同类产品的制造商共同评估;

    c) 应先拆除密封带,后拆除内浮顶。浮力单元应先进行罐内保护性拆除、再进行罐外破坏性拆

    除,最后拆除连接浮顶与罐顶的静电导出线;拆除过程应在浮顶上部作业,需要采用下部作业

    方式时,应制定风险消减措施;

    d) 人员进出通道应搭建固定支撑,其他区域固定支撑视现场情况确定;

    6

  • 2025年《化工安全》规范提高班--规范合集.pdf-图片11

    AQ 3058—2023

    b) 内浮顶储罐本体以及各接管连接焊缝的裂纹、气孔等缺陷的检修;

    c) 内浮顶储罐浮顶系统、密封系统及升降导向系统的检修;

    d) 内浮顶储罐的防腐;

    e) 内浮顶储罐与无损检测相关的作业。

    7.2 附属设施检修主要包括以下内容:

    a) 内浮顶储罐的搅拌器、加热器、采样器、喷嘴等内部附属设施的检查及检修;

    b) 内浮顶储罐仪表设施的检查及检修;

    c)内浮顶储罐基础缺陷的检测及处理;

    d) 内浮顶储罐本体内外部其他部件、零件的维护与检修。

    7.3 本体及附属设施检修应辨识及管控的风险包含但不限于以下内容:

    a) 火灾和爆炸(爆燃);

    b) 静电燃爆;

    c) 中毒、窒息;

    d) 物体打击、坍塌、高处坠落;

    e) 触电;

    f)起重伤害。

    7.4 本体及附件检修安全要求如下:

    a) 本体及附件检修前应检查确认能量隔离;

    b) 储罐顶板、底板、壁板拆除,预制组装、附件拆除安装作业过程应确认结构稳固,工序正确,执

    行 AQ 3053、SYT 5921—2017 要求;

    c)防腐应优先选用水性涂料或无溶剂涂料,使用的喷枪应进行等电位连接,防腐作业应单独实

    施,不应与其他作业交叉进行,执行GB/T 50393 要求;

    d) 作业现场脚手架的搭设和拆除,执行GB 55023 要求;

    e) 射线作业应在作业现场划定警戒区域,设专人警戒,现场设置警告标志。

    8 内浮顶检修作业

    8.1 内浮顶检修作业包括检查、拆除、安装等内容。

    8.2 内浮顶检修作业应辨识及管控的风险包含但不限于以下内容:

    a) 火灾和爆炸(爆燃);

    b) 静电燃爆;

    c) 中毒、窒息;

    d) 坍塌、物体打击;

    e) 触电;

    f) 高处坠落。

    8.3 内浮顶拆除检修基本要求如下:

    a) 检查内浮顶时,应将内浮顶外表面残留物料清理干净;

    b) 作业前,应评估内浮顶结构稳定性,采取防止浮顶失稳的保护措施,全接液内浮顶拆除前应联

    系制造商或同类产品的制造商共同评估;

    c) 应先拆除密封带,后拆除内浮顶。浮力单元应先进行罐内保护性拆除、再进行罐外破坏性拆

    除,最后拆除连接浮顶与罐顶的静电导出线;拆除过程应在浮顶上部作业,需要采用下部作业

    方式时,应制定风险消减措施;

    d) 人员进出通道应搭建固定支撑,其他区域固定支撑视现场情况确定;

    6

    AQ 3058—2023

    e) 拆除无坍塌风险内浮顶时,应在作业面内浮顶支腿处设置临时支撑工装;

    f) 拆除有坍塌风险内浮顶时,应在临时支撑工装保护下搭设固定支撑;

    g) 已坍塌无法复位的内浮顶或因结构原因无法按上述步骤拆除时,应组织风险评估,制定专项

    拆除方案;

    h) 内浮顶构件拆除转移过程中应防止拖、拽、刮、蹭,避免产生火花;

    i) 内浮顶安装作业,密封材料、密封带、浮筒等部件、材料应存放在固定区域,不应妨碍罐内外作

    业和堵塞救援疏散通道。

    8.4 密封带拆除应符合下列要求。

    a) 拆除前应对内浮顶上部及罐内壁喷水,保持内浮顶密封湿润。

    b)采用目视法、托举法检查密封胶圈,对存有积液、破损部位应做标记,视情况选择保护性或破

    坏性拆除。

    c) 保护性拆除要求:

    1) 应从内浮顶上部由人孔远端开始向人孔附近方向拆卸,依次将螺栓、压条、压板、弹性元

    件、密封胶带等部件拆除,拆除时应使用防爆工具;

    2) 拆除密封带海绵时,应防止海绵吸附的污油污染罐底,做好接油措施。

    d)上部刺穿方式:

    1) 标记的存有积液的密封胶圈下方应放置铝制或铜制的接油盒,并将接油盒与罐外油桶

    连接;

    2) 应在内浮顶上方采用连有接地线的铜撬棍等防爆工具从上向下刺穿含油密封;

    3)密封带刺穿后应重新强制通风或按照方案蒸煮、冲洗,处理干净,并气体检测分析合格。

    e)下部划破方式:

    1)在标记的存有积液密封带下方应放置铜制接油盒,并将接油盒与罐外油桶连接好;

    2) 作业人员应位于接油盒侧面,采用陶瓷刀等无火花刀具从下部划破含油密封带;

    3) 密封带划破后应重新强制通风或按照方案蒸煮、冲洗,处理干净,并气体检测分析合格。

    f)不能实现上部刺穿、下部划破两种方式进行罐内接油导流时,应直接在罐内采用带盖的防爆

    容器回收并运出罐外。

    g)含积液密封带清理干净后,应使用防爆扳手或螺栓破除器等防爆工具拆卸密封带压条螺栓,

    拆除密封带(包括密封袋内部海绵)的过程中罐底应注水。

    h) 拆除的密封带应及时搬运至罐外指定位置,采取通风、防雨、防渗、防晒措施。

    8.5 浮筒式内浮顶拆除应符合下列要求。

    a) 浮筒拆除要求:

    1) 作业人员应在罐底从边缘板连接处进行拆除,按照先拆四周后拆中间的顺序拆卸浮筒;

    2) 紧固件应使用防爆工具拆除,无法拆除的紧固件采取手工锯断或破除器的方法拆卸,手

    工锯断时用水冷却,防止摩擦发热;

    3) 拆下的浮筒应轻拿轻放,不应碰撞,不应堆放在罐内;

    4) 拆除的浮筒应及时搬运至罐外指定位置,采取通风、防雨、防渗、防晒等措施。

    b)浮筒试漏及维修要求:

    1) 应检查浮筒内部是否存有积液;

    2) 存有积液的浮筒,两侧应使用防爆工具开孔,将浮筒内物料排净,使用清水清洗、蒸汽处

    理干净;

    3) 浮筒气体检测合格后,应外送维修。

    c) 蒙皮、主梁、次梁、支腿和附件拆除要求:

    1) 作业人员应站在主梁骨架上,用防爆工具沿着次梁骨线将蒙皮分割成小块拆除,蒙皮拆

    7

  • 2025年《化工安全》规范提高班--规范合集.pdf-图片12

    AQ 3058—2023

    e) 拆除无坍塌风险内浮顶时,应在作业面内浮顶支腿处设置临时支撑工装;

    f) 拆除有坍塌风险内浮顶时,应在临时支撑工装保护下搭设固定支撑;

    g) 已坍塌无法复位的内浮顶或因结构原因无法按上述步骤拆除时,应组织风险评估,制定专项

    拆除方案;

    h) 内浮顶构件拆除转移过程中应防止拖、拽、刮、蹭,避免产生火花;

    i) 内浮顶安装作业,密封材料、密封带、浮筒等部件、材料应存放在固定区域,不应妨碍罐内外作

    业和堵塞救援疏散通道。

    8.4 密封带拆除应符合下列要求。

    a) 拆除前应对内浮顶上部及罐内壁喷水,保持内浮顶密封湿润。

    b)采用目视法、托举法检查密封胶圈,对存有积液、破损部位应做标记,视情况选择保护性或破

    坏性拆除。

    c) 保护性拆除要求:

    1) 应从内浮顶上部由人孔远端开始向人孔附近方向拆卸,依次将螺栓、压条、压板、弹性元

    件、密封胶带等部件拆除,拆除时应使用防爆工具;

    2) 拆除密封带海绵时,应防止海绵吸附的污油污染罐底,做好接油措施。

    d)上部刺穿方式:

    1) 标记的存有积液的密封胶圈下方应放置铝制或铜制的接油盒,并将接油盒与罐外油桶

    连接;

    2) 应在内浮顶上方采用连有接地线的铜撬棍等防爆工具从上向下刺穿含油密封;

    3)密封带刺穿后应重新强制通风或按照方案蒸煮、冲洗,处理干净,并气体检测分析合格。

    e)下部划破方式:

    1)在标记的存有积液密封带下方应放置铜制接油盒,并将接油盒与罐外油桶连接好;

    2) 作业人员应位于接油盒侧面,采用陶瓷刀等无火花刀具从下部划破含油密封带;

    3) 密封带划破后应重新强制通风或按照方案蒸煮、冲洗,处理干净,并气体检测分析合格。

    f)不能实现上部刺穿、下部划破两种方式进行罐内接油导流时,应直接在罐内采用带盖的防爆

    容器回收并运出罐外。

    g)含积液密封带清理干净后,应使用防爆扳手或螺栓破除器等防爆工具拆卸密封带压条螺栓,

    拆除密封带(包括密封袋内部海绵)的过程中罐底应注水。

    h) 拆除的密封带应及时搬运至罐外指定位置,采取通风、防雨、防渗、防晒措施。

    8.5 浮筒式内浮顶拆除应符合下列要求。

    a) 浮筒拆除要求:

    1) 作业人员应在罐底从边缘板连接处进行拆除,按照先拆四周后拆中间的顺序拆卸浮筒;

    2) 紧固件应使用防爆工具拆除,无法拆除的紧固件采取手工锯断或破除器的方法拆卸,手

    工锯断时用水冷却,防止摩擦发热;

    3) 拆下的浮筒应轻拿轻放,不应碰撞,不应堆放在罐内;

    4) 拆除的浮筒应及时搬运至罐外指定位置,采取通风、防雨、防渗、防晒等措施。

    b)浮筒试漏及维修要求:

    1) 应检查浮筒内部是否存有积液;

    2) 存有积液的浮筒,两侧应使用防爆工具开孔,将浮筒内物料排净,使用清水清洗、蒸汽处

    理干净;

    3) 浮筒气体检测合格后,应外送维修。

    c) 蒙皮、主梁、次梁、支腿和附件拆除要求:

    1) 作业人员应站在主梁骨架上,用防爆工具沿着次梁骨线将蒙皮分割成小块拆除,蒙皮拆

    7

    AQ 3058—2023

    除后卷团运出罐外;

    2) 作业人员应注意站位,用防爆工具依次拆除附件、次梁、主梁及支腿,及时运出罐外。

    d) 拆除梁及支腿要求:

    1) 应使用防爆工具拆卸梁和支腿的连接螺栓,依次拆除副梁、主梁、外圈梁、支腿等并及时

    移至罐外;

    2) 拆除支腿和连接梁的过程中,施工人员应随时观察剩余支腿和梁的稳固性,针对可能倒

    塌部位应搭设支撑架防止人员砸伤;

    3) 应在内浮顶拆除完成后,再拆除罐内支撑架。

    8.6 单、双盘内浮顶拆除应符合下列要求:

    a)拆除前如浮舱有漏点,密封、支腿处有存油,应注水漂洗、抽取残油,并进行人工清理;

    b)拆除浮舱时,应按上盖板、边缘板、隔板、下盖板及浮舱支腿的先后顺序进行施工;

    c) 拆除单、双盘内浮顶时,应按照同一方向进行切割。

    8.7 装配式有梁结构全接液内浮顶(包括浮箱式内浮顶、金属蜂巢式内浮顶等)拆除应符合下列要求:

    a) 浮力元件可单独拆除的有梁结构内浮顶,应先拆浮力元件再拆框架梁,从边缘到中心逐步拆

    除浮力元件和框架梁;

    b)浮力元件不可单独拆除的有梁结构内浮顶,需同步拆除浮箱和梁,应搭建支撑架,从边缘到中

    心逐步拆除浮力元件和框架梁;

    c)浮箱的拆除应采用拆除螺栓、浸水扎孔、直接扎孔三种方式(具体操作应符合附录 A的要求),

    优先选用罐内非扎孔方式,因内浮顶结构或浮箱含油较多等原因选择罐内扎孔作业方式时,

    应制定风险消减措施并严格落实。

    8.8 装配式无梁结构全接液内浮顶(包括整体加强模块式内浮顶、玻璃钢内浮顶等)拆除应符合下列

    要求:

    a) 根据故障状况制定方案,应搭设支撑架固定内浮顶以保持稳定;

    b)应使用防爆工具从边缘到中心逐步拆除浮力元件;

    c) 整体加强模块式内浮顶应采用防爆扳手拆除螺栓的方式进行拆除;

    d)玻璃钢内浮顶应组织评估和制定拆除方案,装配式全接液内浮顶罐浮箱拆除方式应符合附录

    A 的要求;

    e) 内浮顶拆除完毕方可拆除支撑架。

    9 储罐检修验收及检查

    9.1 储罐封闭前,应检查储罐内浮顶防旋转装置、静电导出线、浮顶支腿等内部件是否已全部安装复

    位,检修作业内容是否已全部完成并验收合格。

    9.2 储罐封闭前,应确认所有检修任务完成,材料、工器具等清理干净,无废弃物遗留在罐内。

    9.3 储罐封闭前应办理储罐封闭确认手续。

    9.4 储罐投用前,企业应组织安全审查及投用条件确认。

    10 应急处置

    10.1 作业单位应编制检修作业活动的应急预案或现场处置方案。

    10.2 检修现场设置应急紧急集合点,应按GB 30077 配备应急器材或物资,应急通道保持畅通。

    10.3 检修作业前,作业所在单位应组织作业人员开展应急演练。

    10.4 发生事故时,应立即按照应急预案进行应急处置。

    8

  • 2025年《化工安全》规范提高班--规范合集.pdf-图片13

    AQ 3058—2023

    除后卷团运出罐外;

    2) 作业人员应注意站位,用防爆工具依次拆除附件、次梁、主梁及支腿,及时运出罐外。

    d) 拆除梁及支腿要求:

    1) 应使用防爆工具拆卸梁和支腿的连接螺栓,依次拆除副梁、主梁、外圈梁、支腿等并及时

    移至罐外;

    2) 拆除支腿和连接梁的过程中,施工人员应随时观察剩余支腿和梁的稳固性,针对可能倒

    塌部位应搭设支撑架防止人员砸伤;

    3) 应在内浮顶拆除完成后,再拆除罐内支撑架。

    8.6 单、双盘内浮顶拆除应符合下列要求:

    a)拆除前如浮舱有漏点,密封、支腿处有存油,应注水漂洗、抽取残油,并进行人工清理;

    b)拆除浮舱时,应按上盖板、边缘板、隔板、下盖板及浮舱支腿的先后顺序进行施工;

    c) 拆除单、双盘内浮顶时,应按照同一方向进行切割。

    8.7 装配式有梁结构全接液内浮顶(包括浮箱式内浮顶、金属蜂巢式内浮顶等)拆除应符合下列要求:

    a) 浮力元件可单独拆除的有梁结构内浮顶,应先拆浮力元件再拆框架梁,从边缘到中心逐步拆

    除浮力元件和框架梁;

    b)浮力元件不可单独拆除的有梁结构内浮顶,需同步拆除浮箱和梁,应搭建支撑架,从边缘到中

    心逐步拆除浮力元件和框架梁;

    c)浮箱的拆除应采用拆除螺栓、浸水扎孔、直接扎孔三种方式(具体操作应符合附录 A的要求),

    优先选用罐内非扎孔方式,因内浮顶结构或浮箱含油较多等原因选择罐内扎孔作业方式时,

    应制定风险消减措施并严格落实。

    8.8 装配式无梁结构全接液内浮顶(包括整体加强模块式内浮顶、玻璃钢内浮顶等)拆除应符合下列

    要求:

    a) 根据故障状况制定方案,应搭设支撑架固定内浮顶以保持稳定;

    b)应使用防爆工具从边缘到中心逐步拆除浮力元件;

    c) 整体加强模块式内浮顶应采用防爆扳手拆除螺栓的方式进行拆除;

    d)玻璃钢内浮顶应组织评估和制定拆除方案,装配式全接液内浮顶罐浮箱拆除方式应符合附录

    A 的要求;

    e) 内浮顶拆除完毕方可拆除支撑架。

    9 储罐检修验收及检查

    9.1 储罐封闭前,应检查储罐内浮顶防旋转装置、静电导出线、浮顶支腿等内部件是否已全部安装复

    位,检修作业内容是否已全部完成并验收合格。

    9.2 储罐封闭前,应确认所有检修任务完成,材料、工器具等清理干净,无废弃物遗留在罐内。

    9.3 储罐封闭前应办理储罐封闭确认手续。

    9.4 储罐投用前,企业应组织安全审查及投用条件确认。

    10 应急处置

    10.1 作业单位应编制检修作业活动的应急预案或现场处置方案。

    10.2 检修现场设置应急紧急集合点,应按GB 30077 配备应急器材或物资,应急通道保持畅通。

    10.3 检修作业前,作业所在单位应组织作业人员开展应急演练。

    10.4 发生事故时,应立即按照应急预案进行应急处置。

    8

    AQ 3058—2023

    附 录 A

    (规范性) 装配式全接液内浮顶罐浮箱拆除方式

    A.1 拆除螺栓方式如下:

    a) 作业人员观察剩余箱体、支腿和梁的稳固性,针对可能倒塌部位搭设支撑架;

    b) 作业人员从内浮顶高位人孔处进入,使用无火花工具拆除浮箱的连接螺栓,保持罐底水浸润,

    内浮顶上下不应交叉作业。 A.2 浸水扎孔方式如下:

    a) 注水至稍浸没过内浮顶,作业人员在内浮顶上铺设木板通道,佩戴移动供气源呼吸器,由远端

    开始对浮箱用防爆工具从上到下进行贯穿式戳穿(防爆工具尾端应连接静电导线至罐外接

    地);

    b)沿浮箱长边中心线每隔约 300 mm 刺孔,穿孔直径不小于φ30 mm,保证每平方米不少于8个

    φ30 mm 穿透孔,确保每个蜂窝箱体内残油最大限度地排出;

    c) 刺穿过程中刺穿部位喷水保护,出现便携式报警器报警,人员立即撤出,重新对罐内污水

    置换;

    d) 全部浮箱完成扎孔后,作业人员立即撤出罐外,进行放水,并用清水冲洗罐壁及浮箱扎孔处, 再次工艺蒸煮合格后,从内浮顶高位人孔进入,在内浮顶上部,按照拆除方案规定顺序,使用

    无火花工具拆除浮箱连接螺栓;

    e) 因内浮顶结构原因或连接件故障变形无法拆除时,确认浮箱无残油时,用无火花工具拆除浮

    箱上下盖板。

    A.3 直接扎孔方式如下: a) 罐底注入少量水,没过罐底板最高处即可,作业人员从内浮顶高位人孔处佩戴移动供气源呼

    吸器,按照进罐由远端开始对浮箱用防爆工具从上到下进行贯穿式戳穿(防爆工具尾端应连

    接静电导线至罐外接地);

    b)后续拆除按照 A.2中的b)、c)、d)、e)步骤进行。

    9

  • 2025年《化工安全》规范提高班--规范合集.pdf-图片14

    AQ 3058—2023

    附 录 A

    (规范性) 装配式全接液内浮顶罐浮箱拆除方式

    A.1 拆除螺栓方式如下:

    a) 作业人员观察剩余箱体、支腿和梁的稳固性,针对可能倒塌部位搭设支撑架;

    b) 作业人员从内浮顶高位人孔处进入,使用无火花工具拆除浮箱的连接螺栓,保持罐底水浸润,

    内浮顶上下不应交叉作业。 A.2 浸水扎孔方式如下:

    a) 注水至稍浸没过内浮顶,作业人员在内浮顶上铺设木板通道,佩戴移动供气源呼吸器,由远端

    开始对浮箱用防爆工具从上到下进行贯穿式戳穿(防爆工具尾端应连接静电导线至罐外接

    地);

    b)沿浮箱长边中心线每隔约 300 mm 刺孔,穿孔直径不小于φ30 mm,保证每平方米不少于8个

    φ30 mm 穿透孔,确保每个蜂窝箱体内残油最大限度地排出;

    c) 刺穿过程中刺穿部位喷水保护,出现便携式报警器报警,人员立即撤出,重新对罐内污水

    置换;

    d) 全部浮箱完成扎孔后,作业人员立即撤出罐外,进行放水,并用清水冲洗罐壁及浮箱扎孔处, 再次工艺蒸煮合格后,从内浮顶高位人孔进入,在内浮顶上部,按照拆除方案规定顺序,使用

    无火花工具拆除浮箱连接螺栓;

    e) 因内浮顶结构原因或连接件故障变形无法拆除时,确认浮箱无残油时,用无火花工具拆除浮

    箱上下盖板。

    A.3 直接扎孔方式如下: a) 罐底注入少量水,没过罐底板最高处即可,作业人员从内浮顶高位人孔处佩戴移动供气源呼

    吸器,按照进罐由远端开始对浮箱用防爆工具从上到下进行贯穿式戳穿(防爆工具尾端应连

    接静电导线至罐外接地);

    b)后续拆除按照 A.2中的b)、c)、d)、e)步骤进行。

    9

    AQ 3058—2023

    参 考 文 献

    [1] GB/T 9445 无损检测 人员资格鉴定与认证

    [2]《特种作业人员安全技术培训考核管理规定》(原国家安全生产监督管理总局令第30号)

    [3]《特种设备作业人员监督管理办法》(原国家质量监督检验检疫总局令第70号)

    10

  • 2025年《化工安全》规范提高班--规范合集.pdf-图片15

    AQ 3058—2023

    参 考 文 献

    [1] GB/T 9445 无损检测 人员资格鉴定与认证

    [2]《特种作业人员安全技术培训考核管理规定》(原国家安全生产监督管理总局令第30号)

    [3]《特种设备作业人员监督管理办法》(原国家质量监督检验检疫总局令第70号)

    10

    !"#!"!#$$ ""#$%&

    中 华 人 民 共 和 国 国 家 标 准

    %&!'($"!#$## 代替%&!'($"!!))'

    危险化学品仓库储存通则

    %'(')*+),+'-./)01'1*2*)3/,-41'564*+-7*)'1/,-'-0/)*8'

    #$##9!#9#)发布 #$#"9$&9$!实施

    国 家 市 场 监 督 管 理 总 局 国 家 标 准 化 管 理 委 员 会

    发 布

  • 2025年《化工安全》规范提高班--规范合集.pdf-图片16

    !"#!"!#$$ ""#$%&

    中 华 人 民 共 和 国 国 家 标 准

    %&!'($"!#$## 代替%&!'($"!!))'

    危险化学品仓库储存通则

    %'(')*+),+'-./)01'1*2*)3/,-41'564*+-7*)'1/,-'-0/)*8'

    #$##9!#9#)发布 #$#"9$&9$!实施

    国 家 市 场 监 督 管 理 总 局 国 家 标 准 化 管 理 委 员 会

    发 布

    目!!次

    前言 !!!!!!!!!!!!!!!!!!!!!!!!!!!!!!!!!!!!!!!!!

    !!范围 !!!!!!!!!!!!!!!!!!!!!!!!!!!!!!!!!!!!!!!!

    "!规范性引用文件 !!!!!!!!!!!!!!!!!!!!!!!!!!!!!!!!!!!

    #!术语和定义 !!!!!!!!!!!!!!!!!!!!!!!!!!!!!!!!!!!!!

    $!基本要求 "!!!!!!!!!!!!!!!!!!!!!!!!!!!!!!!!!!!!!

    %!储存要求 "!!!!!!!!!!!!!!!!!!!!!!!!!!!!!!!!!!!!!

    &!装卸搬运与堆码 "!!!!!!!!!!!!!!!!!!!!!!!!!!!!!!!!!!

    '!入库作业 #!!!!!!!!!!!!!!!!!!!!!!!!!!!!!!!!!!!!!

    (!在库管理 #!!!!!!!!!!!!!!!!!!!!!!!!!!!!!!!!!!!!!

    )!出库作业 #!!!!!!!!!!!!!!!!!!!!!!!!!!!!!!!!!!!!!

    !*!个体防护 $!!!!!!!!!!!!!!!!!!!!!!!!!!!!!!!!!!!!!

    !!!安全管理 $!!!!!!!!!!!!!!!!!!!!!!!!!!!!!!!!!!!!!

    !"!人员与培训 $!!!!!!!!!!!!!!!!!!!!!!!!!!!!!!!!!!!!

    附录 + "规范性#!危险化学品储存配存 %!!!!!!!!!!!!!!!!!!!!!!!!!

    参考文献 '!!!!!!!!!!!!!!!!!!!!!!!!!!!!!!!!!!!!!!!

    !"!"#$%!&$&&

  • 2025年《化工安全》规范提高班--规范合集.pdf-图片17

    目!!次

    前言 !!!!!!!!!!!!!!!!!!!!!!!!!!!!!!!!!!!!!!!!!

    !!范围 !!!!!!!!!!!!!!!!!!!!!!!!!!!!!!!!!!!!!!!!

    "!规范性引用文件 !!!!!!!!!!!!!!!!!!!!!!!!!!!!!!!!!!!

    #!术语和定义 !!!!!!!!!!!!!!!!!!!!!!!!!!!!!!!!!!!!!

    $!基本要求 "!!!!!!!!!!!!!!!!!!!!!!!!!!!!!!!!!!!!!

    %!储存要求 "!!!!!!!!!!!!!!!!!!!!!!!!!!!!!!!!!!!!!

    &!装卸搬运与堆码 "!!!!!!!!!!!!!!!!!!!!!!!!!!!!!!!!!!

    '!入库作业 #!!!!!!!!!!!!!!!!!!!!!!!!!!!!!!!!!!!!!

    (!在库管理 #!!!!!!!!!!!!!!!!!!!!!!!!!!!!!!!!!!!!!

    )!出库作业 #!!!!!!!!!!!!!!!!!!!!!!!!!!!!!!!!!!!!!

    !*!个体防护 $!!!!!!!!!!!!!!!!!!!!!!!!!!!!!!!!!!!!!

    !!!安全管理 $!!!!!!!!!!!!!!!!!!!!!!!!!!!!!!!!!!!!!

    !"!人员与培训 $!!!!!!!!!!!!!!!!!!!!!!!!!!!!!!!!!!!!

    附录 + "规范性#!危险化学品储存配存 %!!!!!!!!!!!!!!!!!!!!!!!!!

    参考文献 '!!!!!!!!!!!!!!!!!!!!!!!!!!!!!!!!!!!!!!!

    !"!"#$%!&$&&

    前!!言

    !!本文件按照,-$.!/!%"*"*&标准化工作导则!第!部分'标准化文件的结构和起草规则(的规定

    起草) 本文件代替,-!%&*#%!))%&常用化学危险品贮存通则(*与,-!%&*#%!))%相比*除结构调整和

    编辑性改动外*主要技术变化如下' %%%更改了标准的适用范围"见第!章*!))%年版的第!章#+ %%%更改了术语和定义"见第#章*!))%年版的第#章 #+ %%%更改了储存设施要求"见$/!,%/"*!))%年版的第%章#+ %%%更改了安全设施要求"见$/!*!))%年版的第)章#+ %%%增加了危险化学品储存信息管理系统的要求"见$/",$/#,$/$#+ %%%删除了-露天堆放.的相关要求"见!))%年版的$/#,&/"#+ %%%删除了-平均单位面积贮存量.和-单一贮存区最大贮量.的要求"见!))%年版的&/"#+ %%%增加了数据单据保存时间要求"见$/#,'/',(/%,)/%#+ %%%增加了安全防护距离的要求"见%/&,%/',%/(*!))%年版的&/"#+ %%%增加了剧毒化学品,监控化学品,易制毒化学品,易制爆危险化学品的储存要求"见%/!*#+ %%%增加装卸搬运的要求"见&/!#+ %%%增加堆码的要求"见&/"#+ %%%更改了堆垛间距要求"见&/"/%*!))%年版的&/"#+ %%%更改了出入库作业的要求"见第'章,第)章*!))%年版的第(章#+ %%%更改了在库管理的要求"见第(章*!))%年版的第'章#+ %%%删除废弃物处理的要求"见!))%年版的第!*章#+ %%%更改了个人防护的要求"见第!*章*!))%年版的$/$,(/%#+ %%%增加了安全管理的要求"见!!章#+ %%%更改了人员培训的要求"见第!"章*!))%年版的第!!章#+ %%%更改了附录 +&危险化学品储存配存表("见附录 +*!))%年版的附录 +#+ %%%删除了&常用化学危险品的安全贮存(和&化学危险品品名汉语拼音索引("见!))%年版的附录

    -,附录0#) 请注意本文件的某些内容可能涉及专利)本文件的发布机构不承担识别专利的责任) 本文件由中华人民共和国应急管理部提出并归口) 本文件所代替文件的历次版本发布情况为' %%%!))%年首次发布为,-!%&*#%!))%+ %%%本次为第一次修订)

    !

    !"!"#$%!&$&&

  • 2025年《化工安全》规范提高班--规范合集.pdf-图片18

    前!!言

    !!本文件按照,-$.!/!%"*"*&标准化工作导则!第!部分'标准化文件的结构和起草规则(的规定

    起草) 本文件代替,-!%&*#%!))%&常用化学危险品贮存通则(*与,-!%&*#%!))%相比*除结构调整和

    编辑性改动外*主要技术变化如下' %%%更改了标准的适用范围"见第!章*!))%年版的第!章#+ %%%更改了术语和定义"见第#章*!))%年版的第#章 #+ %%%更改了储存设施要求"见$/!,%/"*!))%年版的第%章#+ %%%更改了安全设施要求"见$/!*!))%年版的第)章#+ %%%增加了危险化学品储存信息管理系统的要求"见$/",$/#,$/$#+ %%%删除了-露天堆放.的相关要求"见!))%年版的$/#,&/"#+ %%%删除了-平均单位面积贮存量.和-单一贮存区最大贮量.的要求"见!))%年版的&/"#+ %%%增加了数据单据保存时间要求"见$/#,'/',(/%,)/%#+ %%%增加了安全防护距离的要求"见%/&,%/',%/(*!))%年版的&/"#+ %%%增加了剧毒化学品,监控化学品,易制毒化学品,易制爆危险化学品的储存要求"见%/!*#+ %%%增加装卸搬运的要求"见&/!#+ %%%增加堆码的要求"见&/"#+ %%%更改了堆垛间距要求"见&/"/%*!))%年版的&/"#+ %%%更改了出入库作业的要求"见第'章,第)章*!))%年版的第(章#+ %%%更改了在库管理的要求"见第(章*!))%年版的第'章#+ %%%删除废弃物处理的要求"见!))%年版的第!*章#+ %%%更改了个人防护的要求"见第!*章*!))%年版的$/$,(/%#+ %%%增加了安全管理的要求"见!!章#+ %%%更改了人员培训的要求"见第!"章*!))%年版的第!!章#+ %%%更改了附录 +&危险化学品储存配存表("见附录 +*!))%年版的附录 +#+ %%%删除了&常用化学危险品的安全贮存(和&化学危险品品名汉语拼音索引("见!))%年版的附录

    -,附录0#) 请注意本文件的某些内容可能涉及专利)本文件的发布机构不承担识别专利的责任) 本文件由中华人民共和国应急管理部提出并归口) 本文件所代替文件的历次版本发布情况为' %%%!))%年首次发布为,-!%&*#%!))%+ %%%本次为第一次修订)

    !

    !"!"#$%!&$&&

    危险化学品仓库储存通则

    !!范围

    本文件规定了危险化学品仓库储存的基本要求,储存要求,装卸搬运与堆码,入库作业,在库管理, 出库作业,个体防护,安全管理,人员与培训等内容)

    本文件适用于危险化学品储存,经营企业的危险化学品仓库储存管理)

    &!规范性引用文件

    下列文件中的内容通过文中的规范性引用而构成本文件必不可少的条款)其中*注日期的引用文

    件*仅该日期对应的版本适用于本文件)不注日期的引用文件*其最新版本"包括所有的修改单#适用于

    本文件)

    ,-"()$!安全标志及其使用导则

    ,-!("&%!危险化学品经营企业安全技术基本要求

    ,-#**''!危险化学品单位应急救援物资配备要求

    ,-$.#$%"%!气瓶搬运,装卸,储存和使用安全规定

    ,-#)(**/!!个体防护装备配备规范!第!部分'总则

    ,-#)(**/"!个体防护装备配备规范!第"部分'石油,化工,天然气

    ,-%**!&!建筑设计防火规范

    +1#*$'!化学品作业场所安全警示标志规范

    %!术语和定义

    下列术语和定义适用于本文件)

    %/! 危险化学品仓库!#$%$&'()*+#,-.+$/*0$&,#()*, 储存危险化学品的专用库房及其附属设施) /来源',-!("&%%"*!)*#/!0

    %/& 禁忌物品!.1+(-2$3.4/,-$3,&.$/* 容易相互发生化学反应或灭火方法不同的物品)

    %/% 隔离储存!*,5&,5$3,'*3(&$5, 在同一房间或同一区域内*不同的物品之间分开一定的距离*非禁忌物品间用通道保持空间的储存

    方式)

    %/' 隔开储存!+)36(77*3(&$5, 在同一建筑或同一区域内*用隔板或墙*将不同禁忌物品分离开的储存方式)

    !

    !"!"#$%!&$&&

  • 2025年《化工安全》规范提高班--规范合集.pdf-图片19

    危险化学品仓库储存通则

    !!范围

    本文件规定了危险化学品仓库储存的基本要求,储存要求,装卸搬运与堆码,入库作业,在库管理, 出库作业,个体防护,安全管理,人员与培训等内容)

    本文件适用于危险化学品储存,经营企业的危险化学品仓库储存管理)

    &!规范性引用文件

    下列文件中的内容通过文中的规范性引用而构成本文件必不可少的条款)其中*注日期的引用文

    件*仅该日期对应的版本适用于本文件)不注日期的引用文件*其最新版本"包括所有的修改单#适用于

    本文件)

    ,-"()$!安全标志及其使用导则

    ,-!("&%!危险化学品经营企业安全技术基本要求

    ,-#**''!危险化学品单位应急救援物资配备要求

    ,-$.#$%"%!气瓶搬运,装卸,储存和使用安全规定

    ,-#)(**/!!个体防护装备配备规范!第!部分'总则

    ,-#)(**/"!个体防护装备配备规范!第"部分'石油,化工,天然气

    ,-%**!&!建筑设计防火规范

    +1#*$'!化学品作业场所安全警示标志规范

    %!术语和定义

    下列术语和定义适用于本文件)

    %/! 危险化学品仓库!#$%$&'()*+#,-.+$/*0$&,#()*, 储存危险化学品的专用库房及其附属设施) /来源',-!("&%%"*!)*#/!0

    %/& 禁忌物品!.1+(-2$3.4/,-$3,&.$/* 容易相互发生化学反应或灭火方法不同的物品)

    %/% 隔离储存!*,5&,5$3,'*3(&$5, 在同一房间或同一区域内*不同的物品之间分开一定的距离*非禁忌物品间用通道保持空间的储存

    方式)

    %/' 隔开储存!+)36(77*3(&$5, 在同一建筑或同一区域内*用隔板或墙*将不同禁忌物品分离开的储存方式)

    !

    !"!"#$%!&$&&

    %/" 分离储存!',3$+#,'*3(&$5, 在不同的建筑物或同一建筑不同房间的储存方式)

    '!基本要求

    '/!!危险化学品储存,经营企业的仓库规划选址,建设,安全设施*应符合 ,-%**!& ,,-!("&%的

    要求)

    '/&!应建立危险化学品储存信息管理系统*按照储存量大小进行分层次要求*实时记录作业基础数

    据*包括但不限于'

    2#!危险化学品出入库记录*包括但不限于'时间,品种,品名,数量+

    3#!识别化学品安全技术说明书中要求的灭火介质,应急,消防要求以及危险特性*理化性质*搬 运,储存注意事项和禁忌等*以及可能涉及安全相容矩阵表+

    4#!库存危险化学品品种,数量,库内分布,包装形式等信息+

    5#!库存危险化学品禁忌配存情况+

    6#!库存危险化学品安全和应急措施)

    '/%!危险化学品储存信息数据应进行异地实时备份*数据保存期限不少于!年)

    '/'!危险化学品信息系统应具有接入所在地相关监管部门业务信息系统的接口)

    "!储存要求

    "/!!危险化学品仓库应采用隔离储存,隔开储存,分离储存的方式对危险化学品进行储存)

    "/&!应选择符合危险化学品的特性,防火要求及化学品安全技术说明书中储存要求的仓储设施进行

    储存)

    "/%!应根据危险化学品仓库的设计和经营许可要求*严格控制危险化学品的储存品种,数量)

    "/'!危险化学品储存应满足危险化学品分类,包装,储存方式及消防要求)

    "/"!危险化学品的储存配存*应符合附录 +及其化学品安全技术说明书的要求)

    "/#!储存爆炸物的仓库*其外部安全防护距离以及物品存放应满足,-!("&%的要求)

    "/(!储存有毒气体或易燃气体*且其构成危险化学品重大危险源的仓库*其外部安全防护距离应满足

    ,-!("&%的要求)

    "/)!储存具有火灾危险性危险化学品的仓库*耐火等级,层数,面积及防火间距应符合 ,-%**!&的

    要求)

    "/*!剧毒化学品,易燃气体,氧化性气体,急性毒性气体,遇水放出易燃气体的物质和混合物,氯酸盐, 高锰酸盐,亚硝酸盐,过氧化钠,过氧化氢,溴素应分离储存)

    "/!$!剧毒化学品,监控化学品,易制毒化学品,易制爆危险化学品*应按规定将储存地点,储存数量,流 向及管理人员的情况报相关部门备案*剧毒化学品以及构成重大危险源的危险化学品*应在专用仓库内

    单独存放*并实行双人收发,双人保管制度)

    #!装卸搬运与堆码

    #/!!装卸搬运

    #/!/!!应按照化学品安全技术说明书及装卸要求进行作业)

    #/!/&!应做到轻拿轻放*不应拖拉,翻滚,撞击,摩擦,摔扔,挤压等) "

    !"!"#$%!&$&&

  • 2025年《化工安全》规范提高班--规范合集.pdf-图片20

    %/" 分离储存!',3$+#,'*3(&$5, 在不同的建筑物或同一建筑不同房间的储存方式)

    '!基本要求

    '/!!危险化学品储存,经营企业的仓库规划选址,建设,安全设施*应符合 ,-%**!& ,,-!("&%的

    要求)

    '/&!应建立危险化学品储存信息管理系统*按照储存量大小进行分层次要求*实时记录作业基础数

    据*包括但不限于'

    2#!危险化学品出入库记录*包括但不限于'时间,品种,品名,数量+

    3#!识别化学品安全技术说明书中要求的灭火介质,应急,消防要求以及危险特性*理化性质*搬 运,储存注意事项和禁忌等*以及可能涉及安全相容矩阵表+

    4#!库存危险化学品品种,数量,库内分布,包装形式等信息+

    5#!库存危险化学品禁忌配存情况+

    6#!库存危险化学品安全和应急措施)

    '/%!危险化学品储存信息数据应进行异地实时备份*数据保存期限不少于!年)

    '/'!危险化学品信息系统应具有接入所在地相关监管部门业务信息系统的接口)

    "!储存要求

    "/!!危险化学品仓库应采用隔离储存,隔开储存,分离储存的方式对危险化学品进行储存)

    "/&!应选择符合危险化学品的特性,防火要求及化学品安全技术说明书中储存要求的仓储设施进行

    储存)

    "/%!应根据危险化学品仓库的设计和经营许可要求*严格控制危险化学品的储存品种,数量)

    "/'!危险化学品储存应满足危险化学品分类,包装,储存方式及消防要求)

    "/"!危险化学品的储存配存*应符合附录 +及其化学品安全技术说明书的要求)

    "/#!储存爆炸物的仓库*其外部安全防护距离以及物品存放应满足,-!("&%的要求)

    "/(!储存有毒气体或易燃气体*且其构成危险化学品重大危险源的仓库*其外部安全防护距离应满足

    ,-!("&%的要求)

    "/)!储存具有火灾危险性危险化学品的仓库*耐火等级,层数,面积及防火间距应符合 ,-%**!&的

    要求)

    "/*!剧毒化学品,易燃气体,氧化性气体,急性毒性气体,遇水放出易燃气体的物质和混合物,氯酸盐, 高锰酸盐,亚硝酸盐,过氧化钠,过氧化氢,溴素应分离储存)

    "/!$!剧毒化学品,监控化学品,易制毒化学品,易制爆危险化学品*应按规定将储存地点,储存数量,流 向及管理人员的情况报相关部门备案*剧毒化学品以及构成重大危险源的危险化学品*应在专用仓库内

    单独存放*并实行双人收发,双人保管制度)

    #!装卸搬运与堆码

    #/!!装卸搬运

    #/!/!!应按照化学品安全技术说明书及装卸要求进行作业)

    #/!/&!应做到轻拿轻放*不应拖拉,翻滚,撞击,摩擦,摔扔,挤压等) "

    !"!"#$%!&$&&

    #/!/%!应使用防爆叉车搬运装卸爆炸物及其他易发生燃烧爆炸的危险化学品)

    #/!/'!气体钢瓶的装卸,搬运应符合,-$.#$%"%的有关规定)

    #/&!堆码

    #/&/!!危险化学品堆码应整齐,牢固,无倒置+不应遮挡消防设备,安全设施,安全标志和通道)

    #/&/&!除"**7及以上的钢桶,气体钢瓶外*其他包装的危险化学品不应直接与地面接触*垫底高度不

    小于!*48)

    #/&/%!堆码应符合包装标志要求+包装无堆码标志的危险化学品堆码高度应不超过#8"不含托盘等的

    高度#)

    #/&/'!采用货架存放时*应置于托盘上并采取固定措施)

    #/&/"!仓库堆垛间距应满足以下要求'

    2#!主通道大于或等于"**48 +

    3#!墙距大于或等于%*48+

    4#!柱距大于或等于#*48+

    5#!垛距大于或等于!**48"每个堆垛的面积不应大于!%*8"#+

    6#!灯距大于或等于%*48)

    (!入库作业

    (/!!入库前应做好储存位置,搬运工具,加固材料,防护装备,交接清单的准备)

    (/&!应对运输车辆"厢#,装载状况"含施封#进行检查)

    (/%!应对入库危险化学品的品名,规格,数量与入库信息或单据的一致性进行查验)

    (/'!入库物品的包装应完好*标志,安全标签应规范,清晰)

    (/"!入库物品应附有中文化学品安全技术说明书和安全标签)

    (/#!入库数量应以实际验收为准)

    (/(!验收完毕应作好记录并归档*单据保存期限不少于!年)

    )!在库管理

    )/!!应定期进行盘点*并记录)发现账货不符*应及时进行处理)

    )/&!应定期对物品堆码状态,包装及仓库进行检查*并记录)应对检查发现的问题及时进行处理)

    )/%!应根据储存的危险化学品特性和气候条件*确定每日观测库内温湿度次数*并记录)

    )/'!应根据储存的危险化学品特性*正确调节控制库内温湿度)

    )/"!盘点,检查,观测记录应保存不少于!年)

    *!出库作业

    */!!应在出库作业前*进行账货核对)

    */&!应核对出库单据的有效性)发现问题立即与相关方协调处理)

    */%!应查验提货车辆及驾驶,押运人员的资质*并记录)不符合要求的不应受理出库业务)

    */'!应做好出库前安全检查*确保包装及标签,标志正确完好*货物捆扎安全牢固)

    */"!出库单据保存期应不少于!年)

    #

    !"!"#$%!&$&&

  • 2025年《化工安全》规范提高班--规范合集.pdf-图片21

    #/!/%!应使用防爆叉车搬运装卸爆炸物及其他易发生燃烧爆炸的危险化学品)

    #/!/'!气体钢瓶的装卸,搬运应符合,-$.#$%"%的有关规定)

    #/&!堆码

    #/&/!!危险化学品堆码应整齐,牢固,无倒置+不应遮挡消防设备,安全设施,安全标志和通道)

    #/&/&!除"**7及以上的钢桶,气体钢瓶外*其他包装的危险化学品不应直接与地面接触*垫底高度不

    小于!*48)

    #/&/%!堆码应符合包装标志要求+包装无堆码标志的危险化学品堆码高度应不超过#8"不含托盘等的

    高度#)

    #/&/'!采用货架存放时*应置于托盘上并采取固定措施)

    #/&/"!仓库堆垛间距应满足以下要求'

    2#!主通道大于或等于"**48 +

    3#!墙距大于或等于%*48+

    4#!柱距大于或等于#*48+

    5#!垛距大于或等于!**48"每个堆垛的面积不应大于!%*8"#+

    6#!灯距大于或等于%*48)

    (!入库作业

    (/!!入库前应做好储存位置,搬运工具,加固材料,防护装备,交接清单的准备)

    (/&!应对运输车辆"厢#,装载状况"含施封#进行检查)

    (/%!应对入库危险化学品的品名,规格,数量与入库信息或单据的一致性进行查验)

    (/'!入库物品的包装应完好*标志,安全标签应规范,清晰)

    (/"!入库物品应附有中文化学品安全技术说明书和安全标签)

    (/#!入库数量应以实际验收为准)

    (/(!验收完毕应作好记录并归档*单据保存期限不少于!年)

    )!在库管理

    )/!!应定期进行盘点*并记录)发现账货不符*应及时进行处理)

    )/&!应定期对物品堆码状态,包装及仓库进行检查*并记录)应对检查发现的问题及时进行处理)

    )/%!应根据储存的危险化学品特性和气候条件*确定每日观测库内温湿度次数*并记录)

    )/'!应根据储存的危险化学品特性*正确调节控制库内温湿度)

    )/"!盘点,检查,观测记录应保存不少于!年)

    *!出库作业

    */!!应在出库作业前*进行账货核对)

    */&!应核对出库单据的有效性)发现问题立即与相关方协调处理)

    */%!应查验提货车辆及驾驶,押运人员的资质*并记录)不符合要求的不应受理出库业务)

    */'!应做好出库前安全检查*确保包装及标签,标志正确完好*货物捆扎安全牢固)

    */"!出库单据保存期应不少于!年)

    #

    !"!"#$%!&$&&

    !$!个体防护

    !$/!!危险化学品储存单位应建立完善的个体防护制度*应配置安全有效的个体防护装备*并符合

    ,-#)(**/!和,-#)(**/"的要求)

    !$/&!从业人员应经过专业防护知识培训*根据作业对象的危险特性应正确穿戴相应的防护装备作业)

    !!!安全管理

    !!/!!制度管理

    !!/!/!!应建立设施,设备,器具检查和维护制度以及仓储日常操作,控制指标等运行制度)

    !!/!/&!应与社区及周边企事业单位建立应急联动机制)

    !!/!/%!应建立风险评估制度*并定期进行风险评估)

    !!/!/'!应建立覆盖全员的应急响应程序*编制危险化学品事故应急预案*至少每半年进行一次演练)

    !!/&!库区安全

    !!/&/!!储存危险化学品的仓库和作业场所应设置明显的安全标志*并符合,-"()$,+1#*$'的规定)

    !!/&/&!库区内严禁吸烟和使用明火)

    !!/&/%!应对进入库区的人员进行登记及安全告知)

    !!/&/'!应对进入库区的车辆登记管理*并采取防火措施)

    !!/&/"!危险化学品仓库的应急救援物资配备*应符合,-#**''的要求)

    !!/%!作业安全

    !!/%/!!危险化学品储存作业前*应先对仓库通风)

    !!/%/&!进入储存爆炸物及其他对静电,火花敏感的危险化学品仓库时*应穿防静电工作服*不应穿钉

    鞋*应在进入仓库前消除人体静电+应使用具备防爆功能的通信工具*不应使用易产生静电和火花的作

    业机具)

    !!/%/%!储存仓库内禁止进行开桶,分装,改装作业)

    !!/%/'!不应在恶劣天气进行装卸作业)

    !&!人员与培训

    !&/!!应建立全员培训体系*对从业人员进行法规,标准,岗位技能,安全,个体防护,应急处置等培

    训*考核合格后上岗作业+对有资质要求的岗位*应配备依法取得相应资质的人员)

    !&/&!危险化学品仓库管理人员应具备危险化学品储存管理范围相关的安全知识和管理能力)

    !&/%!危险化学品仓库从业人员应能理解化学品安全技术说明书的内容并掌握风险防范措施*掌握岗

    位操作技能)

    $

    !"!"#$%!&$&&

  • 2025年《化工安全》规范提高班--规范合集.pdf-图片22

    !$!个体防护

    !$/!!危险化学品储存单位应建立完善的个体防护制度*应配置安全有效的个体防护装备*并符合

    ,-#)(**/!和,-#)(**/"的要求)

    !$/&!从业人员应经过专业防护知识培训*根据作业对象的危险特性应正确穿戴相应的防护装备作业)

    !!!安全管理

    !!/!!制度管理

    !!/!/!!应建立设施,设备,器具检查和维护制度以及仓储日常操作,控制指标等运行制度)

    !!/!/&!应与社区及周边企事业单位建立应急联动机制)

    !!/!/%!应建立风险评估制度*并定期进行风险评估)

    !!/!/'!应建立覆盖全员的应急响应程序*编制危险化学品事故应急预案*至少每半年进行一次演练)

    !!/&!库区安全

    !!/&/!!储存危险化学品的仓库和作业场所应设置明显的安全标志*并符合,-"()$,+1#*$'的规定)

    !!/&/&!库区内严禁吸烟和使用明火)

    !!/&/%!应对进入库区的人员进行登记及安全告知)

    !!/&/'!应对进入库区的车辆登记管理*并采取防火措施)

    !!/&/"!危险化学品仓库的应急救援物资配备*应符合,-#**''的要求)

    !!/%!作业安全

    !!/%/!!危险化学品储存作业前*应先对仓库通风)

    !!/%/&!进入储存爆炸物及其他对静电,火花敏感的危险化学品仓库时*应穿防静电工作服*不应穿钉

    鞋*应在进入仓库前消除人体静电+应使用具备防爆功能的通信工具*不应使用易产生静电和火花的作

    业机具)

    !!/%/%!储存仓库内禁止进行开桶,分装,改装作业)

    !!/%/'!不应在恶劣天气进行装卸作业)

    !&!人员与培训

    !&/!!应建立全员培训体系*对从业人员进行法规,标准,岗位技能,安全,个体防护,应急处置等培

    训*考核合格后上岗作业+对有资质要求的岗位*应配备依法取得相应资质的人员)

    !&/&!危险化学品仓库管理人员应具备危险化学品储存管理范围相关的安全知识和管理能力)

    !&/%!危险化学品仓库从业人员应能理解化学品安全技术说明书的内容并掌握风险防范措施*掌握岗

    位操作技能)

    $

    !"!"#$%!&$&&

    书书书

    附 ! 录

    ! !

    ! 规 范 性

    " 危 险 化 学 品 储 存 配 存

    危 险

    化 学

    品 储

    存 配

    存 应

    符 合

    表 ! "#

    的 要

    求 #

    表 ! "! ! 危 险 化 学 品 储 存 配 存 表

    化 学

    品 危

    险 和

    危 害

    种 类

    爆 炸 物

    易 燃

    气 体

    $

    气 溶

    氧 化

    气 体

    加 压

    气 体

    ! 不 燃

    "

    易 燃

    液 体

    易 燃

    固 体

    自 反

    物 质

    混 合

    自 燃

    液 体

    $

    固 体

    自 热

    物 质

    和 混

    合 物

    遇 水

    出 易

    气 体

    物 质

    混 合

    氧 化

    液 体

    $ 固 体

    无 机

    有 机

    有 机

    过 氧

    化 物

    金 属

    腐 蚀

    皮 肤

    腐 蚀 % 刺

    激 & 类

    别 #

    严 重

    眼 损

    伤 % 眼

    刺 激

    & 类 别

    #

    急 性

    毒 性

    酸 性

    无 机

    酸 性

    有 机

    碱 性

    无 机

    碱 性

    有 机

    剧 毒

    无 机

    剧 毒

    有 机

    其 他

    无 机

    其 他

    有 机

    爆 炸

    物 $

    易 燃

    气 体

    $ 气 溶

    胶 $

    "

    氧 化

    性 气

    体 $

    $ "

    加 压

    气 体

    ! 不 燃

    $ 非 助

    燃 "

    $ "

    " "

    易 燃

    液 体

    $ $

    $ $

    "

    易 燃

    固 体

    $ $

    $ $

    消 "

    自 反

    应 物

    质 和

    混 合

    物 $

    $ $

    $ $

    $ "

    自 燃

    液 体

    $ 自 燃

    固 体

    $ $

    $ $

    $ $

    $ "

    自 热

    物 质

    和 混

    合 物

    $ $

    $ $

    $ $

    $ $

    "

    遇 水

    放 出

    易 燃

    气 体

    物 质

    和 混

    合 物

    $ $

    $ $

    $ $

    $ $

    $ "

    氧 化

    性 液

    体 $ 固

    体 无

    有 机

    $ $

    $ $

    $ $

    分 消

    $ $

    $ $

    $ $

    $ $

    $ $

    $ $

    " $ "

    有 机

    过 氧

    化 物

    $ $

    $ $

    $ $

    $ $

    $ $

    $ $

    "

    %

    !"!"#$%!&$&&

  • 2025年《化工安全》规范提高班--规范合集.pdf-图片23

    书书书

    附 ! 录

    ! !

    ! 规 范 性

    " 危 险 化 学 品 储 存 配 存

    危 险

    化 学

    品 储

    存 配

    存 应

    符 合

    表 ! "#

    的 要

    求 #

    表 ! "! ! 危 险 化 学 品 储 存 配 存 表

    化 学

    品 危

    险 和

    危 害

    种 类

    爆 炸 物

    易 燃

    气 体

    $

    气 溶

    氧 化

    气 体

    加 压

    气 体

    ! 不 燃

    "

    易 燃

    液 体

    易 燃

    固 体

    自 反

    物 质

    混 合

    自 燃

    液 体

    $

    固 体

    自 热

    物 质

    和 混

    合 物

    遇 水

    出 易

    气 体

    物 质

    混 合

    氧 化

    液 体

    $ 固 体

    无 机

    有 机

    有 机

    过 氧

    化 物

    金 属

    腐 蚀

    皮 肤

    腐 蚀 % 刺

    激 & 类

    别 #

    严 重

    眼 损

    伤 % 眼

    刺 激

    & 类 别

    #

    急 性

    毒 性

    酸 性

    无 机

    酸 性

    有 机

    碱 性

    无 机

    碱 性

    有 机

    剧 毒

    无 机

    剧 毒

    有 机

    其 他

    无 机

    其 他

    有 机

    爆 炸

    物 $

    易 燃

    气 体

    $ 气 溶

    胶 $

    "

    氧 化

    性 气

    体 $

    $ "

    加 压

    气 体

    ! 不 燃

    $ 非 助

    燃 "

    $ "

    " "

    易 燃

    液 体

    $ $

    $ $

    "

    易 燃

    固 体

    $ $

    $ $

    消 "

    自 反

    应 物

    质 和

    混 合

    物 $

    $ $

    $ $

    $ "

    自 燃

    液 体

    $ 自 燃

    固 体

    $ $

    $ $

    $ $

    $ "

    自 热

    物 质

    和 混

    合 物

    $ $

    $ $

    $ $

    $ $

    "

    遇 水

    放 出

    易 燃

    气 体

    物 质

    和 混

    合 物

    $ $

    $ $

    $ $

    $ $

    $ "

    氧 化

    性 液

    体 $ 固

    体 无

    有 机

    $ $

    $ $

    $ $

    分 消

    $ $

    $ $

    $ $

    $ $

    $ $

    $ $

    " $ "

    有 机

    过 氧

    化 物

    $ $

    $ $

    $ $

    $ $

    $ $

    $ $

    "

    %

    !"!"#$%!&$&&

    书书书

    表 ! !! ! 危 险 化 学 品 储 存 配 存 表

    ! 续 "

    化 学

    品 危

    险 和

    危 害

    种 类

    爆 炸 物

    易 燃

    气 体

    #

    气 溶

    氧 化

    气 体

    加 压

    气 体

    ! 不 燃

    "

    易 燃

    液 体

    易 燃

    固 体

    自 反

    物 质

    混 合

    自 燃

    液 体

    #

    固 体

    自 热

    物 质

    和 混

    合 物

    遇 水

    出 易

    气 体

    物 质

    混 合

    氧 化

    液 体

    # 固 体

    无 机

    有 机

    有 机

    过 氧

    化 物

    金 属

    腐 蚀

    皮 肤

    腐 蚀 $ 刺

    激 % 类

    别 "

    严 重

    眼 损

    伤 $ 眼

    刺 激

    % 类 别

    "

    急 性

    毒 性

    酸 性

    无 机

    酸 性

    有 机

    碱 性

    无 机

    碱 性

    有 机

    剧 毒

    无 机

    剧 毒

    有 机

    其 他

    无 机

    其 他

    有 机

    金 属

    腐 蚀

    皮 肤

    腐 蚀 $ 刺

    激 % 类

    别 "

    严 重

    眼 损

    伤 $

    眼 刺

    激 % 类

    别 "

    酸 性

    无 机

    # #

    # #

    # #

    # #

    # #

    # #

    # "

    酸 性

    有 机

    # #

    # #

    消 #

    # #

    # #

    # #

    # #

    "

    碱 性

    无 机

    # #

    # 分

    消 分

    # #

    分 #

    分 消

    # #

    # "

    碱 性

    有 机

    # #

    # #

    消 消

    # #

    # #

    # #

    # #

    # "

    "

    急 性

    毒 性

    剧 毒

    无 机

    # #

    # #

    # #

    # #

    # #

    # #

    # #

    # #

    # "

    剧 毒

    有 机

    # #

    # #

    # #

    # #

    # #

    # #

    # #

    # #

    # "

    "

    其 他

    无 机

    # #

    # 分

    消 分

    # #

    分 #

    分 #

    # #

    # #

    # #

    # "

    其 他

    有 机

    # #

    # #

    分 消

    # #

    # #

    # #

    # #

    # #

    # #

    # "

    "

    ! !

    & " ' 框

    中 % 具

    体 化

    学 品

    能 否

    混 存

    % 参 考

    其 安

    全 技

    术 说

    明 书

    ( 混

    存 物

    品 % 堆

    垛 与

    堆 垛

    之 间

    % 应 留

    有 " $

    以 上

    的 距

    离 % 并

    要 求

    包 装

    容 器

    完 整

    % 不 使

    两 种

    物 品

    发 生

    接 触

    (

    & # ' 框

    中 % 除

    本 文

    件 % !&

    规 定

    外 % 应

    隔 开

    储 存

    (

    & 分 ' 框

    中 % 堆

    垛 与

    堆 垛

    之 间

    应 留

    有 '

    $ 以

    上 的

    距 离

    (

    & 消 ' 框

    中 % 禁

    忌 物

    应 隔

    开 储

    存 (

    当 危

    险 化

    学 品

    具 有

    两 种

    以 上

    危 险

    性 时

    % 应 按

    照 最

    严 格

    的 禁

    配 要

    求 进

    行 配

    存 (

    表 中

    未 涉

    及 的

    健 康

    危 害

    和 环

    境 危

    害 类

    别 % 具

    体 配

    存 要

    求 参

    见 其

    化 学

    品 安

    全 技

    术 说

    明 书

    (

    爆 炸

    物 具

    体 储

    存 要

    求 按

    照 ( )"

    *' +%

    执 行

    (

    注 ! ) & "

    ' 表 示

    原 则

    上 可

    以 混

    存 (

    注 " ) & #

    ' 表 示

    互 为

    禁 忌

    物 品

    (

    注 # ) & 分

    ' 指 按

    化 学

    品 的

    危 险

    性 分

    类 进

    行 隔

    离 储

    存 (

    注 $ ) & 消

    ' 指 两

    种 物

    品 性

    能 并

    不 相

    互 抵

    触 % 但

    消 防

    施 救

    方 法

    不 同

    (

    &

    !"!"#$%!&$&&

  • 2025年《化工安全》规范提高班--规范合集.pdf-图片24

    书书书

    表 ! !! ! 危 险 化 学 品 储 存 配 存 表

    ! 续 "

    化 学

    品 危

    险 和

    危 害

    种 类

    爆 炸 物

    易 燃

    气 体

    #

    气 溶

    氧 化

    气 体

    加 压

    气 体

    ! 不 燃

    "

    易 燃

    液 体

    易 燃

    固 体

    自 反

    物 质

    混 合

    自 燃

    液 体

    #

    固 体

    自 热

    物 质

    和 混

    合 物

    遇 水

    出 易

    气 体

    物 质

    混 合

    氧 化

    液 体

    # 固 体

    无 机

    有 机

    有 机

    过 氧

    化 物

    金 属

    腐 蚀

    皮 肤

    腐 蚀 $ 刺

    激 % 类

    别 "

    严 重

    眼 损

    伤 $ 眼

    刺 激

    % 类 别

    "

    急 性

    毒 性

    酸 性

    无 机

    酸 性

    有 机

    碱 性

    无 机

    碱 性

    有 机

    剧 毒

    无 机

    剧 毒

    有 机

    其 他

    无 机

    其 他

    有 机

    金 属

    腐 蚀

    皮 肤

    腐 蚀 $ 刺

    激 % 类

    别 "

    严 重

    眼 损

    伤 $

    眼 刺

    激 % 类

    别 "

    酸 性

    无 机

    # #

    # #

    # #

    # #

    # #

    # #

    # "

    酸 性

    有 机

    # #

    # #

    消 #

    # #

    # #

    # #

    # #

    "

    碱 性

    无 机

    # #

    # 分

    消 分

    # #

    分 #

    分 消

    # #

    # "

    碱 性

    有 机

    # #

    # #

    消 消

    # #

    # #

    # #

    # #

    # "

    "

    急 性

    毒 性

    剧 毒

    无 机

    # #

    # #

    # #

    # #

    # #

    # #

    # #

    # #

    # "

    剧 毒

    有 机

    # #

    # #

    # #

    # #

    # #

    # #

    # #

    # #

    # "

    "

    其 他

    无 机

    # #

    # 分

    消 分

    # #

    分 #

    分 #

    # #

    # #

    # #

    # "

    其 他

    有 机

    # #

    # #

    分 消

    # #

    # #

    # #

    # #

    # #

    # #

    # "

    "

    ! !

    & " ' 框

    中 % 具

    体 化

    学 品

    能 否

    混 存

    % 参 考

    其 安

    全 技

    术 说

    明 书

    ( 混

    存 物

    品 % 堆

    垛 与

    堆 垛

    之 间

    % 应 留

    有 " $

    以 上

    的 距

    离 % 并

    要 求

    包 装

    容 器

    完 整

    % 不 使

    两 种

    物 品

    发 生

    接 触

    (

    & # ' 框

    中 % 除

    本 文

    件 % !&

    规 定

    外 % 应

    隔 开

    储 存

    (

    & 分 ' 框

    中 % 堆

    垛 与

    堆 垛

    之 间

    应 留

    有 '

    $ 以

    上 的

    距 离

    (

    & 消 ' 框

    中 % 禁

    忌 物

    应 隔

    开 储

    存 (

    当 危

    险 化

    学 品

    具 有

    两 种

    以 上

    危 险

    性 时

    % 应 按

    照 最

    严 格

    的 禁

    配 要

    求 进

    行 配

    存 (

    表 中

    未 涉

    及 的

    健 康

    危 害

    和 环

    境 危

    害 类

    别 % 具

    体 配

    存 要

    求 参

    见 其

    化 学

    品 安

    全 技

    术 说

    明 书

    (

    爆 炸

    物 具

    体 储

    存 要

    求 按

    照 ( )"

    *' +%

    执 行

    (

    注 ! ) & "

    ' 表 示

    原 则

    上 可

    以 混

    存 (

    注 " ) & #

    ' 表 示

    互 为

    禁 忌

    物 品

    (

    注 # ) & 分

    ' 指 按

    化 学

    品 的

    危 险

    性 分

    类 进

    行 隔

    离 储

    存 (

    注 $ ) & 消

    ' 指 两

    种 物

    品 性

    能 并

    不 相

    互 抵

    触 % 但

    消 防

    施 救

    方 法

    不 同

    (

    &

    !"!"#$%!&$&&

    参!考!文!献

    /!0!,-!#&)*!化学品分类和危险性公示!通则

    /"0!,-$.!&$(#!化学品安全技术说明书!内容和项目顺序

    /#0!,-!')!$!易燃易爆性商品储存养护技术条件

    /$0!,-!')!%!腐蚀性商品储存养护技术条件

    /%0!,-!')!&!毒害性商品储存养护技术条件

    /&0!,-#****/"",-#****/")!化学品分类和标签规范

    /'0!9:!!#!!仓储场所消防安全管理通则

    /(0!中华人民共和国安全生产法

    /)0!危险化学品安全管理条例

    /!*0!危险化学品事故应急救援预案编制导则

    /!!0!易制毒化学品管理条例

    /!"0!生产安全事故应急预案管理办法

    /!#0!易制爆危险化学品治安管理办法

    /!$0!危险货物道路运输安全管理办法

    /!%0!危险化学品安全技术全书

    /!&0!危险化学品目录"*!%版#

    !"!"#$%!&$&&

  • 2025年《化工安全》规范提高班--规范合集.pdf-图片25

    参!考!文!献

    /!0!,-!#&)*!化学品分类和危险性公示!通则

    /"0!,-$.!&$(#!化学品安全技术说明书!内容和项目顺序

    /#0!,-!')!$!易燃易爆性商品储存养护技术条件

    /$0!,-!')!%!腐蚀性商品储存养护技术条件

    /%0!,-!')!&!毒害性商品储存养护技术条件

    /&0!,-#****/"",-#****/")!化学品分类和标签规范

    /'0!9:!!#!!仓储场所消防安全管理通则

    /(0!中华人民共和国安全生产法

    /)0!危险化学品安全管理条例

    /!*0!危险化学品事故应急救援预案编制导则

    /!!0!易制毒化学品管理条例

    /!"0!生产安全事故应急预案管理办法

    /!#0!易制爆危险化学品治安管理办法

    /!$0!危险货物道路运输安全管理办法

    /!%0!危险化学品安全技术全书

    /!&0!危险化学品目录"*!%版#

    !"!"#$%!&$&&

    犐犆犛13.300 犃80

    中 华 人 民 共 和 国 国 家 标 准

    犌犅18218—2018 代替GB18218—2009

    危险化学品重大危险源辨识

    犐犱犲狀狋犻犳犻犮犪狋犻狅狀狅犳犿犪犼狅狉犺犪狕犪狉犱犻狀狊狋犪犾犪狋犻狅狀狊犳狅狉犺犪狕犪狉犱狅狌狊犮犺犲犿犻犮犪犾狊

    20181119发布 20190301实施

    国 家 市 场 监 督 管 理 总 局 中国国家标准化管理委员会 发 布

  • 2025年《化工安全》规范提高班--规范合集.pdf-图片26

    犐犆犛13.300 犃80

    中 华 人 民 共 和 国 国 家 标 准

    犌犅18218—2018 代替GB18218—2009

    危险化学品重大危险源辨识

    犐犱犲狀狋犻犳犻犮犪狋犻狅狀狅犳犿犪犼狅狉犺犪狕犪狉犱犻狀狊狋犪犾犪狋犻狅狀狊犳狅狉犺犪狕犪狉犱狅狌狊犮犺犲犿犻犮犪犾狊

    20181119发布 20190301实施

    国 家 市 场 监 督 管 理 总 局 中国国家标准化管理委员会 发 布

    前  言

      本标准的全部技术内容为强制性。

    本标准按照GB/T1.1—2009给出的规则起草。

    本标准代替GB18218—2009《危险化学品重大危险源辨识》,与GB18218—2009相比,主要技术变

    化如下:

    ———适用范围中明确厂外运输不包括在辨识范围内[见第1章d),2009年版的第1章d)];

    ———修改了危险化学品、危险化学品重大危险源的定义(见3.1、3.4,2009年版的3.1、3.4);

    ———增加了混合物的定义(见3.7);

    ———修改了重大危险源分类,分为生产单元重大危险源和储存单元重大危险源(见4.1.1,2009年

    版的4.1.1);

    ———修改了危险化学品名称(见表1,2009年版的表1);

    ———修改了危险化学品分类方法(见4.1.2,2009年版的4.1.2);

    ———增加了危险化学品实际存在量的确定方式(见4.2.2);

    ———增加了对混合物的辨识要求(见4.2.3);

    ———增加了重大危险源的分级方法(见4.3)。

    本标准由中华人民共和国应急管理部提出并归口。

    本标准起草单位:中国安全生产科学研究院、中国石油化工股份有限公司青岛安全工程研究院。

    本标准主要起草人:魏利军、王如君、多英全、师立晨、张圣柱、于立见、罗艾民、杨春生、宋占兵、

    杨国梁、李运才、赵文芳、王家见。

    本标准所代替标准的历次版本发布情况为:

    ———GB18218—2000、GB18218—2009。

    犌犅18218—2018

  • 2025年《化工安全》规范提高班--规范合集.pdf-图片27

    前  言

      本标准的全部技术内容为强制性。

    本标准按照GB/T1.1—2009给出的规则起草。

    本标准代替GB18218—2009《危险化学品重大危险源辨识》,与GB18218—2009相比,主要技术变

    化如下:

    ———适用范围中明确厂外运输不包括在辨识范围内[见第1章d),2009年版的第1章d)];

    ———修改了危险化学品、危险化学品重大危险源的定义(见3.1、3.4,2009年版的3.1、3.4);

    ———增加了混合物的定义(见3.7);

    ———修改了重大危险源分类,分为生产单元重大危险源和储存单元重大危险源(见4.1.1,2009年

    版的4.1.1);

    ———修改了危险化学品名称(见表1,2009年版的表1);

    ———修改了危险化学品分类方法(见4.1.2,2009年版的4.1.2);

    ———增加了危险化学品实际存在量的确定方式(见4.2.2);

    ———增加了对混合物的辨识要求(见4.2.3);

    ———增加了重大危险源的分级方法(见4.3)。

    本标准由中华人民共和国应急管理部提出并归口。

    本标准起草单位:中国安全生产科学研究院、中国石油化工股份有限公司青岛安全工程研究院。

    本标准主要起草人:魏利军、王如君、多英全、师立晨、张圣柱、于立见、罗艾民、杨春生、宋占兵、

    杨国梁、李运才、赵文芳、王家见。

    本标准所代替标准的历次版本发布情况为:

    ———GB18218—2000、GB18218—2009。

    犌犅18218—2018

    危险化学品重大危险源辨识

    1 范围

    本标准规定了辨识危险化学品重大危险源的依据和方法。

    本标准适用于生产、储存、使用和经营危险化学品的生产经营单位。

    本标准不适用于:

    a) 核设施和加工放射性物质的工厂,但这些设施和工厂中处理非放射性物质的部门除外;

    b) 军事设施;

    c) 采矿业,但涉及危险化学品的加工工艺及储存活动除外;

    d) 危险化学品的厂外运输(包括铁路、道路、水路、航空、管道等运输方式);

    e) 海上石油天然气开采活动。

    2 规范性引用文件

    下列文件对于本文件的应用是必不可少的。凡是注日期的引用文件,仅注日期的版本适用于本文

    件。凡是不注日期的引用文件,其最新版本(包括所有的修改单)适用于本文件。

    GB30000.2 化学品分类和标签规范 第2部分:爆炸物

    GB30000.3 化学品分类和标签规范 第3部分:易燃气体

    GB30000.4 化学品分类和标签规范 第4部分:气溶胶

    GB30000.5 化学品分类和标签规范 第5部分:氧化性气体

    GB30000.7 化学品分类和标签规范 第7部分:易燃液体

    GB30000.8 化学品分类和标签规范 第8部分:易燃固体

    GB30000.9 化学品分类和标签规范 第9部分:自反应物质和混合物

    GB30000.10 化学品分类和标签规范 第10部分:自燃液体

    GB30000.11 化学品分类和标签规范 第11部分:自燃固体

    GB30000.12 化学品分类和标签规范 第12部分:自热物质和混合物

    GB30000.13 化学品分类和标签规范 第13部分:遇水放出易燃气体的物质和混合物

    GB30000.14 化学品分类和标签规范 第14部分:氧化性液体

    GB30000.15 化学品分类和标签规范 第15部分:氧化性固体

    GB30000.16 化学品分类和标签规范 第16部分:有机过氧化物

    GB30000.18 化学品分类和标签规范 第18部分:急性毒性

    3 术语和定义

    下列术语和定义适用于本文件。

    3.1

    危险化学品 犺犪狕犪狉犱狅狌狊犮犺犲犿犻犮犪犾狊

    具有毒害、腐蚀、爆炸、燃烧、助燃等性质,对人体、设施、环境具有危害的剧毒化学品和其他化

    学品。

    犌犅18218—2018

  • 2025年《化工安全》规范提高班--规范合集.pdf-图片28

    危险化学品重大危险源辨识

    1 范围

    本标准规定了辨识危险化学品重大危险源的依据和方法。

    本标准适用于生产、储存、使用和经营危险化学品的生产经营单位。

    本标准不适用于:

    a) 核设施和加工放射性物质的工厂,但这些设施和工厂中处理非放射性物质的部门除外;

    b) 军事设施;

    c) 采矿业,但涉及危险化学品的加工工艺及储存活动除外;

    d) 危险化学品的厂外运输(包括铁路、道路、水路、航空、管道等运输方式);

    e) 海上石油天然气开采活动。

    2 规范性引用文件

    下列文件对于本文件的应用是必不可少的。凡是注日期的引用文件,仅注日期的版本适用于本文

    件。凡是不注日期的引用文件,其最新版本(包括所有的修改单)适用于本文件。

    GB30000.2 化学品分类和标签规范 第2部分:爆炸物

    GB30000.3 化学品分类和标签规范 第3部分:易燃气体

    GB30000.4 化学品分类和标签规范 第4部分:气溶胶

    GB30000.5 化学品分类和标签规范 第5部分:氧化性气体

    GB30000.7 化学品分类和标签规范 第7部分:易燃液体

    GB30000.8 化学品分类和标签规范 第8部分:易燃固体

    GB30000.9 化学品分类和标签规范 第9部分:自反应物质和混合物

    GB30000.10 化学品分类和标签规范 第10部分:自燃液体

    GB30000.11 化学品分类和标签规范 第11部分:自燃固体

    GB30000.12 化学品分类和标签规范 第12部分:自热物质和混合物

    GB30000.13 化学品分类和标签规范 第13部分:遇水放出易燃气体的物质和混合物

    GB30000.14 化学品分类和标签规范 第14部分:氧化性液体

    GB30000.15 化学品分类和标签规范 第15部分:氧化性固体

    GB30000.16 化学品分类和标签规范 第16部分:有机过氧化物

    GB30000.18 化学品分类和标签规范 第18部分:急性毒性

    3 术语和定义

    下列术语和定义适用于本文件。

    3.1

    危险化学品 犺犪狕犪狉犱狅狌狊犮犺犲犿犻犮犪犾狊

    具有毒害、腐蚀、爆炸、燃烧、助燃等性质,对人体、设施、环境具有危害的剧毒化学品和其他化

    学品。

    犌犅18218—2018

    3.2

    单元 狌狀犻狋

    涉及危险化学品的生产、储存装置、设施或场所,分为生产单元和储存单元。

    3.3

    临界量 狋犺狉犲狊犺狅犾犱狇狌犪狀狋犻狋狔

    某种或某类危险化学品构成重大危险源所规定的最小数量。

    3.4

    危险化学品重大危险源 犿犪犼狅狉犺犪狕犪狉犱犻狀狊狋犪犾犪狋犻狅狀狊犳狅狉犺犪狕犪狉犱狅狌狊犮犺犲犿犻犮犪犾狊

    长期地或临时地生产、储存、使用和经营危险化学品,且危险化学品的数量等于或超过临界量的

    单元。

    3.5

    生产单元 狆狉狅犱狌犮狋犻狅狀狌狀犻狋

    危险化学品的生产、加工及使用等的装置及设施,当装置及设施之间有切断阀时,以切断阀作为分

    隔界限划分为独立的单元。

    3.6

    储存单元 狊狋狅狉犪犵犲狌狀犻狋

    用于储存危险化学品的储罐或仓库组成的相对独立的区域,储罐区以罐区防火堤为界限划分为独

    立的单元,仓库以独立库房(独立建筑物)为界限划分为独立的单元。

    3.7

    混合物 犿犻狓狋狌狉犲

    由两种或者多种物质组成的混合体或者溶液。

    4 危险化学品重大危险源辨识

    4.1 辨识依据

    4.1.1 危险化学品应依据其危险特性及其数量进行重大危险源辨识,具体见表1和表2。危险化学品

    的纯物质及其混合物应按GB30000.2、GB30000.3、GB30000.4、GB30000.5、GB30000.7、GB30000.8、

    GB30000.9、GB30000.10、GB30000.11、GB30000.12、GB30000.13、GB30000.14、GB30000.15、

    GB30000.16、GB30000.18的规定进行分类。危险化学品重大危险源可分为生产单元危险化学品重大

    危险源和储存单元危险化学品重大危险源。

    4.1.2 危险化学品临界量的确定方法如下:

    a) 在表1范围内的危险化学品,其临界量应按表1确定;

    b) 未在表1范围内的危险化学品,应依据其危险性,按表2确定其临界量;若一种危险化学品具

    有多种危险性,应按其中最低的临界量确定。

    表1 危险化学品名称及其临界量

    序号 危险化学品名称和说明 别名 CAS号 临界量/t

    1 氨 液氨;氨气 7664417 10

    2 二氟化氧 一氧化二氟 7783417 1

    3 二氧化氮 10102440 1

    4 二氧化硫 亚硫酸酐 7446095 20

    犌犅18218—2018

  • 2025年《化工安全》规范提高班--规范合集.pdf-图片29

    3.2

    单元 狌狀犻狋

    涉及危险化学品的生产、储存装置、设施或场所,分为生产单元和储存单元。

    3.3

    临界量 狋犺狉犲狊犺狅犾犱狇狌犪狀狋犻狋狔

    某种或某类危险化学品构成重大危险源所规定的最小数量。

    3.4

    危险化学品重大危险源 犿犪犼狅狉犺犪狕犪狉犱犻狀狊狋犪犾犪狋犻狅狀狊犳狅狉犺犪狕犪狉犱狅狌狊犮犺犲犿犻犮犪犾狊

    长期地或临时地生产、储存、使用和经营危险化学品,且危险化学品的数量等于或超过临界量的

    单元。

    3.5

    生产单元 狆狉狅犱狌犮狋犻狅狀狌狀犻狋

    危险化学品的生产、加工及使用等的装置及设施,当装置及设施之间有切断阀时,以切断阀作为分

    隔界限划分为独立的单元。

    3.6

    储存单元 狊狋狅狉犪犵犲狌狀犻狋

    用于储存危险化学品的储罐或仓库组成的相对独立的区域,储罐区以罐区防火堤为界限划分为独

    立的单元,仓库以独立库房(独立建筑物)为界限划分为独立的单元。

    3.7

    混合物 犿犻狓狋狌狉犲

    由两种或者多种物质组成的混合体或者溶液。

    4 危险化学品重大危险源辨识

    4.1 辨识依据

    4.1.1 危险化学品应依据其危险特性及其数量进行重大危险源辨识,具体见表1和表2。危险化学品

    的纯物质及其混合物应按GB30000.2、GB30000.3、GB30000.4、GB30000.5、GB30000.7、GB30000.8、

    GB30000.9、GB30000.10、GB30000.11、GB30000.12、GB30000.13、GB30000.14、GB30000.15、

    GB30000.16、GB30000.18的规定进行分类。危险化学品重大危险源可分为生产单元危险化学品重大

    危险源和储存单元危险化学品重大危险源。

    4.1.2 危险化学品临界量的确定方法如下:

    a) 在表1范围内的危险化学品,其临界量应按表1确定;

    b) 未在表1范围内的危险化学品,应依据其危险性,按表2确定其临界量;若一种危险化学品具

    有多种危险性,应按其中最低的临界量确定。

    表1 危险化学品名称及其临界量

    序号 危险化学品名称和说明 别名 CAS号 临界量/t

    1 氨 液氨;氨气 7664417 10

    2 二氟化氧 一氧化二氟 7783417 1

    3 二氧化氮 10102440 1

    4 二氧化硫 亚硫酸酐 7446095 20

    犌犅18218—2018

    表1(续)

    序号 危险化学品名称和说明 别名 CAS号 临界量/t

    5 氟 7782414 1

    6 碳酰氯 光气 75445 0.3

    7 环氧乙烷 氧化乙烯 75218 10

    8 甲醛(含量>90%) 蚁醛 50000 5

    9 磷化氢 磷化三氢;膦 7803512 1

    10 硫化氢 7783064 5

    11 氯化氢(无水) 7647010 20

    12 氯 液氯;氯气 7782505 5

    13 煤气(CO,CO和 H2、CH4 的混合物等) 20

    14 砷化氢 砷化三氢、胂 7784421 1

    15 锑化氢 三氢化锑;锑化三氢; 7803523 1

    16 硒化氢 7783075 1

    17 溴甲烷 甲基溴 74839 10

    18 丙酮氰醇 丙酮合氰化氢;

    2羟基异丁腈;氰丙醇 75865 20

    19 丙烯醛 烯丙醛;败脂醛 107028 20

    20 氟化氢 7664393 1

    21 1氯2,3环氧丙烷 环氧氯丙烷

    (3氯1,2环氧丙烷) 106898 20

    22 3溴1,2环氧丙烷 环氧溴丙烷;

    溴甲基环氧乙烷;表溴醇 3132647 20

    23 甲苯二异氰酸酯 二异氰酸甲苯酯;TDI 26471625 100

    24 一氯化硫 氯化硫 10025679 1

    25 氰化氢 无水氢氰酸 74908 1

    26 三氧化硫 硫酸酐 7446119 75

    27 3氨基丙烯 烯丙胺 107119 20

    28 溴 溴素 7726956 20

    29 乙撑亚胺 吖丙啶;1氮杂环丙烷;氮丙啶 151564 20

    30 异氰酸甲酯 甲基异氰酸酯 624839 0.75

    31 叠氮化钡 叠氮钡 18810587 0.5

    32 叠氮化铅 13424469 0.5

    33 雷汞 二雷酸汞;雷酸汞 628864 0.5

    34 三硝基苯甲醚 三硝基茴香醚 28653169 5

    35 2,4,6三硝基甲苯 梯恩梯;TNT 118967 5

    犌犅18218—2018

  • 2025年《化工安全》规范提高班--规范合集.pdf-图片30

    表1(续)

    序号 危险化学品名称和说明 别名 CAS号 临界量/t

    5 氟 7782414 1

    6 碳酰氯 光气 75445 0.3

    7 环氧乙烷 氧化乙烯 75218 10

    8 甲醛(含量>90%) 蚁醛 50000 5

    9 磷化氢 磷化三氢;膦 7803512 1

    10 硫化氢 7783064 5

    11 氯化氢(无水) 7647010 20

    12 氯 液氯;氯气 7782505 5

    13 煤气(CO,CO和 H2、CH4 的混合物等) 20

    14 砷化氢 砷化三氢、胂 7784421 1

    15 锑化氢 三氢化锑;锑化三氢; 7803523 1

    16 硒化氢 7783075 1

    17 溴甲烷 甲基溴 74839 10

    18 丙酮氰醇 丙酮合氰化氢;

    2羟基异丁腈;氰丙醇 75865 20

    19 丙烯醛 烯丙醛;败脂醛 107028 20

    20 氟化氢 7664393 1

    21 1氯2,3环氧丙烷 环氧氯丙烷

    (3氯1,2环氧丙烷) 106898 20

    22 3溴1,2环氧丙烷 环氧溴丙烷;

    溴甲基环氧乙烷;表溴醇 3132647 20

    23 甲苯二异氰酸酯 二异氰酸甲苯酯;TDI 26471625 100

    24 一氯化硫 氯化硫 10025679 1

    25 氰化氢 无水氢氰酸 74908 1

    26 三氧化硫 硫酸酐 7446119 75

    27 3氨基丙烯 烯丙胺 107119 20

    28 溴 溴素 7726956 20

    29 乙撑亚胺 吖丙啶;1氮杂环丙烷;氮丙啶 151564 20

    30 异氰酸甲酯 甲基异氰酸酯 624839 0.75

    31 叠氮化钡 叠氮钡 18810587 0.5

    32 叠氮化铅 13424469 0.5

    33 雷汞 二雷酸汞;雷酸汞 628864 0.5

    34 三硝基苯甲醚 三硝基茴香醚 28653169 5

    35 2,4,6三硝基甲苯 梯恩梯;TNT 118967 5

    犌犅18218—2018

    表1(续)

    序号 危险化学品名称和说明 别名 CAS号 临界量/t

    36 硝化甘油 硝化丙三醇;

    甘油三硝酸酯 55630 1

    37

    38

    39

    40

    41

    硝化纤维素[干的或含水(或乙醇)<25%]

    硝化纤维素(未改型的,

    或增塑的,含增塑剂<18%)

    硝化纤维素(含乙醇≥25%)

    硝化纤维素(含氮≤12.6%)

    硝化纤维素(含水≥25%)

    硝化棉 9004700

    10

    50

    50

    42 硝化纤维素溶液

    (含氮量≤12.6%,含硝化纤维素≤55%) 硝化棉溶液 9004700 50

    43

    硝酸铵(含可燃物>0.2%,

    包括以碳计算的任何有机物,

    但不包括任何其他添加剂)

    6484522 5

    44 硝酸铵(含可燃物≤0.2%) 6484522 50

    45 硝酸铵肥料(含可燃物≤0.4%) 200

    46 硝酸钾 7757791 1000

    47 1,3丁二烯 联乙烯 106990 5

    48 二甲醚 甲醚 115106 50

    49 甲烷,天然气 74828(甲烷)

    8006142(天然气) 50

    50 氯乙烯 乙烯基氯 75014 50

    51 氢 氢气 1333740 5

    52 液化石油气(含丙烷、丁烷及其混合物) 石油气(液化的)

    68476857

    74986(丙烷)

    106978(丁烷)

    50

    53 一甲胺 氨基甲烷;甲胺 74895 5

    54 乙炔 电石气 74862 1

    55 乙烯 74851 50

    56 氧(压缩的或液化的) 液氧;氧气 7782447 200

    57 苯 纯苯 71432 50

    58 苯乙烯 乙烯苯 100425 500

    59 丙酮 二甲基酮 67641 500

    60 2丙烯腈 丙烯腈;乙烯基氰;氰基乙烯 107131 50

    61 二硫化碳 75150 50

    62 环己烷 六氢化苯 110827 500

    63 1,2环氧丙烷 氧化丙烯;甲基环氧乙烷 75569 10

    犌犅18218—2018

  • 2025年《化工安全》规范提高班--规范合集.pdf-图片31

    表1(续)

    序号 危险化学品名称和说明 别名 CAS号 临界量/t

    36 硝化甘油 硝化丙三醇;

    甘油三硝酸酯 55630 1

    37

    38

    39

    40

    41

    硝化纤维素[干的或含水(或乙醇)<25%]

    硝化纤维素(未改型的,

    或增塑的,含增塑剂<18%)

    硝化纤维素(含乙醇≥25%)

    硝化纤维素(含氮≤12.6%)

    硝化纤维素(含水≥25%)

    硝化棉 9004700

    10

    50

    50

    42 硝化纤维素溶液

    (含氮量≤12.6%,含硝化纤维素≤55%) 硝化棉溶液 9004700 50

    43

    硝酸铵(含可燃物>0.2%,

    包括以碳计算的任何有机物,

    但不包括任何其他添加剂)

    6484522 5

    44 硝酸铵(含可燃物≤0.2%) 6484522 50

    45 硝酸铵肥料(含可燃物≤0.4%) 200

    46 硝酸钾 7757791 1000

    47 1,3丁二烯 联乙烯 106990 5

    48 二甲醚 甲醚 115106 50

    49 甲烷,天然气 74828(甲烷)

    8006142(天然气) 50

    50 氯乙烯 乙烯基氯 75014 50

    51 氢 氢气 1333740 5

    52 液化石油气(含丙烷、丁烷及其混合物) 石油气(液化的)

    68476857

    74986(丙烷)

    106978(丁烷)

    50

    53 一甲胺 氨基甲烷;甲胺 74895 5

    54 乙炔 电石气 74862 1

    55 乙烯 74851 50

    56 氧(压缩的或液化的) 液氧;氧气 7782447 200

    57 苯 纯苯 71432 50

    58 苯乙烯 乙烯苯 100425 500

    59 丙酮 二甲基酮 67641 500

    60 2丙烯腈 丙烯腈;乙烯基氰;氰基乙烯 107131 50

    61 二硫化碳 75150 50

    62 环己烷 六氢化苯 110827 500

    63 1,2环氧丙烷 氧化丙烯;甲基环氧乙烷 75569 10

    犌犅18218—2018

    表1(续)

    序号 危险化学品名称和说明 别名 CAS号 临界量/t

    64 甲苯 甲基苯;苯基甲烷 108883 500

    65 甲醇 木醇;木精 67561 500

    66 汽油(乙醇汽油、甲醇汽油) 86290815(汽油) 200

    67 乙醇 酒精 64175 500

    68 乙醚 二乙基醚 60297 10

    69 乙酸乙酯 醋酸乙酯 141786 500

    70 正己烷 己烷 110543 500

    71 过乙酸 过醋酸;过氧乙酸;乙酰过氧化氢 79210 10

    72

    过氧化甲基乙基酮

    (10%<有效氧含量≤10.7%,

    含A型稀释剂≥48%)

    1338234 10

    73 白磷 黄磷 12185103 50

    74 烷基铝 三烷基铝 1

    75 戊硼烷 五硼烷 19624227 1

    76 过氧化钾 17014710 20

    77 过氧化钠 双氧化钠;二氧化钠 1313606 20

    78 氯酸钾 3811049 100

    79 氯酸钠 7775099 100

    80 发烟硝酸 52583423 20

    81 硝酸(发红烟的除外,含硝酸>70%) 7697372 100

    82 硝酸胍 硝酸亚氨脲 506934 50

    83 碳化钙 电石 75207 100

    84 钾 金属钾 7440097 1

    85 钠 金属钠 7440235 10

    表2 未在表1中列举的危险化学品类别及其临界量

    类别 符号 危险性分类及说明 临界量/t

    健康危害 J

    (健康危害性符号) — —

    急性毒性

    J1 类别1,所有暴露途径,气体 5

    J2 类别1,所有暴露途径,固体、液体 50

    J3 类别2、类别3,所有暴露途径,气体 50

    J4 类别2、类别3,吸入途径,液体(沸点≤35℃) 50

    J5 类别2,所有暴露途径,液体(除J4外)、固体 500

    犌犅18218—2018

  • 2025年《化工安全》规范提高班--规范合集.pdf-图片32

    表1(续)

    序号 危险化学品名称和说明 别名 CAS号 临界量/t

    64 甲苯 甲基苯;苯基甲烷 108883 500

    65 甲醇 木醇;木精 67561 500

    66 汽油(乙醇汽油、甲醇汽油) 86290815(汽油) 200

    67 乙醇 酒精 64175 500

    68 乙醚 二乙基醚 60297 10

    69 乙酸乙酯 醋酸乙酯 141786 500

    70 正己烷 己烷 110543 500

    71 过乙酸 过醋酸;过氧乙酸;乙酰过氧化氢 79210 10

    72

    过氧化甲基乙基酮

    (10%<有效氧含量≤10.7%,

    含A型稀释剂≥48%)

    1338234 10

    73 白磷 黄磷 12185103 50

    74 烷基铝 三烷基铝 1

    75 戊硼烷 五硼烷 19624227 1

    76 过氧化钾 17014710 20

    77 过氧化钠 双氧化钠;二氧化钠 1313606 20

    78 氯酸钾 3811049 100

    79 氯酸钠 7775099 100

    80 发烟硝酸 52583423 20

    81 硝酸(发红烟的除外,含硝酸>70%) 7697372 100

    82 硝酸胍 硝酸亚氨脲 506934 50

    83 碳化钙 电石 75207 100

    84 钾 金属钾 7440097 1

    85 钠 金属钠 7440235 10

    表2 未在表1中列举的危险化学品类别及其临界量

    类别 符号 危险性分类及说明 临界量/t

    健康危害 J

    (健康危害性符号) — —

    急性毒性

    J1 类别1,所有暴露途径,气体 5

    J2 类别1,所有暴露途径,固体、液体 50

    J3 类别2、类别3,所有暴露途径,气体 50

    J4 类别2、类别3,吸入途径,液体(沸点≤35℃) 50

    J5 类别2,所有暴露途径,液体(除J4外)、固体 500

    犌犅18218—2018

    表2(续)

    类别 符号 危险性分类及说明 临界量/t

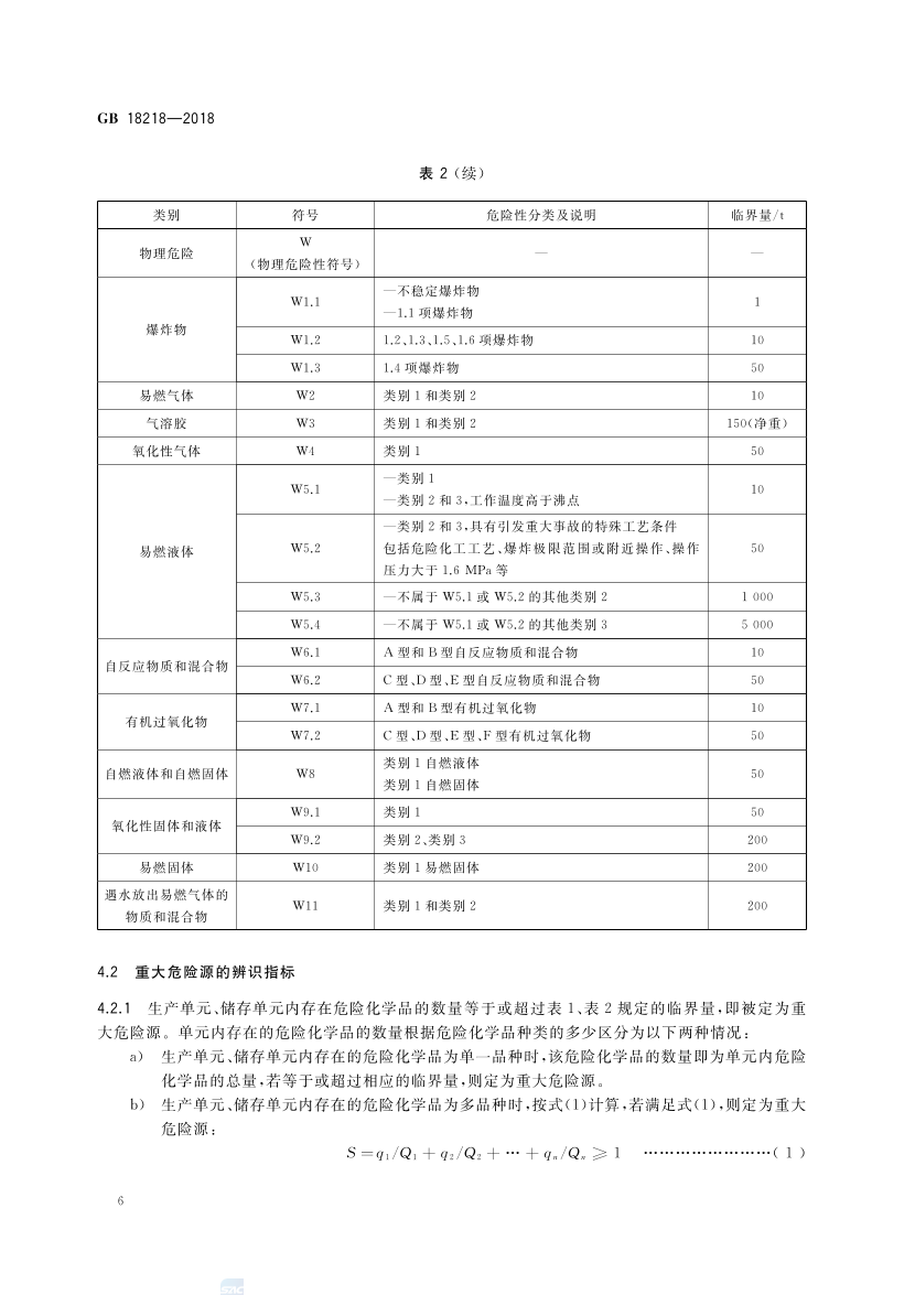
    物理危险 W

    (物理危险性符号) — —

    爆炸物

    W1.1 —不稳定爆炸物

    —1.1项爆炸物 1

    W1.2 1.2、1.3、1.5、1.6项爆炸物 10

    W1.3 1.4项爆炸物 50

    易燃气体 W2 类别1和类别2 10

    气溶胶 W3 类别1和类别2 150(净重)

    氧化性气体 W4 类别1 50

    易燃液体

    W5.1 —类别1

    —类别2和3,工作温度高于沸点 10

    W5.2

    —类别2和3,具有引发重大事故的特殊工艺条件

    包括危险化工工艺、爆炸极限范围或附近操作、操作

    压力大于1.6MPa等

    50

    W5.3 —不属于 W5.1或 W5.2的其他类别2 1000

    W5.4 —不属于 W5.1或 W5.2的其他类别3 5000

    自反应物质和混合物 W6.1 A型和B型自反应物质和混合物 10

    W6.2 C型、D型、E型自反应物质和混合物 50

    有机过氧化物 W7.1 A型和B型有机过氧化物 10

    W7.2 C型、D型、E型、F型有机过氧化物 50

    自燃液体和自燃固体 W8 类别1自燃液体

    类别1自燃固体 50

    氧化性固体和液体 W9.1 类别1 50

    W9.2 类别2、类别3 200

    易燃固体 W10 类别1易燃固体 200

    遇水放出易燃气体的

    物质和混合物 W11 类别1和类别2 200

    4.2 重大危险源的辨识指标

    4.2.1 生产单元、储存单元内存在危险化学品的数量等于或超过表1、表2规定的临界量,即被定为重

    大危险源。单元内存在的危险化学品的数量根据危险化学品种类的多少区分为以下两种情况:

    a) 生产单元、储存单元内存在的危险化学品为单一品种时,该危险化学品的数量即为单元内危险

    化学品的总量,若等于或超过相应的临界量,则定为重大危险源。

    b) 生产单元、储存单元内存在的危险化学品为多品种时,按式(1)计算,若满足式(1),则定为重大

    危险源:

    犛=狇1/犙1+狇2/犙2+ … +狇狀/犙狀 ≥1 ……………………(1)

    犌犅18218—2018

  • 2025年《化工安全》规范提高班--规范合集.pdf-图片33

    表2(续)

    类别 符号 危险性分类及说明 临界量/t

    物理危险 W

    (物理危险性符号) — —

    爆炸物

    W1.1 —不稳定爆炸物

    —1.1项爆炸物 1

    W1.2 1.2、1.3、1.5、1.6项爆炸物 10

    W1.3 1.4项爆炸物 50

    易燃气体 W2 类别1和类别2 10

    气溶胶 W3 类别1和类别2 150(净重)

    氧化性气体 W4 类别1 50

    易燃液体

    W5.1 —类别1

    —类别2和3,工作温度高于沸点 10

    W5.2

    —类别2和3,具有引发重大事故的特殊工艺条件

    包括危险化工工艺、爆炸极限范围或附近操作、操作

    压力大于1.6MPa等

    50

    W5.3 —不属于 W5.1或 W5.2的其他类别2 1000

    W5.4 —不属于 W5.1或 W5.2的其他类别3 5000

    自反应物质和混合物 W6.1 A型和B型自反应物质和混合物 10

    W6.2 C型、D型、E型自反应物质和混合物 50

    有机过氧化物 W7.1 A型和B型有机过氧化物 10

    W7.2 C型、D型、E型、F型有机过氧化物 50

    自燃液体和自燃固体 W8 类别1自燃液体

    类别1自燃固体 50

    氧化性固体和液体 W9.1 类别1 50

    W9.2 类别2、类别3 200

    易燃固体 W10 类别1易燃固体 200

    遇水放出易燃气体的

    物质和混合物 W11 类别1和类别2 200

    4.2 重大危险源的辨识指标

    4.2.1 生产单元、储存单元内存在危险化学品的数量等于或超过表1、表2规定的临界量,即被定为重

    大危险源。单元内存在的危险化学品的数量根据危险化学品种类的多少区分为以下两种情况:

    a) 生产单元、储存单元内存在的危险化学品为单一品种时,该危险化学品的数量即为单元内危险

    化学品的总量,若等于或超过相应的临界量,则定为重大危险源。

    b) 生产单元、储存单元内存在的危险化学品为多品种时,按式(1)计算,若满足式(1),则定为重大

    危险源:

    犛=狇1/犙1+狇2/犙2+ … +狇狀/犙狀 ≥1 ……………………(1)

    犌犅18218—2018

    式中:

    犛      ———辨识指标;

    狇1,狇2,…,狇狀 ———每种危险化学品的实际存在量,单位为吨(t);

    犙1,犙2,…,犙狀 ———与每种危险化学品相对应的临界量,单位为吨(t)。

    4.2.2 危险化学品储罐以及其他容器、设备或仓储区的危险化学品的实际存在量按设计最大量确定。

    4.2.3 对于危险化学品混合物,如果混合物与其纯物质属于相同危险类别,则视混合物为纯物质,按混

    合物整体进行计算。如果混合物与其纯物质不属于相同危险类别,则应按新危险类别考虑其临界量。

    4.2.4 危险化学品重大危险源的辨识流程参见附录A。

    4.3 重大危险源的分级

    4.3.1 重大危险源的分级指标

    采用单元内各种危险化学品实际存在量与其相对应的临界量比值,经校正系数校正后的比值之和

    犚 作为分级指标。

    4.3.2 重大危险源分级指标的计算方法

    重大危险源的分级指标按式(2)计算。

    犚=αβ1 狇1

    犙1 +β2

    狇2

    犙2 +···+β狀

    狇狀

    犙狀 ( ) ……………………(2)

      式中:

    犚       ———重大危险源分级指标;

    α ———该危险化学品重大危险源厂区外暴露人员的校正系数;

    β1,β2,…,β狀 ———与每种危险化学品相对应的校正系数;

    狇1,狇2,…,狇狀 ———每种危险化学品实际存在量,单位为吨(t);

    犙1,犙2,…,犙狀 ———与每种危险化学品相对应的临界量,单位为吨(t)。

    根据单元内危险化学品的类别不同,设定校正系数β值。在表3范围内的危险化学品,其β值按

    表3确定;未在表3范围内的危险化学品,其β值按表4确定。

    表3 毒性气体校正系数β取值表

    名称 校正系数β

    一氧化碳 2

    二氧化硫 2

    氨 2

    环氧乙烷 2

    氯化氢 3

    溴甲烷 3

    氯 4

    硫化氢 5

    氟化氢 5

    二氧化氮 10

    氰化氢 10

    犌犅18218—2018

  • 2025年《化工安全》规范提高班--规范合集.pdf-图片34

    式中:

    犛      ———辨识指标;

    狇1,狇2,…,狇狀 ———每种危险化学品的实际存在量,单位为吨(t);

    犙1,犙2,…,犙狀 ———与每种危险化学品相对应的临界量,单位为吨(t)。

    4.2.2 危险化学品储罐以及其他容器、设备或仓储区的危险化学品的实际存在量按设计最大量确定。

    4.2.3 对于危险化学品混合物,如果混合物与其纯物质属于相同危险类别,则视混合物为纯物质,按混

    合物整体进行计算。如果混合物与其纯物质不属于相同危险类别,则应按新危险类别考虑其临界量。

    4.2.4 危险化学品重大危险源的辨识流程参见附录A。

    4.3 重大危险源的分级

    4.3.1 重大危险源的分级指标

    采用单元内各种危险化学品实际存在量与其相对应的临界量比值,经校正系数校正后的比值之和

    犚 作为分级指标。

    4.3.2 重大危险源分级指标的计算方法

    重大危险源的分级指标按式(2)计算。

    犚=αβ1 狇1

    犙1 +β2

    狇2

    犙2 +···+β狀

    狇狀

    犙狀 ( ) ……………………(2)

      式中:

    犚       ———重大危险源分级指标;

    α ———该危险化学品重大危险源厂区外暴露人员的校正系数;

    β1,β2,…,β狀 ———与每种危险化学品相对应的校正系数;

    狇1,狇2,…,狇狀 ———每种危险化学品实际存在量,单位为吨(t);

    犙1,犙2,…,犙狀 ———与每种危险化学品相对应的临界量,单位为吨(t)。

    根据单元内危险化学品的类别不同,设定校正系数β值。在表3范围内的危险化学品,其β值按

    表3确定;未在表3范围内的危险化学品,其β值按表4确定。

    表3 毒性气体校正系数β取值表

    名称 校正系数β

    一氧化碳 2

    二氧化硫 2

    氨 2

    环氧乙烷 2

    氯化氢 3

    溴甲烷 3

    氯 4

    硫化氢 5

    氟化氢 5

    二氧化氮 10

    氰化氢 10

    犌犅18218—2018

    表3(续)

    名称 校正系数β

    碳酰氯 20

    磷化氢 20

    异氰酸甲酯 20

    表4 未在表3中列举的危险化学品校正系数β取值表

    类别 符号 β校正系数

    急性毒性

    J1 4

    J2 1

    J3 2

    J4 2

    J5 1

    爆炸物

    W1.1 2

    W1.2 2

    W1.3 2

    易燃气体 W2 1.5

    气溶胶 W3 1

    氧化性气体 W4 1

    易燃液体

    W5.1 1.5

    W5.2 1

    W5.3 1

    W5.4 1

    自反应物质和混合物 W6.1 1.5

    W6.2 1

    有机过氧化物 W7.1 1.5

    W7.2 1

    自燃液体和自燃固体 W8 1

    氧化性固体和液体 W9.1 1

    W9.2 1

    易燃固体 W10 1

    遇水放出易燃气体的物质和混合物 W11 1

      根据危险化学品重大危险源的厂区边界向外扩展500m范围内常住人口数量,按照表5设定暴露

    人员校正系数α值。

    犌犅18218—2018

  • 2025年《化工安全》规范提高班--规范合集.pdf-图片35

    表3(续)

    名称 校正系数β

    碳酰氯 20

    磷化氢 20

    异氰酸甲酯 20

    表4 未在表3中列举的危险化学品校正系数β取值表

    类别 符号 β校正系数

    急性毒性

    J1 4

    J2 1

    J3 2

    J4 2

    J5 1

    爆炸物

    W1.1 2

    W1.2 2

    W1.3 2

    易燃气体 W2 1.5

    气溶胶 W3 1

    氧化性气体 W4 1

    易燃液体

    W5.1 1.5

    W5.2 1

    W5.3 1

    W5.4 1

    自反应物质和混合物 W6.1 1.5

    W6.2 1

    有机过氧化物 W7.1 1.5

    W7.2 1

    自燃液体和自燃固体 W8 1

    氧化性固体和液体 W9.1 1

    W9.2 1

    易燃固体 W10 1

    遇水放出易燃气体的物质和混合物 W11 1

      根据危险化学品重大危险源的厂区边界向外扩展500m范围内常住人口数量,按照表5设定暴露

    人员校正系数α值。

    犌犅18218—2018

    表5 暴露人员校正系数α取值表

    厂外可能暴露人员数量 校正系数α

    100人以上 2.0

    50~99人 1.5

    30~49人 1.2

    1~29人 1.0

    0人 0.5

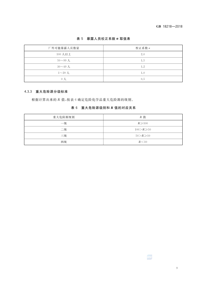
    4.3.3 重大危险源分级标准

    根据计算出来的犚 值,按表6确定危险化学品重大危险源的级别。

    表6 重大危险源级别和犚值的对应关系

    重大危险源级别 犚 值

    一级 犚≥100

    二级 100>犚≥50

    三级 50>犚≥10

    四级 犚<10

    犌犅18218—2018

  • 2025年《化工安全》规范提高班--规范合集.pdf-图片36

    表5 暴露人员校正系数α取值表

    厂外可能暴露人员数量 校正系数α

    100人以上 2.0

    50~99人 1.5

    30~49人 1.2

    1~29人 1.0

    0人 0.5

    4.3.3 重大危险源分级标准

    根据计算出来的犚 值,按表6确定危险化学品重大危险源的级别。

    表6 重大危险源级别和犚值的对应关系

    重大危险源级别 犚 值

    一级 犚≥100

    二级 100>犚≥50

    三级 50>犚≥10

    四级 犚<10

    犌犅18218—2018

    附 录 犃

    (资料性附录)

    危险化学品重大危险源辨识流程

    图A.1给出了危险化学品重大危险源辨识流程。

    图犃.1 危险化学品重大危险源辨识流程图

    01

    犌犅18218—2018

  • 2025年《化工安全》规范提高班--规范合集.pdf-图片37

    附 录 犃

    (资料性附录)

    危险化学品重大危险源辨识流程

    图A.1给出了危险化学品重大危险源辨识流程。

    图犃.1 危险化学品重大危险源辨识流程图

    01

    犌犅18218—2018

    ICS13.340.01 CCSC85

    中 华 人 民 共 和 国 国 家 标 准 GB30077—2023 代替GB30077—2013

    危险化学品单位应急救援物资配备要求

    Requirementsonemergencyrescuematerialsequipmentfor hazardouschemicalenterprises

    2023-12-28发布 2024-09-01实施

    国 家 市 场 监 督 管 理 总 局 国 家 标 准 化 管 理 委 员 会

    发 布

  • 2025年《化工安全》规范提高班--规范合集.pdf-图片38

    ICS13.340.01 CCSC85

    中 华 人 民 共 和 国 国 家 标 准 GB30077—2023 代替GB30077—2013

    危险化学品单位应急救援物资配备要求

    Requirementsonemergencyrescuematerialsequipmentfor hazardouschemicalenterprises

    2023-12-28发布 2024-09-01实施

    国 家 市 场 监 督 管 理 总 局 国 家 标 准 化 管 理 委 员 会

    发 布

    目 次

    前言 Ⅲ…………………………………………………………………………………………………………

    1 范围 1………………………………………………………………………………………………………

    2 规范性引用文件 1…………………………………………………………………………………………

    3 术语和定义 1………………………………………………………………………………………………

    4 配备原则 2…………………………………………………………………………………………………

    5 总体配备要求 2……………………………………………………………………………………………

    6 作业场所配备要求 2………………………………………………………………………………………

    7 企业应急救援队伍物资配备要求 3………………………………………………………………………

    8 其他配备要求 6……………………………………………………………………………………………

    9 管理和维护 7………………………………………………………………………………………………

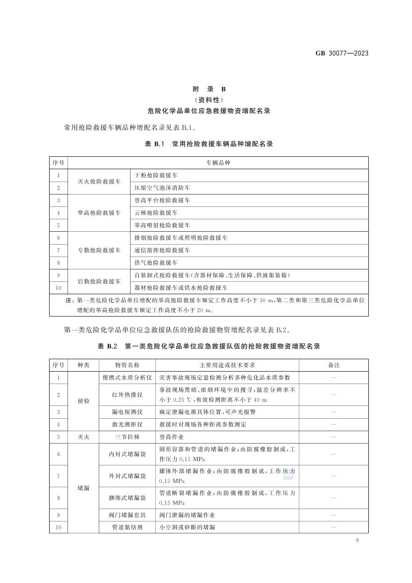
    附录A(规范性) 危险化学品单位类别划分方法 8………………………………………………………

    附录B(资料性) 危险化学品单位应急救援物资增配名录 9……………………………………………

    附录C(规范性) 第一类危险化学品单位应急救援队伍抢险救援物资配备要求 11……………………

    附录D(规范性) 第二类危险化学品单位应急救援队伍抢险救援物资配备要求 15……………………

    参考文献 17……………………………………………………………………………………………………

    GB30077—2023

  • 2025年《化工安全》规范提高班--规范合集.pdf-图片39

    目 次

    前言 Ⅲ…………………………………………………………………………………………………………

    1 范围 1………………………………………………………………………………………………………

    2 规范性引用文件 1…………………………………………………………………………………………

    3 术语和定义 1………………………………………………………………………………………………

    4 配备原则 2…………………………………………………………………………………………………

    5 总体配备要求 2……………………………………………………………………………………………

    6 作业场所配备要求 2………………………………………………………………………………………

    7 企业应急救援队伍物资配备要求 3………………………………………………………………………

    8 其他配备要求 6……………………………………………………………………………………………

    9 管理和维护 7………………………………………………………………………………………………

    附录A(规范性) 危险化学品单位类别划分方法 8………………………………………………………

    附录B(资料性) 危险化学品单位应急救援物资增配名录 9……………………………………………

    附录C(规范性) 第一类危险化学品单位应急救援队伍抢险救援物资配备要求 11……………………

    附录D(规范性) 第二类危险化学品单位应急救援队伍抢险救援物资配备要求 15……………………

    参考文献 17……………………………………………………………………………………………………

    GB30077—2023

    前 言

    本文件按照GB/T1.1—2020《标准化工作导则 第1部分:标准化文件的结构和起草规则》的规

    定起草。 本文件代替GB30077—2013《危险化学品单位应急救援物资配备要求》,与GB30077—2013相

    比,除结构调整和编辑性改动外,主要技术变化如下:

    a) 更改了第1章范围 (见第1章,2013年版的第1章);

    b) 删除了“危险化学品应急救援”术语和定义,增加了“危险化学品单位”术语和定义,更改了“企 业应急救援队伍”术语和定义 (见3.2、3.3,2013年版的3.1);

    c) 更改了配备原则 (见第4章,2013年版的第4章);

    d) 更改了总体配备要求 (见第5章,2013年版的第5章);

    e) 更改了作业场所应急救援物资配备要求中应急救援物资的配备种类和部分性能要求 (见第6 章,2013年版的第6章);

    f) 更改了7.1应急救援人员个体防护装备配备要求中应急救援物资的配备种类和部分性能要求

    (见表2,2013年版的表2);

    g) 更改了抢险救援车辆配备数量 (见表3,2013年版的表3);

    h) 更改了常用抢险救援车辆品种配备要求 (见表4,2013年版的表4);

    i) 更改了主要抢险救援车辆的技术性能中多功能抢险救援车的牵引质量 (见表5,2013年版的

    表5);

    j) 更改了气体防护车内应急救援物资配备要求中应急救援物资的配备种类和部分性能要求 (见 表6,2013年版的表6);

    k) 更改了第8章其他配备要求 (见8.2,2013年版的8.2);

    l) 增加了危险化学品单位类别划分依据 (见表A.1);

    m) 更改了第一类和第二类危险化学品单位应急救援物资配备要求中应急救援物资的配备种类和

    部分性能要求 (见附录C、附录D,2013年版的7.3)。 请注意本文件的某些内容可能涉及专利。本文件的发布机构不承担识别专利的责任。 本文件由中华人民共和国应急管理部提出并归口。 本文件所代替文件的历次版本发布情况为: ———2013年首次发布为GB30077—2013; ———本次为第一次修订。

    GB30077—2023

  • 2025年《化工安全》规范提高班--规范合集.pdf-图片40

    前 言

    本文件按照GB/T1.1—2020《标准化工作导则 第1部分:标准化文件的结构和起草规则》的规

    定起草。 本文件代替GB30077—2013《危险化学品单位应急救援物资配备要求》,与GB30077—2013相

    比,除结构调整和编辑性改动外,主要技术变化如下:

    a) 更改了第1章范围 (见第1章,2013年版的第1章);

    b) 删除了“危险化学品应急救援”术语和定义,增加了“危险化学品单位”术语和定义,更改了“企 业应急救援队伍”术语和定义 (见3.2、3.3,2013年版的3.1);

    c) 更改了配备原则 (见第4章,2013年版的第4章);

    d) 更改了总体配备要求 (见第5章,2013年版的第5章);

    e) 更改了作业场所应急救援物资配备要求中应急救援物资的配备种类和部分性能要求 (见第6 章,2013年版的第6章);

    f) 更改了7.1应急救援人员个体防护装备配备要求中应急救援物资的配备种类和部分性能要求

    (见表2,2013年版的表2);

    g) 更改了抢险救援车辆配备数量 (见表3,2013年版的表3);

    h) 更改了常用抢险救援车辆品种配备要求 (见表4,2013年版的表4);

    i) 更改了主要抢险救援车辆的技术性能中多功能抢险救援车的牵引质量 (见表5,2013年版的

    表5);

    j) 更改了气体防护车内应急救援物资配备要求中应急救援物资的配备种类和部分性能要求 (见 表6,2013年版的表6);

    k) 更改了第8章其他配备要求 (见8.2,2013年版的8.2);

    l) 增加了危险化学品单位类别划分依据 (见表A.1);

    m) 更改了第一类和第二类危险化学品单位应急救援物资配备要求中应急救援物资的配备种类和

    部分性能要求 (见附录C、附录D,2013年版的7.3)。 请注意本文件的某些内容可能涉及专利。本文件的发布机构不承担识别专利的责任。 本文件由中华人民共和国应急管理部提出并归口。 本文件所代替文件的历次版本发布情况为: ———2013年首次发布为GB30077—2013; ———本次为第一次修订。

    GB30077—2023

    危险化学品单位应急救援物资配备要求

    1 范围

    本文件规定了危险化学品单位应急救援物资的配备原则、总体配备要求、作业场所配备要求、企业

    应急救援队伍物资配备要求、其他配备要求、管理和维护要求等。 本文件适用于危险化学品生产和贮存单位应急救援物资的配备。 注:危险化学品使用、经营、运输和废弃处置单位的应急救援物资配备,参照本文件使用。

    2 规范性引用文件

    下列文件中的内容通过文中的规范性引用而构成本文件必不可少的条款。其中,注日期的引用文

    件,仅该日期对应的版本适用于本文件;不注日期的引用文件,其最新版本(包括所有的修改单)适用于

    本文件。

    GB2890 呼吸防护 自吸过滤式防毒面具

    GB6246 消防水带

    GB12358 作业场所环境气体检测报警仪 通用技术要求

    GB14866 个人用眼护具技术要求

    GB/T16556—2007 自给开路式压缩空气呼吸器

    GB/T17906—2021 消防应急救援装备 液压破拆工具通用技术条件

    GB21976.3 建筑火灾逃生避难器材 第3部分:逃生梯

    GB/T26200—2010 应急呼叫器

    GB28881 手部防护 化学品及微生物防护手套

    GB/T38305—2019 头部防护 救援头盔

    GB38453 防护服装 隔热服

    GB50313 消防通信指挥系统设计规范

    GB/T50779—2022 石油化工建筑物抗爆设计标准

    GBZ1—2010 工业企业设计卫生标准

    AQ/T6107—2008 化学防护服的选择、使用和维护

    XF3009—2020 救援三脚架

    3 术语和定义

    下列术语和定义适用于本文件。 3.1

    应急救援物资 emergencyrescuematerials 危险化学品单位配备的用于处置危险化学品事故的车辆和各类侦检、个体防护、警戒、通信、输转、

    堵漏、洗消、破拆、排烟照明、灭火、救生等物资及其他器材。

    3.2 危险化学品单位 hazardouschemicalenterprises 依法设立且取得相关行政许可的生产、贮存、使用、经营、运输和废弃处置危险化学品的企业或

    1

    GB30077—2023

  • 2025年《化工安全》规范提高班--规范合集.pdf-图片41

    危险化学品单位应急救援物资配备要求

    1 范围

    本文件规定了危险化学品单位应急救援物资的配备原则、总体配备要求、作业场所配备要求、企业

    应急救援队伍物资配备要求、其他配备要求、管理和维护要求等。 本文件适用于危险化学品生产和贮存单位应急救援物资的配备。 注:危险化学品使用、经营、运输和废弃处置单位的应急救援物资配备,参照本文件使用。

    2 规范性引用文件

    下列文件中的内容通过文中的规范性引用而构成本文件必不可少的条款。其中,注日期的引用文

    件,仅该日期对应的版本适用于本文件;不注日期的引用文件,其最新版本(包括所有的修改单)适用于

    本文件。

    GB2890 呼吸防护 自吸过滤式防毒面具

    GB6246 消防水带

    GB12358 作业场所环境气体检测报警仪 通用技术要求

    GB14866 个人用眼护具技术要求

    GB/T16556—2007 自给开路式压缩空气呼吸器

    GB/T17906—2021 消防应急救援装备 液压破拆工具通用技术条件

    GB21976.3 建筑火灾逃生避难器材 第3部分:逃生梯

    GB/T26200—2010 应急呼叫器

    GB28881 手部防护 化学品及微生物防护手套

    GB/T38305—2019 头部防护 救援头盔

    GB38453 防护服装 隔热服

    GB50313 消防通信指挥系统设计规范

    GB/T50779—2022 石油化工建筑物抗爆设计标准

    GBZ1—2010 工业企业设计卫生标准

    AQ/T6107—2008 化学防护服的选择、使用和维护

    XF3009—2020 救援三脚架

    3 术语和定义

    下列术语和定义适用于本文件。 3.1

    应急救援物资 emergencyrescuematerials 危险化学品单位配备的用于处置危险化学品事故的车辆和各类侦检、个体防护、警戒、通信、输转、

    堵漏、洗消、破拆、排烟照明、灭火、救生等物资及其他器材。

    3.2 危险化学品单位 hazardouschemicalenterprises 依法设立且取得相关行政许可的生产、贮存、使用、经营、运输和废弃处置危险化学品的企业或

    1

    GB30077—2023

    单位。 注:本文件中特指满足附录A的危险化学品生产和贮存单位。

    3.3 企业应急救援队伍 enterpriseemergencyrescueteam 依法建立的、配置有应急救援人员和应急救援器材、装备和物资,并定期组织应急救援演练,承担处

    置企业内各类危险化学品事故、救援遇险人员等应急救援任务的专业队伍或专职队伍。

    3.4 作业场所 workplace 可能使作业人员接触危险化学品的任何作业活动场所。 注:例如一个工厂的生产区,或生产区中的一个车间。

    4 配备原则

    4.1 针对性

    应急救援物资根据本单位生产工艺,危险化学品的种类、数量,危险化学品事故特征和事故风险评

    估结果进行配置。本文件范围内的危险化学品单位分为3类,分别为第一类、第二类和第三类,类别划

    分方法符合附录 A要求。

    4.2 配套性

    应急救援物资配备确保系统配套、搭配合理、功能齐全、数量充足,满足单位员工现场应急处置和企

    业应急救援队伍所承担救援任务的需要。

    4.3 先进适用性

    优先选择性能先进、适用性强、安全耐用、轻便高效的应急救援物资,并定期对已配备物资的有效性

    和使用效能等方面进行检查评估,及时淘汰过期和低效能物资。

    5 总体配备要求

    危险化学品单位结应结合单位或辖区内典型事故及其他特殊处置场景需求,选择增配应急救援物

    资的种类和数量以及本文件中未列出的新型装备。

    6 作业场所配备要求

    在危险化学品单位作业场所,应急救援物资应存放在应急救援器材专用柜、应急站或指定地点。作

    业场所应急物资配备应符合表1的要求。

    表1 作业场所救援物资配备要求

    序号 物资名称 主要用途或技术要求 配备 备注

    1 正压空气呼吸器 技术性能符合GB/T16556—2007中

    第5章的要求 2套 每套配备1个备用气瓶

    2 化学防护服 技术性能符合 AQ/T6107—2008中

    4.2的要求 2套

    具有有毒、腐蚀性危险化学品的作业

    场所

    2

    GB30077—2023

  • 2025年《化工安全》规范提高班--规范合集.pdf-图片42

    单位。 注:本文件中特指满足附录A的危险化学品生产和贮存单位。

    3.3 企业应急救援队伍 enterpriseemergencyrescueteam 依法建立的、配置有应急救援人员和应急救援器材、装备和物资,并定期组织应急救援演练,承担处

    置企业内各类危险化学品事故、救援遇险人员等应急救援任务的专业队伍或专职队伍。

    3.4 作业场所 workplace 可能使作业人员接触危险化学品的任何作业活动场所。 注:例如一个工厂的生产区,或生产区中的一个车间。

    4 配备原则

    4.1 针对性

    应急救援物资根据本单位生产工艺,危险化学品的种类、数量,危险化学品事故特征和事故风险评

    估结果进行配置。本文件范围内的危险化学品单位分为3类,分别为第一类、第二类和第三类,类别划

    分方法符合附录 A要求。

    4.2 配套性

    应急救援物资配备确保系统配套、搭配合理、功能齐全、数量充足,满足单位员工现场应急处置和企

    业应急救援队伍所承担救援任务的需要。

    4.3 先进适用性

    优先选择性能先进、适用性强、安全耐用、轻便高效的应急救援物资,并定期对已配备物资的有效性

    和使用效能等方面进行检查评估,及时淘汰过期和低效能物资。

    5 总体配备要求

    危险化学品单位结应结合单位或辖区内典型事故及其他特殊处置场景需求,选择增配应急救援物

    资的种类和数量以及本文件中未列出的新型装备。

    6 作业场所配备要求

    在危险化学品单位作业场所,应急救援物资应存放在应急救援器材专用柜、应急站或指定地点。作

    业场所应急物资配备应符合表1的要求。

    表1 作业场所救援物资配备要求

    序号 物资名称 主要用途或技术要求 配备 备注

    1 正压空气呼吸器 技术性能符合GB/T16556—2007中

    第5章的要求 2套 每套配备1个备用气瓶

    2 化学防护服 技术性能符合 AQ/T6107—2008中

    4.2的要求 2套

    具有有毒、腐蚀性危险化学品的作业

    场所

    2

    GB30077—2023

    表1 作业场所救援物资配备要求 (续)

    序号 物资名称 主要用途或技术要求 配备 备注

    3 自吸过滤式防毒面具 技术性能符合GB2890要求 1个/人 类型根据有毒有害物质确定

    4 气体检测仪 技术性能符合GB12358要求 2台 检测气体浓度,根据作业场所有毒有

    害气体的种类确定

    5 手电筒 易燃易爆场所应防爆 1个/人 根据当班人数确定,包括作业人员随

    身携带的同类物资

    6 对讲机 易燃易爆场所应防爆 1台/人 根据当班人数确定,包括作业人员随

    身携带的同类物资

    7 急救箱或急救包 物资清单符合GBZ1—2010中表A.4 的要求

    1包 盛放常规外伤和化学伤害急救所需

    的敷料、药品和器械等

    8 水带 消 防 用 水 的 输 送,技 术 性 能 符 合

    GB6246的要求 50m

    1)允许用水灭火、稀释或降温的场所

    配备;

    2)按现场风险及事故后果配备,不小

    于50m

    9 多功能水枪 危险化学品的驱 散、隔 离、灭 火、洗 消等

    1个

    1)具体型号可根据作业现场实际需

    求配备;

    2)允许用水灭火、稀释或降温的场所

    配备

    10 危化品收容输转器具 危险化学品泄漏物的收容输转,易燃

    易爆场所应防爆 1套

    根据泄漏介质理化性质选择配备,常 用物资包括危化品真空收集器,收容

    桶或其他输转器具

    11 吸附材料 处理化学品泄漏 200kg

    1)以工作介质理化性质选择吸附材

    料,包括化学性吸收材料和物理性吸

    附材料,常用吸附材料为干沙土、吸 附颗粒、吸附毡(具有爆炸危险性的

    除外)

    2)按现场风险及事故后果配备,不少

    于200kg

    12 洗消设施或清洗剂 洗消受污染或可能受污染的人员、设 备和器材

    1套 在工作地点配备

    13 应急处置工具箱 工作箱内配备常用工具或专业处置

    工具、警戒绳、风向标、救生绳等 1套 易燃易爆场所应配置无火花工具

    7 企业应急救援队伍物资配备要求

    7.1 应急救援人员的个体防护装备配备

    应急救援人员的个体防护装备配备应符合表2的要求。

    3

    GB30077—2023

  • 2025年《化工安全》规范提高班--规范合集.pdf-图片43

    表1 作业场所救援物资配备要求 (续)

    序号 物资名称 主要用途或技术要求 配备 备注

    3 自吸过滤式防毒面具 技术性能符合GB2890要求 1个/人 类型根据有毒有害物质确定

    4 气体检测仪 技术性能符合GB12358要求 2台 检测气体浓度,根据作业场所有毒有

    害气体的种类确定

    5 手电筒 易燃易爆场所应防爆 1个/人 根据当班人数确定,包括作业人员随

    身携带的同类物资

    6 对讲机 易燃易爆场所应防爆 1台/人 根据当班人数确定,包括作业人员随

    身携带的同类物资

    7 急救箱或急救包 物资清单符合GBZ1—2010中表A.4 的要求

    1包 盛放常规外伤和化学伤害急救所需

    的敷料、药品和器械等

    8 水带 消 防 用 水 的 输 送,技 术 性 能 符 合

    GB6246的要求 50m

    1)允许用水灭火、稀释或降温的场所

    配备;

    2)按现场风险及事故后果配备,不小

    于50m

    9 多功能水枪 危险化学品的驱 散、隔 离、灭 火、洗 消等

    1个

    1)具体型号可根据作业现场实际需

    求配备;

    2)允许用水灭火、稀释或降温的场所

    配备

    10 危化品收容输转器具 危险化学品泄漏物的收容输转,易燃

    易爆场所应防爆 1套

    根据泄漏介质理化性质选择配备,常 用物资包括危化品真空收集器,收容

    桶或其他输转器具

    11 吸附材料 处理化学品泄漏 200kg

    1)以工作介质理化性质选择吸附材

    料,包括化学性吸收材料和物理性吸

    附材料,常用吸附材料为干沙土、吸 附颗粒、吸附毡(具有爆炸危险性的

    除外)

    2)按现场风险及事故后果配备,不少

    于200kg

    12 洗消设施或清洗剂 洗消受污染或可能受污染的人员、设 备和器材

    1套 在工作地点配备

    13 应急处置工具箱 工作箱内配备常用工具或专业处置

    工具、警戒绳、风向标、救生绳等 1套 易燃易爆场所应配置无火花工具

    7 企业应急救援队伍物资配备要求

    7.1 应急救援人员的个体防护装备配备

    应急救援人员的个体防护装备配备应符合表2的要求。

    3

    GB30077—2023

    表2 应急救援人员个体防护装备配备要求

    序号 名称 主要用途或技术要求 配备 备份比 备注

    1 救援头盔 技 术 性 能 符 合 GB/T38305—

    2019中第4章的要求 1顶/人 4∶1 头部、面部及颈部的安全防护

    2 护目镜 技术性能符合GB14866的要求 1副/人 4∶1 —

    3 二级化学防护服装 化学 灾 害 现 场 作 业 时 的 躯 体

    防护

    1套/10人

    至少2套 4∶1 以值勤人员数量确定

    4 一级化学防护服装 重度化学灾害现场全身防护 1套/10人

    至少3套 4∶1

    1)涉及中等毒及以上、强腐蚀等

    危险化学品的企业配备;

    2)以值勤人员数量确定

    5

    灭火防护套装(灭火

    防护服、消防手套和

    灭火防护靴等) 灭火救援作业时的身体防护 1套/人 3∶1 指挥员可选配消防指挥服

    6 隔热服 技术性能符合GB38453的要求 1套/人 3∶1 强热辐射场所下配备

    7 防静电套装 可燃气体、粉尘、蒸气等易燃易

    爆场所作业时的躯体防护 1套/人 4∶1

    1)低温场所应配备防低温背心、

    防寒服;

    2)包括防静电服、防静电工作

    帽、防静电内衣、防静电靴、防静

    电手套

    8 化学品防护手套 手部及腕部防护,技术性能符合

    GB28881的要求 2副/人 — 带电区域需具备绝缘功能

    9 防化靴 事故现场作业时的脚部和小腿

    部防护 1双/人 4∶1

    易燃 易 爆 场 所 应 配 备 防 静 电

    靴,带电区域需具备绝缘功能

    10 安全腰带 登梯作业和逃生自救 1根/人 4∶1 —

    11 正压空气呼吸器

    缺氧或有毒现场作业时的呼吸防

    护,技术性能符合GB/T16556—

    2007中第5章的要求

    1具/人 5∶1 1)以值勤人员数量确定;

    2)备用气瓶按照正压空气呼吸

    器总量1∶1备份

    12 佩戴式防爆照明灯 单人作业照明 1个/人 5∶1 —

    13 轻型安全绳 救援人员的救生、自救和逃生 1根/人 4∶1 —

    14 消防腰斧 破拆和自救 1把/人 4∶1 —

    15 应急呼叫器 技 术 性 能 符 合 GB/T26200—

    2010中第5章的要求 1个/人 —

    在室内或室外使用,能发出应急

    呼叫信息(信号),易燃易爆场所

    应防爆

    注1:“备份比”是指应急救援人员防护装备配备投入使用数量与备用数量之比。

    注2:根据备份比计算的备份数量为非整数时向上取整。

    注3:第三类危险化学品单位应急救援人员可使用作业场所配备的个体防护装备,不配备该表中的装备。

    7.2 抢险救援车辆配备要求

    7.2.1 抢险救援车辆配备数量应符合表3的要求。

    4

    GB30077—2023

  • 2025年《化工安全》规范提高班--规范合集.pdf-图片44

    表2 应急救援人员个体防护装备配备要求

    序号 名称 主要用途或技术要求 配备 备份比 备注

    1 救援头盔 技 术 性 能 符 合 GB/T38305—

    2019中第4章的要求 1顶/人 4∶1 头部、面部及颈部的安全防护

    2 护目镜 技术性能符合GB14866的要求 1副/人 4∶1 —

    3 二级化学防护服装 化学 灾 害 现 场 作 业 时 的 躯 体

    防护

    1套/10人

    至少2套 4∶1 以值勤人员数量确定

    4 一级化学防护服装 重度化学灾害现场全身防护 1套/10人

    至少3套 4∶1

    1)涉及中等毒及以上、强腐蚀等

    危险化学品的企业配备;

    2)以值勤人员数量确定

    5

    灭火防护套装(灭火

    防护服、消防手套和

    灭火防护靴等) 灭火救援作业时的身体防护 1套/人 3∶1 指挥员可选配消防指挥服

    6 隔热服 技术性能符合GB38453的要求 1套/人 3∶1 强热辐射场所下配备

    7 防静电套装 可燃气体、粉尘、蒸气等易燃易

    爆场所作业时的躯体防护 1套/人 4∶1

    1)低温场所应配备防低温背心、

    防寒服;

    2)包括防静电服、防静电工作

    帽、防静电内衣、防静电靴、防静

    电手套

    8 化学品防护手套 手部及腕部防护,技术性能符合

    GB28881的要求 2副/人 — 带电区域需具备绝缘功能

    9 防化靴 事故现场作业时的脚部和小腿

    部防护 1双/人 4∶1

    易燃 易 爆 场 所 应 配 备 防 静 电

    靴,带电区域需具备绝缘功能

    10 安全腰带 登梯作业和逃生自救 1根/人 4∶1 —

    11 正压空气呼吸器

    缺氧或有毒现场作业时的呼吸防

    护,技术性能符合GB/T16556—

    2007中第5章的要求

    1具/人 5∶1 1)以值勤人员数量确定;

    2)备用气瓶按照正压空气呼吸

    器总量1∶1备份

    12 佩戴式防爆照明灯 单人作业照明 1个/人 5∶1 —

    13 轻型安全绳 救援人员的救生、自救和逃生 1根/人 4∶1 —

    14 消防腰斧 破拆和自救 1把/人 4∶1 —

    15 应急呼叫器 技 术 性 能 符 合 GB/T26200—

    2010中第5章的要求 1个/人 —

    在室内或室外使用,能发出应急

    呼叫信息(信号),易燃易爆场所

    应防爆

    注1:“备份比”是指应急救援人员防护装备配备投入使用数量与备用数量之比。

    注2:根据备份比计算的备份数量为非整数时向上取整。

    注3:第三类危险化学品单位应急救援人员可使用作业场所配备的个体防护装备,不配备该表中的装备。

    7.2 抢险救援车辆配备要求

    7.2.1 抢险救援车辆配备数量应符合表3的要求。

    4

    GB30077—2023

    表3 抢险救援车辆配备数量

    单位为辆

    危险化学品单位级别 第一类危险化学品单位 第二类危险化学品单位 第三类危险化学品单位

    抢险救援车辆数 ≥3 ≥1 —

    7.2.2 企业应急救援队伍抢险救援车品种,应符合表4的要求,生产、贮存剧毒或高毒危险化学品的单

    位应配备气体防护车。在此基础上,企业视实际需要增加车辆配备,车辆名录参见附录B中表B.1。

    表4 常用抢险救援车辆品种配备要求

    单位为辆

    序号 车辆品种 第一类危险化学品单位 第二类危险化学品单位 第三类危险化学品单位

    1

    2

    3

    灭火抢

    险救援

    水罐或泵浦抢险救援车

    水罐或泡沫抢险救援车

    干粉泡沫联用抢险救援车

    1 1 —

    4

    5

    专勤抢

    险救援

    多功能抢险救援车或气

    体防护车 1 — —

    危险化学品事故抢险救

    援车或防化洗消抢险救

    援车

    1 — —

    7.2.3 企业应急救援队伍主要抢险救援车辆的技术性能应符合表5的要求,气体防护车内应急救援物

    资配备应符合表6的要求。

    表5 主要抢险救援车辆的技术性能

    技术性能 第一类危险化学品单位 第二类危险化学品单位 第三类危险化学品单位

    发动机功率

    kW ≥191 ≥132 ≥132

    比功率

    kW/t ≥10 ≥8 ≥8

    水罐抢险救援车

    出水性能

    出口压力

    MPa 1 1.8 1 1.8 1 1.8

    流量

    L/s 60 30 40 20 40 20

    水罐抢险救援车出泡沫性能(类) A、B A、B B

    多功能抢险

    救援车

    起吊质量

    kg ≥5000 ≥3000 ≥3000

    牵引质量

    kg ≥7500 ≥5000 ≥5000

    5

    GB30077—2023

  • 2025年《化工安全》规范提高班--规范合集.pdf-图片45

    表3 抢险救援车辆配备数量

    单位为辆

    危险化学品单位级别 第一类危险化学品单位 第二类危险化学品单位 第三类危险化学品单位

    抢险救援车辆数 ≥3 ≥1 —

    7.2.2 企业应急救援队伍抢险救援车品种,应符合表4的要求,生产、贮存剧毒或高毒危险化学品的单

    位应配备气体防护车。在此基础上,企业视实际需要增加车辆配备,车辆名录参见附录B中表B.1。

    表4 常用抢险救援车辆品种配备要求

    单位为辆

    序号 车辆品种 第一类危险化学品单位 第二类危险化学品单位 第三类危险化学品单位

    1

    2

    3

    灭火抢

    险救援

    水罐或泵浦抢险救援车

    水罐或泡沫抢险救援车

    干粉泡沫联用抢险救援车

    1 1 —

    4

    5

    专勤抢

    险救援

    多功能抢险救援车或气

    体防护车 1 — —

    危险化学品事故抢险救

    援车或防化洗消抢险救

    援车

    1 — —

    7.2.3 企业应急救援队伍主要抢险救援车辆的技术性能应符合表5的要求,气体防护车内应急救援物

    资配备应符合表6的要求。

    表5 主要抢险救援车辆的技术性能

    技术性能 第一类危险化学品单位 第二类危险化学品单位 第三类危险化学品单位

    发动机功率

    kW ≥191 ≥132 ≥132

    比功率

    kW/t ≥10 ≥8 ≥8

    水罐抢险救援车

    出水性能

    出口压力

    MPa 1 1.8 1 1.8 1 1.8

    流量

    L/s 60 30 40 20 40 20

    水罐抢险救援车出泡沫性能(类) A、B A、B B

    多功能抢险

    救援车

    起吊质量

    kg ≥5000 ≥3000 ≥3000

    牵引质量

    kg ≥7500 ≥5000 ≥5000

    5

    GB30077—2023

    表6 气体防护车内应急救援物资配备要求

    序号 物资名称 主要用途或技术要求 配备 备注

    1 正压空气呼吸器 技术性能符合GB/T16556—2007中

    第5章的要求 2套 每套配备1个备用气瓶

    2 自动苏生器 自动进行正负压人工呼吸 1套 —

    3 供氧设备 治疗中毒人员 2套 包括医用氧气瓶

    4 移动式长管供气系统 缺氧或有毒有害气体环境中为抢险

    救灾人员提供长时间呼吸保护 1台 —

    5 对讲机 易燃易爆场所应选防爆型,通信距离

    不低于1000m 2台 —

    6 抢险救援服 抢险人员躯体保护,橘红色 1套/人 根据气体防护车上配备的人员确定

    7 头戴式防爆照明灯 灭火和抢险救援现场作业时的照明 1个/人 根据气体防护车上配备的人员确定

    8 一级化学防护服 重度化学灾害现场全身防护 2套 —

    9 二级化学防护服 化学灾害现场作业时的躯体防护 2套 —

    10 隔热服 技术性能符合GB38453要求 1套 强热辐射场所下配备

    11 折叠担架 运送事故现场受伤人员 2副 —

    12 急救包 物资清单符合GBZ1—2010中表A.4 的要求

    1个 盛放常规外伤和化学伤害急救所需

    的敷料、药品和器械等

    13 可燃气体检测仪

    可检测多种易燃易爆气体的浓度,防 爆型,具备防水和快速感应性能,技 术性能符合GB12358的要求

    2台 检测事故现场易燃易爆气体,根据企

    业可燃气体的种类配备

    14 有毒气体检测仪

    具备自动识别、防水、防爆性能;能探

    测有 毒、有 害 气 体 及 氧 含 量,防 爆

    型,技术性能符合GB12358的要求

    2台 根据企业有毒有害气体的种类配备

    15 风向仪 气体防护及检测工作 1套 —

    7.3 抢险救援物资配备要求

    7.3.1 第一类危险化学品单位应急救援队伍的抢险救援物资配备的种类和数量应符合附录C的要求。 在此基础上,企业视实际需要增加物资配备,物资名录参见表B.2。

    7.3.2 第二类危险化学品单位应急救援队伍的抢险救援物资配备的种类和数量应符合附录D的要求。 在此基础上,企业视实际需要增加物资配备,物资名录参见表B.3。

    7.3.3 第三类危险化学品单位应急救援队伍准许使用作业场所应急救援物资作为抢险救援物资。

    8 其他配备要求

    8.1 危险化学品单位,除作业场所和应急救援队伍外的其他部门应根据应急响应过程中所承担的职责

    配备相应的应急救援物资。

    8.2 发生事故后危险化学品可能泄漏至江河湖海的危险化学品单位应配备水上灭火抢险救援、水上泄

    漏物处置和防汛排涝等应急救援物资。

    6

    GB30077—2023

  • 2025年《化工安全》规范提高班--规范合集.pdf-图片46

    表6 气体防护车内应急救援物资配备要求

    序号 物资名称 主要用途或技术要求 配备 备注

    1 正压空气呼吸器 技术性能符合GB/T16556—2007中

    第5章的要求 2套 每套配备1个备用气瓶

    2 自动苏生器 自动进行正负压人工呼吸 1套 —

    3 供氧设备 治疗中毒人员 2套 包括医用氧气瓶

    4 移动式长管供气系统 缺氧或有毒有害气体环境中为抢险

    救灾人员提供长时间呼吸保护 1台 —

    5 对讲机 易燃易爆场所应选防爆型,通信距离

    不低于1000m 2台 —

    6 抢险救援服 抢险人员躯体保护,橘红色 1套/人 根据气体防护车上配备的人员确定

    7 头戴式防爆照明灯 灭火和抢险救援现场作业时的照明 1个/人 根据气体防护车上配备的人员确定

    8 一级化学防护服 重度化学灾害现场全身防护 2套 —

    9 二级化学防护服 化学灾害现场作业时的躯体防护 2套 —

    10 隔热服 技术性能符合GB38453要求 1套 强热辐射场所下配备

    11 折叠担架 运送事故现场受伤人员 2副 —

    12 急救包 物资清单符合GBZ1—2010中表A.4 的要求

    1个 盛放常规外伤和化学伤害急救所需

    的敷料、药品和器械等

    13 可燃气体检测仪

    可检测多种易燃易爆气体的浓度,防 爆型,具备防水和快速感应性能,技 术性能符合GB12358的要求

    2台 检测事故现场易燃易爆气体,根据企

    业可燃气体的种类配备

    14 有毒气体检测仪

    具备自动识别、防水、防爆性能;能探

    测有 毒、有 害 气 体 及 氧 含 量,防 爆

    型,技术性能符合GB12358的要求

    2台 根据企业有毒有害气体的种类配备

    15 风向仪 气体防护及检测工作 1套 —

    7.3 抢险救援物资配备要求

    7.3.1 第一类危险化学品单位应急救援队伍的抢险救援物资配备的种类和数量应符合附录C的要求。 在此基础上,企业视实际需要增加物资配备,物资名录参见表B.2。

    7.3.2 第二类危险化学品单位应急救援队伍的抢险救援物资配备的种类和数量应符合附录D的要求。 在此基础上,企业视实际需要增加物资配备,物资名录参见表B.3。

    7.3.3 第三类危险化学品单位应急救援队伍准许使用作业场所应急救援物资作为抢险救援物资。

    8 其他配备要求

    8.1 危险化学品单位,除作业场所和应急救援队伍外的其他部门应根据应急响应过程中所承担的职责

    配备相应的应急救援物资。

    8.2 发生事故后危险化学品可能泄漏至江河湖海的危险化学品单位应配备水上灭火抢险救援、水上泄

    漏物处置和防汛排涝等应急救援物资。

    6

    GB30077—2023

    8.3 除作业场所的应急救援物资外的其他应急救援物资,由危险化学品单位与其周边其他相关单位或

    应急救援机构签订互助协议,并能在这些单位或机构接到报警后5min内到达现场的,准许作为本单位

    的应急救援物资。

    9 管理和维护

    9.1 危险化学品单位应建立应急救援物资的有关制度和记录: ———物资清单; ———物资使用管理制度; ———物资测试检修制度; ———物资租用制度; ———资料管理制度; ———物资调用和使用记录; ———物资检查维护、报废及更新记录。

    9.2 应急救援物资应明确专人管理。应急救援物资应严格按照产品说明书要求进行日常检查、定期维

    护保养。应急救援物资应存放在便于取用的固定场所,摆放整齐,不应随意摆放、挪作他用。

    9.3 应急救援物资应保持完好,随时处于备战状态。物资若有损坏或影响安全使用的,应及时修理、更 换或报废。

    9.4 应急救援物资的使用人员,应接受相应的培训,熟悉装备的用途、技术性能及有关使用说明资

    料,并遵守操作规程。

    7

    GB30077—2023

  • 2025年《化工安全》规范提高班--规范合集.pdf-图片47

    8.3 除作业场所的应急救援物资外的其他应急救援物资,由危险化学品单位与其周边其他相关单位或

    应急救援机构签订互助协议,并能在这些单位或机构接到报警后5min内到达现场的,准许作为本单位

    的应急救援物资。

    9 管理和维护

    9.1 危险化学品单位应建立应急救援物资的有关制度和记录: ———物资清单; ———物资使用管理制度; ———物资测试检修制度; ———物资租用制度; ———资料管理制度; ———物资调用和使用记录; ———物资检查维护、报废及更新记录。

    9.2 应急救援物资应明确专人管理。应急救援物资应严格按照产品说明书要求进行日常检查、定期维

    护保养。应急救援物资应存放在便于取用的固定场所,摆放整齐,不应随意摆放、挪作他用。

    9.3 应急救援物资应保持完好,随时处于备战状态。物资若有损坏或影响安全使用的,应及时修理、更 换或报废。

    9.4 应急救援物资的使用人员,应接受相应的培训,熟悉装备的用途、技术性能及有关使用说明资

    料,并遵守操作规程。

    7

    GB30077—2023

    附 录 A (规范性)

    危险化学品单位类别划分方法

    危险化学品单位类别根据从业人数、营业收入和危险化学品重大危险源级别划分,见表A.1。

    表 A.1 危险化学品单位类别划分依据

    企业规模

    危险化学品重大危险源级别

    一级危险化学品重大

    危险源

    二级危险化学品重大

    危险源

    三级危险化学品重大

    危险源

    四级危险化学品重大

    危险源

    从业 人 数300人 以 下

    或营业收入2000万元

    以下

    第二类危险化学品

    单位

    第三类危险化学品

    单位

    第三类危险化学品

    单位

    第三类危险化学品

    单位

    从业 人 数300人 以 上

    1000人以下或营业收入

    2000万元以上40000 万元以下

    第二类危险化学品

    单位

    第二类危险化学品

    单位

    第二类危险化学品

    单位

    第三类危险化学品

    单位

    从业人数1000人以上

    或营业收入40000万

    元以上

    第一类危险化学品

    单位

    第二类危险化学品

    单位

    第二类危险化学品

    单位

    第二类危险化学品

    单位

    注1:所称的“以上”包括本数,所称的“以下”不包括本数。

    注2:没有危险化学品重大危险源的危险化学品企业可作为第三类危险化学品单位。

    注3:危险化学品重大危险源级别,按单位中重大危险源的最高等级确定。

    注4:企业规模按从业人员、营业收入划分不一致的,按最低等级确定。

    8

    GB30077—2023

  • 2025年《化工安全》规范提高班--规范合集.pdf-图片48

    附 录 A (规范性)

    危险化学品单位类别划分方法

    危险化学品单位类别根据从业人数、营业收入和危险化学品重大危险源级别划分,见表A.1。

    表 A.1 危险化学品单位类别划分依据

    企业规模

    危险化学品重大危险源级别

    一级危险化学品重大

    危险源

    二级危险化学品重大

    危险源

    三级危险化学品重大

    危险源

    四级危险化学品重大

    危险源

    从业 人 数300人 以 下

    或营业收入2000万元

    以下

    第二类危险化学品

    单位

    第三类危险化学品

    单位

    第三类危险化学品

    单位

    第三类危险化学品

    单位

    从业 人 数300人 以 上

    1000人以下或营业收入

    2000万元以上40000 万元以下

    第二类危险化学品

    单位

    第二类危险化学品

    单位

    第二类危险化学品

    单位

    第三类危险化学品

    单位

    从业人数1000人以上

    或营业收入40000万

    元以上

    第一类危险化学品

    单位

    第二类危险化学品

    单位

    第二类危险化学品

    单位

    第二类危险化学品

    单位

    注1:所称的“以上”包括本数,所称的“以下”不包括本数。

    注2:没有危险化学品重大危险源的危险化学品企业可作为第三类危险化学品单位。

    注3:危险化学品重大危险源级别,按单位中重大危险源的最高等级确定。

    注4:企业规模按从业人员、营业收入划分不一致的,按最低等级确定。

    8

    GB30077—2023

    附 录 B (资料性)

    危险化学品单位应急救援物资增配名录

    常用抢险救援车辆品种增配名录见表B.1。

    表B.1 常用抢险救援车辆品种增配名录

    序号 车辆品种

    1

    2 灭火抢险救援车

    干粉抢险救援车

    压缩空气泡沫消防车

    3

    4

    5

    举高抢险救援车

    登高平台抢险救援车

    云梯抢险救援车

    举高喷射抢险救援车

    6

    7

    8

    专勤抢险救援车

    排烟抢险救援车或照明抢险救援车

    通信指挥抢险救援车

    供气抢险救援车

    9

    10 后勤抢险救援车

    自装卸式抢险救援车(含器材保障、生活保障、供液集装箱)

    器材抢险救援车或供水抢险救援车

    注:第一类危险化学品单位增配的举高抢险救援车额定工作高度不小于30m,第二类和第三类危险化学品单位

    增配的举高抢险救援车额定工作高度不小于20m。

    第一类危险化学品单位应急救援队伍的抢险救援物资增配名录见表B.2。

    表B.2 第一类危险化学品单位应急救援队伍的抢险救援物资增配名录

    序号 种类 物资名称 主要用途或技术要求 备注

    1

    2

    3

    4

    侦检

    便携式水质分析仪 灾害事故现场定量检测分析多种危化品水质参数 —

    红外热像仪 事故现场黑暗、浓烟环境中的搜寻;温差分辨率不

    小于0.25℃,有效检测距离不小于40m —

    漏电探测仪 确定泄漏电源具体位置,可声光报警 —

    激光测距仪 救援时对现场各种距离参数测定 —

    5 灭火 三节拉梯 登高作业 —

    6

    7

    8

    9

    10

    堵漏

    内封式堵漏袋 圆形容器和管道的堵漏作业;由防腐橡胶制成,工 作压力0.15MPa

    外封式堵漏袋 罐体外部堵漏作业;由 防 腐 橡 胶 制 成,工 作 压 力

    0.15MPa —

    捆绑式堵漏袋 管道断裂堵漏作业;由 防 腐 橡 胶 制 成,工 作 压 力

    0.15MPa —

    阀门堵漏套具 阀门泄漏的堵漏作业 —

    管道黏结剂 小空洞或砂眼的堵漏 —

    9

    GB30077—2023

  • 2025年《化工安全》规范提高班--规范合集.pdf-图片49

    附 录 B (资料性)

    危险化学品单位应急救援物资增配名录

    常用抢险救援车辆品种增配名录见表B.1。

    表B.1 常用抢险救援车辆品种增配名录

    序号 车辆品种

    1

    2 灭火抢险救援车

    干粉抢险救援车

    压缩空气泡沫消防车

    3

    4

    5

    举高抢险救援车

    登高平台抢险救援车

    云梯抢险救援车

    举高喷射抢险救援车

    6

    7

    8

    专勤抢险救援车

    排烟抢险救援车或照明抢险救援车

    通信指挥抢险救援车

    供气抢险救援车

    9

    10 后勤抢险救援车

    自装卸式抢险救援车(含器材保障、生活保障、供液集装箱)

    器材抢险救援车或供水抢险救援车

    注:第一类危险化学品单位增配的举高抢险救援车额定工作高度不小于30m,第二类和第三类危险化学品单位

    增配的举高抢险救援车额定工作高度不小于20m。

    第一类危险化学品单位应急救援队伍的抢险救援物资增配名录见表B.2。

    表B.2 第一类危险化学品单位应急救援队伍的抢险救援物资增配名录

    序号 种类 物资名称 主要用途或技术要求 备注

    1

    2

    3

    4

    侦检

    便携式水质分析仪 灾害事故现场定量检测分析多种危化品水质参数 —

    红外热像仪 事故现场黑暗、浓烟环境中的搜寻;温差分辨率不

    小于0.25℃,有效检测距离不小于40m —

    漏电探测仪 确定泄漏电源具体位置,可声光报警 —

    激光测距仪 救援时对现场各种距离参数测定 —

    5 灭火 三节拉梯 登高作业 —

    6

    7

    8

    9

    10

    堵漏

    内封式堵漏袋 圆形容器和管道的堵漏作业;由防腐橡胶制成,工 作压力0.15MPa

    外封式堵漏袋 罐体外部堵漏作业;由 防 腐 橡 胶 制 成,工 作 压 力

    0.15MPa —

    捆绑式堵漏袋 管道断裂堵漏作业;由 防 腐 橡 胶 制 成,工 作 压 力

    0.15MPa —

    阀门堵漏套具 阀门泄漏的堵漏作业 —

    管道黏结剂 小空洞或砂眼的堵漏 —

    9

    GB30077—2023

    表B.2 第一类危险化学品单位应急救援队伍的抢险救援物资增配名录 (续)

    序号 种类 物资名称 主要用途或技术要求 备注

    11 输转 消防水回用装备 用于消防废水的快速处理回用 —

    12 洗消 洗消粉 按比例与水混合后,对 人 体、物 品 和 场 地 的 降 毒

    洗消 —

    13 排烟照明 坑道小型空气

    输送机

    缺氧空间作业,排风量符合常用救灾的要求;具备

    防静电功能

    易燃 易 爆 环 境 应 具 备

    防爆功能

    14

    15

    16

    17

    其他

    抗爆庇护所

    易燃易爆物质泄漏爆炸事故中为人员与重要安全

    设施提供安全防护,技术性能符合 GB/T50779—

    2022中第3章的要求

    以区 域 内 人 员 数 量 及

    重要 设 施 规 格 确 定 抗

    爆庇护所尺寸

    防毒庇护所 有硫化氢等毒气体泄漏事故中提供人员安全防护

    以区 域 内 人 员 数 量 确

    定防 毒 庇 护 所 尺 寸 及

    生命供给系统配置

    消防机器人 代替消防救援人员进入事故现场进行侦察、灭火、

    救援等工作,履带或轮式底盘

    按 需 求 选 配 灭 火、排

    烟、侦检等功能

    侦察无人机

    用于事故现场内部环境侦察、人员位置确定、回传

    图像或视频,最大载荷不低于5kg,空载时续航时

    间不低于30min

    第二类危险化学品单位应急救援队伍的抢险救援物资增配名录见表B.3。

    表B.3 第二类危险化学品单位应急救援队伍的抢险救援物资增配名录

    序号 种类 物资名称 主要用途或技术要求 备注

    1

    2

    救生 救援三脚架

    金属框架,配有手摇式 绞 盘,牵 引 滑 轮 最 大 承 载

    2500N,绳索长度不小于30m —

    救生软梯 登高救生作业,技术性能符合GB21976.3的要求 —

    3

    4

    堵漏

    粘贴式堵漏工具 各种罐体和管道表面点状、线状泄漏的堵漏作业;

    无火花材料 —

    注入式堵漏工具

    间门或法兰盘堵漏作业;无火花材料;配有手动液

    压泵,泵缸压力≥70 MPa,使用温度-100 ℃~ 400℃

    5 输转 有毒物质密封桶 装载有毒有害物质,可防酸碱,耐高温 —

    6 排烟照明 移动发电机 灾害现场等的照明 —

    7

    8

    其他

    抗爆庇护所

    易燃易爆物质泄漏爆炸事故中为人员与重要安全

    设施提供安全防护,技术性能符合 GB/T50779—

    2022中第3章的要求

    以区 域 内 人 员 数 量 及

    重要 设 施 规 格 确 定 抗

    爆庇护所尺寸

    防毒庇护所 有硫化氢等毒气体泄漏事故中提供人员安全防护

    以区 域 内 人 员 数 量 确

    定防 毒 庇 护 所 尺 寸 及

    生命供给系统配置

    01

    GB30077—2023

  • 2025年《化工安全》规范提高班--规范合集.pdf-图片50

    表B.2 第一类危险化学品单位应急救援队伍的抢险救援物资增配名录 (续)

    序号 种类 物资名称 主要用途或技术要求 备注

    11 输转 消防水回用装备 用于消防废水的快速处理回用 —

    12 洗消 洗消粉 按比例与水混合后,对 人 体、物 品 和 场 地 的 降 毒

    洗消 —

    13 排烟照明 坑道小型空气

    输送机

    缺氧空间作业,排风量符合常用救灾的要求;具备

    防静电功能

    易燃 易 爆 环 境 应 具 备

    防爆功能

    14

    15

    16

    17

    其他

    抗爆庇护所

    易燃易爆物质泄漏爆炸事故中为人员与重要安全

    设施提供安全防护,技术性能符合 GB/T50779—

    2022中第3章的要求

    以区 域 内 人 员 数 量 及

    重要 设 施 规 格 确 定 抗

    爆庇护所尺寸

    防毒庇护所 有硫化氢等毒气体泄漏事故中提供人员安全防护

    以区 域 内 人 员 数 量 确

    定防 毒 庇 护 所 尺 寸 及

    生命供给系统配置

    消防机器人 代替消防救援人员进入事故现场进行侦察、灭火、

    救援等工作,履带或轮式底盘

    按 需 求 选 配 灭 火、排

    烟、侦检等功能

    侦察无人机

    用于事故现场内部环境侦察、人员位置确定、回传

    图像或视频,最大载荷不低于5kg,空载时续航时

    间不低于30min

    第二类危险化学品单位应急救援队伍的抢险救援物资增配名录见表B.3。

    表B.3 第二类危险化学品单位应急救援队伍的抢险救援物资增配名录

    序号 种类 物资名称 主要用途或技术要求 备注

    1

    2

    救生 救援三脚架

    金属框架,配有手摇式 绞 盘,牵 引 滑 轮 最 大 承 载

    2500N,绳索长度不小于30m —

    救生软梯 登高救生作业,技术性能符合GB21976.3的要求 —

    3

    4

    堵漏

    粘贴式堵漏工具 各种罐体和管道表面点状、线状泄漏的堵漏作业;

    无火花材料 —

    注入式堵漏工具

    间门或法兰盘堵漏作业;无火花材料;配有手动液

    压泵,泵缸压力≥70 MPa,使用温度-100 ℃~ 400℃

    5 输转 有毒物质密封桶 装载有毒有害物质,可防酸碱,耐高温 —

    6 排烟照明 移动发电机 灾害现场等的照明 —

    7

    8

    其他

    抗爆庇护所

    易燃易爆物质泄漏爆炸事故中为人员与重要安全

    设施提供安全防护,技术性能符合 GB/T50779—

    2022中第3章的要求

    以区 域 内 人 员 数 量 及

    重要 设 施 规 格 确 定 抗

    爆庇护所尺寸

    防毒庇护所 有硫化氢等毒气体泄漏事故中提供人员安全防护

    以区 域 内 人 员 数 量 确

    定防 毒 庇 护 所 尺 寸 及

    生命供给系统配置

    01

    GB30077—2023

    附 录 C (规范性)

    第一类危险化学品单位应急救援队伍抢险救援物资配备要求

    第一类危险化学品单位应急救援队伍的抢险救援物资配备要求应符合表C.1~表C.11的要求。

    表 C.1 侦检器材配备要求

    序号 物资名称 主要用途或技术要求 配备 备注

    1 有毒气体探测仪 具备自动识别、防水、防爆性能;能探测有毒、有害

    气体及氧含量 2台

    2 可燃气体检测仪 检测事故现场易燃易爆气体,可检测多种易燃易爆

    气体的浓度,技术性能符合GB12358的要求 2台

    同时具备 可 燃 有 毒 气 体

    检测功能 的 多 合 一 检 测

    仪,可合并按2台配备

    3 红外测温仪 测量事故现场温度;可预设高、低温危险报警 1台 —

    4 便携式气象仪 测量风速、风向、温度、湿度、大气压等气象参数 1台 —

    表 C.2 警戒器材配备要求

    序号 物资名称 主要用途或技术要求 配备 备注

    1 警戒标志杆 灾害事故现场警戒,有反光功能 10根 —

    2 锥形事故标志柱 灾害事故现场道路警戒 10根 —

    3 隔离警示带 灾害事故现场警戒;双面反光,每盘长度约500m 10盘 备份2盘

    4 出入口标志牌

    灾害事故现场标示;图案、文字、边框均为反光材

    料,与标志杆配套使用,易燃易爆环境应为无火花

    材料

    2组 —

    5 危险警示牌

    灾害事故现场警戒警示;分为有毒、易燃、泄漏、爆 炸、危险等五种标志,图案为反光材料。与标志杆

    配套使用,易燃易爆环境应为无火花材料

    5块 —

    6 闪光警示灯 灾害事故现场警戒警 示;频 闪 型,光 线 暗 时 自 动

    闪亮 5个 备份2个

    7 便携式扩音器 灾害事故现场指挥;功率大于10W,峰值声压级≥ 120dB,同时应具备警报功能

    2个 —

    表 C.3 灭火器材配备要求

    序号 物资名称 主要用途或技术要求 配备 备注

    1 机动手抬泵 可人力搬运,用作输送水或泡沫溶液等液体灭火

    剂的专用泵 3台

    同 时 配 备 相 应 配 套 软

    管,软管长度根据企业需

    求配备

    2 移动式灭火装置 扑救可燃化学品火灾的移动式消防炮、泡沫灭火

    装置等 2套

    低沸点等 易 燃 液 体 危 化

    品 火 灾 根 据 现 场 风 险

    配置

    11

    GB30077—2023

  • 2025年《化工安全》规范提高班--规范合集.pdf-图片51

    附 录 C (规范性)

    第一类危险化学品单位应急救援队伍抢险救援物资配备要求

    第一类危险化学品单位应急救援队伍的抢险救援物资配备要求应符合表C.1~表C.11的要求。

    表 C.1 侦检器材配备要求

    序号 物资名称 主要用途或技术要求 配备 备注

    1 有毒气体探测仪 具备自动识别、防水、防爆性能;能探测有毒、有害

    气体及氧含量 2台

    2 可燃气体检测仪 检测事故现场易燃易爆气体,可检测多种易燃易爆

    气体的浓度,技术性能符合GB12358的要求 2台

    同时具备 可 燃 有 毒 气 体

    检测功能 的 多 合 一 检 测

    仪,可合并按2台配备

    3 红外测温仪 测量事故现场温度;可预设高、低温危险报警 1台 —

    4 便携式气象仪 测量风速、风向、温度、湿度、大气压等气象参数 1台 —

    表 C.2 警戒器材配备要求

    序号 物资名称 主要用途或技术要求 配备 备注

    1 警戒标志杆 灾害事故现场警戒,有反光功能 10根 —

    2 锥形事故标志柱 灾害事故现场道路警戒 10根 —

    3 隔离警示带 灾害事故现场警戒;双面反光,每盘长度约500m 10盘 备份2盘

    4 出入口标志牌

    灾害事故现场标示;图案、文字、边框均为反光材

    料,与标志杆配套使用,易燃易爆环境应为无火花

    材料

    2组 —

    5 危险警示牌

    灾害事故现场警戒警示;分为有毒、易燃、泄漏、爆 炸、危险等五种标志,图案为反光材料。与标志杆

    配套使用,易燃易爆环境应为无火花材料

    5块 —

    6 闪光警示灯 灾害事故现场警戒警 示;频 闪 型,光 线 暗 时 自 动

    闪亮 5个 备份2个

    7 便携式扩音器 灾害事故现场指挥;功率大于10W,峰值声压级≥ 120dB,同时应具备警报功能

    2个 —

    表 C.3 灭火器材配备要求

    序号 物资名称 主要用途或技术要求 配备 备注

    1 机动手抬泵 可人力搬运,用作输送水或泡沫溶液等液体灭火

    剂的专用泵 3台

    同 时 配 备 相 应 配 套 软

    管,软管长度根据企业需

    求配备

    2 移动式灭火装置 扑救可燃化学品火灾的移动式消防炮、泡沫灭火

    装置等 2套

    低沸点等 易 燃 液 体 危 化

    品 火 灾 根 据 现 场 风 险

    配置

    11

    GB30077—2023

    表 C.3 灭火器材配备要求 (续)

    序号 物资名称 主要用途或技术要求 配备 备注

    3 A、B类比例混合器、

    泡沫液桶、空气泡沫枪

    扑救小面积化工类火灾;由储液桶、吸液管和泡

    沫管枪组成,操作轻便快捷 2套

    同时配备 泡 沫 桶 运 输 工

    具,方便将泡沫桶运送至

    事故现场

    4 水带 消防用水的输送 2800m —

    5 应急水幕 阻挡或稀释有毒和易燃易爆气体或液体蒸气 1套 包括水幕水带、移动式水

    幕等器材

    6 常规器材工具 按所配车辆技术标准要求配备 1套

    扳 手、水 枪、分 水 器、接

    口、包布、护桥、泡沫钩管

    等常规器材工具

    7 二节拉梯 登高作业 3个 —

    表 C.4 通信器材配备要求

    序号 物资名称 主要用途或技术要求 配备 备注

    1 移动电话 具有防水、抗跌功能,易燃易爆环境应防爆 2部 指挥员配备

    2 对讲机 应急救援人员间以及与后方指挥员的通信,易燃

    易爆环境应防爆 1部/人 按执勤人数配备

    3 通信指挥系统 技术性能符合 GB50313的要求,满足企业通信

    需求 1套 —

    表 C.5 救生器材配备要求

    序号 物资名称 主要用途或技术要求 配备 备注

    1 自动体外除颤器(AED) 用于抢救心源性猝死患者 1套 —

    2 医药急救箱 盛放常规外伤和化学伤害急救所需的敷料、药品和

    器械等 1个 —

    3 救援担架 运送事故现场受伤人员;为金属框架,高分子材料

    表面材质,便于洗消,承重不小于100kg 1架 —

    4 逃生面罩 灾害事故现场被救人员呼吸防护 10个 备份10个

    5 缓降器 高处救人和自救;安全负荷不低于1300N,绳索防

    火、耐磨 2套 —

    6 救援三脚架 技术性能符合XF3009—2020第5章的要求 1套 —

    7 救生软梯 供被困人员逃生以及登高救生作业使用,技术性能

    符合GB21976.3的要求 1条 —

    8 救生绳 救人或自救工具,也可 用 于 运 送 消 防 施 救 器 材,

    50m 2组 —

    21

    GB30077—2023

  • 2025年《化工安全》规范提高班--规范合集.pdf-图片52

    表 C.3 灭火器材配备要求 (续)

    序号 物资名称 主要用途或技术要求 配备 备注

    3 A、B类比例混合器、

    泡沫液桶、空气泡沫枪

    扑救小面积化工类火灾;由储液桶、吸液管和泡

    沫管枪组成,操作轻便快捷 2套

    同时配备 泡 沫 桶 运 输 工

    具,方便将泡沫桶运送至

    事故现场

    4 水带 消防用水的输送 2800m —

    5 应急水幕 阻挡或稀释有毒和易燃易爆气体或液体蒸气 1套 包括水幕水带、移动式水

    幕等器材

    6 常规器材工具 按所配车辆技术标准要求配备 1套

    扳 手、水 枪、分 水 器、接

    口、包布、护桥、泡沫钩管

    等常规器材工具

    7 二节拉梯 登高作业 3个 —

    表 C.4 通信器材配备要求

    序号 物资名称 主要用途或技术要求 配备 备注

    1 移动电话 具有防水、抗跌功能,易燃易爆环境应防爆 2部 指挥员配备

    2 对讲机 应急救援人员间以及与后方指挥员的通信,易燃

    易爆环境应防爆 1部/人 按执勤人数配备

    3 通信指挥系统 技术性能符合 GB50313的要求,满足企业通信

    需求 1套 —

    表 C.5 救生器材配备要求

    序号 物资名称 主要用途或技术要求 配备 备注

    1 自动体外除颤器(AED) 用于抢救心源性猝死患者 1套 —

    2 医药急救箱 盛放常规外伤和化学伤害急救所需的敷料、药品和

    器械等 1个 —

    3 救援担架 运送事故现场受伤人员;为金属框架,高分子材料

    表面材质,便于洗消,承重不小于100kg 1架 —

    4 逃生面罩 灾害事故现场被救人员呼吸防护 10个 备份10个

    5 缓降器 高处救人和自救;安全负荷不低于1300N,绳索防

    火、耐磨 2套 —

    6 救援三脚架 技术性能符合XF3009—2020第5章的要求 1套 —

    7 救生软梯 供被困人员逃生以及登高救生作业使用,技术性能

    符合GB21976.3的要求 1条 —

    8 救生绳 救人或自救工具,也可 用 于 运 送 消 防 施 救 器 材,

    50m 2组 —

    21

    GB30077—2023

    表 C.6 破拆器材配备要求

    序号 物资名称 主要用途或技术要求 配备 备注

    1 液压破拆工具组 灾害现场破拆作业,技术性能符合 GB/T17906—

    2021第6章的要求

    2 无齿锯 切割金属和混凝土材料

    3 机动链锯 切割各类木质结构障碍物

    4 手动破拆工具组 灾害现场破拆作业

    1套 根据企业实际情况选配

    表 C.7 堵漏器材配备要求

    序号 物资名称 主要用途或技术要求 配备 备注

    1 木制堵漏楔 各类孔洞状较低压力的堵漏作业;经专门绝缘处

    理,防裂,不变形 1套 每套不少于28种规格

    2 气动吸盘式堵漏工具 封堵不规则孔洞;气动、负压式吸盘,可输转作业

    3 粘贴式堵漏工具 各种罐体和管道表面点状、线状泄漏的堵漏作业

    4 磁式堵漏工具 各种罐体和管道表面点状、线状泄漏的堵漏作业;

    适用温度不大于80℃

    1套

    1)无火花材料,输转软管

    需防静电;

    2)根据企业实际情况和

    工艺特点,选配1套堵漏

    工具

    5 注入式堵漏工具

    阀门或法兰盘堵漏作业;无火花材料;配有手动液压

    泵,液压不小于70MPa,堵漏胶使用温度-100℃~ 400℃

    1套 含注入式堵漏胶

    6 无火花工具 易燃、易爆事故现场的手动作业,铜或铜合金材料

    制作 1套 每套不小于11种

    7 金属堵漏套管 易燃、易爆事故现场的各种金属管道裂缝的密封堵

    漏,无火花材料制作 1套 —

    表 C.8 输转器材配备要求

    序号 物资名称 主要用途或技术要求 配备 备注

    1 输转器具 收容、输转各种液体、粉体危化品的输转泵、危化品

    真空收集器等输转器具;易燃易爆场所应为防爆 1台 —

    2 有毒物质密封桶 装载有毒有害物质;防酸碱,耐高温 2个 —

    3 吸附材料 小范围内吸附酸、碱、有 机 物 液 体 和 其 他 腐 蚀 性

    液体 2箱 —

    4 集污袋 装载有害物质 2只 —

    表 C.9 洗消物品配备要求

    序号 物资名称 主要用途或技术要求 配备 备注

    1 强酸、碱清洗剂 手部或身体小面积部位的洗消 5瓶 酸碱环境下配备

    2 强酸、碱洗消器 化学灼伤部位的洗消 2只 酸碱环境下配备

    3 洗消帐篷 消防人员洗消;配有电动充气泵、喷淋、照明等系统 1套 —

    31

    GB30077—2023

  • 2025年《化工安全》规范提高班--规范合集.pdf-图片53

    表 C.6 破拆器材配备要求

    序号 物资名称 主要用途或技术要求 配备 备注

    1 液压破拆工具组 灾害现场破拆作业,技术性能符合 GB/T17906—

    2021第6章的要求

    2 无齿锯 切割金属和混凝土材料

    3 机动链锯 切割各类木质结构障碍物

    4 手动破拆工具组 灾害现场破拆作业

    1套 根据企业实际情况选配

    表 C.7 堵漏器材配备要求

    序号 物资名称 主要用途或技术要求 配备 备注

    1 木制堵漏楔 各类孔洞状较低压力的堵漏作业;经专门绝缘处

    理,防裂,不变形 1套 每套不少于28种规格

    2 气动吸盘式堵漏工具 封堵不规则孔洞;气动、负压式吸盘,可输转作业

    3 粘贴式堵漏工具 各种罐体和管道表面点状、线状泄漏的堵漏作业

    4 磁式堵漏工具 各种罐体和管道表面点状、线状泄漏的堵漏作业;

    适用温度不大于80℃

    1套

    1)无火花材料,输转软管

    需防静电;

    2)根据企业实际情况和

    工艺特点,选配1套堵漏

    工具

    5 注入式堵漏工具

    阀门或法兰盘堵漏作业;无火花材料;配有手动液压

    泵,液压不小于70MPa,堵漏胶使用温度-100℃~ 400℃

    1套 含注入式堵漏胶

    6 无火花工具 易燃、易爆事故现场的手动作业,铜或铜合金材料

    制作 1套 每套不小于11种

    7 金属堵漏套管 易燃、易爆事故现场的各种金属管道裂缝的密封堵

    漏,无火花材料制作 1套 —

    表 C.8 输转器材配备要求

    序号 物资名称 主要用途或技术要求 配备 备注

    1 输转器具 收容、输转各种液体、粉体危化品的输转泵、危化品

    真空收集器等输转器具;易燃易爆场所应为防爆 1台 —

    2 有毒物质密封桶 装载有毒有害物质;防酸碱,耐高温 2个 —

    3 吸附材料 小范围内吸附酸、碱、有 机 物 液 体 和 其 他 腐 蚀 性

    液体 2箱 —

    4 集污袋 装载有害物质 2只 —

    表 C.9 洗消物品配备要求

    序号 物资名称 主要用途或技术要求 配备 备注

    1 强酸、碱清洗剂 手部或身体小面积部位的洗消 5瓶 酸碱环境下配备

    2 强酸、碱洗消器 化学灼伤部位的洗消 2只 酸碱环境下配备

    3 洗消帐篷 消防人员洗消;配有电动充气泵、喷淋、照明等系统 1套 —

    31

    GB30077—2023

    表 C.10 排烟照明器材配备要求

    序号 物资名称 主要用途或技术要求 配备 备注

    1 移动式排烟排风设备 灾害现场的排烟排风和送风,配有相应口径的风管 1台 硫化氢等 毒 害 环 境 下 配

    置应急消除设备

    2 移动照明灯组 灾害现场的作业照明,照度符合作业要求 1套 易燃易爆 环 境 应 具 备 防

    爆功能

    3 移动发电机 灾害现场等电气设备的供电 2台 —

    表 C.11 其他物资配备要求

    序号 物资名称 主要用途或技术要求 配备 备注

    1 心肺复苏人体模型 急救训练用 1套 —

    2 空气充填泵 现场为空气呼吸器储气瓶充气 1套 —

    3 硫化氢捕消设备 硫化氢泄漏时提供快速清除手段,争取逃生和救援

    时间 1套 硫化氢毒害环境下配备

    41

    GB30077—2023

  • 2025年《化工安全》规范提高班--规范合集.pdf-图片54

    表 C.10 排烟照明器材配备要求

    序号 物资名称 主要用途或技术要求 配备 备注

    1 移动式排烟排风设备 灾害现场的排烟排风和送风,配有相应口径的风管 1台 硫化氢等 毒 害 环 境 下 配

    置应急消除设备

    2 移动照明灯组 灾害现场的作业照明,照度符合作业要求 1套 易燃易爆 环 境 应 具 备 防

    爆功能

    3 移动发电机 灾害现场等电气设备的供电 2台 —

    表 C.11 其他物资配备要求

    序号 物资名称 主要用途或技术要求 配备 备注

    1 心肺复苏人体模型 急救训练用 1套 —

    2 空气充填泵 现场为空气呼吸器储气瓶充气 1套 —

    3 硫化氢捕消设备 硫化氢泄漏时提供快速清除手段,争取逃生和救援

    时间 1套 硫化氢毒害环境下配备

    41

    GB30077—2023

    附 录 D (规范性)

    第二类危险化学品单位应急救援队伍抢险救援物资配备要求

    第二类危险化学品单位应急救援队伍的应急救援物资配备种类和数量应符合表D.1。

    表 D.1 应急救援物资配备种类和数量

    序号 种类 物资名称 主要用途或技术要求 配备 备注

    1

    2

    侦检 有毒气体探测仪

    具备自动识别、防水、防爆性能,能探测有

    毒、有害气体及氧含量 2台

    可燃气体检测仪 技术性能符合GB12358的要求 2台

    同时具备可燃有毒气体

    检测功能的多合一检测

    仪,可合并按2台配备

    3

    4 警戒

    各类警示牌 灾害事故现场警戒警示 1套 —

    隔离警示带 灾害事故现场警戒,双面反光 5盘 备用2盘

    5

    6

    7

    灭火

    移动式消防炮 扑救可燃化学品火灾 2台 —

    水带 消防用水的输送 1200m —

    常规器材工具 按所配车辆技术标准要求配备 1套

    扳手、水枪、分水器、接 口、包布、护桥、泡沫钩

    管等常规器材工具

    8

    9 通信

    移动电话 易燃易爆环境应防爆 2部 —

    对讲机 易燃易爆环境应防爆 1台/人 —

    10

    11

    12

    13

    14

    15

    救生

    自动体外除颤器(AED) 用于抢救心源性猝死患者 1套 —

    缓降器 高处救人和自救;安全负荷不低于1300 N,绳索防火、耐磨

    2套 —

    逃生面罩 灾害事故现场被救人员呼吸防护 10个 备用5个

    折叠式担架

    运送事故现场受伤人员,为金属框架,高 分子材料表面材质,便于洗消,承重不小

    于100kg

    1架 —

    安全绳 长度50m 2组 —

    医药急救箱 盛放常规外伤和化学伤害急救所需的敷

    料、药品和器械等 1个 —

    16

    17

    18

    破拆

    液压破拆工具组 灾害现场破拆作业

    无齿锯 切割金属和混凝土材料,包括链条锯等

    手动破拆工具组 灾害现场破拆作业

    1套 根据 企 业 实 际 情 况 选

    择其中一项配备

    19

    20

    堵漏 木制堵漏楔

    各类孔洞状较低压力的堵漏作业。经专

    门绝缘处理,防裂,不变形 1套 每套不少于28种规格

    无火花工具 易燃易爆事故现场的手动作业,铜制材料 1套 —

    51

    GB30077—2023

  • 2025年《化工安全》规范提高班--规范合集.pdf-图片55

    附 录 D (规范性)

    第二类危险化学品单位应急救援队伍抢险救援物资配备要求

    第二类危险化学品单位应急救援队伍的应急救援物资配备种类和数量应符合表D.1。

    表 D.1 应急救援物资配备种类和数量

    序号 种类 物资名称 主要用途或技术要求 配备 备注

    1

    2

    侦检 有毒气体探测仪

    具备自动识别、防水、防爆性能,能探测有

    毒、有害气体及氧含量 2台

    可燃气体检测仪 技术性能符合GB12358的要求 2台

    同时具备可燃有毒气体

    检测功能的多合一检测

    仪,可合并按2台配备

    3

    4 警戒

    各类警示牌 灾害事故现场警戒警示 1套 —

    隔离警示带 灾害事故现场警戒,双面反光 5盘 备用2盘

    5

    6

    7

    灭火

    移动式消防炮 扑救可燃化学品火灾 2台 —

    水带 消防用水的输送 1200m —

    常规器材工具 按所配车辆技术标准要求配备 1套

    扳手、水枪、分水器、接 口、包布、护桥、泡沫钩

    管等常规器材工具

    8

    9 通信

    移动电话 易燃易爆环境应防爆 2部 —

    对讲机 易燃易爆环境应防爆 1台/人 —

    10

    11

    12

    13

    14

    15

    救生

    自动体外除颤器(AED) 用于抢救心源性猝死患者 1套 —

    缓降器 高处救人和自救;安全负荷不低于1300 N,绳索防火、耐磨

    2套 —

    逃生面罩 灾害事故现场被救人员呼吸防护 10个 备用5个

    折叠式担架

    运送事故现场受伤人员,为金属框架,高 分子材料表面材质,便于洗消,承重不小

    于100kg

    1架 —

    安全绳 长度50m 2组 —

    医药急救箱 盛放常规外伤和化学伤害急救所需的敷

    料、药品和器械等 1个 —

    16

    17

    18

    破拆

    液压破拆工具组 灾害现场破拆作业

    无齿锯 切割金属和混凝土材料,包括链条锯等

    手动破拆工具组 灾害现场破拆作业

    1套 根据 企 业 实 际 情 况 选

    择其中一项配备

    19

    20

    堵漏 木制堵漏楔

    各类孔洞状较低压力的堵漏作业。经专

    门绝缘处理,防裂,不变形 1套 每套不少于28种规格

    无火花工具 易燃易爆事故现场的手动作业,铜制材料 1套 —

    51

    GB30077—2023

    表 D.1 应急救援物资配备种类和数量 (续)

    序号 种类 物资名称 主要用途或技术要求 配备 备注

    21

    22

    输转

    输转器具

    收容、输转各种液体、粉体危化品的输转

    泵、危化品真空收集器等输转器具;易燃

    易爆场所应为防爆

    1台 —

    吸附材料 小范围内吸附酸、碱、有机物液体和其他

    腐蚀性液体 2箱 —

    23 洗消 洗消帐篷 消防人员洗消;配有电动充气泵、喷淋、照 明等系统

    1顶 —

    24

    25

    排烟

    照明

    移动式排烟排风设备 灾害现场的排烟排风和送风,配有相应口

    径的风管 1台

    硫化 氢 等 毒 害 环 境 下

    配置应急消除设备

    移动照明灯组 灾害现场的作业照明,照度符合作业要求 1组 —

    26

    27

    其他

    应急水幕 阻挡或稀释有毒和易燃易爆气体或液体

    蒸气 1套

    包括水幕水带、移动式

    水幕等器材

    硫化氢捕消设备 硫化氢泄漏时提供快速清除手段,争取逃

    生和救援时间 1套

    硫 化 氢 毒 害 环 境 下

    配备

    61

    GB30077—2023

  • 2025年《化工安全》规范提高班--规范合集.pdf-图片56

    表 D.1 应急救援物资配备种类和数量 (续)

    序号 种类 物资名称 主要用途或技术要求 配备 备注

    21

    22

    输转

    输转器具

    收容、输转各种液体、粉体危化品的输转

    泵、危化品真空收集器等输转器具;易燃

    易爆场所应为防爆

    1台 —

    吸附材料 小范围内吸附酸、碱、有机物液体和其他

    腐蚀性液体 2箱 —

    23 洗消 洗消帐篷 消防人员洗消;配有电动充气泵、喷淋、照 明等系统

    1顶 —

    24

    25

    排烟

    照明

    移动式排烟排风设备 灾害现场的排烟排风和送风,配有相应口

    径的风管 1台

    硫化 氢 等 毒 害 环 境 下

    配置应急消除设备

    移动照明灯组 灾害现场的作业照明,照度符合作业要求 1组 —

    26

    27

    其他

    应急水幕 阻挡或稀释有毒和易燃易爆气体或液体

    蒸气 1套

    包括水幕水带、移动式

    水幕等器材

    硫化氢捕消设备 硫化氢泄漏时提供快速清除手段,争取逃

    生和救援时间 1套

    硫 化 氢 毒 害 环 境 下

    配备

    61

    GB30077—2023

    参 考 文 献

    [1] GB/T3836(所有部分) 爆炸性环境

    [2] GB/T4754 国民经济行业分类

    [3] GB12014 防护服装 防静电服

    [4] GB/T17622 带电作业用绝缘手套

    [5] GB18218 危险化学品重大危险源辨识

    [6] GB21148 足部防护 安全鞋

    [7] GB/T24439 救灾物资储备库管理规范

    [8] GB/T29178 消防应急救援 装备配备指南

    [9] GB/T29639 生产经营单位生产安全事故应急预案编制导则

    [10] GB/T38565 应急物资分类及编码

    [11] XF494 消防用防坠落装备

    [12] XF621 消防员个人防护装备配备标准

    [13] XF622 消防特勤队(站)装备配备标准

    GB30077—2023

  • 2025年《化工安全》规范提高班--规范合集.pdf-图片57

    参 考 文 献

    [1] GB/T3836(所有部分) 爆炸性环境

    [2] GB/T4754 国民经济行业分类

    [3] GB12014 防护服装 防静电服

    [4] GB/T17622 带电作业用绝缘手套

    [5] GB18218 危险化学品重大危险源辨识

    [6] GB21148 足部防护 安全鞋

    [7] GB/T24439 救灾物资储备库管理规范

    [8] GB/T29178 消防应急救援 装备配备指南

    [9] GB/T29639 生产经营单位生产安全事故应急预案编制导则

    [10] GB/T38565 应急物资分类及编码

    [11] XF494 消防用防坠落装备

    [12] XF621 消防员个人防护装备配备标准

    [13] XF622 消防特勤队(站)装备配备标准

    GB30077—2023

    ICS13.100 CCSC75

    中 华 人 民 共 和 国 国 家 标 准

    GB45067—2024

    特种设备重大事故隐患判定准则

    Criteriaformajoraccidentpotentialofspecialequipmentjudgment

    2024-11-28发布 2024-12-01实施

    国 家 市 场 监 督 管 理 总 局 国 家 标 准 化 管 理 委 员 会

    发 布

  • 2025年《化工安全》规范提高班--规范合集.pdf-图片58

    ICS13.100 CCSC75

    中 华 人 民 共 和 国 国 家 标 准

    GB45067—2024

    特种设备重大事故隐患判定准则

    Criteriaformajoraccidentpotentialofspecialequipmentjudgment

    2024-11-28发布 2024-12-01实施

    国 家 市 场 监 督 管 理 总 局 国 家 标 准 化 管 理 委 员 会

    发 布

    目 次

    前言 Ⅲ…………………………………………………………………………………………………………

    引言 Ⅳ…………………………………………………………………………………………………………

    1 范围 1………………………………………………………………………………………………………

    2 规范性引用文件 1…………………………………………………………………………………………

    3 术语和定义 1………………………………………………………………………………………………

    4 判定准则 1…………………………………………………………………………………………………

    参考文献 4………………………………………………………………………………………………………

    GB45067—2024

  • 2025年《化工安全》规范提高班--规范合集.pdf-图片59

    目 次

    前言 Ⅲ…………………………………………………………………………………………………………

    引言 Ⅳ…………………………………………………………………………………………………………

    1 范围 1………………………………………………………………………………………………………

    2 规范性引用文件 1…………………………………………………………………………………………

    3 术语和定义 1………………………………………………………………………………………………

    4 判定准则 1…………………………………………………………………………………………………

    参考文献 4………………………………………………………………………………………………………

    GB45067—2024

    前 言

    本文件按照GB/T1.1—2020《标准化工作导则 第1部分:标准化文件的结构和起草规则》的规定

    起草。 请注意本文件的某些内容可能涉及专利。本文件的发布机构不承担识别专利的责任。 本文件由国家市场监督管理总局提出并归口。

    GB45067—2024

  • 2025年《化工安全》规范提高班--规范合集.pdf-图片60

    前 言

    本文件按照GB/T1.1—2020《标准化工作导则 第1部分:标准化文件的结构和起草规则》的规定

    起草。 请注意本文件的某些内容可能涉及专利。本文件的发布机构不承担识别专利的责任。 本文件由国家市场监督管理总局提出并归口。

    GB45067—2024

    引 言

    本文件中特种设备重大事故隐患判定的主体责任为特种设备使用单位;特种设备安全监督管理部

    门监督检查判定的项目限于4.1a)、4.1b)、4.1c)、4.2a)、4.3a)、4.4a)、4.5a)、4.6a)、4.7a)、4.7b)、

    4.8a)、4.9a)、4.10a);特种设备检验机构或技术机构通过监督检验、定期检验或相应技术服务对特种

    设备重大事故隐患的判定提供技术支持。 发现除4.1~4.10以外的其他可能导致发生特种设备事故的情形,使用单位可根据导致事故发生

    的可能性大小及事故后果的严重程度进行判定。

    GB45067—2024

  • 2025年《化工安全》规范提高班--规范合集.pdf-图片61

    引 言

    本文件中特种设备重大事故隐患判定的主体责任为特种设备使用单位;特种设备安全监督管理部

    门监督检查判定的项目限于4.1a)、4.1b)、4.1c)、4.2a)、4.3a)、4.4a)、4.5a)、4.6a)、4.7a)、4.7b)、

    4.8a)、4.9a)、4.10a);特种设备检验机构或技术机构通过监督检验、定期检验或相应技术服务对特种

    设备重大事故隐患的判定提供技术支持。 发现除4.1~4.10以外的其他可能导致发生特种设备事故的情形,使用单位可根据导致事故发生

    的可能性大小及事故后果的严重程度进行判定。

    GB45067—2024

    特种设备重大事故隐患判定准则

    1 范围

    本文件规定了特种设备重大事故隐患的术语和定义、判定准则。 本文件适用于对使用过程的特种设备重大事故隐患判定。 本文件不适用于:

    a) 军事装备、核设施、航空航天器使用的特种设备;

    b) 铁路机车、海上设施和船舶、矿山井下使用的特种设备以及民用机场专用设备,房屋建筑工地、 市政工程工地用起重机械和场(厂)内专用机动车辆;

    c) 按照特种设备安全技术规范规定不需要办理使用登记的特种设备。

    2 规范性引用文件

    本文件没有规范性引用文件。

    3 术语和定义

    下列术语和定义适用于本文件。

    3.1 特种设备重大事故隐患 majoraccidentpotentialofspecialequipment 在特种设备使用过程中,存在的危害程度较大、可能导致群死群伤或造成重大经济损失的潜在不安

    全情形。 注:特种设备重大事故隐患对应《中华人民共和国特种设备安全法》中的严重事故隐患。

    4 判定准则

    4.1 特种设备有下列情形之一仍继续使用的,应判定为重大事故隐患。

    a) 特种设备未取得许可生产、因安全问题国家明令淘汰、已经报废或者达到报废条件。

    b) 特种设备发生过事故,未对其进行全面检查、消除事故隐患。

    c) 未按规定进行监督检验或者监督检验不合格。

    d) 有4.2~4.10中规定的超过规定参数、使用范围的情形。

    4.2 锅炉有下列情形之一仍继续使用的,应判定为重大事故隐患。

    a) 定期检验的检验结论为“不符合要求”。

    b) 热工仪表失效或控制电(气)源中断,导致无法监视、调整主要运行参数。

    c) 安全阀(爆破片装置)缺失或失效。

    d) 系统报警装置缺失或失效。

    e) 联锁保护装置缺失或失效。

    f) 熄火保护装置缺失或失效。

    g) 电站锅炉主要汽水管道泄漏或锅炉范围内管道破裂。 1

    GB45067—2024

  • 2025年《化工安全》规范提高班--规范合集.pdf-图片62

    特种设备重大事故隐患判定准则

    1 范围

    本文件规定了特种设备重大事故隐患的术语和定义、判定准则。 本文件适用于对使用过程的特种设备重大事故隐患判定。 本文件不适用于:

    a) 军事装备、核设施、航空航天器使用的特种设备;

    b) 铁路机车、海上设施和船舶、矿山井下使用的特种设备以及民用机场专用设备,房屋建筑工地、 市政工程工地用起重机械和场(厂)内专用机动车辆;

    c) 按照特种设备安全技术规范规定不需要办理使用登记的特种设备。

    2 规范性引用文件

    本文件没有规范性引用文件。

    3 术语和定义

    下列术语和定义适用于本文件。

    3.1 特种设备重大事故隐患 majoraccidentpotentialofspecialequipment 在特种设备使用过程中,存在的危害程度较大、可能导致群死群伤或造成重大经济损失的潜在不安

    全情形。 注:特种设备重大事故隐患对应《中华人民共和国特种设备安全法》中的严重事故隐患。

    4 判定准则

    4.1 特种设备有下列情形之一仍继续使用的,应判定为重大事故隐患。

    a) 特种设备未取得许可生产、因安全问题国家明令淘汰、已经报废或者达到报废条件。

    b) 特种设备发生过事故,未对其进行全面检查、消除事故隐患。

    c) 未按规定进行监督检验或者监督检验不合格。

    d) 有4.2~4.10中规定的超过规定参数、使用范围的情形。

    4.2 锅炉有下列情形之一仍继续使用的,应判定为重大事故隐患。

    a) 定期检验的检验结论为“不符合要求”。

    b) 热工仪表失效或控制电(气)源中断,导致无法监视、调整主要运行参数。

    c) 安全阀(爆破片装置)缺失或失效。

    d) 系统报警装置缺失或失效。

    e) 联锁保护装置缺失或失效。

    f) 熄火保护装置缺失或失效。

    g) 电站锅炉主要汽水管道泄漏或锅炉范围内管道破裂。 1

    GB45067—2024

    4.3 压力容器有下列情形之一仍继续使用的,应判定为重大事故隐患。

    a) 定期检验的检验结论为“不符合要求”。

    b) 固定式压力容器改做移动式压力容器使用。

    c) 固定式压力容器、移动式压力容器的安全阀、爆破片装置、紧急切断装置缺失或失效。

    d) 快开门式压力容器的快开安全保护联锁装置缺失或失效。

    e) 氧舱的接地装置缺失或失效。

    f) 氧舱安全保护联锁装置(联锁功能)失效。

    4.4 压力管道有下列情形之一仍继续使用的,应判定为重大事故隐患。

    a) 定期检验的检验结论为“不符合要求”或“不允许使用”。

    b) 安全阀、爆破片装置、紧急切断装置缺失或失效。

    4.5 移动式压力容器或者气瓶充装有下列情形之一的,应判定为重大事故隐患。

    a) 未经许可,擅自从事移动式压力容器充装或者气瓶充装活动。

    b) 移动式压力容器、气瓶错装介质。

    c) 充装设备设施上的紧急切断装置缺失或失效,仍继续使用的。

    4.6 电梯有下列情形之一仍继续使用的,应判定为重大事故隐患。

    a) 定期检验的检验结论为“不合格”。

    b) 乘客与载货电梯门锁安全回路被短接。

    c) 限速器-安全钳联动试验失效。

    d) 自动扶梯、自动人行道紧急停止开关缺失或失效。

    e) 自动扶梯、自动人行道扶手带外缘与任何障碍物之间距离小于400mm时,未按要求装设防护

    挡板。

    4.7 起重机械有下列情形之一仍继续使用的,应判定为重大事故隐患。

    a) 未经首次检验。

    b) 定期检验(含首次检验)的检验结论为“不合格”。

    c) 急停开关缺失或失效。

    d) 起重量限制器、起重力矩限制器、防坠安全器缺失或失效。

    e) 室外工作的轨道式起重机械抗风防滑装置缺失或失效。

    4.8 客运索道有下列情形之一仍继续使用的,应判定为重大事故隐患。

    a) 定期检验的检验结论为“不合格”或“复检不合格”。

    b) 控制室、站台、机房紧急停车开关缺失或失效。

    c) 吊厢、吊篮、客车门不能锁闭且未停用。

    d) 辅机、备用电源不能启动运行。

    e) 电气系统安全回路发生故障后采用短接方法继续运营。

    4.9 大型游乐设施有下列情形之一仍继续使用的,应判定为重大事故隐患。

    a) 定期检验的检验结论为“不合格”。

    b) 安全带、安全压杠和安全挡杆等乘客束缚装置缺失或失效。

    c) 座舱舱门锁紧装置缺失或失效。

    d) 制动装置、限位装置、防碰撞及缓冲装置、止逆行装置、限速装置缺失或失效。

    e) 主要受力部件、重要焊缝及重要螺栓出现裂纹、严重变形。

    4.10 场(厂)内专用机动车辆有下列情形之一仍继续使用的,应判定为重大事故隐患。

    a) 定期检验的检验结论为“不合格”。

    b) 电动车辆电源紧急切断装置缺失或失效。

    2

    GB45067—2024

  • 2025年《化工安全》规范提高班--规范合集.pdf-图片63

    4.3 压力容器有下列情形之一仍继续使用的,应判定为重大事故隐患。

    a) 定期检验的检验结论为“不符合要求”。

    b) 固定式压力容器改做移动式压力容器使用。

    c) 固定式压力容器、移动式压力容器的安全阀、爆破片装置、紧急切断装置缺失或失效。

    d) 快开门式压力容器的快开安全保护联锁装置缺失或失效。

    e) 氧舱的接地装置缺失或失效。

    f) 氧舱安全保护联锁装置(联锁功能)失效。

    4.4 压力管道有下列情形之一仍继续使用的,应判定为重大事故隐患。

    a) 定期检验的检验结论为“不符合要求”或“不允许使用”。

    b) 安全阀、爆破片装置、紧急切断装置缺失或失效。

    4.5 移动式压力容器或者气瓶充装有下列情形之一的,应判定为重大事故隐患。

    a) 未经许可,擅自从事移动式压力容器充装或者气瓶充装活动。

    b) 移动式压力容器、气瓶错装介质。

    c) 充装设备设施上的紧急切断装置缺失或失效,仍继续使用的。

    4.6 电梯有下列情形之一仍继续使用的,应判定为重大事故隐患。

    a) 定期检验的检验结论为“不合格”。

    b) 乘客与载货电梯门锁安全回路被短接。

    c) 限速器-安全钳联动试验失效。

    d) 自动扶梯、自动人行道紧急停止开关缺失或失效。

    e) 自动扶梯、自动人行道扶手带外缘与任何障碍物之间距离小于400mm时,未按要求装设防护

    挡板。

    4.7 起重机械有下列情形之一仍继续使用的,应判定为重大事故隐患。

    a) 未经首次检验。

    b) 定期检验(含首次检验)的检验结论为“不合格”。

    c) 急停开关缺失或失效。

    d) 起重量限制器、起重力矩限制器、防坠安全器缺失或失效。

    e) 室外工作的轨道式起重机械抗风防滑装置缺失或失效。

    4.8 客运索道有下列情形之一仍继续使用的,应判定为重大事故隐患。

    a) 定期检验的检验结论为“不合格”或“复检不合格”。

    b) 控制室、站台、机房紧急停车开关缺失或失效。

    c) 吊厢、吊篮、客车门不能锁闭且未停用。

    d) 辅机、备用电源不能启动运行。

    e) 电气系统安全回路发生故障后采用短接方法继续运营。

    4.9 大型游乐设施有下列情形之一仍继续使用的,应判定为重大事故隐患。

    a) 定期检验的检验结论为“不合格”。

    b) 安全带、安全压杠和安全挡杆等乘客束缚装置缺失或失效。

    c) 座舱舱门锁紧装置缺失或失效。

    d) 制动装置、限位装置、防碰撞及缓冲装置、止逆行装置、限速装置缺失或失效。

    e) 主要受力部件、重要焊缝及重要螺栓出现裂纹、严重变形。

    4.10 场(厂)内专用机动车辆有下列情形之一仍继续使用的,应判定为重大事故隐患。

    a) 定期检验的检验结论为“不合格”。

    b) 电动车辆电源紧急切断装置缺失或失效。

    2

    GB45067—2024

    c) 制动(包括行车、驻车)装置缺失或失效。

    d) 观光列车的牵引连接装置及其二次保护装置缺失或失效。

    e) 非公路用旅游观光车辆超过最大行驶坡度使用。

    3

    GB45067—2024

  • 2025年《化工安全》规范提高班--规范合集.pdf-图片64

    c) 制动(包括行车、驻车)装置缺失或失效。

    d) 观光列车的牵引连接装置及其二次保护装置缺失或失效。

    e) 非公路用旅游观光车辆超过最大行驶坡度使用。

    3

    GB45067—2024

    参 考 文 献

    [1] TSG08 特种设备使用管理规则

    [2] TSG11 锅炉安全技术规程

    [3] TSG21 固定式压力容器安全技术监察规程

    [4] TSG23 气瓶安全技术规程

    [5] TSG24 氧舱安全技术监察规程

    [6] TSG51 起重机械安全技术规程

    [7] TSG71 大型游乐设施安全技术规程

    [8] TSG81 场(厂)内专用机动车辆安全技术规程

    [9] TSGD0001 压力管道安全技术监察规程———工业管道

    [10] TSGD7003 压力管道定期检验规则———长输管道

    [11] TSGD7004 压力管道定期检验规则———公用管道

    [12] TSGD7005 压力管道定期检验规则———工业管道

    [13] TSGR0005 移动式压力容器安全技术监察规程

    [14] TSGT7001 电梯监督检验和定期检验规则

    [15] TSGS7001 客运索道监督检验和定期检验规则

    [16] 中华人民共和国特种设备安全法

    [17] 特种设备安全监督检查办法 (国家市场监督管理总局令第57号) [18] 特种设备使用单位落实使用安全主体责任监督管理规定 (国家市场监督管理总局令第74号)

    4

    GB45067—2024

  • 2025年《化工安全》规范提高班--规范合集.pdf-图片65

    参 考 文 献

    [1] TSG08 特种设备使用管理规则

    [2] TSG11 锅炉安全技术规程

    [3] TSG21 固定式压力容器安全技术监察规程

    [4] TSG23 气瓶安全技术规程

    [5] TSG24 氧舱安全技术监察规程

    [6] TSG51 起重机械安全技术规程

    [7] TSG71 大型游乐设施安全技术规程

    [8] TSG81 场(厂)内专用机动车辆安全技术规程

    [9] TSGD0001 压力管道安全技术监察规程———工业管道

    [10] TSGD7003 压力管道定期检验规则———长输管道

    [11] TSGD7004 压力管道定期检验规则———公用管道

    [12] TSGD7005 压力管道定期检验规则———工业管道

    [13] TSGR0005 移动式压力容器安全技术监察规程

    [14] TSGT7001 电梯监督检验和定期检验规则

    [15] TSGS7001 客运索道监督检验和定期检验规则

    [16] 中华人民共和国特种设备安全法

    [17] 特种设备安全监督检查办法 (国家市场监督管理总局令第57号) [18] 特种设备使用单位落实使用安全主体责任监督管理规定 (国家市场监督管理总局令第74号)

    4

    GB45067—2024

    UDC

    中华人民共和国国家标准 ~IB P GB 50016 - 2014

    建筑设计防火规范

    Code for fire protection design of buildings

    ( 2018年版 )

    2014 - 08 - 27 发布 2015 - 05 - 01 实施

    中华人民共和国住房和城乡建设部 中华人民共和国国家质量监督检验检疫总局

    联合发布

  • 2025年《化工安全》规范提高班--规范合集.pdf-图片66

    UDC

    中华人民共和国国家标准 ~IB P GB 50016 - 2014

    建筑设计防火规范

    Code for fire protection design of buildings

    ( 2018年版 )

    2014 - 08 - 27 发布 2015 - 05 - 01 实施

    中华人民共和国住房和城乡建设部 中华人民共和国国家质量监督检验检疫总局

    联合发布

    中华人民共和国国家标准

    建筑设计防火规范

    Cod e for fir e protect ion design of buildings

    GB 50016 - 2014

    (2018 年版)

    主编部门:中华人民共和国公安部

    批准部门:中华人民共和国住房和城乡建设部

    施行日期 :2 0 1 5 年 5 月 1 日

    中国计划出版社

    2018 北京

  • 2025年《化工安全》规范提高班--规范合集.pdf-图片67

    中华人民共和国国家标准

    建筑设计防火规范

    Cod e for fir e protect ion design of buildings

    GB 50016 - 2014

    (2018 年版)

    主编部门:中华人民共和国公安部

    批准部门:中华人民共和国住房和城乡建设部

    施行日期 :2 0 1 5 年 5 月 1 日

    中国计划出版社

    2018 北京

    中华人民共和国国家标准

    建筑设计防火规范

    GB 500 16-20 14

    (20 1 8 年版 )

    中国计约l 出版社出版发行

    网址: www.jhpress.com

    地址.北京市西城区木樨地北里甲 11 号国宏大厦 C 座 3 层

    邮政编码: 100038 电话 (0 1 0) 63906433 (发行部)

    三河富华印刷包装有限公司印刷

    850 mm X 11 68 01m 1/ 32 1 4 . 625 印张 375 千字

    20 1 8 年 5 月第 2 版 20 1 8 年 5 月第 l 次印刷

    统一书号 1 55 1 82 . 0 2 38

    定价 1 58 . 00 元

    版权所有侵权必究

    侵权举报电话 (0 1 0) 63906404

    如有印装质量问题,请寄本社出版部讲H决

  • 2025年《化工安全》规范提高班--规范合集.pdf-图片68

    中华人民共和国国家标准

    建筑设计防火规范

    GB 500 16-20 14

    (20 1 8 年版 )

    中国计约l 出版社出版发行

    网址: www.jhpress.com

    地址.北京市西城区木樨地北里甲 11 号国宏大厦 C 座 3 层

    邮政编码: 100038 电话 (0 1 0) 63906433 (发行部)

    三河富华印刷包装有限公司印刷

    850 mm X 11 68 01m 1/ 32 1 4 . 625 印张 375 千字

    20 1 8 年 5 月第 2 版 20 1 8 年 5 月第 l 次印刷

    统一书号 1 55 1 82 . 0 2 38

    定价 1 58 . 00 元

    版权所有侵权必究

    侵权举报电话 (0 1 0) 63906404

    如有印装质量问题,请寄本社出版部讲H决

    中华人民共和国住房和城乡建设部公告

    2018 第 3S 号

    住房城乡建设部关于发布国家标准

    《建筑设计防火规范 》 局部修订的公告

    现批准国家标准 《建筑设计防火规范 )) GB 500 1 6-20 1 4 局

    部修订的条文 , 自 20 1 8 年 10 月 1 日起实施 。 其中,第 5. 1. 3 A 、

    5. 4. 4 ( 1 、 2 、 3 、 4 ) 、 5 . 4.4B 、 5 . 5. 8 、 5.5 . 1 3 、 5 . 5 . 1 5 、

    5. 5. 17 、 6 . 2 . 2 、 6 .7 . 4A 、 7 . 3 .1 、 7 . 3 . 5 (2 、 3 、 4) 、 8 . 2 .1 、

    8. 3. 4 、 8.4.1 、 1 0 . 1. 5 、 1 0 . 3 . 2 、 1 1. o. 4 、 1 1. 0 . 7 (2 、 3 、 4)

    条(款) 为强制性条文,必须严格执行 。 经此次修改的原条文

    同时废止 。

    局 部修订条文及具体内 容在住房 城 乡 建设部 门 户 网 站

    (www. mohurd . gov . c n ) 公开, 井将刊登在近期出版的 《工程

    建设标准化》 刊物上 。

    中华人民共和国住房和城乡建设部

    2018 年 3 月 30 日

  • 2025年《化工安全》规范提高班--规范合集.pdf-图片69

    中华人民共和国住房和城乡建设部公告

    2018 第 3S 号

    住房城乡建设部关于发布国家标准

    《建筑设计防火规范 》 局部修订的公告

    现批准国家标准 《建筑设计防火规范 )) GB 500 1 6-20 1 4 局

    部修订的条文 , 自 20 1 8 年 10 月 1 日起实施 。 其中,第 5. 1. 3 A 、

    5. 4. 4 ( 1 、 2 、 3 、 4 ) 、 5 . 4.4B 、 5 . 5. 8 、 5.5 . 1 3 、 5 . 5 . 1 5 、

    5. 5. 17 、 6 . 2 . 2 、 6 .7 . 4A 、 7 . 3 .1 、 7 . 3 . 5 (2 、 3 、 4) 、 8 . 2 .1 、

    8. 3. 4 、 8.4.1 、 1 0 . 1. 5 、 1 0 . 3 . 2 、 1 1. o. 4 、 1 1. 0 . 7 (2 、 3 、 4)

    条(款) 为强制性条文,必须严格执行 。 经此次修改的原条文

    同时废止 。

    局 部修订条文及具体内 容在住房 城 乡 建设部 门 户 网 站

    (www. mohurd . gov . c n ) 公开, 井将刊登在近期出版的 《工程

    建设标准化》 刊物上 。

    中华人民共和国住房和城乡建设部

    2018 年 3 月 30 日

    局部修订说明

    本规范此次局部修订工作是依据住房城乡建设部《关于印

    发 2018 年工程建设规范和标准编制及相关工作计划的通知 》

    (建标函 (2017J 306 号) ,由公安部天津消防研究所会同有关单

    位共同完成 。

    此次局部修订工作,按照住房城乡建设部有关标准编写规

    定及国家有关消防法规规定的原则修订完善了老年人照料设

    施建筑设计的基本防火技术要求,主要内容包括 :

    1.明确 了老年人照料设施的范围 。

    2. 明确了老年人照料设施的允许建筑高度或层数及组合

    建造时的分隔要求 。

    3 . 明确了老年人生活用房 、公共活动用房等的设置要求。

    4. 适当强化了老年人照料设施的安全疏散、避难与消防

    设施设置要求 。

    此次局部修订共 27 条,分别为第 5 . 1. 1 、 5 . 1. 3A 、 5 . 1. 8 、

    5 . 3 . 1 A 、 5 . 4. 4 、 5 . 4 . 4A 、 5 . 4 . 4 B 、 5 . 5 .8 、 5 . 5 . 13 、 5 . 5 . 13A 、

    5 . 5 .14 、 5 . 5. 15 、 5 . 5. 1 7 、 5.5.24A 、 6.2 . 2 、 6 . 7.4A 、 7 . 3 . 1 、

    7. 3. 5 、 8. 2. 1 、 8. 2. 4 、 8 . 3. 4 、 8.4.1 、 1 0. 1. 5 、 1 0 . 2.7 、 1 0 . 3. 2 、

    11. o. 4 、 11 . o. 7 条 。 其中新增 7 条 。

    本规范条文下划线部分为修订的内容,以黑体字标志的条

    文为强制性条文,必须严格执行 。

    本次局部修订的主编单位、参编单位、主要起草人和主要

    审查人:

    主编单位:公安部天津消防研究所

    • 1 •

  • 2025年《化工安全》规范提高班--规范合集.pdf-图片70

    局部修订说明

    本规范此次局部修订工作是依据住房城乡建设部《关于印

    发 2018 年工程建设规范和标准编制及相关工作计划的通知 》

    (建标函 (2017J 306 号) ,由公安部天津消防研究所会同有关单

    位共同完成 。

    此次局部修订工作,按照住房城乡建设部有关标准编写规

    定及国家有关消防法规规定的原则修订完善了老年人照料设

    施建筑设计的基本防火技术要求,主要内容包括 :

    1.明确 了老年人照料设施的范围 。

    2. 明确了老年人照料设施的允许建筑高度或层数及组合

    建造时的分隔要求 。

    3 . 明确了老年人生活用房 、公共活动用房等的设置要求。

    4. 适当强化了老年人照料设施的安全疏散、避难与消防

    设施设置要求 。

    此次局部修订共 27 条,分别为第 5 . 1. 1 、 5 . 1. 3A 、 5 . 1. 8 、

    5 . 3 . 1 A 、 5 . 4. 4 、 5 . 4 . 4A 、 5 . 4 . 4 B 、 5 . 5 .8 、 5 . 5 . 13 、 5 . 5 . 13A 、

    5 . 5 .14 、 5 . 5. 15 、 5 . 5. 1 7 、 5.5.24A 、 6.2 . 2 、 6 . 7.4A 、 7 . 3 . 1 、

    7. 3. 5 、 8. 2. 1 、 8. 2. 4 、 8 . 3. 4 、 8.4.1 、 1 0. 1. 5 、 1 0 . 2.7 、 1 0 . 3. 2 、

    11. o. 4 、 11 . o. 7 条 。 其中新增 7 条 。

    本规范条文下划线部分为修订的内容,以黑体字标志的条

    文为强制性条文,必须严格执行 。

    本次局部修订的主编单位、参编单位、主要起草人和主要

    审查人:

    主编单位:公安部天津消防研究所

    • 1 •

    参编单位:公安部四川消防研究所

    中国建筑标准设计研究院有限公司

    哈尔滨工业大学

    广东省公安消防总队

    福建省公安消防总队

    湖北省公安消防总队

    主要起草人:倪照鹏 刘激扬 王宗存沈纹吴和俊

    张磊胡 锐张梅红黄韬张敏洁

    郭景黄德祥卫大可

    主要审查人:周 畅王栋李树丛江刚朱显泽

    车学娅邸戚刘文利徐宏庆庄孙毅

    赵良持

    • 2 •

  • 2025年《化工安全》规范提高班--规范合集.pdf-图片71

    参编单位:公安部四川消防研究所

    中国建筑标准设计研究院有限公司

    哈尔滨工业大学

    广东省公安消防总队

    福建省公安消防总队

    湖北省公安消防总队

    主要起草人:倪照鹏 刘激扬 王宗存沈纹吴和俊

    张磊胡 锐张梅红黄韬张敏洁

    郭景黄德祥卫大可

    主要审查人:周 畅王栋李树丛江刚朱显泽

    车学娅邸戚刘文利徐宏庆庄孙毅

    赵良持

    • 2 •

    中华人民共和国住房和城乡建设部公告

    第 517 号

    住房城乡建设部关于发布国家标准

    《建筑设计防火规范》的公告

    现批准 《 建筑设计防火规范 》 为国家标准,编号为

    GB 500 1 6-2014 ,自 2015 年 5 月 1 日起实施。其中,第 3.2.2 、

    3. 2. 3 、 3 . 2 . 4 、 3 . 2. 7 、 3. 2. 9 、 3.2. 1 5 、 3 . 3 . 1 、 3 . 3. 2 、 3 . 3 . 4 、 3 . 3 . 5 、

    3 . 3 . 6(2) 、 3 . 3 . 8 、 3 . 3 . 9 、 3 . 4 . 1 、 3. 4 . 2 、 3. 4. 4 、 3 . 4.9 、 3 . 5 . 1 、

    3 . 5 . 2 、 3 . 6. 2 、 3 . 6 . 6 、 3.6 . 8 、 3.6.11 、 3 . 6. 12 、 3.7.2 、 3.7 . 3 、

    3 . 7 . 6 、 3.8.2 、 3 . 8. 3 、 3. 8. 7 、 4. 1. 2 、 4 . 1. 3 、 4 . 2 .1 、 4 . 2 . 2 、 4 . 2. 3 、

    4. 2. 5 (3 、 4 、 5 、 6 )、 4.3.1 、 4 . 3. 2 、 4. 3 . 3 、 4 . 3. 8 、 4 . 4 .1 、 4 . 4. 2 、

    4 . 4 . 5 、 5 . 1. 3 、 5 . 1. 4 、 5 . 2 .2 、 5 . 2. 6 、 5 . 3. 1 、 5 . 3 .2 、 5 . 3 . 4 、 5 . 3. 5 、

    5. 4. 2 、 5 . 4 . 3 、 5 . 4.4 (1、 2 、 3 、 4) 、 5 .4. 5 、 5 . 4. 6 、 5 . 4. 9 (1、 4 、 5 、 6) 、

    5 . 4 . 1 0 (1 、 2) 、 5 . 4 .11 、 5 . 4 . 1 2 、 5 . 4 . 13(2 、 3 、 4 、 5 、 6) 、 5.4.150 、

    2) 、 5 . 4 . 17 (1、 2 、 3 、 4 、 5) 、 5.5.8 、 5.5. 1 2 、 5 . 5 . 13 、 5 . 5. 1 5 、 5 . 5 . 1 6

    (1)、 5 . 5. 17 、 5 . 5 . 1 8 、 5 . 5.2 1 (1、 2 、 3 、 4) 、 5 . 5 . 23 、 5 . 5. 24 、 5 . 5. 2 5 、

    5. 5. 2 6 、 5 . 5 . 29 、 5 . 5. 30 、 5 . 5.3 1 、 6 . 1. 1 、 6. 1. 2 、 6. 1. 5 、 6. 1. 7 、

    6. 2. 2 、 6 . 2 . 4 、 6 . 2. 5 、 6.2 . 6 、 6.2 .7 、 6. 2. 9 ( 1 、 2 、 3) 、 6 . 3 . 5 、 6. 4. 1

    (2 、 3 、 4 、 5 、 6) 、 6 . 4. 2 、 6 . 4 . 3 (1、 3 、 4 、 5 、 6 ) 、 6 . 4. 4 、 6. 4 . 5 、 6 . 4. 1 0 、

    6 . 4 . 11 、 6. 6. 2 、 6 . 7.2 、 6. 7. 4 、 6 . 7.5 、 6 . 7 . 6 、 7 . 1. 2 、 7 . 1. 3 、 7 . 1. 8

  • 2025年《化工安全》规范提高班--规范合集.pdf-图片72

    中华人民共和国住房和城乡建设部公告

    第 517 号

    住房城乡建设部关于发布国家标准

    《建筑设计防火规范》的公告

    现批准 《 建筑设计防火规范 》 为国家标准,编号为

    GB 500 1 6-2014 ,自 2015 年 5 月 1 日起实施。其中,第 3.2.2 、

    3. 2. 3 、 3 . 2 . 4 、 3 . 2. 7 、 3. 2. 9 、 3.2. 1 5 、 3 . 3 . 1 、 3 . 3. 2 、 3 . 3 . 4 、 3 . 3 . 5 、

    3 . 3 . 6(2) 、 3 . 3 . 8 、 3 . 3 . 9 、 3 . 4 . 1 、 3. 4 . 2 、 3. 4. 4 、 3 . 4.9 、 3 . 5 . 1 、

    3 . 5 . 2 、 3 . 6. 2 、 3 . 6 . 6 、 3.6 . 8 、 3.6.11 、 3 . 6. 12 、 3.7.2 、 3.7 . 3 、

    3 . 7 . 6 、 3.8.2 、 3 . 8. 3 、 3. 8. 7 、 4. 1. 2 、 4 . 1. 3 、 4 . 2 .1 、 4 . 2 . 2 、 4 . 2. 3 、

    4. 2. 5 (3 、 4 、 5 、 6 )、 4.3.1 、 4 . 3. 2 、 4. 3 . 3 、 4 . 3. 8 、 4 . 4 .1 、 4 . 4. 2 、

    4 . 4 . 5 、 5 . 1. 3 、 5 . 1. 4 、 5 . 2 .2 、 5 . 2. 6 、 5 . 3. 1 、 5 . 3 .2 、 5 . 3 . 4 、 5 . 3. 5 、

    5. 4. 2 、 5 . 4 . 3 、 5 . 4.4 (1、 2 、 3 、 4) 、 5 .4. 5 、 5 . 4. 6 、 5 . 4. 9 (1、 4 、 5 、 6) 、

    5 . 4 . 1 0 (1 、 2) 、 5 . 4 .11 、 5 . 4 . 1 2 、 5 . 4 . 13(2 、 3 、 4 、 5 、 6) 、 5.4.150 、

    2) 、 5 . 4 . 17 (1、 2 、 3 、 4 、 5) 、 5.5.8 、 5.5. 1 2 、 5 . 5 . 13 、 5 . 5. 1 5 、 5 . 5 . 1 6

    (1)、 5 . 5. 17 、 5 . 5 . 1 8 、 5 . 5.2 1 (1、 2 、 3 、 4) 、 5 . 5 . 23 、 5 . 5. 24 、 5 . 5. 2 5 、

    5. 5. 2 6 、 5 . 5 . 29 、 5 . 5. 30 、 5 . 5.3 1 、 6 . 1. 1 、 6. 1. 2 、 6. 1. 5 、 6. 1. 7 、

    6. 2. 2 、 6 . 2 . 4 、 6 . 2. 5 、 6.2 . 6 、 6.2 .7 、 6. 2. 9 ( 1 、 2 、 3) 、 6 . 3 . 5 、 6. 4. 1

    (2 、 3 、 4 、 5 、 6) 、 6 . 4. 2 、 6 . 4 . 3 (1、 3 、 4 、 5 、 6 ) 、 6 . 4. 4 、 6. 4 . 5 、 6 . 4. 1 0 、

    6 . 4 . 11 、 6. 6. 2 、 6 . 7.2 、 6. 7. 4 、 6 . 7.5 、 6 . 7 . 6 、 7 . 1. 2 、 7 . 1. 3 、 7 . 1. 8

    (1、 2 、 3) 、 7 . 2. 1 、 7. 2. 2 ( 1 、 2 、 3 )、 7.2 . 3 、 7 . 2 . 4 、 7 . 3 . 1 、 7 . 3 . 2 、

    7.3.5(2 、 3 、 4) 、 7 . 3 . 6 、 8 . 1. 2 、 8 . 1. 3 、 8 . 1. 6 、 8. 1. 7 ( 1 、 3 、 4) 、

    8. 1. 8 、 8 . 2. 1 、 8. 3. 1 、 8.3.2 、 8 . 3. 3 、 8 . 3.4 、 8 . 3. 5 、 8 . 3. 7 、 8.3.8 、

    8. 3. 9 、 8. 3 .1 0 、 8.4 . 1 、 8. 4. 3 、 8 . 5 .1 、 8 . 5 . 2 、 8 . 5 . 3 、 8 . 5. 4 、 9 . 1. 2 、

    9. 1. 3 、 9 . 1. 4 、 9.2.2 、 9 . 2. 3 、 9 . 3 . 2 、 9 . 3 . 5 、 9.3.8 、 9.3.9 、 9 . 3. 11 、

    9.3. 1 6 、 10 . 1. 1 、 1 0 . 1. 2 、 1 0. 1. 5 、 1 0 . 1. 6 、 1 0 . 1. 8 、 10. 1. 10 (1、 2) 、

    10. 2. 1 、 10 . 2. 4 、 1 0 . 3. 1 、 10. 3. 2 、 1 0 . 3 . 3 、 1 1. O. 3 、 1 1. O. 4 、 1 1. O. 7

    (2 、 3 、 4) 、 1 1. O. 9 、 1 1. 0 . 1 0 、 12 . 1. 3 、 1 2 . 1. 4 、 1 2 . 3 . 1 、 12 . 5 . 1 、

    12. 5 . 4 条(款)为强制性条文,必须严格执行 。 原《建筑设计防火

    规范 )) GB 500 1 6-2006 和 《 高层民用建筑设计防火规范 》

    GB 5 0045-95 同时废止 。

    本规范由我部标准定额研究所组织中国计划出版社出版

    发行 。

    . 2 .

    中华人民共和国住房和城乡建设部

    2014 年 8 月 27 日

  • 2025年《化工安全》规范提高班--规范合集.pdf-图片73

    (1、 2 、 3) 、 7 . 2. 1 、 7. 2. 2 ( 1 、 2 、 3 )、 7.2 . 3 、 7 . 2 . 4 、 7 . 3 . 1 、 7 . 3 . 2 、

    7.3.5(2 、 3 、 4) 、 7 . 3 . 6 、 8 . 1. 2 、 8 . 1. 3 、 8 . 1. 6 、 8. 1. 7 ( 1 、 3 、 4) 、

    8. 1. 8 、 8 . 2. 1 、 8. 3. 1 、 8.3.2 、 8 . 3. 3 、 8 . 3.4 、 8 . 3. 5 、 8 . 3. 7 、 8.3.8 、

    8. 3. 9 、 8. 3 .1 0 、 8.4 . 1 、 8. 4. 3 、 8 . 5 .1 、 8 . 5 . 2 、 8 . 5 . 3 、 8 . 5. 4 、 9 . 1. 2 、

    9. 1. 3 、 9 . 1. 4 、 9.2.2 、 9 . 2. 3 、 9 . 3 . 2 、 9 . 3 . 5 、 9.3.8 、 9.3.9 、 9 . 3. 11 、

    9.3. 1 6 、 10 . 1. 1 、 1 0 . 1. 2 、 1 0. 1. 5 、 1 0 . 1. 6 、 1 0 . 1. 8 、 10. 1. 10 (1、 2) 、

    10. 2. 1 、 10 . 2. 4 、 1 0 . 3. 1 、 10. 3. 2 、 1 0 . 3 . 3 、 1 1. O. 3 、 1 1. O. 4 、 1 1. O. 7

    (2 、 3 、 4) 、 1 1. O. 9 、 1 1. 0 . 1 0 、 12 . 1. 3 、 1 2 . 1. 4 、 1 2 . 3 . 1 、 12 . 5 . 1 、

    12. 5 . 4 条(款)为强制性条文,必须严格执行 。 原《建筑设计防火

    规范 )) GB 500 1 6-2006 和 《 高层民用建筑设计防火规范 》

    GB 5 0045-95 同时废止 。

    本规范由我部标准定额研究所组织中国计划出版社出版

    发行 。

    . 2 .

    中华人民共和国住房和城乡建设部

    2014 年 8 月 27 日

    目U 昌

    本规范是根据住房城乡建设部《关于印发 (2007 年工程建

    设标准规范制订、修订计划(第一批) ) 的通知 )) (建标 (200 7] 125

    号)和《关于调整〈建筑设计防火规范人〈高层民用建筑设计防

    火规范 〉修订项目计划的函 )) (建标 ( 2009J 94 号) ,由公安部天

    津消防研究所、四川消防研究所会同有关单位,在《建筑设计防

    火规范 ))GB 500 16-2006 和《高层民用建筑设计防火规范 ))GB

    50045-95(2005 年版)的基础上,经整合修订而成 。

    本规范在修订过程中,遵循国家有关基本建设的方针政

    策,贯彻"预防为主,防消结合"的消防工作方针,深刻吸取近年

    来我国重特大火灾事故教训,认真总结国内外建筑防火设计实

    践经验和消防科技成果,深入调研工程建设发展中出现的新情

    况、新问题和规范执行过程中遇到的疑难问题,认真研究借鉴

    发达国家经验,开展了大量课题研究、技术研讨和必要的试验,

    广泛征求了有关设计、生产、建设、科研、教学和消防监督等单

    位意见,最后经审查定稿 。

    本规范共分 12 章和 3 个附录,主要内容有:生产和储存的

    火灾危险性分类 、高层建筑的分类要求,厂房、仓库、住宅建筑

    和公共建筑等工业与民用建筑的建筑耐火等级分级及-其建筑

    构件的耐火极限、平面布置、防火分区、防火分隔、建筑防火构

    造、防火间距和消防设施设置的基本要求,工业建筑防爆的基

    本措施与要求;工业与民用建筑的疏散距离、疏散宽度、疏散楼

    梯设置形式、应急照明和疏散指示标志以及安全出口和疏散门

    设置的基本要求;甲、乙、丙类液体、气体储罐(区)和可燃材料 -i .

  • 2025年《化工安全》规范提高班--规范合集.pdf-图片74

    目U 昌

    本规范是根据住房城乡建设部《关于印发 (2007 年工程建

    设标准规范制订、修订计划(第一批) ) 的通知 )) (建标 (200 7] 125

    号)和《关于调整〈建筑设计防火规范人〈高层民用建筑设计防

    火规范 〉修订项目计划的函 )) (建标 ( 2009J 94 号) ,由公安部天

    津消防研究所、四川消防研究所会同有关单位,在《建筑设计防

    火规范 ))GB 500 16-2006 和《高层民用建筑设计防火规范 ))GB

    50045-95(2005 年版)的基础上,经整合修订而成 。

    本规范在修订过程中,遵循国家有关基本建设的方针政

    策,贯彻"预防为主,防消结合"的消防工作方针,深刻吸取近年

    来我国重特大火灾事故教训,认真总结国内外建筑防火设计实

    践经验和消防科技成果,深入调研工程建设发展中出现的新情

    况、新问题和规范执行过程中遇到的疑难问题,认真研究借鉴

    发达国家经验,开展了大量课题研究、技术研讨和必要的试验,

    广泛征求了有关设计、生产、建设、科研、教学和消防监督等单

    位意见,最后经审查定稿 。

    本规范共分 12 章和 3 个附录,主要内容有:生产和储存的

    火灾危险性分类 、高层建筑的分类要求,厂房、仓库、住宅建筑

    和公共建筑等工业与民用建筑的建筑耐火等级分级及-其建筑

    构件的耐火极限、平面布置、防火分区、防火分隔、建筑防火构

    造、防火间距和消防设施设置的基本要求,工业建筑防爆的基

    本措施与要求;工业与民用建筑的疏散距离、疏散宽度、疏散楼

    梯设置形式、应急照明和疏散指示标志以及安全出口和疏散门

    设置的基本要求;甲、乙、丙类液体、气体储罐(区)和可燃材料 -i .

    堆场的防火间距、成组布置和储量的基本要求;木结构建筑和

    城市交通隧道工,程防火设计的基本要求;满足灭火救援要求设

    置的救援场地、消防车道、消防电梯等设施的基本要求;建筑供

    暖、通风、空气调节和电气等方面的防火要求以及消防用电设

    备的电源与配电线路等基本要求 。

    与《建筑设计防火规范 )ì GB 50016-2006 和 《 高层民用建

    筑设计防火规范 ))GB 50045- 95 (200 5 年版)相比,本规范主要

    有以下变化:

    1.合并了《建筑设计防火规范 》和《高层民用建筑设计防火

    规范 )) ,调整了两项标准间不协调的要求 。 将住宅建筑统一按

    照建筑高度进行分类 。

    2. 增加了灭火救援设施和木结构建筑两章,完善了有关灭

    火救援的要求,系统规定了木结构建筑的防火要求 。

    3 . 补充了建筑保温系统的防火要求 。

    4. 对消防设施的设置作出明确规定并完善了有关内容;有

    关消防给水系统、室内外消火栓系统和防烟排烟系统设计的要

    求分别由相应的国家标准作出规定 。

    5. 适当提高了高层住宅建筑和建筑高度大于 100m 的高

    层民用建筑的防火要求。

    6 . 补充了有顶商业步行街两侧的建筑利用该步行街进行

    安全疏散时的防火要求;调整、补充了建材、家具、灯饰商店营

    业厅和展览厅的设计疏散人员密度 。

    7. 补充了地下仓库、物流建筑、大型可燃气体储罐(区)、液

    氨储罐、液化天然气储罐的防火要求,调整了液氧储罐等的防

    火间距 。

    8. 完善了防止建筑火灾竖向或水平蔓延的相关要求 。

    本规范中以黑体字标志的条文为强制性条文,必须严格执

    行 。

    • 2 •

  • 2025年《化工安全》规范提高班--规范合集.pdf-图片75

    堆场的防火间距、成组布置和储量的基本要求;木结构建筑和

    城市交通隧道工,程防火设计的基本要求;满足灭火救援要求设

    置的救援场地、消防车道、消防电梯等设施的基本要求;建筑供

    暖、通风、空气调节和电气等方面的防火要求以及消防用电设

    备的电源与配电线路等基本要求 。

    与《建筑设计防火规范 )ì GB 50016-2006 和 《 高层民用建

    筑设计防火规范 ))GB 50045- 95 (200 5 年版)相比,本规范主要

    有以下变化:

    1.合并了《建筑设计防火规范 》和《高层民用建筑设计防火

    规范 )) ,调整了两项标准间不协调的要求 。 将住宅建筑统一按

    照建筑高度进行分类 。

    2. 增加了灭火救援设施和木结构建筑两章,完善了有关灭

    火救援的要求,系统规定了木结构建筑的防火要求 。

    3 . 补充了建筑保温系统的防火要求 。

    4. 对消防设施的设置作出明确规定并完善了有关内容;有

    关消防给水系统、室内外消火栓系统和防烟排烟系统设计的要

    求分别由相应的国家标准作出规定 。

    5. 适当提高了高层住宅建筑和建筑高度大于 100m 的高

    层民用建筑的防火要求。

    6 . 补充了有顶商业步行街两侧的建筑利用该步行街进行

    安全疏散时的防火要求;调整、补充了建材、家具、灯饰商店营

    业厅和展览厅的设计疏散人员密度 。

    7. 补充了地下仓库、物流建筑、大型可燃气体储罐(区)、液

    氨储罐、液化天然气储罐的防火要求,调整了液氧储罐等的防

    火间距 。

    8. 完善了防止建筑火灾竖向或水平蔓延的相关要求 。

    本规范中以黑体字标志的条文为强制性条文,必须严格执

    行 。

    • 2 •

    本规范由住房城乡建设部负责管理和对强制性条文的解

    释,公安部负责日常管理,公安部消防局组织天津消防研究所、

    四川消防研究所负责具体技术内容的解释 。

    鉴于本规范是一项综合性的防火技术标准,政策性和技术

    性强,涉及面广,希望各单位结合工程实践和科学研究认真总

    结经验,注意积累资料,在执行过程中如有意见、建议和问题,

    请径寄公安部消防局(地址 : 北京市西城区广安 门南街 70 号,

    邮政编码 :1000 5 4) ,以便今后修订时参考和组织公安部天津消

    防研究所、四川消防研究所作出解释 。

    本规范主编单位、参编单位、主要起草人和主要审查人 :

    主编单位:公安部天津消防研究所

    公安部四川消防研究所

    参编单位:中国建筑科学研究院

    中国建筑东北设计研究院有限公司

    中国中元国际工程有限公司

    中国市政工程华北设计研究院

    中国中轻国际工程有限公司

    中国寰球化学工程公司

    中国建筑设计研究院

    公安部沈阳消防研究所

    北京市建筑设计研究院

    天津市建筑设计院

    清华大学建筑设计研究院

    东北电力设计院

    华东建筑设计研究院有限公司

    上海隧道工程轨道交通设计研究院

    北京市公安消防总队

    上海市公安消防总队

    • 3 •

  • 2025年《化工安全》规范提高班--规范合集.pdf-图片76

    本规范由住房城乡建设部负责管理和对强制性条文的解

    释,公安部负责日常管理,公安部消防局组织天津消防研究所、

    四川消防研究所负责具体技术内容的解释 。

    鉴于本规范是一项综合性的防火技术标准,政策性和技术

    性强,涉及面广,希望各单位结合工程实践和科学研究认真总

    结经验,注意积累资料,在执行过程中如有意见、建议和问题,

    请径寄公安部消防局(地址 : 北京市西城区广安 门南街 70 号,

    邮政编码 :1000 5 4) ,以便今后修订时参考和组织公安部天津消

    防研究所、四川消防研究所作出解释 。

    本规范主编单位、参编单位、主要起草人和主要审查人 :

    主编单位:公安部天津消防研究所

    公安部四川消防研究所

    参编单位:中国建筑科学研究院

    中国建筑东北设计研究院有限公司

    中国中元国际工程有限公司

    中国市政工程华北设计研究院

    中国中轻国际工程有限公司

    中国寰球化学工程公司

    中国建筑设计研究院

    公安部沈阳消防研究所

    北京市建筑设计研究院

    天津市建筑设计院

    清华大学建筑设计研究院

    东北电力设计院

    华东建筑设计研究院有限公司

    上海隧道工程轨道交通设计研究院

    北京市公安消防总队

    上海市公安消防总队

    • 3 •

    天津市公安消防总队

    四川省公安消防总队

    陕西省公安消防总队

    辽宁省公安消防总队

    福建省公安消防总队

    主要起草人 :杜 兰萍马恒倪照鹏卢国建沈纹

    王宗存黄德祥邱培芳张磊 王 炯

    杜霞王金元高建民郑晋旧日周 详

    宋晓勇 赵克伟晃海鸥李引擎 曲目 才t

    刘祖玲郭树林丁宏军沈友弟 陈云玉

    谢树俊郑实刘建华黄晓家李向东

    张凤新宋孝春寇九贵郑铁一

    主要审查人:方汝清张耀泽赵惺刘跃红张树平

    张福麟何任飞金鸿样王庆生吴华

    潘一平苏丹夏卫平江刚党杰

    郭景范珑杨西伟胡小援朱冬青

    龙卫国 黄小坤

    • 4 •

  • 2025年《化工安全》规范提高班--规范合集.pdf-图片77

    天津市公安消防总队

    四川省公安消防总队

    陕西省公安消防总队

    辽宁省公安消防总队

    福建省公安消防总队

    主要起草人 :杜 兰萍马恒倪照鹏卢国建沈纹

    王宗存黄德祥邱培芳张磊 王 炯

    杜霞王金元高建民郑晋旧日周 详

    宋晓勇 赵克伟晃海鸥李引擎 曲目 才t

    刘祖玲郭树林丁宏军沈友弟 陈云玉

    谢树俊郑实刘建华黄晓家李向东

    张凤新宋孝春寇九贵郑铁一

    主要审查人:方汝清张耀泽赵惺刘跃红张树平

    张福麟何任飞金鸿样王庆生吴华

    潘一平苏丹夏卫平江刚党杰

    郭景范珑杨西伟胡小援朱冬青

    龙卫国 黄小坤

    • 4 •

    目次

    1 总则…………………………………… ………… ( 1 )

    2 术语、符号……………………………………………… ( 3 )

    2. 1 术语………………………………………………… ( 3 )

    2. 2 符号………………………………………………… ( 5 )

    3 厂房和仓库 … ……………………………………… … ( 7 )

    3. 1 火灾危险性分类 ………………………………………( 7 )

    3. 2 厂房和仓库的耐火等级 …………………………… … ( 10 )

    3. 3 厂房和仓库的层数、面积和平面布置 …………………… ( 14)

    3. 4 厂房的防火间距 …… ………………………………… ( 2门

    3. 5 仓库的防火间距……………………………………… ( 27 )

    3. 6 厂房和仓库的防爆 …………………………………… ( 31 )

    3. 7 厂房的安全疏散 ……………………………………… ( 34 )

    3. 8 仓库的安全疏散……………………………………… ( 36 )

    4 甲、乙、丙类液体、气体储罐(区)和可燃材料堆场…… ( 38 )

    4. 1 一般规定 …… ……………………………… ………门们

    4. 2 甲、乙 、丙类液体储罐(区)的防火间距 ………………… ( 38 )

    4. 3 可燃、助燃气体储罐(区)的防火间距…………………… ( 43 )

    4. 4 液化石油气储罐(区)的防火间距 ………·…………… . . (50)

    4. 5 可燃材料堆场的防火间距 ………………… …………( 54 )

    5 民用建筑………… … ………………………………… ( 57 )

    5. 1 建筑分类和耐火等级 ………………………………… ( 57 )

    5. 2 总平面布局 ………………………………………… (们)

    5. 3 防火分区和层数……………………………………… ( 63 )

  • 2025年《化工安全》规范提高班--规范合集.pdf-图片78

    目次

    1 总则…………………………………… ………… ( 1 )

    2 术语、符号……………………………………………… ( 3 )

    2. 1 术语………………………………………………… ( 3 )

    2. 2 符号………………………………………………… ( 5 )

    3 厂房和仓库 … ……………………………………… … ( 7 )

    3. 1 火灾危险性分类 ………………………………………( 7 )

    3. 2 厂房和仓库的耐火等级 …………………………… … ( 10 )

    3. 3 厂房和仓库的层数、面积和平面布置 …………………… ( 14)

    3. 4 厂房的防火间距 …… ………………………………… ( 2门

    3. 5 仓库的防火间距……………………………………… ( 27 )

    3. 6 厂房和仓库的防爆 …………………………………… ( 31 )

    3. 7 厂房的安全疏散 ……………………………………… ( 34 )

    3. 8 仓库的安全疏散……………………………………… ( 36 )

    4 甲、乙、丙类液体、气体储罐(区)和可燃材料堆场…… ( 38 )

    4. 1 一般规定 …… ……………………………… ………门们

    4. 2 甲、乙 、丙类液体储罐(区)的防火间距 ………………… ( 38 )

    4. 3 可燃、助燃气体储罐(区)的防火间距…………………… ( 43 )

    4. 4 液化石油气储罐(区)的防火间距 ………·…………… . . (50)

    4. 5 可燃材料堆场的防火间距 ………………… …………( 54 )

    5 民用建筑………… … ………………………………… ( 57 )

    5. 1 建筑分类和耐火等级 ………………………………… ( 57 )

    5. 2 总平面布局 ………………………………………… (们)

    5. 3 防火分区和层数……………………………………… ( 63 )

    1

    1

    r

    D

    R d

    句f o

    A U

    - - 1 i

    q u A q

    n y

    - -

    q d q u q U A U

    n o

    n o n u

    n''

    cd

    n v

    n v n

    u

    n v n

    u n u

    1 A 1

    A ·

    I

    1 4

    ·I

    T L 9 μ q h ?

    句 。

    ," 9

    η L 9

    l u n J

    户h u

    巧 ,

    1

    1

    1 ' i ' i 1 4 1

    1

    4 1 i ' l

    ' 1 1 i

    1

    1

    1

    ' i ' i t i ' 1

    币 1

    1 1

    笠 守

    隙 挪 帘

    … 情 … … … … … …

    … … … … 节

    … … …

    逢 奇 卷

    t

    … … …

    U U

    U

    U

    … … …

    … 电

    1

    散 装

    · ·

    . u

    ·

    ·

    统 访

    草 筑 疏 火 门 墙

    U U

    · ·

    U

    系 施 气

    … …

    配 帮

    崎 … … 附 榈 阳 附 附 制 施

    机 … 阴阳

    协 就 措 陆 空

    … 调

    … M M

    Z t L 2 3 2 2

    制 服 制 M M 品 航

    … f t

    闯 挝 构 刷 刷 回 耐 以 划 脚 救 附 柑 协 副 设 卅 副 刊M M 州 J

    卅 倾 肌 消 电

    l 火 防 ! 暖

    Z -

    T Tt 1 A

    n , 。

    .

    4 F J

    J

    j j i i i j

    J

    2 3 ι

    1 2 3 4 J

    1

    : : H A

    0 2

    ζ d p

    h u R U R u p

    n v R u ι V F D P O n

    J

    句 I 7 · 7 e

    n E O D R

    U 0 0

    0 6

    日 ,u n

    wu n

    ' 1

    i

    nu

    ­

    oninxuny

    --

  • 2025年《化工安全》规范提高班--规范合集.pdf-图片79

    1

    1

    r

    D

    R d

    句f o

    A U

    - - 1 i

    q u A q

    n y

    - -

    q d q u q U A U

    n o

    n o n u

    n''

    cd

    n v

    n v n

    u

    n v n

    u n u

    1 A 1

    A ·

    I

    1 4

    ·I

    T L 9 μ q h ?

    句 。

    ," 9

    η L 9

    l u n J

    户h u

    巧 ,

    1

    1

    1 ' i ' i 1 4 1

    1

    4 1 i ' l

    ' 1 1 i

    1

    1

    1

    ' i ' i t i ' 1

    币 1

    1 1

    笠 守

    隙 挪 帘

    … 情 … … … … … …

    … … … … 节

    … … …

    逢 奇 卷

    t

    … … …

    U U

    U

    U

    … … …

    … 电

    1

    散 装

    · ·

    . u

    ·

    ·

    统 访

    草 筑 疏 火 门 墙

    U U

    · ·

    U

    系 施 气

    … …

    配 帮

    崎 … … 附 榈 阳 附 附 制 施

    机 … 阴阳

    协 就 措 陆 空

    … 调

    … M M

    Z t L 2 3 2 2

    制 服 制 M M 品 航

    … f t

    闯 挝 构 刷 刷 回 耐 以 划 脚 救 附 柑 协 副 设 卅 副 刊M M 州 J

    卅 倾 肌 消 电

    l 火 防 ! 暖

    Z -

    T Tt 1 A

    n , 。

    .

    4 F J

    J

    j j i i i j

    J

    2 3 ι

    1 2 3 4 J

    1

    : : H A

    0 2

    ζ d p

    h u R U R u p

    n v R u ι V F D P O n

    J

    句 I 7 · 7 e

    n E O D R

    U 0 0

    0 6

    日 ,u n

    wu n

    ' 1

    i

    nu

    ­

    oninxuny

    --

    10. 3 消防应急照明和疏散指示标志 …… ………………… 0 31 )

    11 木结构建筑 ..

    12 城市交通隧道……·

    12. 1 一般规定 …… ………………………………………门40)

    12. 2 消防给水和灭火设施..

    12. 3 通风和排烟系统

    12 . 4 火灾 自 动报警系统…

    12. 5 供电及其他… ……………………………… ……… (1 45)

    附录 A 建筑高度和建筑层数的计算方法………………(147)

    附录 B 防火间距的计算方法…………………………… (1 49)

    附录 C 隧道内承重结构体的耐火极限试验升温曲线

    和相应的判定标准 . .

    本规范用词说明..

    引用标准名录 …...

    附 : 条文说明

    附录 各类建筑构件的燃烧性能和耐火极限………… … (41 2)

    • 3 •

  • 2025年《化工安全》规范提高班--规范合集.pdf-图片80

    10. 3 消防应急照明和疏散指示标志 …… ………………… 0 31 )

    11 木结构建筑 ..

    12 城市交通隧道……·

    12. 1 一般规定 …… ………………………………………门40)

    12. 2 消防给水和灭火设施..

    12. 3 通风和排烟系统

    12 . 4 火灾 自 动报警系统…

    12. 5 供电及其他… ……………………………… ……… (1 45)

    附录 A 建筑高度和建筑层数的计算方法………………(147)

    附录 B 防火间距的计算方法…………………………… (1 49)

    附录 C 隧道内承重结构体的耐火极限试验升温曲线

    和相应的判定标准 . .

    本规范用词说明..

    引用标准名录 …...

    附 : 条文说明

    附录 各类建筑构件的燃烧性能和耐火极限………… … (41 2)

    • 3 •

    Content s

    1 G e n e r a l prOVlS lOns …………………… ……………… ( 1 )

    2 T e rm s a nd symbo l s …………………………………… ( 3 )

    2. 1 T erms ……………………………………………... ( 3 )

    2. 2 Symbols ( 5 )

    3 Factory buildings a nd sto r ages ……………………… ( 7 )

    3. 1 Class ifica tion o f fire haza rds …………………………… ( 7 )

    3.2 Fire res is tance class of fa ctory buildings and storages …… ( 10 )

    3. 3 Stori es , occupied area and plane arrangement

    of facto ry build ings and sto rages ……………………… ( 14 )

    3. 4 Fire separation distance o f factory buildings …………… ( 21 )

    3. 5 Fire separat ion dis tance o f s torages …… … …………… ( 27 )

    3. 6 Explosio n prevention of fac tory buildings and sto rages …… ( 31 )

    3. 7 Safe evacuat ion of facto ry bu ildings …………………… ( 34 )

    3. 8 Safe evacuation of storages …………………………… ( 36 )

    4 C lass A ,B ,C li qu id a nd g as tanks(tank fa rm )

    a nd stackyard for combust ibl es ……………… …… … ( 38 )

    4. 1 General requirement s ………………………………… ( 38 )

    4. 2 F ire se parat ion di s tance of Class A ,巴, C

    liquid tanks(tank fa rm ) ……… ……………… ……… ( 38 )

    4.3 F ire separa tion distance of combustibl e and

    com bust ion-supporting gas tank s( tank farm) …………… ( 43 )

    4.. 4 Fire separat ion d is tance o f LPG tank s( tank farm) ……… ( 50 )

    4. 5 Fire sepa ra tion d istance o f stackyard for comhustibles … …( 54 )

    • 4 •

  • 2025年《化工安全》规范提高班--规范合集.pdf-图片81

    Content s

    1 G e n e r a l prOVlS lOns …………………… ……………… ( 1 )

    2 T e rm s a nd symbo l s …………………………………… ( 3 )

    2. 1 T erms ……………………………………………... ( 3 )

    2. 2 Symbols ( 5 )

    3 Factory buildings a nd sto r ages ……………………… ( 7 )

    3. 1 Class ifica tion o f fire haza rds …………………………… ( 7 )

    3.2 Fire res is tance class of fa ctory buildings and storages …… ( 10 )

    3. 3 Stori es , occupied area and plane arrangement

    of facto ry build ings and sto rages ……………………… ( 14 )

    3. 4 Fire separation distance o f factory buildings …………… ( 21 )

    3. 5 Fire separat ion dis tance o f s torages …… … …………… ( 27 )

    3. 6 Explosio n prevention of fac tory buildings and sto rages …… ( 31 )

    3. 7 Safe evacuat ion of facto ry bu ildings …………………… ( 34 )

    3. 8 Safe evacuation of storages …………………………… ( 36 )

    4 C lass A ,B ,C li qu id a nd g as tanks(tank fa rm )

    a nd stackyard for combust ibl es ……………… …… … ( 38 )

    4. 1 General requirement s ………………………………… ( 38 )

    4. 2 F ire se parat ion di s tance of Class A ,巴, C

    liquid tanks(tank fa rm ) ……… ……………… ……… ( 38 )

    4.3 F ire separa tion distance of combustibl e and

    com bust ion-supporting gas tank s( tank farm) …………… ( 43 )

    4.. 4 Fire separat ion d is tance o f LPG tank s( tank farm) ……… ( 50 )

    4. 5 Fire sepa ra tion d istance o f stackyard for comhustibles … …( 54 )

    • 4 •

    5 Civil building ……………………………………… … ( 57 )

    5. 1 Classifica tion and fire resi s t a nc巳 clas s ……………….. (57)

    5. 2 Genera l layo ut …… … …… ……………………… … ( 61 )

    5. 3 Fire compartment and stories ………………………… ( 63 )

    5. 4 Plane arrangement … ……… ……… ………… … …… ( 67 )

    5. 5 Safe evacuation and refuge ……… … ………………… ( 75 )

    6 B uilding constr u c ti o n … ……………………………… ( 89 )

    6. 1 Fire wa ll …………………………………………… ( 89 )

    6. 2 Bui ldi ng elements and shafts ………… … …………… ( 90 )

    6. 3 Roof , blind ceiling and joints ………………………… ( 93 )

    6. 4 Staircase and s tair et c. …………………… …… ……… ( 94 )

    6. 5 F ire door , fire window and fir e roller shu tter … ………… ( 99 )

    6. 6 Overpass , trestl e and pi pe trench ……………………… (1 01)

    6. 7 Building insula tion and exterior wa ll fini sh system ……… (] Ol)

    7 Fire fighting a nd r escu e fac ilities …………………… ( J05)

    7. 1 Fire lane ……………………… … ……… … ……… (] 05)

    7. 2 F ield for Ji re fighting ……………… ………… …… … (1 07)

    7. 3 Fire elevator ………………………… … ……·…… .. (1 08)

    7.4 Helicopter landing pad ……………… … ……… … … (1 10)

    8 Occupa ncies w h ere fir e protec t ion sys t ems a nd

    e quipme nt s h a ll b e in sta lled ……………… … ………(1 11)

    8. 1 General requirements …………………… … ………… (1 11)

    8. 2 Incloo r fire hydrant sys lem ……………… ……………(1 13)

    8. 3 AUlomatic fire extingu ishing sys lem ………… ………… (1 14)

    8. 4 Fire a larm system ………………… …………… …… (1 19)

    8. 5 Smoke control and smoke exhaus t system ……… … …… (21)

    9 H e ating , v e ntilat ing a nd a ir condit io ning …………… (1 23)

    9. 1 General requirements (23)

    • 5 •

  • 2025年《化工安全》规范提高班--规范合集.pdf-图片82

    5 Civil building ……………………………………… … ( 57 )

    5. 1 Classifica tion and fire resi s t a nc巳 clas s ……………….. (57)

    5. 2 Genera l layo ut …… … …… ……………………… … ( 61 )

    5. 3 Fire compartment and stories ………………………… ( 63 )

    5. 4 Plane arrangement … ……… ……… ………… … …… ( 67 )

    5. 5 Safe evacuation and refuge ……… … ………………… ( 75 )

    6 B uilding constr u c ti o n … ……………………………… ( 89 )

    6. 1 Fire wa ll …………………………………………… ( 89 )

    6. 2 Bui ldi ng elements and shafts ………… … …………… ( 90 )

    6. 3 Roof , blind ceiling and joints ………………………… ( 93 )

    6. 4 Staircase and s tair et c. …………………… …… ……… ( 94 )

    6. 5 F ire door , fire window and fir e roller shu tter … ………… ( 99 )

    6. 6 Overpass , trestl e and pi pe trench ……………………… (1 01)

    6. 7 Building insula tion and exterior wa ll fini sh system ……… (] Ol)

    7 Fire fighting a nd r escu e fac ilities …………………… ( J05)

    7. 1 Fire lane ……………………… … ……… … ……… (] 05)

    7. 2 F ield for Ji re fighting ……………… ………… …… … (1 07)

    7. 3 Fire elevator ………………………… … ……·…… .. (1 08)

    7.4 Helicopter landing pad ……………… … ……… … … (1 10)

    8 Occupa ncies w h ere fir e protec t ion sys t ems a nd

    e quipme nt s h a ll b e in sta lled ……………… … ………(1 11)

    8. 1 General requirements …………………… … ………… (1 11)

    8. 2 Incloo r fire hydrant sys lem ……………… ……………(1 13)

    8. 3 AUlomatic fire extingu ishing sys lem ………… ………… (1 14)

    8. 4 Fire a larm system ………………… …………… …… (1 19)

    8. 5 Smoke control and smoke exhaus t system ……… … …… (21)

    9 H e ating , v e ntilat ing a nd a ir condit io ning …………… (1 23)

    9. 1 General requirements (23)

    • 5 •

    9.2 Heating ……………………………………………… 门口〉

    9.3 Venti lating and air conditioning ………………………(1 24)

    10 El ectric s ystem ……………………………………… ( 128)

    10. 1 Fire power suppl y and di stribution …………………… ( 128)

    10.2 Power lin巳 and electric eq uipment …………………… ( 130)

    10. 3 Fire emergency lighting and evacuation

    inclicating sign ……………………………………… (31)

    11 Timber buildings ……………………………………(134)

    12 City road tunnel (1 40 )

    12. 0 General requirements …………………………………(140)

    12. 2 Fire water supply and fire extinguishing equipment ……(142)

    12.3 Ventilating and smoke exhaust system …………………(144)

    12. 4 Fire alarm system ……………………………………(145)

    12. 5 Power supply and other requirements …………………(1 45)

    App endix A Calcula tion m ethod of building

    height and stories …………… ……… …… ( 147)

    Appendix B Calculat ion method of fire separation

    distance ……………………………………(149)

    Appendix C The t emperature-rise curve for fir e

    resistance rating and performance

    crit e ria of load-bearing structure

    in tunnel …………………………………… ( 50)

    Explanation of wording in this code …………………… ( 5 1)

    List of quoted standards ……… ………………………… ( 52)

    Addition: Explana tion of provisions …………..………. ( 55)

    Appendix Combustion performance and fire resistance

    rating of building elements … ……………… (4 12)

    • 6 •

  • 2025年《化工安全》规范提高班--规范合集.pdf-图片83

    9.2 Heating ……………………………………………… 门口〉

    9.3 Venti lating and air conditioning ………………………(1 24)

    10 El ectric s ystem ……………………………………… ( 128)

    10. 1 Fire power suppl y and di stribution …………………… ( 128)

    10.2 Power lin巳 and electric eq uipment …………………… ( 130)

    10. 3 Fire emergency lighting and evacuation

    inclicating sign ……………………………………… (31)

    11 Timber buildings ……………………………………(134)

    12 City road tunnel (1 40 )

    12. 0 General requirements …………………………………(140)

    12. 2 Fire water supply and fire extinguishing equipment ……(142)

    12.3 Ventilating and smoke exhaust system …………………(144)

    12. 4 Fire alarm system ……………………………………(145)

    12. 5 Power supply and other requirements …………………(1 45)

    App endix A Calcula tion m ethod of building

    height and stories …………… ……… …… ( 147)

    Appendix B Calculat ion method of fire separation

    distance ……………………………………(149)

    Appendix C The t emperature-rise curve for fir e

    resistance rating and performance

    crit e ria of load-bearing structure

    in tunnel …………………………………… ( 50)

    Explanation of wording in this code …………………… ( 5 1)

    List of quoted standards ……… ………………………… ( 52)

    Addition: Explana tion of provisions …………..………. ( 55)

    Appendix Combustion performance and fire resistance

    rating of building elements … ……………… (4 12)

    • 6 •

    1 总则

    1. 0.1 为了预防建筑火灾,减少火灾危害,保护人身和财产安

    全,制定本规范 。

    1. O. 2 本规范适用于下列新建、扩建和改建的建筑:

    1 厂房;

    2 仓库;

    3 民用建筑;

    4 甲、乙、丙类液体储罐(区) ;

    5 可燃、助燃气体储罐(区) ;

    6 可燃材料堆场;

    7 城市交通隧道 。

    人民防空工程、石油和天然气工程、石油化工工程和火力发

    电厂与变电站等的建筑防火设计,当有专门的国家标准时,宜从其

    规定 。

    1. O. 3 本规范不适用于火药、炸药及其制品厂房(仓库 〉 、花炮

    厂房(仓库)的建筑防火设计 。

    1. O. 4 同一建筑内设置多种使用功能场所时,不同使用功能

    场所之间应进行防火分隔,该建筑及其各功能场所的防火设计

    应根据本规范的相关规定确定。

    1. O. 5 建筑防火设计应遵循国家的有关方针政策,针对建筑及其

    火灾特点,从全局出发,统筹兼顾,做到安全适用、技术先进、经济

    合理。

    1. O. 6 建筑高度大于 250m 的建筑,除应符合本规范的要求

  • 2025年《化工安全》规范提高班--规范合集.pdf-图片84

    1 总则

    1. 0.1 为了预防建筑火灾,减少火灾危害,保护人身和财产安

    全,制定本规范 。

    1. O. 2 本规范适用于下列新建、扩建和改建的建筑:

    1 厂房;

    2 仓库;

    3 民用建筑;

    4 甲、乙、丙类液体储罐(区) ;

    5 可燃、助燃气体储罐(区) ;

    6 可燃材料堆场;

    7 城市交通隧道 。

    人民防空工程、石油和天然气工程、石油化工工程和火力发

    电厂与变电站等的建筑防火设计,当有专门的国家标准时,宜从其

    规定 。

    1. O. 3 本规范不适用于火药、炸药及其制品厂房(仓库 〉 、花炮

    厂房(仓库)的建筑防火设计 。

    1. O. 4 同一建筑内设置多种使用功能场所时,不同使用功能

    场所之间应进行防火分隔,该建筑及其各功能场所的防火设计

    应根据本规范的相关规定确定。

    1. O. 5 建筑防火设计应遵循国家的有关方针政策,针对建筑及其

    火灾特点,从全局出发,统筹兼顾,做到安全适用、技术先进、经济

    合理。

    1. O. 6 建筑高度大于 250m 的建筑,除应符合本规范的要求

    外,尚应结合实际情况采取更加严格的防火措施,其防火设计

    应提交国家消防主管部门组织专题研究、论证 。

    1. O. 7 建筑防火设计除应符合本规范的规定外,尚应符合国

    家现行有关标准的规定 。

    • 2 •

  • 2025年《化工安全》规范提高班--规范合集.pdf-图片85

    外,尚应结合实际情况采取更加严格的防火措施,其防火设计

    应提交国家消防主管部门组织专题研究、论证 。

    1. O. 7 建筑防火设计除应符合本规范的规定外,尚应符合国

    家现行有关标准的规定 。

    • 2 •

    2 术语、符号

    2. 1 术语

    2. 1. 1 高层建筑 high- rise building

    建筑高度大于 27m 的住宅建筑和建筑高度大于 24m 的非

    单层厂房、仓库和其他民用建筑 。

    注 .建筑高度的计算应符合本规范附录 A 的规定.

    2. 1. 2 裙房 podium

    在高层建筑主体投影范围外,与建筑主体相连且建筑高度

    不大于 24m 的附属建筑 。

    2. 1. 3 重要公共建筑 important public building

    发生火灾可能造成重大人员伤亡、财产损失和严重社会影

    响的公共建筑 。

    2. 1. 4 商业服务网点 commercia l facili ties

    设置在住宅建筑的首层或首层及二层,每个分隔单元建筑

    面积不大于 300旷的商店、邮政所、储蓄所、理发店等小型营业

    性用房 。

    2. 1. 5 高架仓库 high rack storage

    货架高度大于 7m 且采用机械化操作或自动化控制的货

    架仓库 。

    2. 1. 6 半地下室 semi-basement

    房间地面低于室外设计地面的平均高度大于该房间平均

    净高 1 / 3 ,且不大于 1/ 2 者 。

    2. 1. 7 地下室 basement

    房间地面低于室外设计地面的平均高度大于该房间平均

    • 3 •

  • 2025年《化工安全》规范提高班--规范合集.pdf-图片86

    2 术语、符号

    2. 1 术语

    2. 1. 1 高层建筑 high- rise building

    建筑高度大于 27m 的住宅建筑和建筑高度大于 24m 的非

    单层厂房、仓库和其他民用建筑 。

    注 .建筑高度的计算应符合本规范附录 A 的规定.

    2. 1. 2 裙房 podium

    在高层建筑主体投影范围外,与建筑主体相连且建筑高度

    不大于 24m 的附属建筑 。

    2. 1. 3 重要公共建筑 important public building

    发生火灾可能造成重大人员伤亡、财产损失和严重社会影

    响的公共建筑 。

    2. 1. 4 商业服务网点 commercia l facili ties

    设置在住宅建筑的首层或首层及二层,每个分隔单元建筑

    面积不大于 300旷的商店、邮政所、储蓄所、理发店等小型营业

    性用房 。

    2. 1. 5 高架仓库 high rack storage

    货架高度大于 7m 且采用机械化操作或自动化控制的货

    架仓库 。

    2. 1. 6 半地下室 semi-basement

    房间地面低于室外设计地面的平均高度大于该房间平均

    净高 1 / 3 ,且不大于 1/ 2 者 。

    2. 1. 7 地下室 basement

    房间地面低于室外设计地面的平均高度大于该房间平均

    • 3 •

    净高 1 / 2 者 。

    2.1.8 明火地点 open flam巳 loca t i on

    室内外有外露火焰或赤热表面的固定地点 (民用建筑内的

    灶具 、电磁炉等除外) 。

    2. 1. 9 散发火花地点 sparking site

    有飞火的烟囱或进行室外砂轮、电焊、气焊、气割等作业的

    固定地点 。

    2. 1. 10 耐火极限 fir e res istance ra ting

    在标准耐火试验条件下,建筑构件、配件或结构从受到火

    的作用时起,至失去承载能力、完整性或隔热性时止所用时间,

    用小时表示 。

    2. 1. 11 防火隔墙 fir e partition wall

    建筑内防止火灾蔓延至相邻区域且耐火极限不低于规定

    要求的不燃性墙体 。

    2. 1. 12 防火墙 fir e wa ll

    防止火灾蔓延至相邻建筑或相邻水平防火分区且耐火极

    限不低于 3 . OOh 的不燃性墙体 。

    2. 1. 13 避难层(间) refuge f! oor(room)

    建筑内用于人员暂时躲避火灾及其烟气危害 的楼层(房

    间) 。

    2. 1. 14 安全出口 safety exit

    供人员安全疏散用的楼梯间和室外楼梯的出入口或直通

    室内外安全区域的出口 。

    2. 1. 15 封闭楼梯间 enclosed sta ircase

    在楼梯间入口处设置门,以防止火灾的烟和热气进入的楼

    梯间 。

    2. 1. 16 防烟楼梯间 smoke-proof staircase

    在楼梯间入口处设置防烟的前室、开敞式阳台或凹廊(统

    • 4 •

  • 2025年《化工安全》规范提高班--规范合集.pdf-图片87

    净高 1 / 2 者 。

    2.1.8 明火地点 open flam巳 loca t i on

    室内外有外露火焰或赤热表面的固定地点 (民用建筑内的

    灶具 、电磁炉等除外) 。

    2. 1. 9 散发火花地点 sparking site

    有飞火的烟囱或进行室外砂轮、电焊、气焊、气割等作业的

    固定地点 。

    2. 1. 10 耐火极限 fir e res istance ra ting

    在标准耐火试验条件下,建筑构件、配件或结构从受到火

    的作用时起,至失去承载能力、完整性或隔热性时止所用时间,

    用小时表示 。

    2. 1. 11 防火隔墙 fir e partition wall

    建筑内防止火灾蔓延至相邻区域且耐火极限不低于规定

    要求的不燃性墙体 。

    2. 1. 12 防火墙 fir e wa ll

    防止火灾蔓延至相邻建筑或相邻水平防火分区且耐火极

    限不低于 3 . OOh 的不燃性墙体 。

    2. 1. 13 避难层(间) refuge f! oor(room)

    建筑内用于人员暂时躲避火灾及其烟气危害 的楼层(房

    间) 。

    2. 1. 14 安全出口 safety exit

    供人员安全疏散用的楼梯间和室外楼梯的出入口或直通

    室内外安全区域的出口 。

    2. 1. 15 封闭楼梯间 enclosed sta ircase

    在楼梯间入口处设置门,以防止火灾的烟和热气进入的楼

    梯间 。

    2. 1. 16 防烟楼梯间 smoke-proof staircase

    在楼梯间入口处设置防烟的前室、开敞式阳台或凹廊(统

    • 4 •

    称前室)等设施,且通向前室和楼梯间的门均为防火门,以防止

    火灾的烟和热气进入的楼梯间 。

    2. 1. 17 避难走道 exit passageway

    采取防烟措施且两侧设置耐火极限不低于 3. OOh 的防火

    隔墙,用于人员安全通行至室外的走道 。

    2. 1. 18 闪点 f! ash point

    在规定的试验条件下,可燃性、液体或固体表面产生的蒸气

    与空气形成的泪合物,遇火源能够闪燃的液体或固体的最低温

    度(采用闭杯法测定) 。

    2. 1. 19 爆炸下限 lower explosion limit

    可燃的蒸气、气体或粉尘与空气组成的混合物,遇火源即

    能发生爆炸的最低浓度 。

    2. 1. 20 沸溢性油品 boil-over oi l

    含水并在燃烧时可产生热波作用的油品 。

    2. 1. 21 防火间距 fire s巳paration distance

    防止着火建筑在一定时间内引燃相邻建筑,便于消防扑救

    的间隔距离 。

    注防火间距的计算方法应符合本规范附录 B 的规定 。

    2. 1. 22 防火分区 fir e compartment

    在建筑内部采用防火墙、楼板及其他防火分隔设施分隔而

    戚,能在一定时间内防止火灾向同一建筑的其余部分蔓延的局

    部空间 。

    2. 1. 23 充实水柱 full water spo ut

    从水枪喷嘴起至射流 90% 的水柱水量穿过直径 380mm

    圆孔处的一段射流长度。

    2.2 符 口 可

    A一一泄压面积;

    • 5 •

查看全文,请先下载后再阅读

*本资料内容来自233网校,仅供学习使用,严禁任何形式的转载