2015年造价工程师考试案例分析每日一练(8月5日)
1、某拟建工程为两层砖混结构,一砖外墙,层高3.3m,平面图如图6-Ⅰ-1和图6-Ⅰ-2所示。
原概算指标为每100m2建筑面积一砖半外墙25.71m3,每平方米概算造价120.5元。(砖砌一砖外墙概算单价按23.76元计算,砖砌一砖半外墙按30.31元计算)
问题:
1.求该工程的建筑面积及外墙工程量。
2.求修正后的单方造价和概算造价。
2、某工业引进项目,基础数据如下:
(1)项目的建设前期年限为1年,建设期为2年,该项目的实施计划为:年完成项目的全部投资40%,第二年完成60%,第三年项目投产并且达到100%设计生产能力,预计年产量为3000万元。
(2)全套设备拟从同外进口,重量1850t,装运港船上交货价为460万美元,国际运费标准为330美元/t,海上运输保险费率为0.2685%,中国银行费率为0.45%,外贸手续费率为1.7%,关税税率为22%,增值税税率为17%,美元对人民币的银行牌价为1:6.6,设备的国内运杂费率为2.3%。
(3)根据已建同类项目统计情况,一般建筑工程占设备购置投资的27.6%,安装工程占设备购置投资的10%,工程建设其他费用占设备购置投资的7.7%,以上三项的综合调整系数分别为:1.23、1.15、1.08。
(4)本项目固定资产投资中有2000万元来自银行贷款,其余为自有资金,且不论借款还是自有资金均按计划比例投入。根据借款协议,贷款利率按10%计算,按季计息。基本预备费费率10%,建设期内涨价预备费平均费率为6%。
(5)根据已建成同类项目资料,每万吨产品占用流动资金为1.3万元。
问题:
1.计算项目设备购置投资。
2.估算项目固定资产投资额。
3.试用扩大指标法估算流动资金。
4.估算该项目的总投资。
(计算结果保留小数点后两位)
3、某市政府投资新建一学校,工程内容包括办公楼、教学楼、实验室、体育馆等,招标文件的工程量清单表中,招标人给出了材料暂估价,承发包双方按《建设工程工程量清单计价规范》(GB 50500--2013)以及《标准施工招标文件》签订了施工承包合同,合同规定,国内《标准施工招标文件》不包括的工程索赔内容,执行FIDIC合同条件的规定。
工程实施过程中,发生了如下事件:
事件1:投标截止日期前15天,该市工程造价管理部门发布了人工单价及规费调整的有关文件。
事件2:分部分项工程量清单中,天棚吊顶的项目特征描述中龙骨规格、中距与设计图样要求不一致。
事件3:按实际施工图样施工的基础土方工程量与招标人提供的工程量清单表中挖基础土方工程量发生较大的偏差。
事件4:主体结构施工阶段遇到强台风、特大暴雨,造成施工现场部分脚手架倒塌,损坏了部分已完工程、施工现场承发包双方办公用房、施工设备和运到施工现场待安装的一台电梯。事后,承包方及时按照发包方要求清理现场,恢复施工,重建承发包双方现场办公用房,发包方还要求承包方采取措施,确保按原工期完成。
事件5:由于资金原因,发包方取消了原合同中体育馆工程内容,在工程竣工结算时,承包方就发包方取消合同中体育馆工程内容提出了补偿管理费和利润的要求,但遭到发包方拒绝。
上述事件发生后,承包方及时对可索赔事件提出了索赔。
【问题】
1.投标人对设计材料暂估价的分部分项进行投标报价,以及该项目工程价款的调整有哪些规定?
2.根据《建设工程工程量清单计价规范》(GB 50500--2013)分别指出对事件1、事件
2.事件3应如何处理,并说明理由。
3.事件4中,承包方可提出哪些损失和费用的索赔?
4.事件5中,发包方拒绝承包方补偿要求的做法是否合理?说明其理由。
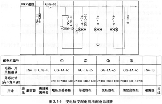
4、(1)图3.3-2~图3.34所示为某变电所变配电工程的平面图和高低压配电系统图,图中,号高压成套配电柜到电力变压器的电缆管线的清单工程量设定为:φ100钢管暗敷为9m;电力电缆穿管敷设YJV-10kV.3×70mm2为10m,其另应增加的附加长度为3.5m。基础槽钢均采用10号槽钢制作。



(2)电缆工程的相关定额见表3.3-5。

(3)该工程变配电装置中的全部母线,均由生产厂家制作安装。人工费单价为80元/工日,管理费和利润分别按人工费的60%和40%计算。
(4)相关分部分项工程量清单项目统一编码见表3.3-6。
表3.3-6相关分部分项工程量清单项目统一编码
|
项目编码 |
项目名称 |
项目编码 |
项目名称 |
|
030201001 |
油浸电力变压器 |
030204004 |
低压开关柜 |
|
030201002 |
干式电力变压器 |
030208001 |
电力电缆 |
|
030202006 |
隔离开关 |
030212001 |
电器配管 |
|
030202010 |
避雷器 |
030208003 |
电缆保护管 |
|
030202017 |
高压成套配电柜 |
|
|
1.按照背景资料(1)、(2)、(3)和图3.3-2~图3.34所示内容,在分部分项工程量清单与计价表中,编制该工程变配电装置安装和电缆管线的“分部分项工程量清单与计价表”。(不计算计价部分)
2.根据背景资料(2)中的相关定额,计算“电力电缆”项目综合单价和编制“工程量清单综合单价分析表”。
5、 某施工单位(乙方)与建设单位(甲方)签订了某工程施工总承包合同,合同约定:工期600d,工期每提前(或拖后)1d奖励(或罚款)1万元(含税费)。经甲方同意乙方将电梯和设备安装工程分包给具有相应资质的专业承包单位(丙方)。分包合同约定: 分包工程施工进度必须服从施工总承包进度计划的安排,施工进度奖罚约定与总承包合同的工期奖罚相同。乙方按时提交了施工网络计划,如图所示(时间单位:d),并得到了批准。
施工过程中发生了以下事件:
事件1:7月25日至26日基础工程施工时,由于特大暴雨引起洪水突发,导致现场无法施工,基础工程专业队30名工人窝工,天气转好后, 27日进行现场清理,所用机械3个台班(台班费:800元/台班),28日乙方安排基础作业队修复被洪水冲坏的部分基础12m3(综合单价:480元/m3)。
事件2:8月7日至10日主体结构施工时,乙方租赁的大模板未能及时进场,随后的8月9日至12日,工程所在地区供电中断,造成40名工人持续窝工6d,所用机械持续闲置6个台班(台班费:900元/台班)。
事件3:屋面工程施工时,乙方的劳务分包队伍人员未能及时进场,造成施工时间延长8d。
事件4:设备安装过程中,甲方采购的制冷机组因质量问题退换货,造成丙方12名工人窝工3d,租赁的施工机械闲置3d(租赁费600元/d),设备安装工程完工时间拖延3d。
事件5:因甲方对室外装修设计的效果不满意,要求设计单位修改设计,致使图纸交付拖延,使室外装修作业推迟开工10d,窝工50个工日,租赁的施工机械闲置10d(租赁费700元/d)。
事件6:应甲方要求,乙方在室内装修施工中,采取了加快施工的技术组织措施,使室内装修施工时间缩短了10d,技术组织措施直接费8万元。
其余各项工作,未出现导致作业时间和费用增加的情况。
问题:
1.从工期控制的角度看,该工程中的哪些工作是主要控制对象?
2.乙方可否就上述每项事件向甲方提出工期和(或)费用索赔?请简要说明理由。
3.丙方因制冷机组退换货导致的工人窝工和租赁设备闲置费用损失应由谁给予补偿?
4.工期索赔多少天?实际工期为多少天?工期奖(罚)款是多少?
5.假设工程所在地人工费标准为50元/工日,窝工人工费补偿标准为30元/工日;机械闲置补偿标准为正常台班费的60%;该工程管理费按人工、材料、机械费之和的6%计取,利润按人工、材料、机械费和管理费之和的4.5%计取,规费费率3.35%,税金3.41%。试问:承包商应得到的费用索赔是多少?(计算结果以元为单位,取整)
6、我国某沿海城市某建设工程项目承包合同形式为采用工程量清单计价的主体总承包总价合同,其工程量清单某章节中包括如下内容:
(1)对安装玻璃幕墙工程之指定分包暂定造价RMB1500000.00元,总承包单位对上述工程提供协调及施工设施的配合费用45000.00元。
(2)对外围土建工程之指定分包暂定造价RMB500000.00元,总承包单位对上述工程提供协调及施工设施的配合费用10000.00元。
(3)总承包单位对设计及供应电梯工程(工程造价约RMB1300000.00元)承包单位的协调及照管的配合费用3000.00元。
(4)总承包单位对安装电梯工程(工程造价约RMB200000.00元)承包单位的协调及照管的配合费用4000.00元。
(5)总承包单位对设计及供应机电系统工程(工程造价约RMB4500000.00元)承包单位的协调及照管的配合费用2000.00元。
(6)总承包单位对安装机电系统工程(工程造价约RMB750000.00元)承包单位的协调及照管的配合费用4000.00元。
(7)总承包单位对市政配套工程(工程造价约RMB1500000.00元)承包单位的协调及照管的配合费用3000.00元。
(8)预留人民币1500000.O0元作为不可预见费。
(9)总承包单位察看现场费用8000.00元。
(10)总承包单位临时设施费70000.00元。
(11)依招标方安全施工的要求,总承包单位安全施工增加费10000.00元。
(12)总承包单位环境保护费5000.00元。
【问题】
1.工程量清单计价由哪几部分费用组成?
2.根据全国统一工程量清单计价规则,计算上述清单项目中的指定分包金额和总承包服务费。
3.①什么是措施项目费及其他项目费?
②用通用格式列出其他项目清单计价表和措施项目清单计价表。
4.若该工程项目招标人要求一项额外的装饰工程,该工程不能以实物量计量和定价。招标人估算该工程需抹灰工约20工日,计600.00元;油漆工约10工日,计350.00元,则部分工作应如何计价?列出相应的计价表。
7、某单层工业厂房部分施工图如图5.3~图5.5所示。单层厂房一部分采用无梁楼盖,另一部分采用纵向框架承重,由于两部分的沉降量不同,中间设置了宽度为300mm的变形缝。单层工业厂房层高为3.6m,墙体除注明者外,均为200mm厚加气混凝土墙,轴线位于柱中。梁混凝土的保护厚度为25mm,梁箍筋弯钩长度每边长均为10d。箍筋距离柱子50mm开始布置。弯起钢筋弯起角度为45。(钢筋重量见表5-8)。现浇楼盖板的厚度为200mm。φ25mm钢筋的弯钩增加长度为0.1m,φ18mm钢筋的弯钩增加长度为0.15m。柱子直径为300mm,柱帽顶部直径为900mm。



表5-8某单层工业厂房配筋表

问题:
1.依据GB/T 50353—2013《建筑工程建筑面积计算规则》的规定,计算单层工业厂房的建筑面积,将计算过程、计量单位及计算结果填人表5-9。
表5-9建筑面积计算表

2.依据GB 50500—2013《建设工程工程量清单计价规范》工程量计算规则,计算KL的钢筋工程量(每根梁钢筋的布置形式相同),将计算结果按要求填入表5-10。计算分部分项工程量,将计算过程、计量单位及计算结果按要求填人表5-1 1(计算结果均保留两位小数)。
表5-10钢筋计算表

8、 某国有资金投资的某重点工程项目计划于2013年8月8 日开工,招标人拟采用公开招标方式进行项目施工招标,并委托某具有招标代理和造价咨询资质的招标代理机构编制该项目的标底和投标限价。该机构还接受了该项目投标人D的投标文件的编制。招标过程中发生了以下事件:
事件1:2013年2月8日,已通过资格预审的A、B、c、D、E 5家施工承包商拟参与该项目的投标,招标人规定2月20~2月23日为招标文件发售时间。3月6日下午4时为投标截止时间。投标有效期自投标文件发售时间算起总计60天。
事件2:考虑该项目的估算价格为l0000万元,所以投标保证金统一定为200万元,其有效期从递交投标文件时间算起总计60天。
事件3:评标委员会成员由7人组成,其中当地招标监督管理办公室1人、公证处1人、招标人1人、技术经济方面专家4人。评标时发现E企业投标文件虽无法定代表人签字和委托人授权书,但投标文件均已有项目经理签字并加盖了单位公章。评标委员会于5月28日提出了书面评标报告。C、A企业分列综合得分、第二名。
事件4:5月30日招标人向c企业发出了中标通知书,6月2日C企业收到中标通知书,双方于7月1日签订了书面合同。7月15日,招标人向其他未中标企业退回了投标保证金。
问题:
1.该项目招标人和招标代理机构有何不妥之处,并说明理由。
2.请指出事件1的不妥之处,并说明理由。
3.请指出事件2的不妥之处,并说明理由。
4.请指出事件3的不妥之处,并说明理由。
5.请指出事件4的不妥之处,并说明理由。
9、某建设项目进行可行性研究。专家组提出了三个备选方案。并决定在项目评价时要考虑:设备选型费用年值(F1),项目实施后劳动生产率(F2),项目建设占用耕地面积(F3),项目实施后单位产品年均资源耗用量(F4),项目配套费用(F5)第五个因素。对于各因素间的重要性与权重专家组一致认为:F1》F5=F3》F4=F2(其中“》”表示较重要关系;“=”表示同等重要关系)。
专家组对于3个方案中涉及评价的数据,汇总见表2—22。
表2-22项目评价基本数据表
|
方案 |
设备使用 寿命期(年) |
设备投资 (71元) |
经营成本(万元) |
期末残值 (万元) |
F2(万元/年) |
F3(亩) |
F4(t) |
F5(万元) |
|
A |
6 |
10000 |
前3年平均5500 后3年平均6500 |
3500 |
2.4 |
600 |
25 |
1200 |
|
B |
9 |
12000 |
前3年平均5000 中间3年平均6000 后3年平均7000 |
2000 |
3 |
1000 |
45 |
800 |
|
C |
6 |
8000 |
前2年平均3000 后4年平均5000 |
2400 |
2 |
800 |
30 |
1000 |
1.利用0—4评分法确定F1,F2,F3,F4,F5的权重系数。
2.绘制A、B、C三个方案的现金流量图(不含配套费)。
3.设折现率为i=15%,计算设备选型年金费用(相关系数见表2-23)。
表2—23系数表
|
年份n |
2 |
3 |
4 |
5 |
6 |
7 |
备 注 |
|
(P/A,i,7/) |
1.623 |
2.283 |
2.855 |
3.352 |
3.784 |
4.472 |
|
|
(P/F,i,7/) |
0.769 |
0.675 |
0.592 |
0.519 |
0.456 |
0.300 |
(A/P,i,n)·(P/A,i,n)=1 |
4.对于各方案评价指标得分计算时,规定该项评价指标中三个方案中的指标值为10分,各方案指标值评分为:10×(1-方案指标与指标差的值/指标值)
5.利用加权评分法确定得分方案为优方案。
10、某新建项目,建设期为3年,分年均衡进行贷款,年贷款1000万元,第二年贷款1800万元,第三年贷款1200万元,年利率10%,建设期内只计息不支付,则项目建设期利息为( )万元。
A.400.0
B.580.0
C.609.5
D.780.0





