添加学霸君微信号 ks233wx12,邀进一级造价师备考微信群,一起考证!【下载 233 网校 APP,考试题库免费刷!】
233 网校一级造价工程师网站:https://www.233.com/zaojia/
一级造价工程师 APP 资料包:https://wx.233.com/course/Datum/Index?classid=24
2021 年一级造价工程师考试《案例分析(安装工程)》真题及解析
一、案例分析(每题 20 分,共 4 题,共 80 分。)
试题一 (20 分)
某企业拟投资建设一个生产市场急需产品的工业项目。该项目建设 2 年,运营期 8 年。项目建设的其他基本数据如
下:
1.项目建设投资估算 5300 万元(包含可抵扣进项税 300 万元),预计全部形成固定资产,固定资产使用年限 8 年。
按直线法折旧,期末净残值率为 5%。
2.建设投资资金来源于自有资金和银行借款,借款年利率 6%(按年计息)。借款合同约定还款方式为在运营期的前 5
年等额还本付息。建设期内自有资金和借款均为均衡投入。
3.项目所需流动资金按照分项详细估算法估算,从运营期第 1年开始由自有资金投入。
4.项目运营期第 1 年,外购原材料、燃料费为 1680 万元,工资及福利费为 700 万元,其他费用为 290 万元,存货
估算为 385 万元。项目应收账款年周转次数、现金年周转次数、应付账款年周转次数分别为 12 次、9 次、6次。项
目无预付账款和预收账款情况。
5.项目产品适用的增值税税率为 13%,增值税附加税率为 12%,企业所得税税率为 25%。
6.项目的资金投入、收益、成本费用表 1.1。
表 1.1 项目资金投入、收益、成本费用表单位:万元
添加微信号 ks233wx12
进群一起交流考证
“233 网校考证资料”小程序
更多精品资料,微信扫码领取
“233 网校建筑类考证题库”
免费刷题估分都在这里
添加学霸君微信号 ks233wx12,邀进一级造价师备考微信群,一起考证!【下载 233 网校 APP,考试题库免费刷!】
233 网校一级造价工程师网站:https://www.233.com/zaojia/
一级造价工程师 APP 资料包:https://wx.233.com/course/Datum/Index?classid=24
2021 年一级造价工程师考试《案例分析(安装工程)》真题及解析
一、案例分析(每题 20 分,共 4 题,共 80 分。)
试题一 (20 分)
某企业拟投资建设一个生产市场急需产品的工业项目。该项目建设 2 年,运营期 8 年。项目建设的其他基本数据如
下:
1.项目建设投资估算 5300 万元(包含可抵扣进项税 300 万元),预计全部形成固定资产,固定资产使用年限 8 年。
按直线法折旧,期末净残值率为 5%。
2.建设投资资金来源于自有资金和银行借款,借款年利率 6%(按年计息)。借款合同约定还款方式为在运营期的前 5
年等额还本付息。建设期内自有资金和借款均为均衡投入。
3.项目所需流动资金按照分项详细估算法估算,从运营期第 1年开始由自有资金投入。
4.项目运营期第 1 年,外购原材料、燃料费为 1680 万元,工资及福利费为 700 万元,其他费用为 290 万元,存货
估算为 385 万元。项目应收账款年周转次数、现金年周转次数、应付账款年周转次数分别为 12 次、9 次、6次。项
目无预付账款和预收账款情况。
5.项目产品适用的增值税税率为 13%,增值税附加税率为 12%,企业所得税税率为 25%。
6.项目的资金投入、收益、成本费用表 1.1。
表 1.1 项目资金投入、收益、成本费用表单位:万元
添加微信号 ks233wx12
进群一起交流考证
“233 网校考证资料”小程序
更多精品资料,微信扫码领取
“233 网校建筑类考证题库”
免费刷题估分都在这里
问题:
1.列式计算项目运营期年固定资产折旧额。
2.列式计算项目运营期第 1 年应偿还的本金、利息。
3.列式计算项目运营期第 1 年、第 2 年应投入的流动资金。
4.列式计算项目运营期第 1 年应缴纳的增值税。
5.以不含税价格列式计算项目运营期第 1年的总成本费用和税后利润,并通过计算说明项目运营期第 1 年能够满足
还款要求。
(计算过程和结果保留两位小数)
【参考答案】
问题 1:(4 分)
建设期利息:第 1 年: 1500×1/2×6%=45 万元
第 2 年: ( 1545+1500×1/2)×6%=137.7 万元
合计: 45+137. 7=182.37 万元(2 分)
固定资产折旧费:(5300+182.7-300)×(1-5%) ÷8=615. 45 万元(2 分)
问题 2:(4 分)
每年得还本息和:
3182.7×6%× (1+6%)5÷[(1+6%)5-1]=755. 56 万元(2 分)
运营期第 1年应还利总: 3182.7× 6%= 190.96 万元(1分)
应还本金:755.56-190.96=564.6 万元(2 分)
问题 3:(5 分)
运营期第 1年应投入的流动资金:
应收账款=年经营成本÷12=2700÷12=225 万元
现金= (工资及福利费+其他费用)÷9= (700+290) ÷9=110 万元
存货=385 万元
流动资产=225+110+385=720 万元(2 分)
应付账款=外购原材料、燃料费÷6=1680÷6=280 万元
流动负债=应付账款=280 万元(1 分)
运营期第 1年应投入的流动资金 720-280=440 万元(1 分)
运营期第 2年应投入的流动资金=855-350-440=65 万元(1 分)
问题 4:(2 分)
运营期第 1年增值税: 3520×13%-200-300= -42.4 万元,故应纳增值税为 0(2分)
问题 5:(5 分)
运营期第 1年:
总成本费用=2700+615.45+190.96=3506.41 万元(2 分)
税后利润= (3520-3506.41) ×( 1+25%)=10.19 万元(1 分)
问题:
1.列式计算项目运营期年固定资产折旧额。
2.列式计算项目运营期第 1 年应偿还的本金、利息。
3.列式计算项目运营期第 1 年、第 2 年应投入的流动资金。
4.列式计算项目运营期第 1 年应缴纳的增值税。
5.以不含税价格列式计算项目运营期第 1年的总成本费用和税后利润,并通过计算说明项目运营期第 1 年能够满足
还款要求。
(计算过程和结果保留两位小数)
【参考答案】
问题 1:(4 分)
建设期利息:第 1 年: 1500×1/2×6%=45 万元
第 2 年: ( 1545+1500×1/2)×6%=137.7 万元
合计: 45+137. 7=182.37 万元(2 分)
固定资产折旧费:(5300+182.7-300)×(1-5%) ÷8=615. 45 万元(2 分)
问题 2:(4 分)
每年得还本息和:
3182.7×6%× (1+6%)5÷[(1+6%)5-1]=755. 56 万元(2 分)
运营期第 1年应还利总: 3182.7× 6%= 190.96 万元(1分)
应还本金:755.56-190.96=564.6 万元(2 分)
问题 3:(5 分)
运营期第 1年应投入的流动资金:
应收账款=年经营成本÷12=2700÷12=225 万元
现金= (工资及福利费+其他费用)÷9= (700+290) ÷9=110 万元
存货=385 万元
流动资产=225+110+385=720 万元(2 分)
应付账款=外购原材料、燃料费÷6=1680÷6=280 万元
流动负债=应付账款=280 万元(1 分)
运营期第 1年应投入的流动资金 720-280=440 万元(1 分)
运营期第 2年应投入的流动资金=855-350-440=65 万元(1 分)
问题 4:(2 分)
运营期第 1年增值税: 3520×13%-200-300= -42.4 万元,故应纳增值税为 0(2分)
问题 5:(5 分)
运营期第 1年:
总成本费用=2700+615.45+190.96=3506.41 万元(2 分)
税后利润= (3520-3506.41) ×( 1+25%)=10.19 万元(1 分)
因 10.19+615.45=625.64 万元>当年应还本金 564.6 万元,故运营期第 1 年可以满足还款要求。(2分)
试题二
某利用原有仓储库房改建养老院项目,有三个可选设计方案。方案 1:不改变原建筑结构和外立面装修,内部格局
和装修做部分调整;方案二:部分改变原建筑结构,外立面装修全部拆除重做,内部格局和装修做较大调整;方案
三:整体拆除新建。三个方案的基础数据见表 2.1.假设初始投资发生在期初,维护费用和残值发生在期末。
表 2.1 各设计方案的基础数据
经建设单位组织的专家组评审,决定从施工工期(Z1)、初始投资(Z2)、维护费用(Z3)、空间利用(Z4)、使用年限(Z5)、
建筑能耗(Z6)六个指标对设计方案进行评价。专家组采用 0~1 评分方法对各指标的重要程度进行评分,评分结果见
表 2.2,专家组对各设计方案的评价指标打分的算术平均值见表 2.3。
表 2.2 指标重要程度评分表
表 2.3 各设计方案评价指标打分算术平均值
问题:
1.利用答题卡表 2.1,计算各评价指标的权重。
因 10.19+615.45=625.64 万元>当年应还本金 564.6 万元,故运营期第 1 年可以满足还款要求。(2分)
试题二
某利用原有仓储库房改建养老院项目,有三个可选设计方案。方案 1:不改变原建筑结构和外立面装修,内部格局
和装修做部分调整;方案二:部分改变原建筑结构,外立面装修全部拆除重做,内部格局和装修做较大调整;方案
三:整体拆除新建。三个方案的基础数据见表 2.1.假设初始投资发生在期初,维护费用和残值发生在期末。
表 2.1 各设计方案的基础数据
经建设单位组织的专家组评审,决定从施工工期(Z1)、初始投资(Z2)、维护费用(Z3)、空间利用(Z4)、使用年限(Z5)、
建筑能耗(Z6)六个指标对设计方案进行评价。专家组采用 0~1 评分方法对各指标的重要程度进行评分,评分结果见
表 2.2,专家组对各设计方案的评价指标打分的算术平均值见表 2.3。
表 2.2 指标重要程度评分表
表 2.3 各设计方案评价指标打分算术平均值
问题:
1.利用答题卡表 2.1,计算各评价指标的权重。
2.按 Z1 到 Z6 组成的评价指标体系,采用综合评审法对三个方案进行评价,并推荐最优方案。
3.为了进一步对三个方案进行比较,专家组采用结构耐久度、空间利用、建筑能耗,建筑外观四个指标作为功能项
目,经综合评价确定的三个方案的功能指数分别为方案一 0.241,方案二 0.351,方案三 0.408。在考虑初始投资、
维护费用和残值的前提下,已知方案一和方案二的寿命期年费用分别为 256.415 万元和 280.789 万元,试计算方案
三的寿命期年费用,并用价值工程方法选择最优方案。年复利率为 8%,现值系数见表 2.4。
4.在选定方案二的前提下,设计单位提出,通过增设护理监测系统降低维护费用,该系统又有 A、B 两个设计方案。
方案 A 初始投资 60 万元,每年降低维护费用 8 万元,每 10 年大修一次,每次大修费用 20 万元;方案 B 初始投资
100 万元,每年降低维护费用 11 万元,每 20 年大修一次,每次大修费用 50 万元,试分别计算 A、B 两个方案的净
现值,并选择最优方案。
(计算过程和结果均保留三位小数)
表 2.4 现值系数表
【参考答案】
问题 1(4 分)
问题 2:(4 分)
方案一得分: 10×0.19+10×0.286+8×0.238+6×0.095+6×0.143+7×0. 048=8.428(1 分)
方案二得分: 8×0.19+7×0.286+9×0.238+9×0.095+8×0.143+9×0.048=8.095(1 分)
方案三得分: 7×0.19+6×0.286+10×0.238+10×0.095+10×0.143+10×0.048=8.286(1 分)
因方案一得分最高,故推荐方案一为最优方案。(1分)
问题 3:(6 分)
2.按 Z1 到 Z6 组成的评价指标体系,采用综合评审法对三个方案进行评价,并推荐最优方案。
3.为了进一步对三个方案进行比较,专家组采用结构耐久度、空间利用、建筑能耗,建筑外观四个指标作为功能项
目,经综合评价确定的三个方案的功能指数分别为方案一 0.241,方案二 0.351,方案三 0.408。在考虑初始投资、
维护费用和残值的前提下,已知方案一和方案二的寿命期年费用分别为 256.415 万元和 280.789 万元,试计算方案
三的寿命期年费用,并用价值工程方法选择最优方案。年复利率为 8%,现值系数见表 2.4。
4.在选定方案二的前提下,设计单位提出,通过增设护理监测系统降低维护费用,该系统又有 A、B 两个设计方案。
方案 A 初始投资 60 万元,每年降低维护费用 8 万元,每 10 年大修一次,每次大修费用 20 万元;方案 B 初始投资
100 万元,每年降低维护费用 11 万元,每 20 年大修一次,每次大修费用 50 万元,试分别计算 A、B 两个方案的净
现值,并选择最优方案。
(计算过程和结果均保留三位小数)
表 2.4 现值系数表
【参考答案】
问题 1(4 分)
问题 2:(4 分)
方案一得分: 10×0.19+10×0.286+8×0.238+6×0.095+6×0.143+7×0. 048=8.428(1 分)
方案二得分: 8×0.19+7×0.286+9×0.238+9×0.095+8×0.143+9×0.048=8.095(1 分)
方案三得分: 7×0.19+6×0.286+10×0.238+10×0.095+10×0.143+10×0.048=8.286(1 分)
因方案一得分最高,故推荐方案一为最优方案。(1分)
问题 3:(6 分)
方案三寿命周期年费用:
2100% ×(A/P,8%,50) +120-70× (P/F,8%,50) × (A/P,8%,50)=2100÷12.233+120-70×0.021÷12.233=291.547
万元(1 分)
成本指数:(2分)
256.415+280.789+291.547=828.751 万元
方案一:256.415/828.751=0.309
方案二:280.789/828.751=0.339
方案三:291.547/828.751=0.352
价值指数:(2分)
方案一:0.241/0.309=0.780
方案二:0.351/0.339=1.035
方案三:0.408/0.352=1.159
因方案三价值指数最高,故选择方案三为最优方案。(1分)
问题 4:(6 分)
A方案费用净现值: 1800+60-40× (P/F,8%,40) +(130-8) × (P/A, 8%,40)+20×[ (P/F,8%,10) + (P/F,
8%,20)+ (P/F,8%,30 )]
=1800+60-40×0.046+122×11.925+20×0.463+0.215+0.099)=3328. 55 万元(2.5 分)
B方案费用净现值:1800+100 -40× (P/F,8%,40) + (130-11)×(P/A,8%,40) +50×(P/F,8%,20)
=1800+100-40×0.046+119×11.925+50×0.215=3327.985 万元
因 B 方案费用净现值最小,故选择 B 方案为最优方案。(1 分)
试题三
某国有资金投资项目,业主依据《标准施工招标文件》通过招标确定了施工总承包单位,双方签订了施工总承包合
同,合同约定,管理费按人材机费之和的 10%计取,利润按人材机费和管理费之和的 6%计取,规费和增值税按人材
机费、管理费和利润之和的 13%计取,人工费单价为 150 元/工日,施工机械台班单价为 1500 元/台班:新增分部分
项工程的措施费按该分部分项工程费的 30%计取。(除特殊说明外,各费用计算均按不含增值税价格考虑。合同工期
220 天,工期提前(延误)的奖励(惩罚)金额为 1万元/日。
合同签订后,总承包单位编制并被批准的施工进度计划如图 3.1 所示
图 3.1 施工进度计划(单位:天)
施工过程中发生如下事件:
事件 1:为改善项目使用功能,业主进行了设计变更,该变更增加了项 Z 工作,根据施工工艺要求,Z 工作为 A 工
作的紧后工作、为 G 工作的紧前工作,已知 Z工作持续时间为 50 天,用人工 600 工日,施工机械 50 台班,材料费
方案三寿命周期年费用:
2100% ×(A/P,8%,50) +120-70× (P/F,8%,50) × (A/P,8%,50)=2100÷12.233+120-70×0.021÷12.233=291.547
万元(1 分)
成本指数:(2分)
256.415+280.789+291.547=828.751 万元
方案一:256.415/828.751=0.309
方案二:280.789/828.751=0.339
方案三:291.547/828.751=0.352
价值指数:(2分)
方案一:0.241/0.309=0.780
方案二:0.351/0.339=1.035
方案三:0.408/0.352=1.159
因方案三价值指数最高,故选择方案三为最优方案。(1分)
问题 4:(6 分)
A方案费用净现值: 1800+60-40× (P/F,8%,40) +(130-8) × (P/A, 8%,40)+20×[ (P/F,8%,10) + (P/F,
8%,20)+ (P/F,8%,30 )]
=1800+60-40×0.046+122×11.925+20×0.463+0.215+0.099)=3328. 55 万元(2.5 分)
B方案费用净现值:1800+100 -40× (P/F,8%,40) + (130-11)×(P/A,8%,40) +50×(P/F,8%,20)
=1800+100-40×0.046+119×11.925+50×0.215=3327.985 万元
因 B 方案费用净现值最小,故选择 B 方案为最优方案。(1 分)
试题三
某国有资金投资项目,业主依据《标准施工招标文件》通过招标确定了施工总承包单位,双方签订了施工总承包合
同,合同约定,管理费按人材机费之和的 10%计取,利润按人材机费和管理费之和的 6%计取,规费和增值税按人材
机费、管理费和利润之和的 13%计取,人工费单价为 150 元/工日,施工机械台班单价为 1500 元/台班:新增分部分
项工程的措施费按该分部分项工程费的 30%计取。(除特殊说明外,各费用计算均按不含增值税价格考虑。合同工期
220 天,工期提前(延误)的奖励(惩罚)金额为 1万元/日。
合同签订后,总承包单位编制并被批准的施工进度计划如图 3.1 所示
图 3.1 施工进度计划(单位:天)
施工过程中发生如下事件:
事件 1:为改善项目使用功能,业主进行了设计变更,该变更增加了项 Z 工作,根据施工工艺要求,Z 工作为 A 工
作的紧后工作、为 G 工作的紧前工作,已知 Z工作持续时间为 50 天,用人工 600 工日,施工机械 50 台班,材料费
16 万元。
事件 2:E 工作为隐蔽工程。E工作施工前,总承包单位认为工期紧张,监理工程师到场验收会延误时间,即自行进
行了隐蔽,监理工程师得知后,要求总承包单位对已经覆盖的隐蔽工程剥露重新验收。经检查验收,该隐蔽工程合
格。总承包单位以该工程检查验收合格为由,提出剥露与修复隐蔽工程的人工费、材料费合计 1.5 万元和延长工期
5天的索赔。
事件 3:为获取提前竣工奖励,总承包单位确定了五项可压缩工作持续时间的工作 F、G、H、I、J,并测算了相应
增加的费用,见表 3.1。
表 3.1 可压缩的工作持续时间和相应的费用增加表
已知施工总承包合同中的某分包专业工程暂估价 1000 万元,具有技术复杂、专业性强的工程特点,由总承包单位
负责招标。招标过程中发生如下事件:
①由于采用随机抽取方式确定的评标专家难以保证胜任该分包专业工程评标工作,总承包单位便直接确定了评标专
家。
②对投标人进行资格审查时,评标委员会认为,招标文件中规定投标人必须提供合同复印件作为施工业绩认定的证
明材料,不足以反映工程合同履行的实际情况,还应提供工程竣工验收单。所以对投标文件中,提供了施工业绩的
合同复印件和工程竣工验收单的投标人通过资格审查,对施工业绩仅提供了合同复印件的投标人做出不予通过资格
审查的处理决定。
③评标结束后,总承包单位征得业主同意,拟向排第一序位的中标候选人发出中标通知书前,了解到该中标候选人
的经营状况恶化,且被列入了失信被执行人。
问题:
1.事件 1 中,依据图 3.1 绘制增加 Z 工作以后的施工进度计划;列式计算 Z工作的工程价款(单位:元)
2.事件 2 中,总承包单位的费用和工期索赔是否成立?说明理由。在索赔成立的情况下,总承包单位可索赔的费用
金额为多少元?
3.事件 3 中,从经济性角度考虑,总承包单位应压缩多少天的工期?应压缩哪几项工作?可以获得的收益是多少元?
4.总承包单位直接确定评标专家的做法是否正确?说明理由。
5.评标委员会对投标人施工业绩认定的做法是否正确?说明理由。
6.针对分包专业工程招标过程中的事件③,总承包单位应如何处理?
(费用计算结果保留两位小数)
【参考答案】
问题 1
16 万元。
事件 2:E 工作为隐蔽工程。E工作施工前,总承包单位认为工期紧张,监理工程师到场验收会延误时间,即自行进
行了隐蔽,监理工程师得知后,要求总承包单位对已经覆盖的隐蔽工程剥露重新验收。经检查验收,该隐蔽工程合
格。总承包单位以该工程检查验收合格为由,提出剥露与修复隐蔽工程的人工费、材料费合计 1.5 万元和延长工期
5天的索赔。
事件 3:为获取提前竣工奖励,总承包单位确定了五项可压缩工作持续时间的工作 F、G、H、I、J,并测算了相应
增加的费用,见表 3.1。
表 3.1 可压缩的工作持续时间和相应的费用增加表
已知施工总承包合同中的某分包专业工程暂估价 1000 万元,具有技术复杂、专业性强的工程特点,由总承包单位
负责招标。招标过程中发生如下事件:
①由于采用随机抽取方式确定的评标专家难以保证胜任该分包专业工程评标工作,总承包单位便直接确定了评标专
家。
②对投标人进行资格审查时,评标委员会认为,招标文件中规定投标人必须提供合同复印件作为施工业绩认定的证
明材料,不足以反映工程合同履行的实际情况,还应提供工程竣工验收单。所以对投标文件中,提供了施工业绩的
合同复印件和工程竣工验收单的投标人通过资格审查,对施工业绩仅提供了合同复印件的投标人做出不予通过资格
审查的处理决定。
③评标结束后,总承包单位征得业主同意,拟向排第一序位的中标候选人发出中标通知书前,了解到该中标候选人
的经营状况恶化,且被列入了失信被执行人。
问题:
1.事件 1 中,依据图 3.1 绘制增加 Z 工作以后的施工进度计划;列式计算 Z工作的工程价款(单位:元)
2.事件 2 中,总承包单位的费用和工期索赔是否成立?说明理由。在索赔成立的情况下,总承包单位可索赔的费用
金额为多少元?
3.事件 3 中,从经济性角度考虑,总承包单位应压缩多少天的工期?应压缩哪几项工作?可以获得的收益是多少元?
4.总承包单位直接确定评标专家的做法是否正确?说明理由。
5.评标委员会对投标人施工业绩认定的做法是否正确?说明理由。
6.针对分包专业工程招标过程中的事件③,总承包单位应如何处理?
(费用计算结果保留两位小数)
【参考答案】
问题 1
施工进度计划
Z工程款: ( 600×150+50×1500+160000) ×1.1×1.06×1.3×1.13=556677.55 元(2 分)
问题 2:(4 分)
事件 2:不可以提出工期和费用索赔。(2 分)
承包人未通知监理人到场检查,私自将工程隐蔽部位覆盖的,监理人有权指示承包人钻孔探测或揭开检查,无论工
程隐蔽部位是否合格,由此增加的费用和延误的工期均由承包人承担。(1分)
费用索赔的 0 元(1分)
问题 3:(4 分)
从经济的角度,总承包商应压缩 10 天工期。(1分)
压缩 F和 G工作各 10 天(1 分)
费用增加(2000×10+5000×10=70000 元
可获得的收益为: (220-210) ×10000-70000=30000 元(2 分)
问题 4:(2.5 分)
总承包商直接确定评标专家的做法正确。(0.5 分)
理由:评标专家可以采取随机抽取或者直接确定的方式。一般项目,可以采取随机抽取的方式;技术特别复杂、专
业性要求特别高或者国家有特殊要求的招标项目,采取随机抽取方式确定的专家难以胜任的,可以由招标人直接确
定。(2 分)
问题 5:(2.5 分)
评标委员会对施工业绩认定的做法错误。(0.5 分)
理由:评标委员会应按照招标文件要求的资格审查方式审查投标人资格,若需投标人给予额外资料补充说明的,应
书面通知投标人补充。(2 分)
问题 6:(2 分)
总承包人可以重新招标或选择中标候选人名单排名第二的中标候选人为中标人。国有资金占控股或者主导地位的依
法必须进行招标的项目,招标人应当确定排名第一的中标候选人为中标人。排名第一的中标候选人的经营、财务状
况发生较大变化或者在在违法行为等情形,不符合中标条件的,招标人可以按照评标委员会提出的中标候选人名单
排序依次确定其他中标候选人为中标人,也可以重新招标。(2 分)
试题四
某施工项目发承包双方签订了工程合同,工期 6个月。有关工程内容及其价款约定如下:
1.分项工程(含单价措施,下同)项目 4项,有关数据如表 4.1 所示。
2.总价措施项目费用为分项工程项目费用的 15%,其中,安全文明施工费为 6%。
3.其他项目费用包括,暂列金额 18 万元,分包专业工程暂估价 20 万元,另计总承包服务费 5%)管理费和利润为不
含人材机费用之和的 12%,规费为工程费用的 7%,增值税税率为 9%。
表 4.1 分项工程项目相关数据与计划进度表
施工进度计划
Z工程款: ( 600×150+50×1500+160000) ×1.1×1.06×1.3×1.13=556677.55 元(2 分)
问题 2:(4 分)
事件 2:不可以提出工期和费用索赔。(2 分)
承包人未通知监理人到场检查,私自将工程隐蔽部位覆盖的,监理人有权指示承包人钻孔探测或揭开检查,无论工
程隐蔽部位是否合格,由此增加的费用和延误的工期均由承包人承担。(1分)
费用索赔的 0 元(1分)
问题 3:(4 分)
从经济的角度,总承包商应压缩 10 天工期。(1分)
压缩 F和 G工作各 10 天(1 分)
费用增加(2000×10+5000×10=70000 元
可获得的收益为: (220-210) ×10000-70000=30000 元(2 分)
问题 4:(2.5 分)
总承包商直接确定评标专家的做法正确。(0.5 分)
理由:评标专家可以采取随机抽取或者直接确定的方式。一般项目,可以采取随机抽取的方式;技术特别复杂、专
业性要求特别高或者国家有特殊要求的招标项目,采取随机抽取方式确定的专家难以胜任的,可以由招标人直接确
定。(2 分)
问题 5:(2.5 分)
评标委员会对施工业绩认定的做法错误。(0.5 分)
理由:评标委员会应按照招标文件要求的资格审查方式审查投标人资格,若需投标人给予额外资料补充说明的,应
书面通知投标人补充。(2 分)
问题 6:(2 分)
总承包人可以重新招标或选择中标候选人名单排名第二的中标候选人为中标人。国有资金占控股或者主导地位的依
法必须进行招标的项目,招标人应当确定排名第一的中标候选人为中标人。排名第一的中标候选人的经营、财务状
况发生较大变化或者在在违法行为等情形,不符合中标条件的,招标人可以按照评标委员会提出的中标候选人名单
排序依次确定其他中标候选人为中标人,也可以重新招标。(2 分)
试题四
某施工项目发承包双方签订了工程合同,工期 6个月。有关工程内容及其价款约定如下:
1.分项工程(含单价措施,下同)项目 4项,有关数据如表 4.1 所示。
2.总价措施项目费用为分项工程项目费用的 15%,其中,安全文明施工费为 6%。
3.其他项目费用包括,暂列金额 18 万元,分包专业工程暂估价 20 万元,另计总承包服务费 5%)管理费和利润为不
含人材机费用之和的 12%,规费为工程费用的 7%,增值税税率为 9%。
表 4.1 分项工程项目相关数据与计划进度表
有关工程价款调整与支付条款约定如下:
1.开工日期 10 日前,发包人按分项工程项目签约合同价的 20%支付给承包人作为工程预付款,在施工期间 2~5 个月
的每月工程款中等额扣回。
2.安全文明施工费工程款分 2次支付,在开工前支付签约合同价的 70%,其余部分在施工期间第 3个月支付。
3.除安全文明施工费之外的总价措施项目工程款,按签约合同价在施工期间第 1~5 个月分 5 次平均支付。
4.竣工结算时,根据分项工程项目费用变化值一次性调整总价措施项目费用。
5.分项工程项目工程款按施工期间实际完成工程量逐月支付,当分项工程项目累计完成工程量增加(或减少)超过计
划总工程量 15%以上时,管理费和利润降低(或提高) 50%。
6.其他项目工程款在发生当月支付。
7.开工前和施工期间,发包人按承包人每次应得工程款的 90%支付。
8.发包人在承包人提交竣工结算报告后 20 天内完成审查工作,并在承包人提供所在开户行出具的工程质量保函(额
度为工程竣工结算总造价的 3%)后,一次性结清竣工结算款。
该工程如期开工,施工期间发生了经发承包双方确认的下列事项:
1.因设计变更,分项工程 B的工程量增加 300m3,第 2、3、4个月每月实际完成工程量均比计划完成工程量增加 100m3。
2.因招标工程量清单的项目特征描述与工程设计文件不符,分项工程 C的综合单价调整为 330 元/m2。
3.分包专业工程在第 3、4 个月平均完成,工程费用不变。其他工程内容的施工时间和费用均与原合同约定相符。
问题:
1.该施工项目签约合同价中的总价措施项目费用、安全文明施工费分别为多少万元?签约合同价为多少万元?开工前
发包人应支付给承包人的工程预付款和安全文明施工费工程款分别为多少万元?
2.截止到第 2 个月末,分项工程项目的拟完工程计划投资、已完工程计划投资,已完工程实际投资分别为多少万元
(不考虑总价措施项目费用的影响)?投资偏差和进度偏差分别为多少万元?
3.第 3 个月,承包人完成分项工程项目费用为多少万元?该月发包人应支付给承包人的工程款为多少方元?
4.分项工程 B 按调整后的综合单价计算费用的工程量为多少 m3?调整后的综合单价为多少元/m3?分项工程项目费
用、总价措施项目费用分别增加多少万元?竣工结算时,发包人应支付给承包人的竣工结算款为多少万元?
(计算过程和结果以万元为单位的保留三位小数,以元为单位的保留两位小数)
【参考答案】
问题 1:(5 分)
总价措施项目费用=163×15%=24.45 万元(1 分)
安全文明施工费=163×6%=9.78 万元(1 分)
签约合同价= ( 163+24.45+18+20×1.05) ×1.07×1.09=264.109 万元(1 分)
工程预付款=163×1.07×1.09× 20%=38.021 万元(1 分)
开工前应支付安全文明施工费=9.78× 1.07×1.09×70%× 90%=7.186 万元(1 分)
问题 2(5 分)
截止第 2 个月末:
拟完工程计划投资= (12+45.4)×1.07×1.09=66. 946 万元(1 分)
已完工程计划投资= (27500×480/ 10000+350×320/10000) ×1.07×1.09=72.544 万元(1 分)
有关工程价款调整与支付条款约定如下:
1.开工日期 10 日前,发包人按分项工程项目签约合同价的 20%支付给承包人作为工程预付款,在施工期间 2~5 个月
的每月工程款中等额扣回。
2.安全文明施工费工程款分 2次支付,在开工前支付签约合同价的 70%,其余部分在施工期间第 3个月支付。
3.除安全文明施工费之外的总价措施项目工程款,按签约合同价在施工期间第 1~5 个月分 5 次平均支付。
4.竣工结算时,根据分项工程项目费用变化值一次性调整总价措施项目费用。
5.分项工程项目工程款按施工期间实际完成工程量逐月支付,当分项工程项目累计完成工程量增加(或减少)超过计
划总工程量 15%以上时,管理费和利润降低(或提高) 50%。
6.其他项目工程款在发生当月支付。
7.开工前和施工期间,发包人按承包人每次应得工程款的 90%支付。
8.发包人在承包人提交竣工结算报告后 20 天内完成审查工作,并在承包人提供所在开户行出具的工程质量保函(额
度为工程竣工结算总造价的 3%)后,一次性结清竣工结算款。
该工程如期开工,施工期间发生了经发承包双方确认的下列事项:
1.因设计变更,分项工程 B的工程量增加 300m3,第 2、3、4个月每月实际完成工程量均比计划完成工程量增加 100m3。
2.因招标工程量清单的项目特征描述与工程设计文件不符,分项工程 C的综合单价调整为 330 元/m2。
3.分包专业工程在第 3、4 个月平均完成,工程费用不变。其他工程内容的施工时间和费用均与原合同约定相符。
问题:
1.该施工项目签约合同价中的总价措施项目费用、安全文明施工费分别为多少万元?签约合同价为多少万元?开工前
发包人应支付给承包人的工程预付款和安全文明施工费工程款分别为多少万元?
2.截止到第 2 个月末,分项工程项目的拟完工程计划投资、已完工程计划投资,已完工程实际投资分别为多少万元
(不考虑总价措施项目费用的影响)?投资偏差和进度偏差分别为多少万元?
3.第 3 个月,承包人完成分项工程项目费用为多少万元?该月发包人应支付给承包人的工程款为多少方元?
4.分项工程 B 按调整后的综合单价计算费用的工程量为多少 m3?调整后的综合单价为多少元/m3?分项工程项目费
用、总价措施项目费用分别增加多少万元?竣工结算时,发包人应支付给承包人的竣工结算款为多少万元?
(计算过程和结果以万元为单位的保留三位小数,以元为单位的保留两位小数)
【参考答案】
问题 1:(5 分)
总价措施项目费用=163×15%=24.45 万元(1 分)
安全文明施工费=163×6%=9.78 万元(1 分)
签约合同价= ( 163+24.45+18+20×1.05) ×1.07×1.09=264.109 万元(1 分)
工程预付款=163×1.07×1.09× 20%=38.021 万元(1 分)
开工前应支付安全文明施工费=9.78× 1.07×1.09×70%× 90%=7.186 万元(1 分)
问题 2(5 分)
截止第 2 个月末:
拟完工程计划投资= (12+45.4)×1.07×1.09=66. 946 万元(1 分)
已完工程计划投资= (27500×480/ 10000+350×320/10000) ×1.07×1.09=72.544 万元(1 分)
已完工程实际投资=27+ 500×480/ 10000+350×330/10000) ×1.07×1.09=72.952 万元(1 分)
投资偏差=72.541-72.952=-0.408 万元,即,投资超支 0.408 万元; (1 分)
进度偏差=72.544-66.946=5.598 万元,即,进度超前 5.598 万元,(1分)
问题 3:(4 分)
第 3 个月:
承包商完成分项工程项目费用=( 500×480+350×330+200×280) /10000=41.15 万元(1 分)
发包人应付工程款=[41.15+ (24.45-9.78) /5+9.78×30%+20×1.05/2]× 1.07×1.09×90%- 38.021/4=50.870 万
元(3分)
问题 4:(6 分)
(1)分项工程 B 按调整后综合单价计算费用的工程量为: 1500-1200×1.15= 120m3(1 分)
原人材机: 480/1.12=428.57 元/m3(1 分)
调整后管利: 428.57×12%× (1-50%) =25.71 元/m3
(2)调整后综合单价: 428257+25.71=454.28 元/m3(1 分)
(3)B 分项工程费用增加: [ ( 300- 120) × 480+120×454.28]/ 10000=14.091 万元
C分项工程费用增加:1400× (330-320) /10000=1.4 万元
分项工程费用增加: 14.091+1.4=15.491 万元(1 分)
总价措施费用增加: 15.491×15%=2. 324 万元(1 分)
(1)实际总造价: 264.109+ (15.491+2.324-18)× 1.07×1.09=263.893 万元(1 分)
竣工结算款: 263.893- (263.893-2.324×1.07×1.09) ×90%=28.829 万元(1分)
二、案例题【安装专业】(40 分)
试题五:
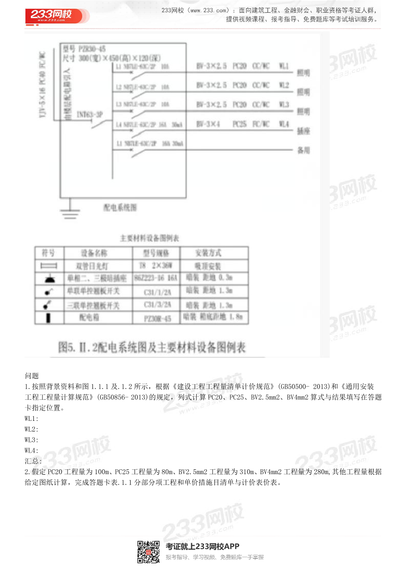
1.表 5.II.1 为某大厦公共厕所电气平面图,图.11.2 为配电系统图及主要材料设备图例表。该建筑物为砖、混凝
土结构,单层平屋面,层高为 3.3m。图中括号内数字表示线路水平长度。配管配线规格为: BV2.5mm2 2-3
根穿刚性阻燃管 PC20,4-5 根穿刚性阻燃管 PC25; BV4mm2 3 根穿刚性阻燃管 PC25。
2. 该工程的相关定额、主材单价及损耗率率见表 5.II.1
相关定额、主材单价及损耗率表
该工程的管理费和利润分别按人工费的 45%和 15%计算。
3.相关分部分项工程量清单项目编码及项目名称见表 5.II.2。
表 5.II.2 相关分部分项工程量清单项目的统一编码
已完工程实际投资=27+ 500×480/ 10000+350×330/10000) ×1.07×1.09=72.952 万元(1 分)
投资偏差=72.541-72.952=-0.408 万元,即,投资超支 0.408 万元; (1 分)
进度偏差=72.544-66.946=5.598 万元,即,进度超前 5.598 万元,(1分)
问题 3:(4 分)
第 3 个月:
承包商完成分项工程项目费用=( 500×480+350×330+200×280) /10000=41.15 万元(1 分)
发包人应付工程款=[41.15+ (24.45-9.78) /5+9.78×30%+20×1.05/2]× 1.07×1.09×90%- 38.021/4=50.870 万
元(3分)
问题 4:(6 分)
(1)分项工程 B 按调整后综合单价计算费用的工程量为: 1500-1200×1.15= 120m3(1 分)
原人材机: 480/1.12=428.57 元/m3(1 分)
调整后管利: 428.57×12%× (1-50%) =25.71 元/m3
(2)调整后综合单价: 428257+25.71=454.28 元/m3(1 分)
(3)B 分项工程费用增加: [ ( 300- 120) × 480+120×454.28]/ 10000=14.091 万元
C分项工程费用增加:1400× (330-320) /10000=1.4 万元
分项工程费用增加: 14.091+1.4=15.491 万元(1 分)
总价措施费用增加: 15.491×15%=2. 324 万元(1 分)
(1)实际总造价: 264.109+ (15.491+2.324-18)× 1.07×1.09=263.893 万元(1 分)
竣工结算款: 263.893- (263.893-2.324×1.07×1.09) ×90%=28.829 万元(1分)
二、案例题【安装专业】(40 分)
试题五:
1.表 5.II.1 为某大厦公共厕所电气平面图,图.11.2 为配电系统图及主要材料设备图例表。该建筑物为砖、混凝
土结构,单层平屋面,层高为 3.3m。图中括号内数字表示线路水平长度。配管配线规格为: BV2.5mm2 2-3
根穿刚性阻燃管 PC20,4-5 根穿刚性阻燃管 PC25; BV4mm2 3 根穿刚性阻燃管 PC25。
2. 该工程的相关定额、主材单价及损耗率率见表 5.II.1
相关定额、主材单价及损耗率表
该工程的管理费和利润分别按人工费的 45%和 15%计算。
3.相关分部分项工程量清单项目编码及项目名称见表 5.II.2。
表 5.II.2 相关分部分项工程量清单项目的统一编码
4.不考虑配管嵌入地面或顶板内深度
5.砖、混凝土结构暗配刚性阻燃管 PC20 相关定额见表 5.II.3 所示。
表 5.II.3 所示 PC20 消耗量定额(10m)
4.不考虑配管嵌入地面或顶板内深度
5.砖、混凝土结构暗配刚性阻燃管 PC20 相关定额见表 5.II.3 所示。
表 5.II.3 所示 PC20 消耗量定额(10m)
问题
1.按照背景资料和图 1.1.1 及.1.2 所示,根据《建设工程工程量清单计价规范》(GB50500- 2013)和《通用安装
工程工程量计算规范》(GB50856- 2013)的规定,列式计算 PC20、PC25、BV2.5mm2、BV4mm2 算式与结果填写在答题
卡指定位置。
WL1:
WL2:
WL3:
WL4:
汇总:
2.假定 PC20 工程量为 100m、PC25 工程量为 80m、BV2.5mm2 工程量为 310m、BV4mm2 工程量为 280m,其他工程量根据
给定图纸计算,完成答题卡表.1.1 分部分项工程和单价措施目清单与计价表价表。
问题
1.按照背景资料和图 1.1.1 及.1.2 所示,根据《建设工程工程量清单计价规范》(GB50500- 2013)和《通用安装
工程工程量计算规范》(GB50856- 2013)的规定,列式计算 PC20、PC25、BV2.5mm2、BV4mm2 算式与结果填写在答题
卡指定位置。
WL1:
WL2:
WL3:
WL4:
汇总:
2.假定 PC20 工程量为 100m、PC25 工程量为 80m、BV2.5mm2 工程量为 310m、BV4mm2 工程量为 280m,其他工程量根据
给定图纸计算,完成答题卡表.1.1 分部分项工程和单价措施目清单与计价表价表。
3.依据背景资料完成砖、混凝土结构暗配刚性阻燃管 PC20 定额基价表。
4.假定该工程 PC20 的清单工程量为 40m,需要 2个接线盒,依据相关相关数据,列式计算包括 PC20 主材和
接线盒在内的配管综合单价,并编制完成答题卡表 5.III.2“综合单价分析表”。
人工费:
辅助材料费:
主材费:
管理费和利润:
3.依据背景资料完成砖、混凝土结构暗配刚性阻燃管 PC20 定额基价表。
4.假定该工程 PC20 的清单工程量为 40m,需要 2个接线盒,依据相关相关数据,列式计算包括 PC20 主材和
接线盒在内的配管综合单价,并编制完成答题卡表 5.III.2“综合单价分析表”。
人工费:
辅助材料费:
主材费:
管理费和利润:
【参考答案】
1.(本小问共 13.0 分)
(1)WL1:
PC20: (3.3-0.45-1.8) +2.2+2.6×2+4×6=32.45m (1.0 分)
PC25:1.2+ (3.3-1.3) =3.20m (1.0 分)
BV2.5mm2:32.45×3+3.2×4+ (0.3+0.45) ×3=112.40m (1.0 分)
(2)WL2:
PC20: (3.3-1.8-0.45) +2.4+2.7+1+ (3.3-1.3) =9.15m (1.0 分)
BV2 5mm2:9.15×3+ (0.3+0.45) ×3=29.70m (1.0 分)
(3)WL3:
PC20: (3.3-1.8-0.45) +2.9+4.9+1.6+ (3.3-1.3) =12.45m (1.0 分)
BV2.5mm2: 12.45×3+ (03+0.45)×3=39.60m (1.0 分)
(4)WL4:
PC25: 1.8+6.2+12.1+0.3×3-21.00m (1.0 分)
BV4mm2: 21×3+ (0.3+0.45) ×3=65.25 (1.0 分)
(5)汇总:
PC20:32.45+9.15+12.45= 54.05m (1.5 分)
PC25:3.2+21=24.20m (0.5 分)
BV2.5mm2:112.4+29.7+39.6-181.70m (1.5 分)
BV4mm2: 65.25m (0.5 分)
2. (本小问共 12.0 分)
【参考答案】
1.(本小问共 13.0 分)
(1)WL1:
PC20: (3.3-0.45-1.8) +2.2+2.6×2+4×6=32.45m (1.0 分)
PC25:1.2+ (3.3-1.3) =3.20m (1.0 分)
BV2.5mm2:32.45×3+3.2×4+ (0.3+0.45) ×3=112.40m (1.0 分)
(2)WL2:
PC20: (3.3-1.8-0.45) +2.4+2.7+1+ (3.3-1.3) =9.15m (1.0 分)
BV2 5mm2:9.15×3+ (0.3+0.45) ×3=29.70m (1.0 分)
(3)WL3:
PC20: (3.3-1.8-0.45) +2.9+4.9+1.6+ (3.3-1.3) =12.45m (1.0 分)
BV2.5mm2: 12.45×3+ (03+0.45)×3=39.60m (1.0 分)
(4)WL4:
PC25: 1.8+6.2+12.1+0.3×3-21.00m (1.0 分)
BV4mm2: 21×3+ (0.3+0.45) ×3=65.25 (1.0 分)
(5)汇总:
PC20:32.45+9.15+12.45= 54.05m (1.5 分)
PC25:3.2+21=24.20m (0.5 分)
BV2.5mm2:112.4+29.7+39.6-181.70m (1.5 分)
BV4mm2: 65.25m (0.5 分)
2. (本小问共 12.0 分)
3. (本小问共 2.5 分)
4.(本小问共 12.5 分)
人工费: 64.8÷10+4.3×(2÷40)=6.70 元(0.5 分)
辅助材料费: 5.1÷10+0.9×(2÷40)=0.56 元 (0.5 分)
主材费: 20×1.06+10×(2÷40)×1.02=21.71 元 (0.5 分)
管理费和利润: 6.70×(45%+15%)4.02 元 (0.5 分)
综合单价: 6.48+0.51+21.2+3.89=32.99 元÷m (1.0 分)
3. (本小问共 2.5 分)
4.(本小问共 12.5 分)
人工费: 64.8÷10+4.3×(2÷40)=6.70 元(0.5 分)
辅助材料费: 5.1÷10+0.9×(2÷40)=0.56 元 (0.5 分)
主材费: 20×1.06+10×(2÷40)×1.02=21.71 元 (0.5 分)
管理费和利润: 6.70×(45%+15%)4.02 元 (0.5 分)
综合单价: 6.48+0.51+21.2+3.89=32.99 元÷m (1.0 分)
1/7
全真机考、在线考试、每日一练、评估报告,专业全面的题库,尽在 233网校题库!http://wx.233.com/tiku
2020年一级造价工程师考试《建设工程造价案例分析(安装工程)》 真题及解析(不完整版)
第1题 案例分析 (每题20分,共4题,共80分) 根据所给材料回答问题。
1、某企业拟投资建设一工业项目,生产一种市场急需的产品。该项目相关基础数据如下: 1.项目建设期1年,运营期8年。建设投资估算1500万元(含可抵扣进项税100万元),建设投 资(不含可抵扣进项税)全部形成固定资产,固定资产使用年限8年,期末净残值率5%,按 直线法折旧。
2.项目建设投资来源为自有资金和银行借款。借款总额1000万元,借款年利率8%(按年计 息),借款合同约定的还款方式为运营期的前5年等额还本付息。自有资金和借款在建设期内 均衡投入。
3.项目投产当年以自有资金投入运营期流动资金400万元。 4.项目设计产量为2万件/年。单位产品不含税销售价格预计为450元,单位产品不含进项税可 变成本估算为240元,单位产品平均可抵扣进项税估算为15元,正常达产年份的经营成本为 550万元(不含可抵扣进项税)。 5.项目运营期第1年产量为设计产量的80%,营业收入亦为达产年份的80%,以后各年均达到 设计产量。
6.企业适用的增值税税率为13%,增值税附加按应纳增值税税额的12%计算,企业所得税税率 为25%。 问题:
1.列式计算项目建设期贷款利息和固定资产年折旧额。 2.列式计算项目运营期第1年、第2年的企业应纳增值税额。 3.列式计算项目运营期第1年的经营成本、总成本费用。 4.列式计算项目运营期第1年、第2年的税前利润,并说明运营期第1年项目可用于还款的资金 能否满足还款要求。
5.列式计算项目运营期第2年的产量盈亏平衡点。 (注:计算过程和结果数据有小数的,保留两位小数)
2、某国有资金投资的施工项目,采用工程量清单公开招标,并按规定编制了最高投标限价。 同时,该项目采用单价合同,工期为180天。 招标人在编制招标文件时,使用了九部委联合发布的《标准施工招标文件》,并对招标人认
为某些不适于本项目的通用条款进行了删减。招标文件中对竣工结算的约定是:工程量按实
结算,但竣工结算价款总额不得超过最高投标限价。
共有A、B、C、D、E、F、G、H等八家投标人参加了投标。 投标人A针对2万m2的模板项目提出了两种可行方案进行比选。方案一的人工费为12.5 元/m2,材料费及其他费用为90万元。方案二的人工费为19.5元/m2,材料费及其他费用为70 万元。
投标人D对某项用量大的主材进行了市场询价,并按其含税供应价格加运费作为材料单价用 于相应清单项目的组价计算。
查看全文,请先下载后再阅读
*本资料内容来自233网校,仅供学习使用,严禁任何形式的转载

免费领精品资料
掌握考情信息
知晓资料更新进度