- 主讲:作者:满丛英科目:小学教育心理学时间:2014年3月24日
第三节 知识的保持
一、记忆系统及其特点
内 容:1.记忆系统三子系统:分为瞬时记忆、短时记忆和长时记忆三个子系统。2.瞬时记忆:客观刺激停止作用后,感觉信息在一个极短的时间内保存下来,这种记忆叫感觉记忆或瞬时记忆,它是记忆的开始阶段。3短时记忆:短时记忆是瞬时记忆和长时记忆的中间阶段,保持时间大约为2.5~20秒。短时记忆的信息既有来自瞬时记忆的,也有来自长时记忆的。4.长时记忆:长时记忆是指信息经过充分的和有一定深度的加工后,在头脑中长时间保留下来的一种记忆。这是一种性储存。它的保存时间长,从1分钟以上到许多年甚至终身,容量没有限度。如图6-1所示。图6-2 所示三种记忆系统的关系图。 
图6-1 三个子记忆系统的特点、区别与联系 
考情分析:考试的重点,出题形式多样,以识记、理解与综合为为,建议考生多多复习。
【真题点晴】短时记忆的容量是( )。(2009年10月)
A.7±1组块 B.7±2组块C.7±3组块 D.7±4组块
【答案及解析】B短时记忆是瞬时记忆和长时记忆的中间阶段,保持时间大约为2.5~20秒。短时记忆的信息既有来自瞬时记忆的,也有来自长时记忆的,它一般包括两个成分:其中一个成分是直接记忆,即输入的信息没有经过进一步加工。它的容量相当有限,大约为7±2个组块。
【真题点晴】瞬时记忆又称作为( )。(2010年4月)
A.知觉记忆 B.短时记忆C.感觉记忆 D.视觉记忆
【答案及解析】c客观刺激停止作用后,感觉信息在一个极短的时间内保存下来,这种记忆叫感觉记忆或瞬时记忆,它是记忆的开始阶段。
二、知识的遗忘及其原因
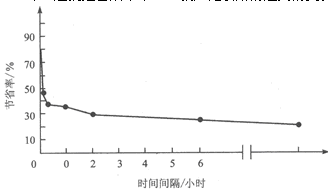
内 容:1.遗忘定义:遗忘就是个体记忆的内容不能再认和回忆,或者再认和回忆时发生错误。2.遗忘的进程:,德国心理学家艾宾浩斯早进行了系统的研究。他采用了无意义音节作为记忆材料。这种材料是由中间一个元音、两边各一个辅音构成的音节,如Xl0、SUW等。艾宾浩斯采取重学法(又称节省法)来检验记忆的效果。并根据研究结果被绘制成曲线(见图6—3),这就是百余年来一直被广泛引用的经典的艾宾浩斯遗忘曲线。

从图6—3中可以看到,遗忘在学习之后立即开始,而且遗忘的过程初进展得很快,以后逐渐缓慢;过了一定的时间之后,几乎不再遗忘,也可以说,遗忘的发展是不均衡的,其规律是先快后慢,呈负加速型。3.遗忘的理论解释:(1).痕迹衰退说(古老的遗忘学说),它遗忘是由记忆痕迹衰退引起的,衰退随时间的推移自动发生,桑代克在其“练习律”实际上是用痕迹衰退说对遗忘所作的解释。尽管许多心理学家对痕迹衰退说提出了种种怀疑,并设计了大量实验来否认痕迹衰退说。但至今没有可靠的证据表明神经系统中留下的记忆痕迹可以保持而不会衰退,并且记忆痕迹随时间的推移而逐渐消退的观点也符合事物的发生、发展和衰亡的一般规律,所以痕迹衰退仍然被认为是导致遗忘的原因之一。(2).干扰说(信息间的相互干扰),它认为,遗忘是由于在学习和回忆之间受到其他刺激干扰的结果。一旦排除了干扰,记忆就司以恢复。干扰主要有两种情况,即前摄抑制和倒摄抑制。所谓前摄抑制,是指前面学习的材料对识记和回忆后面学习材料的干扰;倒摄抑制,是指后面学习的材料对保持或回忆前面学习材料的干扰。(3)同化说:奥苏伯尔认为,干扰说是根据机械学习实验提出来的,只能解释机械学习的保持与遗忘,不能解释有意义学习的保持与遗忘。 奥苏伯尔认为,在真正的有意义学习中,前后相继的学习不是相互干扰而是相互促进的,因为有意义学习总是以原有的学习为基础,后面的学习是前面的学习的加深和扩充。遗忘就其实质来说,是知识的组织与认知结构简化的过程。当学到了更高级的概念与规律以后,高级的观念可以代替低级的观念,使低级观念发生遗忘,从而简化认识并减轻了记忆。这是一种积极的遗忘。(4).动机说(弗洛伊德提出):动机说遗忘理论认为,遗忘是因为不想记,而将一些记忆信息排除在意识之外,因为它们太可怕、太痛苦或有损自我的形象。遗忘不是保持的消失而是记忆被压抑,故这种理论也叫压抑理论。(5)总之,遗忘的原因是多方面的。上述每一种理论都能解释遗忘的部分现象,但不能解释所有的现象。因此,对于遗忘的原因,应当把上述几种理论综合起来加以解释。
考情分析:考试的重点,出题形式多样,以识记、理解与综合为为,建议考生多多复习
【真题点晴】“无意义音节”是( )发明的。(2009年4月)
A.奥苏泊尔 B.马斯洛
C.艾宾浩斯 D.布鲁纳
【答案及解析】C对于遗忘发展的进程,德国心理学家艾宾浩斯早进行了系统的研究。为了对结果进行数量分析并排除过去经验的干扰,他采用了无意义音节作为记忆材料。这种材料是由中间一个元音、两边各一个辅音构成的音节,如XIQ、SUW等。
【真题点晴】可以解释倒摄抑制现象的遗忘理论是( )。(2006年10月)
A.衰退理论 B.干扰理论












