案例二
某办公楼工程,地下一层,地上十层,现浇钢筋混凝土框架结构,预应力管桩基础。建设单位与施工总承包单位签订了施工总承包合同,合同工期为29个月。按合同约定,施工总承包单位将预应力管桩工程分包给了符合资质要求的专业分包单位。施工总承包单位提交的施工总进度计划如图所示(时间单位:月),该计划通过了监理工程师的审查和确认。

合同履行过程中,发生了如下事件:
事件一:专业分包单位将管桩专项施工方案报送监理工程师审批,遭到了监理工程师拒绝。在桩基施工过程中,由于专业分包单位没有按设计图纸要求对管桩进行封底施工,监理工程师向施工总承包单位下达了停工令,施工总承包单位认为监理工程师应直接向专业分包单位下达停工令,拒绝签收停工令。
事件二:在工程施工进行到第7个月时,因建设单位提出设计变更,导致G工作停止施工1个月。由于建设单位要求按期完工,施工总承包单位据此向监理工程师提出了赶工费索赔。根据合同约定,赶工费标准为18万元/月。
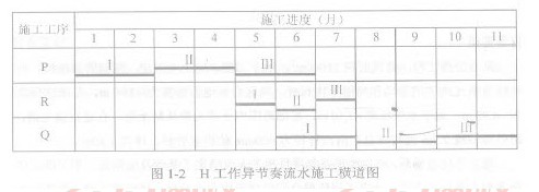
事件三:在H工作开始前,为了缩短工期,施工总承包单位将原施工方案中H工作的异节奏流水施工调整为成倍节拍流水施工。原施工方案中H工作异节奏流水施工横道图如图所示(时间单位:月)。
问题
1.施工总承包单位计划工期能否满足合同工期要求?为保证工程进度目标,施工总承包单位应重点控制哪条施工线路?(用工作表示)
2.事件一中,监理工程师及施工总承包单位的做法是否妥当?分别说明理由。
3.事件二中,施工总承包单位可索赔的赶工费为多少万元?说明理由。
4.事件三中,流水施工调整后,H作相邻工序的流水步距为多少个月?工期可缩短多少个月?按照图1-2格式绘制出调整后H工作的施工横道图。


























