第三章公路工程施工安全管理 历年真题
案例分析题一[2016年真题]
【背景资料】
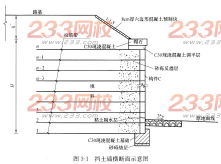
某施工单位承建了一段路基工程,其中K18+220~K18+430设置了一段挡土墙,路基填方高度最高为11m。挡土墙横断面示意图如图3-1所示。
挡土墙施工流程为:施工准备(含构件C预制)→测量放线→工序A→地基处理→排水沟施工→基础浇筑→构件C安装→工序B→填料填筑与压实→墙顶封闭。
路基工程施工前项目部进行了技术交底,技术交底工作由项目经理组织,项目总工程师主持实施,向项目部、分包单位的全体施工技术人员和班组进行交底,交底人员和参会人员双方签字确认。技术交底记录部分内容如下:
(1)筋带采用聚丙烯土工带,进场时检查出厂质量证明书后即可用于施工。
(2)聚丙烯土工带的下料长度取设计长度。聚丙烯土工带与面板的连接,可将土工带的一端从面板预埋拉环或预留孔中穿过,折回与另一端对齐,并采用筋带扣在前端将筋带扎成一束。
(3)填土分层厚度及碾压遍数,应根据拉筋间距、碾压机具和密实度要求,通过试验确定。为保证压实效果,所有填筑区域均使用重型压实机械压实,严禁使用羊足碾碾压。
(4)填料摊铺、碾压应从拉筋尾部开始,平行于墙面碾压,然后向拉筋中部逐步进行,再向墙面方向进行。严禁平行于拉筋方向碾压,碾压机具不得在挡土墙范围内调头。
【问题】
1.按照挡土墙设置的位置和结构型式划分,分别写出该挡土墙的名称。
2.写出挡土墙施工流程中工序A、工序B与图中构件C的名称。写出挡土墙施工流程中必须交叉进行的工序。
3.项目部组织技术交底的方式是否正确?说明理由。
4.逐条判断技术交底记录内容是否正确?并改正错误。
【参考答案】
1.按照挡土墙设置的位置划分,本题中挡土墙为路堤墙。按照挡土墙的结构型式划分,本题中挡土墙为加筋土挡土墙。
2.工序A是基槽(坑)开挖;工序B是筋带铺设;构件C是墙面板。必须交叉进行的工序有:墙面板安装(或构件C安装)、筋带铺设(或工序B)、填料填筑与压实。
3.技术交底的方式不正确。
技术交底未按不同要求、不同层次、不同方式进行技术交底。即技术交底应分级进行,分级管理。
4.(1)错误。进场时除了查看出厂质量证明书外,还应查看出厂试验报告,并且还应取样进行技术指标测定。
(2)错误。聚丙烯土工带的下料长度一般为2倍设计长度加上穿孔所需长度(30~50cm)。
(3)错误。在采用靠近墙面板1m范围内,应使用小型机具夯实或人工夯实,不得使用重型压实机械压实。
(4)错误。填料摊铺、碾压应从拉筋中部开始平行于墙面碾压,先向拉筋尾部逐步进行,然后再向墙面方向进行。
案例分析题二[2016年真题]
【背景资料】
某施工单位承建了某双线五跨变截面预应力混凝土连续刚构梁桥,桥长612m,跨径布置为81m+3×150m+81m。主桥基础均采用钻孔灌注桩,主墩墩身为薄壁单室空心墩,墩身最大高度60m。主桥0号、1号块采用单箱单室结构,顶板宽12m,翼板宽3m。
主桥桥位处河道宽550m,水深0.8~4m,河床主要为砂土和砂砾。
施工中发生如下事件:
事件1:根据本桥的地质、地形和水文情况,施工单位主桥上部结构采用悬臂浇筑施工法。其中0号、1号块采用托架法施工,悬臂端托架布置示意图如图3-2所示。
事件2:项目部编制了该桥悬臂浇筑专项施工方案,主要内容为:工程概况、编制依据、施工计划、施工工艺技术、施工安全保证措施、劳动力计划、C和D。专项方案编制完成后,由项目部组织审核,项目总工签字后报监理单位。
事件3:0号、1号块混凝土施工拟采用两次浇筑的方案:
第一次浇筑高度5.27m,主要工艺流程为:托架及平台拼装→安装底模及外侧模→E→安装底板、腹板、模隔板钢筋→安装竖向预应力管道及预应力筋、埋设预埋件→F→浇筑混凝土→养护。
第二次浇筑高度4m,主要丁艺流程为:G→内侧模加高→安装内支架及顶板、翼板模板→H→安装纵向预应力管道→安装横向预应力管道及预应力筋、埋设各种预埋件→浇筑混凝土→养护。
事件4:施工单位采用墩侧塔吊运输小型机具和钢筋等材料;采用专用电梯运送施工人员;采用拌和站拌和、混凝土罐车运输、输送泵泵送混凝土入模浇筑。
【问题】
1.写出图中A和B的名称。
2.根据本桥结构,施工单位在悬臂施工过程中是否需要采取临时固结措施?说明理由。
3.事件2中C、D的内容是什么?专项施工方案审批流程是否正确?如有错误则改正。
4.指出事件3中工艺流程E、F、G、H的名称。
5.事件4中施工单位采用的施工机械设备哪些属于特种设备?特种设备持证要求有哪些?
【参考答案】
1.悬臂端托架布置示意图中,A是悬臂端托架。悬臂端托架布置示意图中,B是悬臂端底模板。
2.不需要采取临时固结措施。
理由:本桥结构为连续刚构,结构本身具有一定的抗弯能力。
3.事件2中,C是方案设计图,D是方案计算书。
专项施工方案审批流程错误。
改正如下:专项方案编制完成后,应由施工单位技术部门组织本单位施工技术、安全、质量等部门的专业技术人员进行审核,由施工单位技术负责人签字。
4.事件3中,E是预压,F是安装内侧模,G是处理施工缝,H是绑扎顶板、翼板钢筋。
5.(1)塔吊和施工电梯属于特种设备。
(2)特种设备持证有以下要求:设备的出厂合格证、检验合格证、使用地报检合格证、操作人员特殊工种证。
案例分析题三[2015年真题]
【背景资料】
某施工单位承建了某高速公路路面工程,其主线一般路段及收费广场路面结构设计方案见表3-1。
备注:①沥青路面的上、中面层均米用改性沥青;②沥青路面面层之间应洒布乳化沥青作为C,在水泥稳定碎石基层上应喷洒液体石油沥青作为D,之后应设置封层。
本项目底基层厚度为20cm,工程数量为50万m3。施工单位在底基层施工前完成了底基层水泥稳定碎石的配合比等标准试验工作,并将试验报告及试验材料提交监理工程师中心试验室审批。监理工程师中心试验室对该试验报告的计算过程复核无误后,批复同意施工单位按标准实验的参数进行底基层的施工。
本项目最终经监理工程师批复并实施的底基层水泥稳定碎石施工配合比为:水:水泥:碎石(10~30mm):碎石(5~10mm):石屑(0~5mm)=5.8:3.8:48:10:42,最大干密度为2.4g/cm3,底基层材料的施工损耗率为1%。
【问题】
1.按组成结构分,本项目上面层、中面层分别属于哪一类沥青路面结构?
2.写出路面结构设计方案表中括号内A、B对应的面层设计指标的单位。
3.写出路面结构设计方案表中括号内②所指功能层C、D的名称,并说明设置封层的作用。
4.监理工程师中心试验室对底基层水泥稳定碎石配合比审批的做法是否正确?说明理由。
5.计算本项目底基层水泥稳定碎石的水泥需用量为多少吨(计算结果保留一位小数)?
【参考答案】
1.按组成结构分,本项目上面层SAM沥青路面属于密实—骨架结构;中面层AC沥青路面属于密实—悬浮结构。
2.路面结构设计方案表中括号内A为水泥路面抗弯拉强度,单位为MPa;B为沥青混凝土路面弯沉值,单位为0.01mm。
3.(1)路面结构设计方案表中备注②所指功能层C为粘层,D为透层。
(2)设置封层的作用包括:①封闭某一层起着保水防水作用;②起基层与沥青表面层之间的过渡和有效联结作用;③路的某一层表面破坏离析松散处的加固补强;④基层在沥青面层铺筑前,要临时开放交通,防止基层因天气或车辆作用出现水毁。
4.(1)监理工程师中心试验室对底基层水泥稳定碎石配合比审批的做法不正确。
(2)监理工程师中心试验室应在承包人进行标准试验的同时或以后,平行进行复核(对比)试验,以肯定、否定或调整承包人标准试验的参数或指标。
5.根据底基层水泥稳定碎石施工中水泥的配合比为3.8,则本项目底基层水泥稳定碎石的水泥需用量=0.2×500000×(1+1%)×2.4×3.8÷103.8≈8874.0t。
案例分析题四[2015年真题]
【背景资料】
某高速公路隧道为双向四车道分离式隧道,隧道右线长1618m,左线长1616m。设计净空宽度10.8m,净空高度6.6m,设计车速80km/h。该隧道围岩主要为Ⅳ级。采用复合式衬砌。衬砌断面设计如图3-3所示。
隧道穿越岩溶区,地表水、地下水丰富。开挖过程中发现不同程度的渗水和涌水。为保证隧道施工安全,施工单位对隧道渗水和涌水采用超前小导管预注浆进行止水处理,注浆工艺流程如图3-4所示。
隧道采用台阶法开挖。施工单位做法如下:
(1)上台阶开挖,掌子面距初期支护距离为3m;
(2)下台阶开挖,掌子面距初期支护距离为4m;
(3)仰拱每循环开挖长度为3m;
(4)仰拱与掌子面的距离为120m;
(5)下台阶在上台阶喷射混凝土强度达到设计强度的70%后开挖。
【问题】
1.按隧道断面形状,该隧道的洞身属于哪一类型?该类型适用条件是什么?
2.写出图3-3中构造物A、B、C、D的名称。
3.写出图3-4中工序E、F的名称。
4.除背景资料中所采用的隧道涌水处理方法外,还可能需要选择哪些辅助施工方法?
5.逐条判断施工单位台阶法开挖做法是否正确?
【参考答案】
1.按隧道断面形状,该隧道的洞身属于曲墙式。该类型洞身适用于地质条件较差,有较大水平围岩压力的情况。
2.构造物A为混凝土衬砌(二次衬砌);B为纵向排水沟(管);C为中心排水沟;D为仰拱。
3.工序E为插入小导管;工序F为连接与调试注浆管路。
4.还需要的辅助施工方法:超前钻孔或辅助坑道排水;超前围岩预注浆堵水;井点降水及深井降水。
5.(1)错误。
(2)错误。
(3)正确。
(4)错误。
(5)正确。
案例分析题五[2014年真题]
【背景资料】
某大桥主桥为四跨一联的预应力混凝土连续箱梁桥,最大跨径120m,主桥墩柱高度为16~25m,各梁段高度为2.7~5.6m。主桥0号、1号梁段采用搭设托架浇筑施工,其余梁段采用菱形桁架式挂篮按“T”形对称悬臂浇筑。
事件1:施工单位在另一同类桥梁(最大梁段重量与截面尺寸与本桥均相同)施工中已设计制作了满足使用要求的菱形桁架式挂篮,单侧挂篮结构及各组成部件如图3-5所示,经技术人员验算校核,该挂篮满足本桥施工所要求的强度和刚度性能,且行走方便,便于安装拆卸,按程序检查验收合格后用于本桥施工。
事件2:施工单位在施工组织设计中,制订的主桥挂篮悬臂浇筑施工工序为:①挂篮组拼就位→②安装箱梁底模及外侧模板→③安装顶板、腹板钢筋及底板预应力管道→④→⑤安装内侧模、顶模及腹板内预应力管道→⑥安装顶板钢筋及顶板预应力管道→⑦浇筑腹板及顶板混凝土→⑧→⑨穿预应力钢丝束→⑩→⑪封锚及预应力管道压浆→⑫挂篮前移就位。
事件3:施工单位编写了挂篮悬臂浇筑安全专项施工方案,制定了详细的安全技术措施,设置了合格的登高梯道、高处作业平台及护栏,做好个人安全防护,施工前组织有关人员进行安全技术交底。
【问题】
1.写出挂篮系统示意图中A、B、C各部件的名称。按平衡方式划分,该挂篮属于哪一种类型?
2.在事件1中,挂篮还应完成哪些主要程序后方可投入施工?
3.写出事件1中挂篮为满足使用与安全要求还应具备的主要性能。
4.写出事件2中工序④、⑧、⑩的名称。
5.在事件3中应设置何种形式的人行登高梯道?从事挂篮悬臂浇筑的施工作业人员应采取哪些主要的高处作业个人安全防护措施?
【参考答案】
1.挂篮系统中A、B、C各部件的名称如下:
A:锚固钢筋装置;B:前吊带装置;C:底模后吊带装置。
接平衡方式划分,该挂篮属于自锚式挂篮。
2.在事件1中,挂篮完成下列主要程序后方可投入施工:
挂篮组拼验收,预压(荷载或静载)试验,监理审批,报主管部门登记备案。
3.事件1中挂篮为满足使用与安全要求还应具备的主要性能:稳定性、锚固方便可靠、质量不大于设计规定、高程可调。
4.事件2中工序④、⑧、⑩的名称如下:
工序④:浇筑底板混凝土及养护;工序⑧:检查并清洁预应力管道及混凝土养护;工序⑩:张拉预应力钢束。
5.在事件3中应设置“之”字形(或“人”字形)的人行登高梯道。
从事挂篮悬臂浇筑的施工作业人员应采取的高处作业个人安全防护措施包括:头戴安全帽,身穿紧口工作服,脚穿防滑鞋,腰系安全带。
案例分析题六[2014年真题]
【背景资料】
某隧道为上、下行双线四车道隧道,其中左线长858m,右线长862m,隧道最大埋深98m,净空宽度9.64m,净空高度6.88m,设计车速为100km/h,其中YK9+928~YK10+004段为V级围岩,采用环形开挖面核心土法施工,开挖进尺为3m。该段隧道复合式衬砌横断面示意图如图3-6所示,采用喷锚网联合支护形式,结合超前小导管作为超前支护措施,二次衬砌采用灌注混凝土,初期支护与二次衬砌之间铺设防水层。
在一个模筑段长度内灌注边墙混凝土时,施工单位为施工方便,先灌注完左侧边墙混凝土,再灌注右侧边墙混凝土。
施工单位根据《公路桥梁和隧道工程施工安全风险评估指南(试行)》,在总体风险评估基础上,对YK9+928~YK10+004段开展了专项风险评估,确定风险等级为Ⅳ级,撰写了风险评估报告,报告内容包括:评估依据、工程概况……
【问题】
1.指出环形开挖面核心土施工中的错误之处,并改正。
2.图3-6所示,写出结构层⑥的名称,并写出初期支护、防水层、二次衬砌分别由哪几部分组成(只需写出相应的编号)?
3.为充分发挥喷锚网联合支护效应,资料中系统锚杆应与哪些支护彼此牢固连接(只需写出相应的编号)?
4.资料中边墙灌注施工错误,写出正确的做法。
5.补全资料中风险评估报告内容的缺项。
【参考答案】
1.错误之处:采用环形开挖面核心土法施工,开挖进尺为3m。
改正:隧道软弱围岩施工应遵循“超前探、管超前、短进尺、弱(不)爆破、强支护、勤量测、紧衬砌”的原则,施工组织围绕这一原则开展施工。开挖进尺应为0.5~1.0m,确保施工安全。
2.根据图3-6,结构层⑥的名称:喷射混凝土。
初期支护、防水层、二次衬砌的组成部分如下:
初期支护:④⑤⑥⑦;防水层:②③;二次衬砌:①。
3.为充分发挥喷锚网联合支护效应,资料中系统锚杆应与④⑤支护彼此牢固连接。
4.施工错误:先浇筑一边,再浇筑另一边。
正确的做法:灌注边墙混凝土时,要求两侧混凝土保持分层对称地均匀上升,以免两侧边墙模板受力不均匀而倾斜或移位。
5.资料中风险评估报告内容还应包括:评估方法、评估步骤、评估内容、评估结论、对策建议等。
案例分析题七[2012年真题]
【背景资料】
某施工单位承接了某隧道施工任务,该隧道为分离式双洞隧道,洞口间距50m。其中左线长3996m,进口里程桩号为ZK13+956;右线长4013m,进口里程桩号为YK13+952。
根据地质勘察报告,YK14+020~YK16+200段分布有冲刷煤屑、瓦斯包体和含水瓦斯包体,岩层节理及裂隙发育。其中,YK1+850YK14+900段穿越背斜组成的复式褶皱带,为挤压强烈、地应力相对集中地段。
开工当年10月5日,该隧道右洞采用全断面开挖至YK14+872处,二衬距掌子面68m。
10月6日,监理单位发现YK14+859~YK866段初期支护变形超限,立即书面通知施工单位停止掘进。10月13日,施工单位根据设计变更的要求对变形超限段进行了处理。10月20日,YK14+859~YK14+863段发生塌方,至10月23日,塌方段在拱顶部位形成高2~3m,宽2~3m,长3~4m的塌腔。施工单位立即会同监理、设计和业主单位对塌方段进行了现场确认及变更立项,由设计单位出具了变更设计图。为防止类似的塌方事故,施工单位进一步加强了对未塌方段的塌方预测。
10月27日 8时。在未对瓦斯浓度进行检测的情况下,34名工人进入洞内开展塌方段及未塌方段的处理作业,作业采用的台车上配备了普通配电箱和普通电源插座。10时起,由于风机出现故障,洞内停止通风。11时20分左右,右洞发生瓦斯爆炸,34名工人全部罹难。
【问题】
1.根据地质条件,指出该隧道潜在的安全事故类型。
2.列举施工单位可采用的隧道塌方常用预测方法。
3.根据背景资料,简述对塌方段的处理措施。
4.指出施工单位的哪些错误做法可能导致了本次瓦斯爆炸事件?
5.根据现行的《生产安全事故报告和调查处理条例》,判断该事故等级。
【参考答案】
1.潜在的安全事故类型有:
(1)塌方;(2)瓦斯爆炸;(3)瓦斯突出;(4)瓦斯燃烧;(5)涌水、突泥;(6)岩爆。
2.可采用:(1)观察法;(2)一般测量法;(3)声学测量法;(4)微地震学测量法。
3.(1)加固塌体两端洞身。
(2)封闭塌腔顶部和侧部。
(3)塌腔顶部加固。
(4)清渣;
(5)灌注衬砌混凝土。
4.错误做法有:
(1)采用的配电箱及插座为非隔爆型(或普通配电箱及普通插座),可能产生火花。
(2)洞内停止通风,可能导致瓦斯浓度增加。
(3)未进行瓦斯浓度检测,瓦斯浓度可能达到爆炸界限而未通知人员撤离。
5.特别重大事故。
案例分析题八[2011年真题]
【背景资料】
某高速公路特大桥主桥全长820m(2×50m+9×80m),为变截面预应力连续箱梁桥,分上下游两幅,每幅单箱单室,顶板宽13m,底板宽6.5m,箱梁采用长线法台座预制,缆索吊装,悬臂拼装。
为加强安全管理,项目部在全桥施工过程中建立了安全生产相关制度,实行了安全生产责任制,并对危险性较大工程编制了安全施工专项方案。
为保证工程质量,项目部加强进场材料管理,对钢筋、钢绞线、水泥等重要材料严格检测其质量证明书、包装、标志和规格。在工地试验室,对砂卵石等地材严格按规范要求进行试验检测。某次卵石试验中,由于出现记录错误,试验人员立即当场用涂改液涂改更正,并将试验记录按要求保存。
缆索吊装系统主要由塔架、主索(承重索)、起吊索、牵引索、扣索、工作索、天车(滑轮索)、索鞍、锚碇等组成。塔架高度85m,采用钢制万能杆件连接组拼,塔架示意图如图3-7所示。
主索锚基坑地层及断面示意图如图3-8所示。基坑开挖完成后,混凝土浇筑前突降大雨,基坑出现大面积垮塌,并导致2人受伤。主桥墩柱、盖梁施工完成后,安放支座、现浇主梁0号块混凝土,然后吊拼1块箱梁,同时进行墩顶箱梁的临时固结,再依次拼接各梁段。
【问题】
1.图3-7中A是何种设施?说明设置A的主要要求。
2.结合背景资料,说明图3-8中B的大小的要求,图3-8中将微风化砂岩开挖坡度设为1:0是否正确?说明理由。确定上层土层开挖坡度时,应主要考虑哪些因素?
3.结合图3-8和背景资料,为防止同类垮塌事故,该基坑开挖时可采取哪些处理措施?
4.补充钢绞线还需进行的检查项目,改正对砂卵石地材试验检测记录的错误做法。
5.简要说明墩顶箱梁临时固结的施工步骤。
6.结合背景资料描述的施工内容,根据交通运输部《公路水运工程安全生产监督管理办法》,项目部应编制哪几个主桥施工安全专项方案?
【参考答案】
1.图3-7中A是风缆。设置要求:对称布置,与地面成30°,与塔架角度大于45°。
2.图3-8中B的大小要求是大于1m。
图3-8中将微风化砂岩开挖坡度设为1:0不正确。
理由:上缓下陡易形成滑坡和塌方。
确定上层土层开挖坡度时,应考虑开挖深度、地质条件、现场的具体情况等因素。
3.基坑顶面设置截水沟,坡面可采取混凝土护壁、锚杆支护、锚桩支护等措施加固,排水沟和集水井降水,必要时可采用井点降水法。
4.补充钢绞线检查项目:抗拉强度、弯曲和伸长率。
改正:在作废数据处划两条水平线,正确数据填在上方,加盖更改人印章。
5.临时固结的施工步骤:将0号块梁段与桥墩钢筋或预应力筋,临时固结,待解除固结时再将其切断;在桥墩一侧或两侧设置临时支撑或支墩;顺桥向用扇形或门式托架将0号块梁段临时支撑,待悬浇到至少一端合拢后恢复原状。临时支承可采用硫磺水泥砂浆、砂筒或混凝土块等卸落设备,能较方便地拆除临时支承。
6.滑坡和高边坡处理、土方开挖工程、模板工程、起重吊装工程、脚手架工程等均需编制安全专项方案。
案例分析题九[2010年真题]
【背景资料】
某施工单位承接了某高速公路路基H合同段工程施工,该区段设计车速100km/h,平均挖深19m,路基宽度26m,其中K20+300~K20+520为石质路堑。该区段岩石为石炭系硅质灰岩,岩石较坚硬,多为厚层构造,局部呈薄层状构造,裂隙发育。要求路堑采用钻爆开挖,爆破石渣最大允许直径为30cm,对开挖石渣尽可能提高利用率。
施工单位编制的爆破设计方案摘要如下:
(1)边坡采用预裂爆破,路基主体尽量采用深孔爆破,局部采用钢钎炮、烘膛炮等方法。
(2)采用直径8cm的钻头钻孔,利用自行式凿岩机或潜孔钻一次钻到每阶平台设计标高位置。
(3)爆破顺序采用从上至下的分台阶,顺路线方向纵向推进爆破,控制最大爆破深度不超过10m,纵向每40~50m为一个单元,边坡和主体采用微差爆破一次性完成。
(4)边坡预裂爆破孔问距为1m,采用“方格型”布置,按水平方向控制炮杆位置,路基主体内炮孔间距4m,采用“梅花型”均匀布置。
爆破设计方案报主管部门审批时未通过,退回后由施工单位重新修改。
在确定爆破安全距离时,施工单位按《爆破安全规程》中“安全距离不小于200m”的规定,将安全距离设为200m,并布置警戒线。爆破结束后,未出现安全事故。
K20+300~K20+520段需开挖石方140000m3,采用2台装载机(每台作业率720m3/台班)和6台自卸汽车(每台作业率300m3/台班)配合装运石方,其他机械均配套,将石方调运到两端的填方路段。
施工完成后,对路基工程进行了质量检验,其中针对K20+300~K20+520路段,实测了纵断高程、中线偏位、宽度、横坡。
【问题】
1.指出并改正爆破设计方案中的错误之处。
2.施工单位确定爆破安全距离的做法是否恰当?说明理由。
3.在不考虑加班的情况下,K20+300~K20+520路段石方调运工作需要多少天(列式计算)?
4.K20+300~K20+520段路基施工的质量检验,还应实测哪些项目?
【参考答案】
1.(1)错误之处:采用“方格型”布置。
改正:采用“一字型”布置。
(2)错误之处:按水平方向控制炮杆位置错误。
改正:按边坡坡度控制炮杆位置。
2.施工单位确定爆破安全距离的做法不恰当。
理由:除考虑《爆破安全规程》中露天爆破安全距离不得小于200m外,还应考虑个别飞散物影响,地震波、空气冲击波的影响,经计算后再确定安全距离。
3.在不考虑加班的情况下,K20+300~K20+520路段石方调运工作天数=140000/(2×720)-97.2d≈98d。
4.K20+300~K20+520段路基施工的质量检验还应实测的项目:压实度、平整度、边坡坡度、边坡平顺度。


























