三、案例题
【案例一】
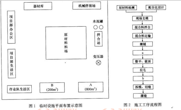
某施工单位承建机场水泥混凝土道面工程。施工单位进场后,依据建设单位提供的临时用地实际情况,编制了临时设施平面布置示意图(如图1所示)和水泥混凝土面层施工工序流程图(如图2所示)。
鉴于当地的气候特征,施工单位计划在夜间进行水泥混凝土面层作业。

【问题】
1.为满足承建项目的需求,图1中A、B应设置为何种用途的工作场地?说明理由。
2.写出图2中a、b所代表的工序名称。
3.为保证夜间施工作业人员的人身安全,现场作业面应采取哪些措施?
参考答案:
参考解析:
1.为满足承建项目的需求,图1中A、B应设置的工作场地及理由:
(1)A应设置为钢筋和模板加工场。理由:A场地距离变压器较近,钢筋和模板加工用电量较大,所需场地也较大,所以A场地作为钢筋和模板加工场地合理。
(2)B应设置为工地试验室。理由:B场地靠近原材料料场,方便及时取样检测,且工地试验室用地量要小于钢筋、模板加工场,故B场地应布置为工地试验室。
2.图2中a、b所代表的工序名称分别为振捣、养护。
3.为保证夜间施工作业人员的人身安全,现场作业面应采取的措施:(1)施工现场应具备满足作业的照明需求;(2)应设专人指挥运料车辆的倒车;(3)限制运料车辆的车速;(4)现场所有人员均需穿反光标志服。


























