高处作业的分级考点解析
高处作业的分级介绍
高处作业的分级
(一)作业高度分类

(二)高处作业分类
高处作业分为特殊高处作业 (B 类)和一般高处作业 (A 类)

1.特殊高处作业类别 (B 类)
特殊高处作业类别分为如下几种:
(1)强风 (六级,风速 10.8/s) 及以上情况下进行的强风高处作业。
(2)高温或低温环境下进行的异温高处作业
(3)在降雪时进行的雪天高处作业
(4)在降雨时进行的雨天高处作业
(5)在室外完全采用人工照明进行的夜间高处作业
(6)在接近或接触带电体条件下进行的带电高处作业。
(7)在无立足点或无牢靠立足点的条件下进行的悬空高处作业
直接引起坠落的客观危险因素分为 11 种:
(1) 阵风风力五级(风速 8.0m/s) 以上
(2) GB/T 4200 规定的 II 级或I 级以上的高温作业
(3)平均气温等于或低于 5C的作业环境
(4)接触冷水温度等于或低于 12C的作业
(5) 作业场地有冰、雪、霜、水、油等易滑物
(6)作业场所光线不足或能见度差
(7)作业活动范围与危险电压带电体距离小于下表中的规定
| 危险电压带电梯的电 压等级/kV |
≤10 | 35 | 63~110 | 220 | 330 | 500 |
| 距离/m | 1.7 | 2.0 | 2.5 | 4.0 | 5.0 | 6.0 |
(8)摆动,立足处不是平面或只有很小的平面,即任一边小于 500mm 的矩形平面、直径小于 500mm 的圆形平面或具有类似尺寸的其他形状的平面,致使作业者无法维持正常姿势
(9) GB3869 规定的 III 级或 I 级以上的体力劳动强度
(10)存在有毒气体或空气中含氧量低于 19.5%的作业环境
(11)可能会引起各种灾害事故的作业环境和抢救突然发生的各种灾害事故。存在上述中列出的一种或一种以上客观危险因素的高处作业按表 4-3 规定的 B 类法分级
717.82KB
下载
611.70KB
下载
602.65KB
下载
562.12KB
下载
755.02KB
下载
862.93KB
下载
733.35KB
下载
573.83KB
下载
473.67KB
下载
800.94KB
下载
正确答案: B
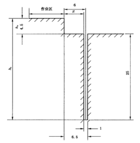
答案解析: 图示基础高度4.5+25=29.5m,可能坠落范围半径5m,高处作业高度4.5m。
“作业场地有冰、雪、霜、水、油等易滑物”属于直接引起坠落的客观危险因素,其高处作业按下表规定的B类法分级:
正确答案: C
答案解析: 作业高度分为2-5m,>5~15m,>15~30m及>30m四个区域。

正确答案: C
答案解析: 直接引起坠落的客观危险因素分为11种。
(1)阵风风力五级(风速8.0 m/s)以上。(A错误)
(2)GB/T 4200规定的Ⅱ级或Ⅱ级以上的高温作业。
(3)平均气温等于或低于5℃的作业环境。(B错误)
(4)接触冷水温度等于或低于12℃的作业。
(5)作业场地有冰、雪、霜、水、油等易滑物。(C正确)
(6)作业场所光线不足或能见度差。
(7)作业活动范围与危险电压带电体距离小于下表的规定。
(8)摆动,立足处不是平面或只有很小的平面,即任一边小于500mm的矩形平面、直径小于500mm的圆形平面或具有类似尺寸的其他形状的平面,致使作业者无法维持正常姿势。
(9)GB 3869规定的Ⅲ级或Ⅲ级以上的体力劳动强度。
(10)存在有毒气体或空气中含氧量低于19.5%的作业环境。(D错误)
(11)可能会引起各种火灾事故的作业环境和抢救突然发生的各种灾害事故。
正确答案: D
答案解析: 特殊高处作业类别(B类)分为如下几种:
(1)强风(六级,风速10. 8m/s)及以上情况下进行的强风高处作业。
(2)高温或低温环境下进行的异温高处作业。
(3)在降雪时进行的雪天高处作业。
(4)在降雨时进行的雨天高处作业。
(5)在室外完全采用人工照明进行的夜间高处作业。
(6)在接近或接触带电体条件下进行的带电高处作业。
(7)在无立足点或无牢靠立足点的条件下进行的悬空高处作业。
正确答案: A
答案解析: 特殊高处作业类别(B类):
(1)强风高处作业(六级,风速10.8 m/s(A选项不属于))及以上情况下进行的强风高处作业。
(2)高温或低温环境下进行异温高处作业。
(3)在降雪时进行的雪天高处作业(B选项属于)。
(4)在降雨时进行的雨天高处作业(C选项属于)。
(5)在室外完全采用人工照明进行的夜间高处作业。
(6)在接近或接触带电体条件下进行的带电高处作业。
(7)在无立足点或无牢靠立足点的条件下进行的悬空高处作业(D选项属于)。
一般高处作业指除特殊高处作业以外的高处作业。
一、高处作业
凡在坠落高度基准面2m以上(含2m)有可能坠落的高处进行的作业称为高处作业。高处作业高度计算方法示例如图4-1所示。


(1)高处作业施工前,应对作业人员进行安全培训教育及交底,如实记录,并配备相应防护用品。高处作业人员应按规定正确佩戴和使用高处作业安全防护用品、用具,并应经专人检查。
(2)建筑施工高处作业前,应对安全防护设施进行检查、验收,验收合格后方可进行作业;验收可分层或分阶段进行。安全防护设施验收应包括下列主要内容: 防护栏杆立杆、横杆及挡脚板的设置、固定及其连接方式,拳登与悬空作业时的上下通道、防护栏杆等各类设施的搭设,操作平台及平台防护设施的搭设,防护棚的搭设,安全网的设置,安全防护设施构件、设备的性能与质量,防火设施的配备,各类设施所用的材料、配件的规格及材质,设施的节点构造,材料配件的规格、材质及其与建筑物的固定、连接状况。
(3)安全防护设施验收资料应包括下列主要内容:施工组织设计中的安全技术措施或施工方案;安全防护用品用具产品合格证明;安全防护设施验收记录;预埋件隐蔽验收记录;安全防护设施变更记录及签证。
(4)对施工作业现场所有可能坠落的物料,应及时拆除或采取固定措施
(5)采用安全网进行封闭的防护栏杆、防护棚及操作平台处,应按规定设置消防器材,当进行焊接等动火作业时,应采取防火措施。
(6)在雨、霜、雾、雪等天气进行高处作业时,应采取防滑、防冻措施,并应及时清除作业面上的水、冰、雪、霜.当有 6 级以上强风、浓雾、沙尘暴等恶劣气候时,不得进行露天攀登与悬空高处作业。暴风雪及台风暴雨后,应对高处作业安全设施进行检查,当发现有松动、变形、损坏或脱落等现象时,应立即修理完善,维修合格后再使用
(7)需要临时拆除或变动安全防护设施时,应采取能代替原防护设施的可靠措施,作业后应立即恢复.
8)应按类别有针对性地将各类安全警示标志悬挂于施工现场各相应部位,夜间应设红灯警示。
(9)安全防护设施应做到定型化、工具化,防护栏以黑黄(或红白)相间的条纹标示,盖件以黄(或红)色标示,
拒绝盲目备考,加学习群领资料共同进步!

免费听
赵春晓
幽默风趣,思维导图总结精彩,考点层次分明。
主讲:安全生产管理,建设工程施工管理,建设工程项目管理
233网校一级建造师《项目管理》、二级建造师《施工管理》独家签约网课老师。某“双一流、211”高校副研究员、硕导,国家一级注册建造师、造价师。

免费听
李天宇
实力派偶像
主讲:化工安全,安全生产技术基础,其他安全,化工安全,消防安全案例分析
河北大学硕士毕业。注册化工工程师、注册安全工程师、注册一级消防工程师、注册一级建造师。曾就职于大型研究设计院,担任项目主管并负责项目安全专篇设计及校审核工作。具有扎实的理论功底,丰富的现场实践经验,熟悉过程化设计、生产、检修维护中的安全隐患及应急预案。

免费听
唐忍
分数收割机
主讲:合同管理,安全生产法律法规,安全生产法规
优秀安全工程师、监理工程师讲师。善于重点击破晦涩法理点,轻松提升得分。

免费听
安勇
主讲:安全生产法律法规,安全生产管理,安全生产法规
211重点高校安全管理专业博士,正高级工程师(安全工程),在大型国企担任安全管理岗位多年,积累了丰富的现场工作经验,深入了解各种行业安全管理的特点和难点,对如何解决实际问题有着独到的见解。

免费听
王培山
考点预测牛
主讲:其他安全,其它安全
高级工程师、注册一级消防工程师,注册安全工程师,多年从事消防、安全考试培训。

免费听
黄明峰
封“神”级老师
主讲:消防安全技术综合能力,消防安全技术实务,消防安全技术综合能力,消防安全案例分析,安全生产技术基础
主要从事一级消防工程师、中级安全工程师等考试培训。
专业智能,高效提分
章节练习
章节专项突破
进入做题
精选试题
省时高效精选
进入做题
模拟考场
海量题免费做
进入做题
考前点题
高效锁分72小时
进入做题
每日一练
每天进步一点点
进入做题
历年真题
真题实战演练
进入做题
易错题
精选高频易错题
进入做题
模考大赛
同场闯关做题
进入做题
APP刷题神器
模考大赛
考点打卡
做题闯关

扫描二维码 下载233网校APP刷题
微信扫码关注公众号
获取更多考试资料