
在电气安全防护中,漏电保护装置是防止触电事故和电气火灾的重要设备。根据《安全生产技术基础》中的规定,不同的电气设备和环境对漏电保护装置的选择有不同的要求。在某些特定情况下,为了确保连续供电和避免其他安全事故的发生,应选择报警式漏电保护装置。
1. 报警式漏电保护装置的应用场景
公共场所的通道照明电源和应急照明电源:这些电源如果突然切断,可能会导致人员疏散困难,甚至引发更大的安全事故。因此,应安装报警式漏电保护装置,在检测到漏电时发出警报,而不立即切断电源。
消防用电梯及确保公共场所安全的电气设备:例如,消防水泵、消防通道照明等,这些设备在火灾等紧急情况下必须保持正常运行。如果漏电保护装置直接切断电源,可能会导致更严重的后果。
用于防盗报警的电源:这些电源如果突然切断,可能会导致防盗系统失效,增加盗窃风险。因此,应安装报警式漏电保护装置,及时发出警报,而不立即切断电源。
其他不允许突然停电的场所或电气装置:如医院的手术室、数据中心等,这些地方的电气设备必须保持连续供电,以确保关键操作的顺利进行。
2. 报警式漏电保护装置的工作原理
报警式漏电保护装置的主要功能是在检测到漏电时,通过声光报警等方式提醒操作人员,而不是立即切断电源。这种装置通常与监控系统结合使用,可以在第一时间发现并处理漏电故障,从而避免因突然断电而造成的更大损失。
3. 案例分析
某大型商场在一次例行检查中发现,其应急照明系统的漏电保护装置存在误动作的情况,导致应急照明系统频繁断电。为解决这一问题,商场决定更换为报警式漏电保护装置。新装置在检测到漏电时,会立即发出警报,通知工作人员进行处理,同时保持应急照明系统的正常运行。通过此次改进,商场有效避免了因应急照明系统突然断电而可能引发的安全隐患。
4. 安装注意事项
选择合适的报警方式:根据实际需求选择合适的报警方式,如声光报警、短信报警等。
定期维护:定期检查报警式漏电保护装置的工作状态,确保其正常运行。
培训操作人员:对操作人员进行培训,使其了解报警式漏电保护装置的工作原理和应急处理方法。
总结
在某些特定情况下,选择报警式漏电保护装置而非直接切断电源的装置,可以有效避免因突然断电而引发的其他安全事故。通过合理选择和安装报警式漏电保护装置,并定期维护和培训操作人员,可以确保电气设备的安全运行。
科目:安全生产技术基础
考点:漏电保护装置的安装和运行
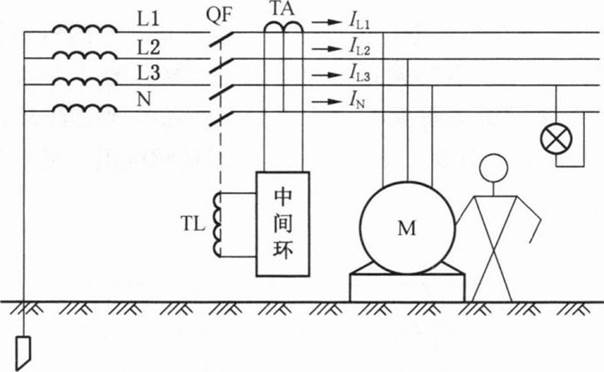
1、剩余电流动作保护又称为漏电保护,是利用剩余电流动作保护装置来防止电气事故的一种安全技术措施。其装置和工作原理图如下图所示,下列关于剩余电流动作保护的工作原理说法中,正确的是( )。
A.M电动机漏电,人触碰后形成短路,促使中间环节T1动作,发出信号导致熔断器熔断以切断供电电源
B.TA表示零序电流互感器,由TA获取漏电信号,经中间环节放大电信号,使QF跳闸
C.M电动机外壳发生漏电,能够通过电气设备上的保护接触线把剩余电流引入大地
D.剩余电流直接促使电气线路上的保护元件迅速动作断开供电电源
A 选项:剩余电流动作保护不是通过熔断器熔断断电,而是依靠脱扣器(如 QF )动作切断电源,说法错误。
B 选项:TA 是零序电流互感器,能检测漏电产生的剩余电流,经中间环节放大信号后,使 QF(断路器 )跳闸,切断电源,说法正确。
C 选项:电动机外壳漏电,是通过保护接地(接零 )将电流引入大地,但这不是剩余电流动作保护装置的工作原理,剩余电流动作保护是检测剩余电流并触发保护动作,说法错误。
D 选项:剩余电流不是直接促使保护元件动作,而是经零序电流互感器检测、中间环节处理后,使脱扣器动作,说法错误。
2、漏电保护器的主要作用是防止漏电而引起的触电、火灾等。为保证人身和设备安全,许多电气设备都需要安装漏电保护装置。下列电气设备中,使用时应装设漏电保护装置的是( )。
A.I类电气设备
B.II类电气设备
C.III类电气设备
D.标"回"的电气设备
选项 B错误,Ⅱ 类电气设备的防触电保护依靠双重绝缘或加强绝缘,不需要装设漏电保护装置。
选项 C错误,Ⅲ 类电气设备的防触电保护依靠安全特低电压供电,不需要装设漏电保护装置。
选项 D错误,标 “回” 的电气设备,可不装设漏电保护装置。
属于I类的移动式电气设备及手持式电动工具;生产用的电气设备;施工工地的电气设备;安装在户外的电气装置;临时用电的电气设备;机关、学校、宾馆、饭店、企事业单位和住宅等除壁挂式空调电源插座外的其他电源插座或插座回路;游泳池、喷水池、浴池的电气设备;安装在水中的供电线路和设备;医院中可能直接接触人体的电气医用设备等均必须安装漏电保护装置。
口诀:(医—I类、医院;生—生产;工—工地;户—户外;临—临时;水—水中;坐—插座)
3、漏电保护装置是用来防止人身触电和漏电引起事故的一种接地保护装置,下列关于漏电保护装置的适用范围及使用要求中,符合规定的是( )。
A.漏电保护装置仅适用于绝缘破损、接线端子脱落导致的间接接触电击
B.防止触电的漏电保护装置宜采用高灵敏度、快速型漏电保护装置
C.安装在电源端的漏电保护装置应采用(相对)高灵敏度、延迟型漏电保护装置
D.漏电保护装置能及时分断因绝缘击穿导致的短路故障回路
选项B正确。防止触电的漏电保护装置宜采用高灵敏度、快速型漏电保护装置;
选项C错误。安装在电源端的漏电保护装置应采用(相对)中灵敏度或低灵敏度、延迟型漏电保护装置;
选项D错误。漏电保护装置不能及时分断因绝缘击穿导致的短路故障回路。
4、剩余电流动作保护器是在规定条件下,当剩余电流达到或超过给定值时,能自动断开电路的机械开关电器或组合电器。下列关于剩余电流动作保护器的说法中,正确的有( )。
A.在额定漏电动作电流不大于30mA的剩余电流动作保护装置,在其他保护措施失效时,也可作为直接接触电击的补充保护
B.剩余电流动作保护器能够防护所有线路中有电流变化的触电事故
C.剩余电流保护器中的零序电流互感线圈能够直接使电路断开,起到保护作用
D.剩余电流动作保护器的工作原理要求电路中必须要有电流损耗造成电流差,保护器才会动作
E.剩余电流动作保护器是兼防直接接触电击和间接接触电击的有效防护措施
B:不能防护所有触电事故,比如双手同时碰相线等特殊情况,错误。
C:零序电流互感线圈是检测剩余电流,不能直接断开电路,错误。
D:基于电路有电流差(剩余电流)才动作,正确。
E:可兼防直接和间接接触电击,正确。
5、 漏电保护装置是用来防止人身触电和漏电引起事故的一种接地保护装置,当电路或用电设备漏电电流大于装置的整定值,或人、动物发生触电危险时,它能迅速动作,切断事故电源,避免事故的扩大,保障了人身、设备的安全。下列关于漏电保护装置的说法中,正确的是( )。
A.漏电保护装置可以用来防止间接接触电击和直接接触电击,但是用于防止间接接触电击时,只作为基本防护措施的补充保护措施
B.按照动作原理,漏电保护装置分为电子式和电磁式两类
C.电流型漏电保护装置以漏电电流或触电电流为动作信号
D.电磁式漏电保护装置承受过电流或过电压冲击的能力强,灵敏度高,但工艺难度较大
E.电子式漏电保护装置灵敏度很高、动作参数容易调节,但其可靠性较低、承受电磁冲击的能力较弱
6、 【2020年】漏电保护装置主要用于防止间接接触电击和直接接触电击,也可用于防止漏电火灾及监视单相接地故障。下列关于漏电保护装置使用场合的说法中,正确的有( )。
A.定时限型漏电保护装置,可用于应急照明电源
B.中灵敏度漏电保护装置,可用于防止漏电火灾
C.高灵敏度漏电保护装置,可用于防止触电事故
D.低灵敏度漏电保护装置,可用于监视单相接地故障
E.报警式漏电保护装置,可用于消防水泵的电源


























