IT系统考点解析
IT系统介绍
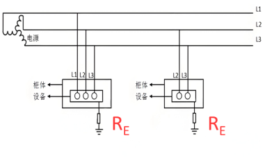
在设备有接地的情况下,由于REㄍRP,如RE=4Ω,则人体电压为UPE=4. 6V,危险性基本消除。
设备外壳通过低电阻接地,限制故障电压在安全范围以内,这种系统就是IT系统。字母I表示配电网不接地或经高阻抗接地,字母T表示电气设备外壳接地。
设备外壳通过低电阻接地,限制故障电压在安全范围以内,这种系统就是IT系统。字母I表示配电网不接地或经高阻抗接地,字母T表示电气设备外壳接地。
沿电流方向:
第一个字母I表示中性点(配电网)不接地
第二个字母T表示设备外壳接地
保护接地适用于各种不接地配电网。
在380V不接地低压配电网中,为限制设备漏电时外壳对地电压不超过安全范围,一般要求保护接地电阻RE≤4Ω。
319.10KB
下载
343.78KB
下载
461.83KB
下载
339.92KB
下载
388.04KB
下载
260.51KB
下载
342.46KB
下载
285.33KB
下载
333.08KB
下载
288.21KB
下载
330.34KB
下载
415.43KB
下载
正确答案: A
答案解析: 选项A正确。由于单相接地电流较小,才有可能通过保护接地把漏电设备故障对地电压限制在安全范围之内;
选项B错误。保护接地不强制要求设置漏电保护装置,即使设置也应采用报警式漏电保护装置;
选项C错误。保护接地应设置短路保护装置,切断短路故障电流;
选项D错误。保护接地适用于不接地配电网,利用设备外壳的低电阻接地将故障电压限定在安全范围之内。
正确答案: B
答案解析: Rc称作阻抗、RE称作保护接地电阻;如图为不接地的配电网,单相电击的危险性较小,能有效降低漏电设备对地电压,可不采取速断保护。
正确答案: D
答案解析: A错误,IT系统只能保证380V电压供应,不适用于低压小型用户的直接供电;B错误,TN-S适用于爆炸危险性较大、安全要求较高的环境;C错误,供电网没有中性点接地线,过电压防护性能较弱;D正确,电网设置报警型漏电保护装置,适用于消防、安防设备供电。

正确答案: A
答案解析: 系统属于IT系统,可能呈现危险电压的金属部位,除另有规定均应接地,系统可利用高阻抗接地实现过电压限制和快速故障点监测;系统通过RE的低电阻接地能有效将故障电压限定在安全值;变压器或发电机容量不超过100kV·A,放宽至RE≤10Ω;系统设置报警型漏电保护装置实现故障预警。

考点:触电防护技术-屏护和间距
1.屏护
屏护是采用护罩、护盖、栅栏、箱体、遮栏等将带电体同外界隔绝开来。
网眼屏护装置的网眼不应大于20mm×20mm ~40mm×40mm
(1)遮栏高度不应小于1.7m,下部边缘离地面高度不应大于0.1m。户内栅栏高度不应小于1.2m;户外栅栏高度不应小于1.5m。
(2)对于低压设备,遮栏与裸导体的距离不应小于0.8m,栏条间距离不应大于0.2m;网眼遮栏与裸导体之间的距离不宜小于0.15m。
(3)金属材料制成的屏护装置,必须接地(接零)。
(4)遮栏、栅栏等屏护装置上应挂标示牌。出入口的门上应根据需要安装信号装置和联锁装置。
2. 间距
在低压作业中,人体及其所携带工具与带电体的距离不应小于0.1m。
在10kV 作业中,无遮栏时,人体及其所携带工具与带电体的距离不应小于0.7m;有遮栏时,遮栏与带电体之间的距离不应小于0.35m。
架空线路应避免跨越建筑物,架空线路不应跨越可燃材料屋顶的建筑物。
导线与建筑物的最小距离。

架空线路应与有爆炸危险的厂房和有火灾危险的厂房保持必需的防火间距。
架空线路断线接地时,为了防止跨步电压伤人,在离接地点4~8m范围内,不能随意进入。




1)绝缘材料分类
(1)固体绝缘材料,包括瓷、玻璃、云母、石棉等无机绝缘材料,橡胶、塑料、纤维制品等有机绝缘材料和玻璃漆布等复合绝缘材料。
(2)液体绝缘材料,包括矿物油、硅油等液体。
(3)气体绝缘材料,包括六氟化硫、氮等气体。
2)绝缘材料性能
绝缘材料有电性能、热性能、力学性能、化学性能、吸潮性能、抗生物性能等多项指标。
(1)电性能,包括介质损耗、绝缘电阻、泄漏电流和耐压强、。
绝缘电阻相应于漏导电流遇到的电阻属于直流电阻,是判断绝缘质量最基本、最简易的指标。绝缘物受潮后绝缘电阻明显降低。
(2)力学性能。绝缘材料的力学性能指强度、弹性等性能。
(3)热性能
耐热性能、耐弧性能、阻燃性能、软化温度和黏度。
耐热性能用允许工作温度来衡量。(最高极限工作温度)
耐弧性能是指接触电弧表面抗碳化的能力,无机绝缘材料的耐弧性能优于有机绝缘材料的耐弧性能。
软化温度是指固体绝缘在较高温度下维持不变形的能力。
(4)吸潮性能。吸潮性能包括吸水性能和亲水性能。
(5)抗生物性能。抗生物性能是材料抵御霉菌等生物性破坏的能力。
绝缘材料受到电气、高温、潮湿、机械、化学、生物等因素的作用时均可能遭到破坏,并可归纳为以下三种破坏方式:绝缘击穿、绝缘老化和绝缘损坏。
1)绝缘击穿
当施加于绝缘材料上的电场强度高于临界值时,绝缘材料发生破裂或分解,电流急剧增加,完全失去绝缘性能。
气体绝缘击穿是由碰撞电离导致的电击穿。气体击穿后绝缘性能会很快恢复。
液体绝缘的击穿特性与其纯净程度有关。液体绝缘击穿后,绝缘性能只在一定程度上得到恢复。
固体绝缘的击穿有电击穿、热击穿、电化学击穿、放电击穿等击穿形式。固体绝缘击穿后将失去其原有性能。
2)绝缘老化
绝缘材料不可逆的物理化学变化,导致电气性能和机械性能的劣化。
3)绝缘损坏
绝缘材料受到外界的污染和侵蚀,失去电气性能、力学性能的现象。
屏护是采用护罩、护盖、栅栏、箱体、遮栏等将带电体同外界隔绝开来,防止触电、防止短路及短路火灾、防止被机械破坏以及便于安全操作。固定式屏护装置应有足够的力学强度和良好耐燃性能。
(1)户内栅栏高度不应小于1.2m;户外栅栏高度不应小于1.5m。
遮栏高度不应小于1.7m,下部边缘离地面高度不应大于0.1m。
(2)对于低压设备,遮栏与裸导体的距离不应小于0.8m,栏条间距离不应大于0.2m;网眼遮栏与裸导体之间的不宜小于0.15m。
(3)金属材料制成的屏护装置,必须接地(或接零)。
(4)遮栏、栅栏等屏护装置上应根据被屏护对象挂上“止步!高压危险!”“禁止攀登!”等标示牌。
(5)遮拦出入口的门上应根据需要安装信号装置和联锁装置。
第一个字母T表示配电网直接接地,第二个字母T表示设备外壳接地。
中性点的接地RN叫做工作接地,中性点引出的导线叫做中性线N(工作零线)。在接地的配电网(TT系统)中,单相电击的危险性比不接地的配电网(IT系统)单相电击的危险性大,只有在采用其他防止间接接触电击的措施有困难的条件下才考虑采用TT系统。
TT系统中应装设能自动切断漏电故障的漏电保护装置(剩余电流保护装置)或具有同等功能的过电流保护装置。
TT系统主要用于低压用户,即用于未装备配电变压器,从外面直接引进低压电源的小型用户。
字母T表示中性点接地,字母N表示电气设备在正常情况下不带电的金属部分与配电网中性点(N点)之间连接。
当设备某相带电体碰连设备外壳时,形成该相对保护零线的短路,短路电流促使线路上的短路保护迅速动作,从而将故障部分断开电源,消除电击危险。
TN系统分为TN-S(分)、TN-C(合)-S(分)、TN-C(合)。
为了实现保护接零要求,可以采用一般过电流保护装置或剩余电流保护装置(漏电保护器)。
在接零系统中,对于配电线路或仅供给固定式电气设备的线路,故障持续时间不宜超过5s;
对于供给手持式电动工具、移动式电气设备的线路或插座回路,电压220V者故障持续时间不应超过0.4s,380V者不应超过0.2s。
1.保护导体(PE、PEN)
保护导体包括保护接地线、保护接零和等电位联结线。保护导体分为人工保护导体和自然保护导体。
单芯绝缘导线作保护零线时,有机械防护的不得小于2.5mm2;没有机械防护的不得小于4mm2。
2.接地装置
接地装置是指埋设在地下的接地电极与由该接地电极到设备之间的连接导线的总称。
1)自然接地体和人工接地体
自然接地体是用于其他目的,但与土壤保持紧密接触的导体。埋设在地下的金属管道(有可燃或爆炸性介质的管道除外)、金属井管、与大地连接的建筑物的金属结构、水工构筑物及类似的金属管、桩等均可用作自然接地体。当自然接地体的接地电阻符合要求时,可不敷设人工接地体(发电厂和变电所除外)。
自然接地体至少应有两根导体在不同地点与接地网相连。
2)接地线
交流电气设备应优先利用自然导体作接地线。
3)接地装置安装
接地体上端离地面深度不应小于0.6 m(农田地带不应小于1m),并应在冰冻层以下。接地体宜避开人行道和建筑物出入口附近。接地体的引出导体应引出地面0.3m以上。接地体离独立避雷针接地体之间的地下水平距离不得小于3m;离建筑物墙基之间的地下水平距离不得小于1.5m。
4)接地装置连接
接地装置地下部分的连接应采用焊接,并应采用搭焊,不得有虚焊。
利用建筑物的钢结构、起重机轨道、工业管道等自然导体作接地线时,其伸缩缝或接头处应另加跨接线,以保证连续可靠。
接地线与管道的连接可采用螺纹连接或抱箍螺纹连接,但必须采用镀锌件,以防止锈蚀。在有振动的地方,应采取防松措施。
双重绝缘属于防止间接接触电击的安全技术措施。
1.双重绝缘结构
双重绝缘包括双重绝缘和加强绝缘两种类型。
双重绝缘包括双重绝缘和加强绝缘两种类型。双重绝缘指工作绝缘(基本绝缘)和保护绝缘(附加绝缘)。前者是带电体与不可触及的导体之间的绝缘,是保证设备正常工作和防止电击的基本绝缘;后者是不可触及的导体与可触及的导体之间的绝缘。加强绝缘是具有与上述双重绝缘相同绝缘水平的单一绝缘。
2.双重绝缘的基本条件
工作绝缘的绝缘电阻不得低于2 MΩ,保护绝缘的绝缘电阻不得低于5 MΩ,加强绝缘的绝缘电阻不得低于7 MΩ。(相同绝缘水平)
Ⅱ类设备的外壳应有足够的绝缘水平和力学强度,外壳上的盖、窗必须使用工具才能打开。Ⅱ类设备在其明显部位应有“回”形标志。凡属双重绝缘的设备,不得再行接地或接零。
安全电压是在一定条件下、一定时间内不危及生命安全的电压。依靠安全电压供电的设备属于Ⅲ类设备。
1.安全电压限制和额定值
1)限制
工频安全电压有效值的限值为50 V,直流安全电压的限值为120 V。
2)额定值
我国规定工频有效值的额定值有42 V、36 V、24 V、12 V和6 V。
漏电保护装置主要用于防止间接接触电击和直接接触电击。
按照动作原理,漏电保护装置分为电压型和电流型两类;按照有无电子元器件,分为电子式和电磁式两类;按照极数,分为二极、三极和四极漏电保护装置等。
1.漏电保护装置
正常状态,供电回路正常供电,处于联通状态。
故障状态(漏电),供电回路断开,切断故障回路。
2.漏电保护装置的动作参数
电流型漏电保护装置的主要动作参数是动作电流和动作时间。
30 mA及30 mA以下的属高灵敏度,主要用于防止触电事故;
30 mA以上、1000 mA及1000 mA以下的属中灵敏度,用于防止触电事故和漏电火灾;
1000 mA以上的属低灵敏度,用于防止漏电火灾和监视一相接地故障。
重复接地指PE线和PEN线上除工作接地以外其他点的再次接地。
(1)减轻零线断开或接触不良时电击的危险性。
(2)降低漏电设备的对地电压。
(3)改善架空线路的防雷性能。
(4)缩短漏电故障持续时间。
| 灵敏程度 | 动作电流 | 主要作用 |
| 高灵敏度 | ≤30mA | 防止人身触电事故 |
| 中灵敏度 | ≤1000mA | 防触电和漏电火灾 |
| 低灵敏度 | ≥1000mA | 防漏电火灾和一相接地故障 |
| 注:保护装置的额定不动作电流不得低于额定动作电流的1/2。 | ||
| ①漏电保护装置的动作时间指动作时最大分断时间。 ②延时型的只能用于动作电流30mA以上的保护装置。 |
||
漏电保护装置的安装和运行
1安装
(1)必须装设漏电保护装置的场所
属于1类的移动式电气设备及手持电动工具。生产用的电气设备、施工工地的电气设备安装在户外的电气设备、临时用电的设备。除壁挂式空调电源插座外的其他电源插座游泳池、喷水池、浴池的电气设备。安装在水中的供电线路和设备.医院中可能直接接触人体的电气医用设备
(2)应装设报警式漏电保护装置的场所
公共场所的通道照明电源和应急照明电源。消防用电梯及确保公共场所安全的电源
(3)可以不安装漏电保护装置的场所
使用特低电压供电的电气设备。具有双重绝缘或加强绝缘结构的电气设备。使用隔离变压器且二次侧为不接地系统供电的设备。其他没有漏电危险和触电危险的电气设备
2.误动作和拒动作
(1)误动作指漏电保护装置在线路或设备未发生预期的触电或漏电时的动作。拒动作指发生与其动作的触电或漏电时保护装置拒绝动作。
(2)误动作和拒动作都会影响漏电保护装置正常运行。
工作接地
工作接地指配电网在变压器或发电机中性点的接地。
在直接接地的10kV系统中,工作接地应与变压器外壳的接地、避雷器的接地分开。 工作接地RN≤4Ω,一般可限制中性线对地电压一般不超过50V 、非接地相对地电压不超过250V。 在不接地的10kV系统中,工作接地与变压器外壳的接地、避雷器的接地是共用的。一般要求RN≤4Ω;高土壤电阻率地区,允许RN≤10Ω。
等电位连接
等电位连接指保护导体与建筑物的金属结构、生产用的金属装备以及允许用作保护线的金属管道等用于其他目的的不带电导体之间的连接。 等电位连接是保护接零系统的组成部分。保护导体干线应接向低压总开关柜。 主等电位连接导体的最小截面积不得小于最大保护导体截面积的1/2.且不得小于6mm2.
两台设备之间局部等电位连接导体的最小截面积不得小于两台设备保护导体中较小者的截面积。 设备与设备外导体之间的局部等电位连接线的截面积不得小于该设备保护零支线截面积的1/2.
接地装置
(1)自然接地体和人工接地体
(2)接地线
交流电气设备应优先利用自然导体作接地线。在非爆炸危险环境,如自然接地线有足够的截面,可不再另行敷设人工接地线 。
(3)接地装置安装
接地体上端离地面深度不应小于0.6m(农田地带不应小于1m)。接地体宜避开人行道和建筑物出入口附近。接地体的引出导体应引出地面0.3m以上。接地体距离独立避雷针接地体之间的地下水平距离不得小于3m;距离建筑物墙基之间的地下水平距离不得小于1.5m。
(4)接地装置连接
接地装置地下部分的连接应采用焊接,并应采用搭焊。利用建筑物的钢结构、轨道、管道等自然导体作接地线时,其伸缩缝或接头处应另加跨接线。自然接地体与人工接地体之间的连接必须可靠。接地线与管道的连接可采用螺纹连接或抱箍螺纹连接,但必须采用镀锌件,以防止锈蚀。
(一) 电气隔离
1.电源变压器必须是隔离变压器
隔离变压器的输入绕组与输出绕组没有电气连接,并有双重绝缘。隔离变压器的空载输出电压交流不应超过 1000V.
2.二次边保持独立
被隔离回路不得与其他回路及大地有任何连接
3.二次边线路要求
二次边线路电压过高或二次边线路过长,都会降低其可靠性
4.等电位联结为防止隔离回路中两台设备的不同相线漏电时的故障电压带来的危险,各台设备的金属外壳之间应采取等电位联结措施。
不导电环境
1.电压500V 及以下者,地板和墙每一点的电阻不应低于 50kQ,电压 500V 以上者不应低于100k2.
2.保持间距或设置屏障
3.具有永久性特征
4.场所内不得有保护零线或保护地线
5.有防止场所内高电位引出场所范围外和场所外低电位引入场所范围内的措施
拒绝盲目备考,加学习群领资料共同进步!

免费听
赵春晓
幽默风趣,思维导图总结精彩,考点层次分明。
主讲:安全生产管理,建设工程施工管理,建设工程项目管理
233网校一级建造师《项目管理》、二级建造师《施工管理》独家签约网课老师。某“双一流、211”高校副研究员、硕导,国家一级注册建造师、造价师。

免费听
李天宇
实力派偶像
主讲:化工安全,安全生产技术基础,其他安全,化工安全,消防安全案例分析
河北大学硕士毕业。注册化工工程师、注册安全工程师、注册一级消防工程师、注册一级建造师。曾就职于大型研究设计院,担任项目主管并负责项目安全专篇设计及校审核工作。具有扎实的理论功底,丰富的现场实践经验,熟悉过程化设计、生产、检修维护中的安全隐患及应急预案。

免费听
唐忍
分数收割机
主讲:合同管理,安全生产法律法规,安全生产法规
优秀安全工程师、监理工程师讲师。善于重点击破晦涩法理点,轻松提升得分。

免费听
安勇
主讲:安全生产法律法规,安全生产管理,安全生产法规
211重点高校安全管理专业博士,正高级工程师(安全工程),在大型国企担任安全管理岗位多年,积累了丰富的现场工作经验,深入了解各种行业安全管理的特点和难点,对如何解决实际问题有着独到的见解。

免费听
王培山
考点预测牛
主讲:其他安全,其它安全
高级工程师、注册一级消防工程师,注册安全工程师,多年从事消防、安全考试培训。

免费听
黄明峰
封“神”级老师
主讲:消防安全技术综合能力,消防安全技术实务,消防安全技术综合能力,消防安全案例分析,安全生产技术基础
主要从事一级消防工程师、中级安全工程师等考试培训。
专业智能,高效提分
章节练习
章节专项突破
进入做题
精选试题
省时高效精选
进入做题
模拟考场
海量题免费做
进入做题
考前点题
高效锁分72小时
进入做题
每日一练
每天进步一点点
进入做题
历年真题
真题实战演练
进入做题
易错题
精选高频易错题
进入做题
模考大赛
同场闯关做题
进入做题
APP刷题神器
模考大赛
考点打卡
做题闯关

扫描二维码 下载233网校APP刷题
微信扫码关注公众号
获取更多考试资料