流水施工的横道图表示法考点解析
流水施工的横道图表示法介绍

正确答案: A
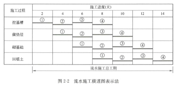
答察解析: 选项A正确,横道图表示法的优点是:绘图简单,施工过程及其先后顺序表达比较清楚,时间和空间状况形象直观,使用方便,因而工程中常采用横道图来表达施工进度计划。
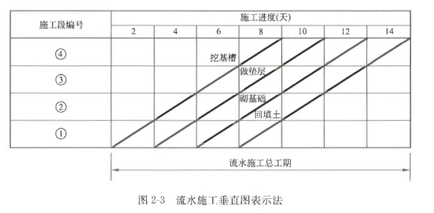
选项B错误,垂直图中,n条斜向线段表示n个施工过程或专业工作队的施工进度。
选项C错误,横坐标表示流水施工的持续时间;纵坐标表示施工过程的名称或编号。
选项D错误,垂直图表示法的优点是:施工过程及其先后顺序表达比较清楚,时间和空间状况形象直观,斜向进度线的斜率可以直观地表示出各施工过程的进展速度,但编制实际工程进度计划不如横道图方便。
正确答案: D
答察解析: 横道图表示法的优点是:绘图简单,施工过程及其先后顺序表达比较清楚,时间和空间状况形象直观,使用方便,因而工程中常采用横道图来表达施工进度计划。
正确答案: C
答察解析: 横道图的优点:
(1)横道图形象、直观,并且易于编制理解。
(2)明确地表示出各项工作的划分。
(3)明确表示工作的开始时间和完成时间。
(4)明确表示工作的持续时间。
(5)明确表示工作之间的相互搭接关系。
(6)明确表示整个工程项目的开工时间、完工时间和总工期。
利用横道图表示工程进度计划,存在下列缺点:
(1)不能明确地反映出各项工作之间错综复杂的相互关系。
(2)不能明确地反映出影响工期的关键工作和关键线路。
(3)不能反映出工作所具有的机动时间。
(4)不能反映工程费用与工期之间的关系。
拒绝盲目备考,加学习群领资料共同进步!

免费听
唐忍
分数收割机
主讲:合同管理,安全生产法律法规,安全生产法规
优秀安全工程师、监理工程师讲师。善于重点击破晦涩法理点,轻松提升得分。

免费听
王竹梅
考点总结高手
主讲:建设工程造价管理,理论与法规
中国人民大学硕士,多年工程造价咨询实战经验,建设部住宅试点工程“部级科技进步个人银奖”获得者。

免费听
江凌俊
口诀一绝
主讲:目标控制(土木建筑),进度控制(水利),建筑施工安全,建筑工程管理与实务,建筑工程,建筑施工安全
曾在设计院任职,线上线下多年培训行业从业经历。

免费听
梁毛
主讲:案例分析(土木建筑),建筑工程
工程管理证书“大满贯”获得者,一级建造师(建筑/机电)、造价工程师、监理工程师(土建/交通)、二级建造师(建筑/机电/市政)、高级工程师(建筑工程)

免费听
孙媛媛
对课程重难点把握精准,讲授通俗易懂,受到广大学员好评
主讲:目标控制(交通工程),市政专业知识,市政专业实务
监理工程师,高校副教授,参加湖南省土建初中级职称大纲编写及修订。

免费听
李博韬
主讲:投资控制(水利)
长期从事监理水利教学与研究工作,经验丰富,对考试方向有深入研究。能够引导学员从课程和书本中梳理知识脉络并高效备考应试,深受学员喜爱。
专业智能,高效提分
章节练习
章节专项突破
进入做题
精选试题
省时高效精选
进入做题
模拟考场
海量题免费做
进入做题
考前点题
高效锁分72小时
进入做题
每日一练
每天进步一点点
进入做题
历年真题
真题实战演练
进入做题
易错题
精选高频易错题
进入做题
模考大赛
同场闯关做题
进入做题
APP刷题神器
模考大赛
考点打卡
做题闯关

扫描二维码 下载233网校APP刷题
微信扫码关注公众号
获取更多考试资料