旧路加铺沥青混合料面层工艺考点解析
旧路加铺沥青混合料面层工艺介绍
旧路加铺沥青混凝土面层时,应注意原有雨水管以及检查井的位置和高程,为配合沥青混凝土加铺应将检查井高程进行调整。
791.40KB
下载
292.06KB
下载
374.30KB
下载
378.85KB
下载
580.92KB
下载
767.27KB
下载
514.17KB
下载
490.94KB
下载
481.16KB
下载
503.85KB
下载正确答案: A
答察解析: 用于裂缝防治的玻纤网和土工织物应分别满足抗拉强度、最大负荷延伸率、网孔尺寸、单位面积质量等技术要求。玻纤网网孔尺寸宜为上层铺筑的沥青面层材料最大粒径的0.5-1.0倍。

正确答案:
答察解析: 答案:
1、基底处理方法有两种:一种是开挖式基底处理,即换填基底材料;另一种是非开挖式基底处理,即注浆填充脱空部位的空洞。
2、探地雷达。
3、为配合沥青混凝土加铺应将检查井高程进行调整。
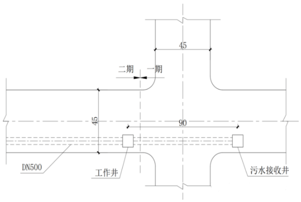
4、工作井位置选择要考虑不影响地面社会交通,对附近居民的噪声和振动影响较少,且能满足施工生产组织的需要。
正确答案: A
答察解析: 用于裂缝防治的玻纤网和土工织物应分别满足抗拉强度、最大负荷延伸率、网孔尺寸、单位面积质量等技术要求。
正确答案: B
答察解析: A选项错误:填补旧沥青路面,凹坑应按高程控制、分层摊铺,每层最大厚度不宜超过100mm。
B选项:在沥青混凝土加铺层与旧水泥混凝土路面之间设置应力消减层,具有延缓和抑制反射裂缝产生的效果。
C选项错误:用于防止反射裂缝的玻纤网网孔尺寸宜为其上铺筑的沥青面层材料最大粒径的0.5~1.0倍。
D选项错误:用于防止反射裂缝的土工织物应能耐170℃以上的高温。
城市道路更新改造应体现与周边环境和谐共生理念,坚持以人文为本和绿色低碳发展要求,对现有道路使用状况进行检测和评估,通过病害治理、罩面加铺、拓宽、翻建等方法完成道路升级改造,保证道路承受荷载能力和面层使用性能,提升城市交通功能。
1)病害处理
(1)裂缝处理:
缝宽在10mm及以内的,应采用专用灌缝(封缝)材料或热沥青灌缝,缝内潮湿时应采用乳化沥青灌缝。缝宽在10mm以上时,应按坑槽处理的要求进行修补。
(2)壅包处理:
①壅包峰谷高差不大于15mm时,可采用机械铣刨平整。
②当壅包峰谷高差大于15mm且面积大于2m²时,应采用铣刨机将壅包全部除去,并应低于路表面30mm及以上。
③基础壅包,应更换已变形的基层,再重铺面层。
(3)车辙处理:
①当车辙在15mm以上时,可采用铣刨机清除。
②当联结层损坏时,应将损坏部位全部挖除,重新修补。
③因基层局部下沉而造成的车辙,应先修补基层。
(4)沉陷、翻浆处理:
路基翻浆、沉陷应根据交通状况、含水情况、道路变形破坏程度采取换土回填、挤密、化学加固等方法对病害进行处治。回填应使用砂砾或水稳性能良好的材料。
①当土基和基层已经密实稳定后,可只修补面层。
②当土基或基层被破坏时,应先处理土基,再修补基层,重铺面层。
③当桥涵台背填土沉降时,应先处理台背填土后再修补面层。当正常沉降时,可直接加铺面层。
(5)剥落处理:
①已成松散状态的面层,应将松散部分全部挖除,重铺面层,或应按0.8~1.0kg/m²的用量喷洒沥青,撒布石屑或粗砂进行处治。
②沥青面层因不贫油出现的轻微麻面,可在高温季节撒布适当的沥青嵌缝料处治。
③大面积麻面应喷洒沥青,并应撒布适当粒径的嵌缝料处治,或重设面层。
④封层的脱皮,应清除已脱落和松动的部分,再重新做上封层。
⑤沥青面层层间产生脱皮,应将脱落及松动部分清除,在下层沥青面上涂刷粘层油,并应重铺沥青层。
(6)坑槽处理:
①坑槽深度已达基层,应先处治基层,再修复面层。
②修补的坑槽应为顺路方向切割成矩形,坑槽四壁不得松动,加热坑槽四壁,涂刷粘层油,铺筑混合料,压实成型,封缝,开放交通。槽深大于50mm时应分层摊铺压实。
③当采用就地热再生修补方法时,应先沿加热边线退回100mm,翻松被加热面层,喷洒乳化沥青,加入新的沥青混合料,整平压实。
(7)唧浆处理:
①可采用注浆固化的方法对病害内部进行处理,或进行局部翻建改造处理。
②应对原路面中央分隔带、路肩、路基边坡、边沟及相应排水设施进行排查,消除积水隐患。
1)路面裂缝处理
(1)对路面板出现小于2mm宽的轻微裂缝,可采用直接灌浆法处治
(2)对裂缝宽度大于或等于2mm且小于15mm且贯穿板厚的中等裂缝,可采取扩缝补块的方法处治,扩缝补块的最小宽度不应小于100mm。
(3)对大于或等于15mm的严重裂缝,可采用挖补法全深度补块;当采用挖补法全深度补块时,基层强度应符合设计要求。
(4)扩缝补块、挖补法全深度补块时应进行植筋,植筋深度应满足设计要求,无设计时植筋深度不应小于板厚的2/3。
沥青路面再生包括厂拌热再生、厂拌温再生、厂拌冷再生、现场热再生、现场冷再生。
拒绝盲目备考,加学习群领资料共同进步!

免费听
赵春晓
幽默风趣,思维导图总结精彩,考点层次分明。
主讲:安全生产管理,建设工程施工管理,建设工程项目管理
233网校一级建造师《项目管理》、二级建造师《施工管理》独家签约网课老师。某“双一流、211”高校副研究员、硕导,国家一级注册建造师、造价师。

免费听
王东兴
灵魂导师
主讲:建设工程法规及相关知识,建设工程法规及相关知识,安全生产法律法规
管理学硕士,国家注册一级建造师,多年从事教育行业,主攻工程经济、项目管理、企业管理方向。

免费听
江凌俊
口诀一绝
主讲:目标控制(土木建筑),进度控制(水利),建筑施工安全,建筑工程管理与实务,建筑工程,建筑施工安全
曾在设计院任职,线上线下多年培训行业从业经历。

免费听
凌平平
实力女神
主讲:市政公用工程管理与实务,公路工程管理与实务,市政公用工程,公路工程
硕士,高校教授,国家注册一级建造师,233网校一级建造师,二级建造师独家签约网课老师。

免费听
王子初
主讲:机电工程,机电工程管理与实务
国家注册一级建造师,从事智能化工程工作

免费听
陈辉
轻松幽默
主讲:矿业工程管理与实务,矿业工程
国家注册一级建造师(矿业工程、市政工程)、注册造价工程师(土建)、注册咨询工程师。
专业智能,高效提分
章节练习
章节专项突破
进入做题
精选试题
省时高效精选
进入做题
模拟考场
海量题免费做
进入做题
考前点题
高效锁分72小时
进入做题
每日一练
每天进步一点点
进入做题
历年真题
真题实战演练
进入做题
易错题
精选高频易错题
进入做题
模考大赛
同场闯关做题
进入做题
APP刷题神器
模考大赛
考点打卡
做题闯关

扫描二维码 下载233网校APP刷题
微信扫码关注公众号
获取更多考试资料