一、单项选择题(每题1分。每题的备选项中,只有1个最符合题意)
1.下列建设工程进度控制措施中,属于监理工程师采取的组织措施的是( )。
A.编制进度控制工作细则
B.分析进度控制目标风险
C.建立进度协调会议制度
D.定期收集实际进度数据
2.下列任务中,属于建设工程实施阶段监理工程师进度控制任务的是( )。
A.审查施工总进度计划
B.编制单位工程施工进度计划
C.编制详细的出图计划
D.确定建设工期总目标
3.利用横道图表示工程进度计划,其不足是不能明确反映( )。
A.整个工程单位时间内的资源需求量
B.各项工作的开始时间和完成时间
C.各项工作之间的搭接时间
D.工程费用与工程总工期之间的关系
4.在工程施工组织方式中,平行施工方式具有的特点是( )。
A.各工作队实现了专业化施工
B.施工现场的组织、管理比较复杂
C.没有充分利用工作面进行施工
D.单位时间内投入的资源量较为均衡( )。
5.在组织流水施工时,某施工过程(专业工作队)在单位时间内所完成的工程量,称为( )。
A.流水节拍
B.流水步距
C.流水时距
D.流水强度
6.某工程由5个施工过程组成,分为三个施工段组织固定节拍流水施工。在不考虑提前插入时间的情况下,要求流水施工工期不超过42天,则流水节拍的最大值为( )天。
A.4
B.5
C.6
D.8
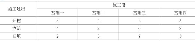
7.某建筑物基础工程的施工过程、施工段划分和流水节拍(天)见下表。如果组织非节奏流水施工,则基础二浇筑完工时间为第( )天。
A.9
B.11
C.14
D.15
8.某工程双代号网络计划如下图所示,其中工作G的最早开始时间为( )。
A.6
B.9
C.10
D.12
9.某工程网络计划中工作B的持续时间为5天,其两项紧前工作的最早完成时间分别为第6天和第8天,则工作B的最早完成时间为第( )天。
A.6
B.8
C.11
D.13
10.在单代号网络计划中,关键线路是指( )的线路。
A.各项工作持续时间之和最小
B.由关键工作组成
C.相邻两项工作之间时间间隔均为零
D.各项工作自由时差均为零

