第一章 水利水电工程建筑物及建筑材料
本章思维导图:










本章习题:
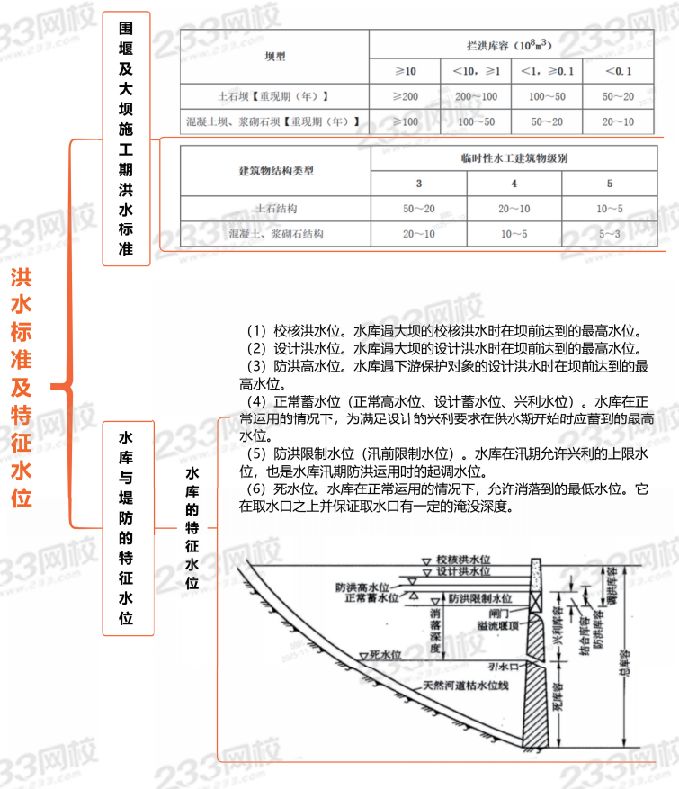
2、某土石坝工程施工高程超过上游围堰顶高程,其相应的拦洪库容为0.5X108m3,该坝施工期临时度汛的洪水标准应为( )年一遇。
A.20~50
B.50~100
C.100~200
D.200~300

3、土石坝的中坝高度为( )之间。
A.20m~50m
B.30m~50m
C.40m~60m
D.30m~70m
4、钢筋牌号HRB500E中的E代表的意思是( )。
A.余热
B.细
C.地震
D.带肋
A选项错误,这是RRB(余热处理钢筋)的特征,不是HRB500E中的E所代表的含义
B选项错误,这是细晶粒热轧带肋钢筋(如HRBF系列)的特征,也不是HRB500E中的E所代表的含义
D选项错误,是HRB本身的意思,不是E所代表的含义
5、在水泥品种一定的条件下,水泥浆的稀稠取决于水胶比的大小。当水胶比较小时,( )。
A.水泥浆较稠,拌合物的黏聚性较差,泌水较多,但流动性较小
B.水泥浆较稠,拌合物的黏聚性较好,泌水较少,但流动性较小
C.水泥浆较稀,拌合物的黏聚性较差,泌水较多,但流动性较大
D.水泥浆较稀,拌合物的黏聚性较好,泌水较少,但流动性较大
好课推荐:根据不同学员的基础层级及个性需求,目前有【私教特训班、智学魔方Pro、畅学直通班】3个班型可供选择,一建原班强师,助力高效通关!
①自律性不高/零基础/备考时间紧/没时间规划的考生,推荐选『私教特训班』=7门好课+3师督学+4大特训营高效领学+官方教材+13大电子资料+免费重学2次+V2题库会员
②现场经验不足/学习时间较充足/建工小白/跨专业的考生,推荐选『智学魔方Rro』=7门好课+30天临考私教特训+2套纸质资料+10大电子资料+免费重学1次+V1题库会员
③有一定基础/有相关工作经验/追求性价比的考生,推荐选『畅学直通班』=4门好课+温度伴学服务+1套纸质资料+8大电子资料+V1题库会员
2026,跟着233网校一起拿下二级建造师!你还在等什么?赶快行动起来,早一分钟学习,就多学一个考点!233网校各大班级科学组合,提供一站式智能备考体系,教材+教辅+题库+课程+资料+督学配套齐全,进入试听学习>>






























